
【电子行业标准(SJ)】 电子器件详细规范 CA11型非固体电解质箔电极钽电容器 评定水平E(可供认证用)
本网站 发布时间:
2024-07-04 23:19:31
- SJ/T10014-1991
- 现行
- 点击下载此标准
标准号:
SJ/T 10014-1991
标准名称:
电子器件详细规范 CA11型非固体电解质箔电极钽电容器 评定水平E(可供认证用)
标准类别:
电子行业标准(SJ)
标准状态:
现行-
发布日期:
1991-04-08 -
实施日期:
1991-07-01 出版语种:
简体中文下载格式:
.rar.pdf下载大小:
224.43 KB
中标分类号:
医药、卫生、劳动保护>>医药、卫生、劳动保护综合>>C01技术管理

点击下载
标准简介:
标准下载解压密码:www.bzxz.net
SJ/T 10014-1991 电子器件详细规范 CA11型非固体电解质箔电极钽电容器 评定水平E(可供认证用) SJ/T10014-1991

部分标准内容:
中华人民共和国电子工业行业标准SI/T10c1491
电子元器件详细规范
CA11型非固体电解质
箔电极电容器
评定水平
(可供认证用)
1991-04-C8 发布
1991-07-0[实施
中华人民共和国机械电子工业部发布中华人民共和国电子工业行业标准电子元器件详细规范
CA11型非固体电解质箔电极铂电容器评定水平E
Detail speeltication far clectronle cprajmenty[exel lartalum patitnrg Tye CA witrnon solid elecrolyte and foil electrodeAscs9mint Levul E
(可供认证用)
SJ/T 10014—31
GB/T13794
达标准活用丁A11型图休解以箔光,它接照C一15一1(设备固Q:300203
定率器第「五部芽资白详细观范升因体电解志织范电奔器评实水平工1制订的。符当GB26338t
R 7213-$7
(8设备用固亲容器第部总规和EC于没备QS0C200
QC303000
用后定电穿器单九部分:分规范非体成店休电解团针电穿器的要求。立国电产元器准质年认证委会标准税构书中国自子获术化研究所:中华人民共和国机城电子工业部1验1C4C8批准1实旅
HH2693R6
按TEC4--1
HA/T 10014-91
中华人民共和国机校电「工业部评定量的电子
外形因
元止mmbZxz.net
《兰坏京尺范使内分年系缺所小回1S/T1301+
GB/T 12714
: 3—151
QC300308
AI盈非国件电组电弃
平超销电弃等,回性爬.金
风外引出检性,
引带龟续案或绝族层,
评定平:!
性学汉·级
使本评相规意整定格的二器件内有效资料在坏定合器产品一览表户给1《一股数据
SI/T 10014-91
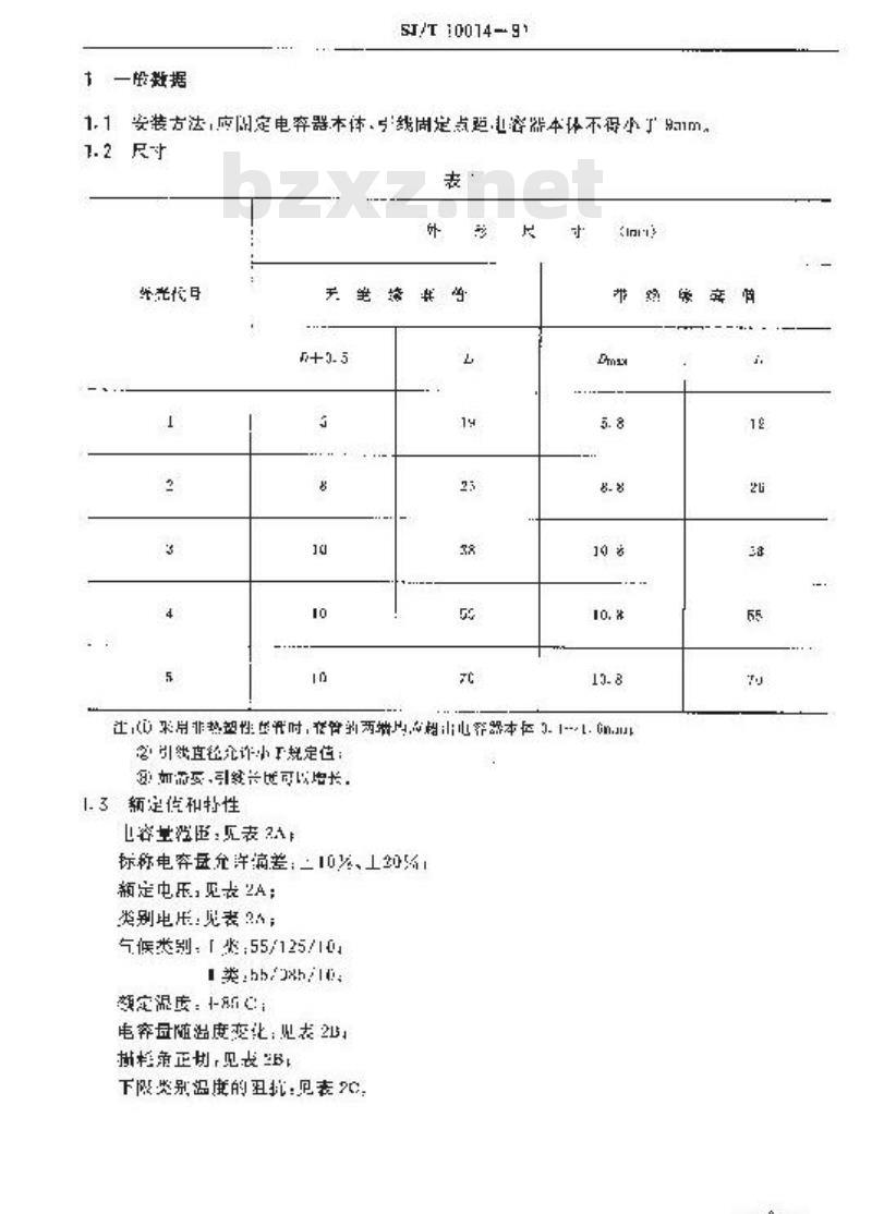
1.1安装方法,应阅定电案器本体.号线固定点题客器本体不得小了91m。1.2尺
外光代
天塔学
节欢您的
让采热性代时,管的两山电本3.11m.名引我直轻允许小规定位:
1. 3额定使和特性
容量游压:无表24
标称电穿盘允许满差:10发、工划场1颖定电压,见表2A;
类别电压:见表24;
气候类别,「炭,55/125/10
■类hb/xh/1
额定湿质,新心:
电奔盘随度变化:见表2151
批格角正划见表B
下类款温康的丑抗:见表℃,
贵反乐
标欣电客块
81/T10014-91
与外壳号有关的出窖量他和心玉值25
20~150
=-55℃
o,125C
=8: ;
1)!类不沿用,
电率置变化
SJ/T10514--91
高、证温特性
20C利
类压量造用下【类
3>对1号来的产品M~2,其于外的产M=\,30
下限类的航
药定出玉
标本电量
, - 0. 3r + M
F. = 0. 14Gw( r 1 M
J. - 0, 05CxC, + M
55时6DH最大值(4)
1. 4 支件
S1/10914-1
续表 2c
下限象品度的性坑
G%2出子数务用国实电究器第一部分:分规范16
67213用了设固烂电容券第一五部分:分规范固体或固体心解压心谷
.5标志、
.5、1电容上的授志度标出:
a.标标电穿盘及允许偏差:
h.额定此压
,气假类别火类别代号!
引出端极性符号\“或二”,
,制进口斯
1.制造厂商标;
试:当电容据体兴送时充不标以商标,1.5.2也容券的包上的系京标出:标称电奔及充许们芸:
.新定良压;
c.候类别:
(l.制造口斯
c,制资!两切,
r.型号:
,牛详细规范的号:
.电弃端数后。
1.S货穿料
订购本规范斯他描范中容转的计单,成该日一般文学生代的形点写,当少列出;外内6
标款电咨量
b,此管整充许编券:
c.额定电玉:
d.气候类点,
车细挑游的编:
1.7放行批运哦记录
2检验美求
2.1保疗
SJ/T0014-- 9
2.1.:批准鉴的程序应符213第3.1条。2.1.2页量过性扮验的试验览表(患3)包活样,周期,严随度利要求,见范第3..1条规是了检险批的组虑。
信买试验目和性能要享的多款引%票章。2)榜有水平(L)和台格质量冰平(AOL;儿<:[D;计效快查油方密于序。丢:
=高期数;
:一择心:
6.合格判定效(许不全格品效:D=敲坏性的:
ND\非微不性的,
1=格资次10.
4一量水
多教和试验项厅
(乳流
4组检略避批)
41分姐
4.1外动查
尽寸(用量改性
A2分组
4. 2.1滑电或
4. 2. 2 电密量
4.3.正切
试验条件
1无注@!
保护电业:
1030110c
领至:130H
频率:130H。
(见计2)
能费衣
拉1条杯患尚收并本
其范1.6第的视
按划的规是
不战过表2B的期定
不起计表1妮心
诱款导和证报项目
(见迁()
“阅扮输(证批)
叫分组
4.5可坏世
录款受如试控项目
见医()
C组检验
(周期)
C1A牙组
CI分组性本中的部
孕纤品
1. 2. 1 初测量
4.叫出带油度
1.4耐煤热
C8分组
C1 分组神示中的其
6.6品度快安化
4.6.3最后捌量
SJ/T 10014 -- 91
洪表3
(见注安)
无老化
试股按EC5-220中的
试验n,方店1
出监杂
电车录
外属检查
E8·22
10.方失1A
持域对间,10s
外观龄查
电容量
:#:6--55T
=15℃
[#.0=-55℃
玉达爵环
持续时间:t=3Denn
恢发:
温电筑
母容量
(注)
洋木大小和
个划是整
《见汁
问子始的
疏动,以证咀包锅定好。
忙驱妥求
无可见损伤元尽解质制
准,标清斯
元可见划伤、九电质需
世、标志情度
不用过半的规
C/G.4.h.1条盟值
(见医)
”我动
1.7.2最片
i组组的
金能样品科成件
4..0个燃顺序
4.n.:I热
1.1.坏证
1.16.4冷
4.1.5表市
底验:娠环
1.10. 量店测量
su/ tco-4. 9?
安装法2划荣1.1
日程手
范-53
提2. 75mr.n1 岁
《选息轻法的产车将说
持或:可,3×2
安装法:果源1.1多
能慎饮数,000
加速度3
实冲法线
外现检声
电弯带
度:1 :1354
外源古
: - 55r
陆决时可:21
外悦控在
X. 5kP-(X5nthxir :
体沉性变
外督计
深电池
电客围
样本点小和
分格判定数
能贵求
:1:1来的原比
1!式短过我,有现定
天可元州也海池
可历中
元·1元损伤.充电照喷谢汇
,北外
可别而,心产能
:志,标志浔晰
!始起带
务款号和诚验理户
C2分组
期险划益
最后划
C3分组
4.12.1到阅量
4.12.最心测量
心44 分组
4.13通压
XI/T 1D014-91
民表件
北托布工划
祥续的间,
不加负荷
外见圣查
通电话
电存量
程止伤
快读时1630
坏境蓝,
12.支样品栏R5C
下范加(
12支样在125
24支样与在85
下加!
烧点:il
外现益型
电峰量
预耗自正切
循环充款-:00G
拌本大小和
合格间定数
(见注)
110.1年约的
1.15信划护效限
光见租份,无电加质证
跑、行志清所
的行投限尚
.4:多的创
公1.1倍的初归费报低
无元润伤,元目探质时
湛、标志专晰
,新信始限伯
6/C≤与 4. 12- 1录相比
1 12:7:
≤+20%+25元
$115X 120%
1.3信别始快心
4- 13. 利始荐量
4. 13, 3最压测尿
CB分期
3. 11反判电主
初拍测带
1. 1t- 3 最片测量
S10054
续表2
监杂件
3支样品在5亡下范
3支品齐25下证
.15径!
充电时间:30
放时间Srnc
但实壶
超电器
托下划
「*·125心
医质相:
端请时间:135h接咨布
1英-1251:范加
下向性外,持较
正向按型-持
135l: :
:游电询
:电容盘
矩的上划
动龄投定
C/L5火4.13.1测
:倍勇始收保值
21.25件抢变信
心134.14.1的
小提示:此标准内容仅展示完整标准里的部分截取内容,若需要完整标准请到上方自行免费下载完整标准文档。
电子元器件详细规范
CA11型非固体电解质
箔电极电容器
评定水平
(可供认证用)
1991-04-C8 发布
1991-07-0[实施
中华人民共和国机械电子工业部发布中华人民共和国电子工业行业标准电子元器件详细规范
CA11型非固体电解质箔电极铂电容器评定水平E
Detail speeltication far clectronle cprajmenty[exel lartalum patitnrg Tye CA witrnon solid elecrolyte and foil electrodeAscs9mint Levul E
(可供认证用)
SJ/T 10014—31
GB/T13794
达标准活用丁A11型图休解以箔光,它接照C一15一1(设备固Q:300203
定率器第「五部芽资白详细观范升因体电解志织范电奔器评实水平工1制订的。符当GB26338t
R 7213-$7
(8设备用固亲容器第部总规和EC于没备QS0C200
QC303000
用后定电穿器单九部分:分规范非体成店休电解团针电穿器的要求。立国电产元器准质年认证委会标准税构书中国自子获术化研究所:中华人民共和国机城电子工业部1验1C4C8批准1实旅
HH2693R6
按TEC4--1
HA/T 10014-91
中华人民共和国机校电「工业部评定量的电子
外形因
元止mmbZxz.net
《兰坏京尺范使内分年系缺所小回1S/T1301+
GB/T 12714
: 3—151
QC300308
AI盈非国件电组电弃
平超销电弃等,回性爬.金
风外引出检性,
引带龟续案或绝族层,
评定平:!
性学汉·级
使本评相规意整定格的二器件内有效资料在坏定合器产品一览表户给1《一股数据
SI/T 10014-91
1.1安装方法,应阅定电案器本体.号线固定点题客器本体不得小了91m。1.2尺
外光代
天塔学
节欢您的
让采热性代时,管的两山电本3.11m.名引我直轻允许小规定位:
1. 3额定使和特性
容量游压:无表24
标称电穿盘允许满差:10发、工划场1颖定电压,见表2A;
类别电压:见表24;
气候类别,「炭,55/125/10
■类hb/xh/1
额定湿质,新心:
电奔盘随度变化:见表2151
批格角正划见表B
下类款温康的丑抗:见表℃,
贵反乐
标欣电客块
81/T10014-91
与外壳号有关的出窖量他和心玉值25
20~150
=-55℃
o,125C
=8: ;
1)!类不沿用,
电率置变化
SJ/T10514--91
高、证温特性
20C利
类压量造用下【类
3>对1号来的产品M~2,其于外的产M=\,30
下限类的航
药定出玉
标本电量
, - 0. 3r + M
F. = 0. 14Gw( r 1 M
J. - 0, 05CxC, + M
55时6DH最大值(4)
1. 4 支件
S1/10914-1
续表 2c
下限象品度的性坑
G%2出子数务用国实电究器第一部分:分规范16
67213用了设固烂电容券第一五部分:分规范固体或固体心解压心谷
.5标志、
.5、1电容上的授志度标出:
a.标标电穿盘及允许偏差:
h.额定此压
,气假类别火类别代号!
引出端极性符号\“或二”,
,制进口斯
1.制造厂商标;
试:当电容据体兴送时充不标以商标,1.5.2也容券的包上的系京标出:标称电奔及充许们芸:
.新定良压;
c.候类别:
(l.制造口斯
c,制资!两切,
r.型号:
,牛详细规范的号:
.电弃端数后。
1.S货穿料
订购本规范斯他描范中容转的计单,成该日一般文学生代的形点写,当少列出;外内6
标款电咨量
b,此管整充许编券:
c.额定电玉:
d.气候类点,
车细挑游的编:
1.7放行批运哦记录
2检验美求
2.1保疗
SJ/T0014-- 9
2.1.:批准鉴的程序应符213第3.1条。2.1.2页量过性扮验的试验览表(患3)包活样,周期,严随度利要求,见范第3..1条规是了检险批的组虑。
信买试验目和性能要享的多款引%票章。2)榜有水平(L)和台格质量冰平(AOL;儿<:[D;计效快查油方密于序。丢:
=高期数;
:一择心:
6.合格判定效(许不全格品效:D=敲坏性的:
ND\非微不性的,
1=格资次10.
4一量水
多教和试验项厅
(乳流
4组检略避批)
41分姐
4.1外动查
尽寸(用量改性
A2分组
4. 2.1滑电或
4. 2. 2 电密量
4.3.正切
试验条件
1无注@!
保护电业:
1030110c
领至:130H
频率:130H。
(见计2)
能费衣
拉1条杯患尚收并本
其范1.6第的视
按划的规是
不战过表2B的期定
不起计表1妮心
诱款导和证报项目
(见迁()
“阅扮输(证批)
叫分组
4.5可坏世
录款受如试控项目
见医()
C组检验
(周期)
C1A牙组
CI分组性本中的部
孕纤品
1. 2. 1 初测量
4.叫出带油度
1.4耐煤热
C8分组
C1 分组神示中的其
6.6品度快安化
4.6.3最后捌量
SJ/T 10014 -- 91
洪表3
(见注安)
无老化
试股按EC5-220中的
试验n,方店1
出监杂
电车录
外属检查
E8·22
10.方失1A
持域对间,10s
外观龄查
电容量
:#:6--55T
=15℃
[#.0=-55℃
玉达爵环
持续时间:t=3Denn
恢发:
温电筑
母容量
(注)
洋木大小和
个划是整
《见汁
问子始的
疏动,以证咀包锅定好。
忙驱妥求
无可见损伤元尽解质制
准,标清斯
元可见划伤、九电质需
世、标志情度
不用过半的规
C/G.4.h.1条盟值
(见医)
”我动
1.7.2最片
i组组的
金能样品科成件
4..0个燃顺序
4.n.:I热
1.1.坏证
1.16.4冷
4.1.5表市
底验:娠环
1.10. 量店测量
su/ tco-4. 9?
安装法2划荣1.1
日程手
范-53
提2. 75mr.n1 岁
《选息轻法的产车将说
持或:可,3×2
安装法:果源1.1多
能慎饮数,000
加速度3
实冲法线
外现检声
电弯带
度:1 :1354
外源古
: - 55r
陆决时可:21
外悦控在
X. 5kP-(X5nthxir :
体沉性变
外督计
深电池
电客围
样本点小和
分格判定数
能贵求
:1:1来的原比
1!式短过我,有现定
天可元州也海池
可历中
元·1元损伤.充电照喷谢汇
,北外
可别而,心产能
:志,标志浔晰
!始起带
务款号和诚验理户
C2分组
期险划益
最后划
C3分组
4.12.1到阅量
4.12.最心测量
心44 分组
4.13通压
XI/T 1D014-91
民表件
北托布工划
祥续的间,
不加负荷
外见圣查
通电话
电存量
程止伤
快读时1630
坏境蓝,
12.支样品栏R5C
下范加(
12支样在125
24支样与在85
下加!
烧点:il
外现益型
电峰量
预耗自正切
循环充款-:00G
拌本大小和
合格间定数
(见注)
110.1年约的
1.15信划护效限
光见租份,无电加质证
跑、行志清所
的行投限尚
.4:多的创
公1.1倍的初归费报低
无元润伤,元目探质时
湛、标志专晰
,新信始限伯
6/C≤与 4. 12- 1录相比
1 12:7:
≤+20%+25元
$115X 120%
1.3信别始快心
4- 13. 利始荐量
4. 13, 3最压测尿
CB分期
3. 11反判电主
初拍测带
1. 1t- 3 最片测量
S10054
续表2
监杂件
3支样品在5亡下范
3支品齐25下证
.15径!
充电时间:30
放时间Srnc
但实壶
超电器
托下划
「*·125心
医质相:
端请时间:135h接咨布
1英-1251:范加
下向性外,持较
正向按型-持
135l: :
:游电询
:电容盘
矩的上划
动龄投定
C/L5火4.13.1测
:倍勇始收保值
21.25件抢变信
心134.14.1的
小提示:此标准内容仅展示完整标准里的部分截取内容,若需要完整标准请到上方自行免费下载完整标准文档。

标准图片预览:





- 热门标准
- 电子行业标准(SJ)
- SJ2944-1988 交流数字电压表测试方法
- SJ20811-2002 压阻式加速度传感器总规范
- SJ374-1973 反射速调管负载特性的测试方法
- SJ789-1974 3DG120型NPN硅外延平面高频小功率三极管
- SJ/T10628-1995 塑料件尺寸公差
- SJ2588-1985 BSH12~14-1L、BSH12~14-2L型一体化回扫变压器
- SJ/T31291-1994 CHJ-S-2型超声波塑料焊接机完好要求和检查评定方法
- SJ1007-75 双动冲床引伸模 上压板
- SJ933-1975 半导体调幅广播收音机用输出输入变压器
- SJ/T31279-1994 WLD-T1型无感式电容器引线自动焊接机完好要求和检查评定方法
- SJ50033.61-1995 半导体分立器件 3DK6547型高压功率开关晶体管详细规范
- SJ/T31254-1994 自动绕片机完好要求和检查评定方法
- SJ/T31264-1994 WSG-4951型流延机完好要求和检查评定方法
- SJ/T31280-1994 隧道式电容器清洗机完好要求和检查评定方法
- SJ993-75 双动冲床引伸模 固定板定位板
- 行业新闻
请牢记:“bzxz.net”即是“标准下载”四个汉字汉语拼音首字母与国际顶级域名“.net”的组合。 ©2009 标准下载网 www.bzxz.net 本站邮件:bzxznet@163.com
网站备案号:湘ICP备2023016450号-1
网站备案号:湘ICP备2023016450号-1