- 您的位置:
- 标准下载网 >>
- 标准分类 >>
- 电子行业标准(SJ) >>
- SJ 20314-1993 CTK4104型有可靠性指标的非密封多层片状瓷介固定电容器详细规范
【电子行业标准(SJ)】 CTK4104型有可靠性指标的非密封多层片状瓷介固定电容器详细规范
本网站 发布时间:
2024-07-05 05:29:38
- SJ20314-1993
- 现行
- 点击下载此标准
标准号:
SJ 20314-1993
标准名称:
CTK4104型有可靠性指标的非密封多层片状瓷介固定电容器详细规范
标准类别:
电子行业标准(SJ)
标准状态:
现行-
发布日期:
1993-05-11 -
实施日期:
1993-07-01 出版语种:
简体中文下载格式:
.rar.pdf下载大小:
56.80 KB
点击下载
标准简介:
标准下载解压密码:www.bzxz.net
本规范规定了CCK4104型有可靠性指标的非密封多层片状瓷介固定电容器的适用范围、外形结构、尺寸、主要参数和要求。本规范适用于在电路作中作旁路、耦合或对于损耗和电容量稳定性要求不高难的电路中使用的多层片状瓷介固定电容器。本规范规定的电容器的完整要求由本规范和总规范GJB192组成。 SJ 20314-1993 CTK4104型有可靠性指标的非密封多层片状瓷介固定电容器详细规范 SJ20314-1993
部分标准内容:
中华人民共和国电子军用标准
CTK4104型有可靠性指标的非密封多层片状瓷介固定电容器详细规范Detail specification capacitors.chip.multiplelayer,fixed.unencapsulated,ceramicdielectric,established reliabilitytypeCTK4104
1主题内容和适用范围免费标准bzxz.net
1.1主题内容
SJ20314-93
本规范规定了CTK4104型有可靠性指标的非密封多层片状瓷介固定电容器的适用范围、外形结构、尺寸、主要参数和要求。1.2适用范围
本规范适用于在电路中作旁路、耦合或对于损耗和电容量稳定性要求不高的电路中使用的多层片状瓷介固定电容器。
·本规范规定的电容器的完整要求由本规范和总规范GJB192组成。2引用文件
GJB192-86有可靠性指标的非密封多层片状瓷介固定电容器总规范GB2471一81电子设备用电阻器的标称阻值系列和固定电容器的标称电容量系列及其允许偏差
3要求
3.1结构
非密封、无引线。
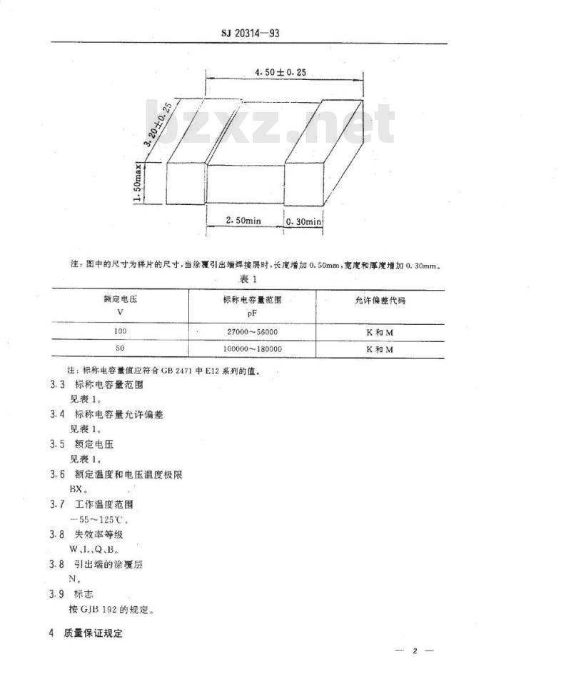
3.2尺寸和主要参数
见下图和表1。
中华人民共和国电子工业部1993-05-11发布1993-07-01实施
+20±0.25
SJ20314—93
4.50±0.25
注:图中的尺寸为裸片的尺寸,当涂覆引出端焊接层时,长度增加0.50mm,宽度和厚度增加0.30mm。表1
额定电压
标称电容量范围
27000~56000
100000~180000
注:标称电容量值应符合GB2471中E12系列的值。3.3标称电容量范围
见表1。
3.4标称电容量允许偏差
见表1。
3.5额定电压
见表1。
3.6额定温度和电压温度极限
3.7工作温度范围
-55~125℃。
3.8失效率等级
W、L、Q、B。
3.8引出端的涂覆层
3.9标志
按GJB192的规定。
质量保证规定
允许偏差代码
见GJB192第3章
交货准备
见GJB192第4章。
6说明
见GJB192第5章。
附加说明:
本规范由机械电子工业部提出。.SJ20314—93
本规范由电子工业部标准化研究所起草。计划项目代号:B92002。
小提示:此标准内容仅展示完整标准里的部分截取内容,若需要完整标准请到上方自行免费下载完整标准文档。
CTK4104型有可靠性指标的非密封多层片状瓷介固定电容器详细规范Detail specification capacitors.chip.multiplelayer,fixed.unencapsulated,ceramicdielectric,established reliabilitytypeCTK4104
1主题内容和适用范围免费标准bzxz.net
1.1主题内容
SJ20314-93
本规范规定了CTK4104型有可靠性指标的非密封多层片状瓷介固定电容器的适用范围、外形结构、尺寸、主要参数和要求。1.2适用范围
本规范适用于在电路中作旁路、耦合或对于损耗和电容量稳定性要求不高的电路中使用的多层片状瓷介固定电容器。
·本规范规定的电容器的完整要求由本规范和总规范GJB192组成。2引用文件
GJB192-86有可靠性指标的非密封多层片状瓷介固定电容器总规范GB2471一81电子设备用电阻器的标称阻值系列和固定电容器的标称电容量系列及其允许偏差
3要求
3.1结构
非密封、无引线。
3.2尺寸和主要参数
见下图和表1。
中华人民共和国电子工业部1993-05-11发布1993-07-01实施
+20±0.25
SJ20314—93
4.50±0.25
注:图中的尺寸为裸片的尺寸,当涂覆引出端焊接层时,长度增加0.50mm,宽度和厚度增加0.30mm。表1
额定电压
标称电容量范围
27000~56000
100000~180000
注:标称电容量值应符合GB2471中E12系列的值。3.3标称电容量范围
见表1。
3.4标称电容量允许偏差
见表1。
3.5额定电压
见表1。
3.6额定温度和电压温度极限
3.7工作温度范围
-55~125℃。
3.8失效率等级
W、L、Q、B。
3.8引出端的涂覆层
3.9标志
按GJB192的规定。
质量保证规定
允许偏差代码
见GJB192第3章
交货准备
见GJB192第4章。
6说明
见GJB192第5章。
附加说明:
本规范由机械电子工业部提出。.SJ20314—93
本规范由电子工业部标准化研究所起草。计划项目代号:B92002。
小提示:此标准内容仅展示完整标准里的部分截取内容,若需要完整标准请到上方自行免费下载完整标准文档。
标准图片预览:



- 热门标准
- 电子行业标准(SJ)
- SJ3166-1988 GZS12-4-3型彩色显像管插座
- SJ783-1974 3DG101型NPN硅外延平面高频小功率三极管
- SJ2857.2-1988 温差电致冷材料性能的测试方法 电导率的测试方法
- SJ2879-1988 彩色电视接收机用色纯静会聚磁体组合件总规范
- SJ3232.4-1989 低熔焊接玻璃粉结晶化时间的测定方法
- SJ/T9546-1993 无金属化孔单、双面印制板的质量分等标准
- SJ/T10038-1991 电子器件详细规范 半导体集成电路CC4008型CMOS4位二进制超前进位全加器
- SJ20934-2005 空降兵指挥自动化系统通用要求
- SJ/T31063-1994 TCM-B三氯乙烯清洗机完好要求和检查评定方法
- SJ/T31168-1994 发射管电性能测试电源完好要求和检查评定方法
- SJ/T31284-1994 TEC-L-W-1型电容器成品编带机完好要求和检查评定方法
- SJ/T31384-1994 洗衣机定时器寿命试验台完好要求和检查评定方法
- SJ/T31441-1994 离心式制冷机组完好要求和检查评定方法
- SJ/T31449-1994 供油管道完好要求和检查评定方法
- SJ20837-2002 仪表着陆系统选址要求
- 行业新闻
请牢记:“bzxz.net”即是“标准下载”四个汉字汉语拼音首字母与国际顶级域名“.net”的组合。 ©2025 标准下载网 www.bzxz.net 本站邮件:bzxznet@163.com
网站备案号:湘ICP备2025141790号-2
网站备案号:湘ICP备2025141790号-2