- 您的位置:
- 标准下载网 >>
- 标准分类 >>
- 国家标准(GB) >>
- GB 3852-1983 联轴器轴孔和键槽型式及尺寸
标准号:
GB 3852-1983
标准名称:
联轴器轴孔和键槽型式及尺寸
标准类别:
国家标准(GB)
标准状态:
已作废-
实施日期:
1984-05-01 出版语种:
简体中文下载格式:
.rar.pdf下载大小:
232.98 KB
替代情况:
被GB/T 3852-1997代替
部分标准内容:
中华人民共和国国家标准
联轴器轴孔和键槽型式及尺寸
Types and dimensions fortheboreandkey-ways of coupling
UDC 621.825
GB 3852--83
本标准适用下圆柱形利锥度为1:10圆锥形轴,采用单键、双键、切向键联接的联轴器。本标准所规定的宜径系列完全符合1SO/R775一1969《圆柱和1/10圆锥形轴伸》。1轴孔和键槽的型式及其代号
1.1轴孔型式及其代号
1.1.1长圆柱形轴孔—Y型
长圆柱形轴孔
1.1.2短圆柱形轴孔
有沉孔的短圆柱形轴孔
无沉孔的短圆柱形轴孔
」,型
J型有沉孔的短圆柱形轴孔
国家标准局1983-09-08发布
图2短圆柱形轴孔
J,型无沉孔的短圆杆形轴孔
1984-05-01实施
1.1.3圆锥形轴孔
有沉孔的圆锥形轴孔—-乙型
无沉孔的两锥形轴孔——7,型
2型有沉孔的圆锥形轴孔
1.2轴孔键槽的型式及其代号
1.2.1平键单键槽——A型
GB 3852-83
图3圆锥形轴孔
图4A型平键单键槽
么,型无沉孔的圆锥形轴孔
1.2.2半键双键槽
120布置键双键槽-—B型
180布置1键双键槽-
GB3852—83
B型120'布置华键双键槽
B,型180°布置平键双键槽
图5键双键槽
1.2.3圆锥形轴孔平键单键槽
图6C型维形轴孔键单键潢
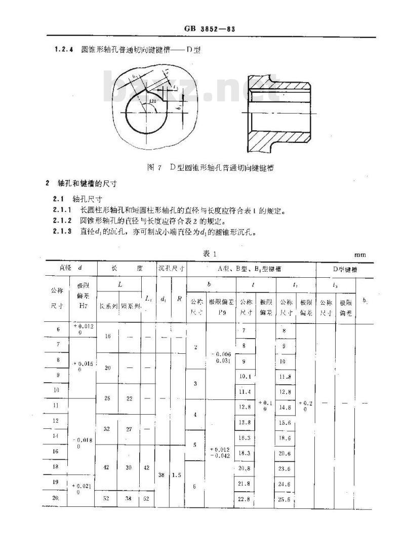
1.2.4圆锥形轴孔普通切向键健槽-GB3852—83
图7D型圆锥形轴孔普通切向键键槽2轴孔和键槽的尺寸
2.1轴孔尺寸
2.1.1长圆柱形轴孔和短圆柱形轴孔的直径与长度应符合表1的规定。圆链形轴孔的径与长度应符合表2的规定。2.1.2
直径,的沉孔,亦可制成小端直径为d的圆锥形沉孔。2.1.3
长系列短系列
沉孔尺小
A型、B型、B,型键槽
极限偏差
D型键槽
长系列短系列
GB3852—83
续表1
沉北尺寸
A型、B型,B,型键堵
!极限偏差
- 0,061
D型键槽
直径d
长系列短系列
GB3852-B3
续表1
沉孔尺小
680800
注:轴长度优先采用民系列。
A型、B型、B型键槽
极限偏差
D型键模
键槽宽度的极限偏差。也可采用GB109579《平键、键和键槽的剖面尺》中规定的D10或J:9,公称
直径d
被限偏差
GB 3852--88
抗孔尺寸
公称尺寸
C型键槽
极限偏差Pg1
公称尺寸
极限偏养
直径d2
极限偏差
GB3852—83
续表2
沉孔尺寸
公称尺寸
C型键榈
极偏差P9
公称尺寸
极限偏差
注:需要采用圆锥轴孔短系列时,轴孔长度应符合GB157079《圆锥形轴伸》中短系列的规定。②键槽宽度b的极限偏差:也可来用GB1095中规定的D10或Js9。2.2轴孔与轴伸的配合
2.2.1圆柱形轴孔与轴伸的配合应符合表3的规定。+0.2
6 ~ 30
30 ~ 50
GB 3852—83
H17/k6
根据使用要求,也可选用
H17 / 16或H7/ n6配合。
注:①联轴器轴孔与电机或减速器轴伸的配合选用H7/r6或H7/m6时,轴孔按配置偏差加.J)选用过盈大于表中规定的配合时、应验算联轴器轮毂强度,m
③采用无键过盈联接的配合,按照要求另行选定。2.2.2圆锥形轴孔的直径偏差,应符合表2的规定。其相应的圆锥角度及圆锥形状公差,不得超过直径公差范围。
2.3键槽尺寸及偏差,应符合表1与表2的规定。2.4键槽的位置公差,按照GB1095附录的规定。120°布置平键双键樽的倾斜度,180°布置键双键槽的公共对称中心线的颁斜度,按GB118480《形状和位置公差未注公差的规定》倾斜度公差7、8级,末注按9级选取。
2.5采用花键时,型式与尺寸应符合花键标准的有关规定。a‘轴孔和键槽的型式及尺寸的标记七动端键樽型式代号
主动端轴孔型式代号
联轴器型号、名称
从动端轴孔型式代号
土动端轴孔直径
主动端轴孔配合长度
标准代号
从动端轴孔配合长度
从动端轴孔直径wwW.bzxz.Net
从动端键槽型式代号
3.1Y型孔、A型键槽的代号,标记中可了省略。3.2联轴器两端轴孔和键樽的型式与八寸相制时,只标记端,另一端省略。3.3标记示例
例1:TL4弹性套柱销联轴器
GB3852—83
主动端:J型轴孔,B型键槽,d=20mm,L=52mm。从动端:J型轴孔,B,型键槽,d=22mm,L=38mm。J.B20×52GB3852-83
TL4联轴器
JB,22×38
例2:HL5弹性柱销联轴器
主动端;J型轴孔、B型键槽d=70mm、L=107mm从动端:J型轴孔、B型键槽d=70mm、L=107mmHL5联轴器JB70×107GB3852-83
附加说明:
本标准由机械工业部提出,由机械工业部标准化研究所归口。本标准由机械工业部西安重型机械研究所、标准化研究所负责起草。本标准主要起草人李榆生。
小提示:此标准内容仅展示完整标准里的部分截取内容,若需要完整标准请到上方自行免费下载完整标准文档。
联轴器轴孔和键槽型式及尺寸
Types and dimensions fortheboreandkey-ways of coupling
UDC 621.825
GB 3852--83
本标准适用下圆柱形利锥度为1:10圆锥形轴,采用单键、双键、切向键联接的联轴器。本标准所规定的宜径系列完全符合1SO/R775一1969《圆柱和1/10圆锥形轴伸》。1轴孔和键槽的型式及其代号
1.1轴孔型式及其代号
1.1.1长圆柱形轴孔—Y型
长圆柱形轴孔
1.1.2短圆柱形轴孔
有沉孔的短圆柱形轴孔
无沉孔的短圆柱形轴孔
」,型
J型有沉孔的短圆柱形轴孔
国家标准局1983-09-08发布
图2短圆柱形轴孔
J,型无沉孔的短圆杆形轴孔
1984-05-01实施
1.1.3圆锥形轴孔
有沉孔的圆锥形轴孔—-乙型
无沉孔的两锥形轴孔——7,型
2型有沉孔的圆锥形轴孔
1.2轴孔键槽的型式及其代号
1.2.1平键单键槽——A型
GB 3852-83
图3圆锥形轴孔
图4A型平键单键槽
么,型无沉孔的圆锥形轴孔
1.2.2半键双键槽
120布置键双键槽-—B型
180布置1键双键槽-
GB3852—83
B型120'布置华键双键槽
B,型180°布置平键双键槽
图5键双键槽
1.2.3圆锥形轴孔平键单键槽
图6C型维形轴孔键单键潢
1.2.4圆锥形轴孔普通切向键健槽-GB3852—83
图7D型圆锥形轴孔普通切向键键槽2轴孔和键槽的尺寸
2.1轴孔尺寸
2.1.1长圆柱形轴孔和短圆柱形轴孔的直径与长度应符合表1的规定。圆链形轴孔的径与长度应符合表2的规定。2.1.2
直径,的沉孔,亦可制成小端直径为d的圆锥形沉孔。2.1.3
长系列短系列
沉孔尺小
A型、B型、B,型键槽
极限偏差
D型键槽
长系列短系列
GB3852—83
续表1
沉北尺寸
A型、B型,B,型键堵
!极限偏差
- 0,061
D型键槽
直径d
长系列短系列
GB3852-B3
续表1
沉孔尺小
680800
注:轴长度优先采用民系列。
A型、B型、B型键槽
极限偏差
D型键模
键槽宽度的极限偏差。也可采用GB109579《平键、键和键槽的剖面尺》中规定的D10或J:9,公称
直径d
被限偏差
GB 3852--88
抗孔尺寸
公称尺寸
C型键槽
极限偏差Pg1
公称尺寸
极限偏养
直径d2
极限偏差
GB3852—83
续表2
沉孔尺寸
公称尺寸
C型键榈
极偏差P9
公称尺寸
极限偏差
注:需要采用圆锥轴孔短系列时,轴孔长度应符合GB157079《圆锥形轴伸》中短系列的规定。②键槽宽度b的极限偏差:也可来用GB1095中规定的D10或Js9。2.2轴孔与轴伸的配合
2.2.1圆柱形轴孔与轴伸的配合应符合表3的规定。+0.2
6 ~ 30
30 ~ 50
GB 3852—83
H17/k6
根据使用要求,也可选用
H17 / 16或H7/ n6配合。
注:①联轴器轴孔与电机或减速器轴伸的配合选用H7/r6或H7/m6时,轴孔按配置偏差加.J)选用过盈大于表中规定的配合时、应验算联轴器轮毂强度,m
③采用无键过盈联接的配合,按照要求另行选定。2.2.2圆锥形轴孔的直径偏差,应符合表2的规定。其相应的圆锥角度及圆锥形状公差,不得超过直径公差范围。
2.3键槽尺寸及偏差,应符合表1与表2的规定。2.4键槽的位置公差,按照GB1095附录的规定。120°布置平键双键樽的倾斜度,180°布置键双键槽的公共对称中心线的颁斜度,按GB118480《形状和位置公差未注公差的规定》倾斜度公差7、8级,末注按9级选取。
2.5采用花键时,型式与尺寸应符合花键标准的有关规定。a‘轴孔和键槽的型式及尺寸的标记七动端键樽型式代号
主动端轴孔型式代号
联轴器型号、名称
从动端轴孔型式代号
土动端轴孔直径
主动端轴孔配合长度
标准代号
从动端轴孔配合长度
从动端轴孔直径wwW.bzxz.Net
从动端键槽型式代号
3.1Y型孔、A型键槽的代号,标记中可了省略。3.2联轴器两端轴孔和键樽的型式与八寸相制时,只标记端,另一端省略。3.3标记示例
例1:TL4弹性套柱销联轴器
GB3852—83
主动端:J型轴孔,B型键槽,d=20mm,L=52mm。从动端:J型轴孔,B,型键槽,d=22mm,L=38mm。J.B20×52GB3852-83
TL4联轴器
JB,22×38
例2:HL5弹性柱销联轴器
主动端;J型轴孔、B型键槽d=70mm、L=107mm从动端:J型轴孔、B型键槽d=70mm、L=107mmHL5联轴器JB70×107GB3852-83
附加说明:
本标准由机械工业部提出,由机械工业部标准化研究所归口。本标准由机械工业部西安重型机械研究所、标准化研究所负责起草。本标准主要起草人李榆生。
小提示:此标准内容仅展示完整标准里的部分截取内容,若需要完整标准请到上方自行免费下载完整标准文档。
标准图片预览:





- 其它标准
- 上一篇: GB 385-1977 溶剂油芳香烃含量测定法
- 下一篇: GB 493-1965 压延机用润滑脂
- 热门标准
- 国家标准(GB)
- GB/T30917—2014 /ISo 29941:2010 天然胶乳橡胶避孕套中可迁移亚硝胺的测定
- GB/T12777-1999 金属波纹管膨胀节通用技术条件
- GB15193.5-2003 骨髓细胞微核试验
- GB/T29633.4-2020 南极地名 第4部分:罗马字母拼写
- GB/T39964-2021 造纸行业能源管理体系实施指南
- GB/T43929-2024 空间用纤维光学器件测试指南
- GB/T42970-2023 半导体集成电路 视频编解码电路测试方法
- GB/T43225-2023 空间物体登记要求
- GB15985-1995 丝虫病诊断标准及处理原则
- GB19159-2003 车用液化石油气
- GB/T7407-1997 中国及世界主要海运贸易港口代码
- GB1913.2-1990 漂白浸渍绝缘纸
- GB14287.4-2014 电气火灾监控系统 第4部分:故障电弧探测器
- GB5237.3-2008 铝合金建筑型材 第3部分:电泳涂漆型材
- GB/T9771.6-2020 通信用单模光纤 第6部分:宽波长段 光传输用非零色散单模光纤特性
- 行业新闻
请牢记:“bzxz.net”即是“标准下载”四个汉字汉语拼音首字母与国际顶级域名“.net”的组合。 ©2025 标准下载网 www.bzxz.net 本站邮件:bzxznet@163.com
网站备案号:湘ICP备2025141790号-2
网站备案号:湘ICP备2025141790号-2