- 您的位置:
- 标准下载网 >>
- 标准分类 >>
- 通信行业标准(YD) >>
- YD/T 894-1997 光纤固定衰减器技术条件
标准号:
YD/T 894-1997
标准名称:
光纤固定衰减器技术条件
标准类别:
通信行业标准(YD)
标准状态:
现行-
发布日期:
1997-02-28 -
实施日期:
1997-07-01 出版语种:
简体中文下载格式:
.rar.pdf下载大小:
277.95 KB
点击下载
标准简介:
标准下载解压密码:www.bzxz.net
主题内容:本标准规定了光纤固定衰减器各项性能指标及检测方法。适用范围:本标准适用于光纤固定衰减器的设计、生产、检验和使用。 YD/T 894-1997 光纤固定衰减器技术条件 YD/T894-1997
部分标准内容:
YD/T 894—1997
本标准参照国际电工委员会标准IEC869-1(1992)《纤维光学衰减器第1部分总规范》和国家标准GB12412--1990《纤维光学衰减器第1部分总规范》并结合我国具体情况制定的。本标推针对国内当前常用的适配器型光纤固定衰减器,规定了相关的技术指标、测试方法和安装尺寸。其余类型的衰减器暂不考虑。本标准制定时,根据GB/T1.1—1993《标准化工作导则第1单元:标准的起草与表述规则第1
部分标准编写的基本规定》和GB/T1.3—1987《标准化工作导则产品标准编写规定》进行编写。本标准由邮电部电信科学研究规划院提出并归口。本标准由邮电部武汉邮电科学研究院起草。本标准主要起草人:方罗珍、衬浩军。692
1范围
中华人民共和国通信行业标准
光纤固定衰减器技术条件
本标准规定了光纤固定衰减器各项性能指标及检测方法。本标准适用于光纤固定衰减器的设计、生产、检验和使用。2引用标准
YD/T 894—1997
下列标准所包含的条文,通过在本标准中引用而构成为本标准的条文。本标准出版时,所示版本均为有效。所有标准都会被修订,使用本标准的各方应探讨使用下列标准最新版本的可能性。GB12512一1990纤维光学衰减器,第1部分:总规范GB2421--1989电工电子产品基本环境实验规程GB2828一1987逐批检查计数抽样程序及抽样表(适合于连续批的检查)YD/T717-1994FC/PC型单模光纤活动连接器技术规范IEC869-1(1992)纤维光学衰减器第1部分:总规范3光纤固定衰减器的基本描述
固定衰减器可以带有尾纤,也可以不带。但无尾纤的固定衰减器必须有连接器端口或接头。3.1光纤固定衰减器的分类
3.1.1适配器型光纤固定衰减器
适配器型光纤固定衰减器可分为下列6类:FC型固定衰减器
ST型固定衰减器
—SC型固定衰减器
FC-SC型固定衰减器
一FC-ST型固定衰减器
-ST-SC型固定衰减器
3.1.2连接器型光纤固定衰减器
3.1.3带尾纤型光纤固定衰减器
3.2适配器型光纤固定衰减器的图形和尺寸3.2.1FC型光纤固定衰减器
FC型光纤固定衰减器外形如图1中所示,其互配尺寸与FC型适配器尺寸相同,本标准只给出光纤固定衰减器的安装尺寸。
3.2.2ST型光纤固定衰减器
ST型光纤固定衰减器外形如图2所示,其互配尺寸与ST型适配器端口尺寸相同,本标准只给出ST型光纤固定衰减器的安装尺寸。3.2.3SC型光纤固定衰减器
中华人民共和国邮电部1997-02-28批准1997-07-01实施
YD/T 894--- 1997
SC型光纤固定衰减器外形如图3中所示,其互配尺寸与SC型适配器端口尺寸相同,本标难只给出SC型光纤固定衰减器的安装尺寸。f
单位:mm
图1FC型光纤固定衰碱器外形图
图2ST型光纤固定衰减器外形图
图3SC型光纤固定衰减器外形图
3.2.4FC-ST型光纤固定衰减器
单位:mm
单位:mm
FC-ST型光纤固定衰碱器外形如图4所示,其互配尺寸与FC-ST型适配器端口尺寸相同,本标准只给出FC-ST型光纤固定衰减器的安装尺寸。22.2
单位:mm
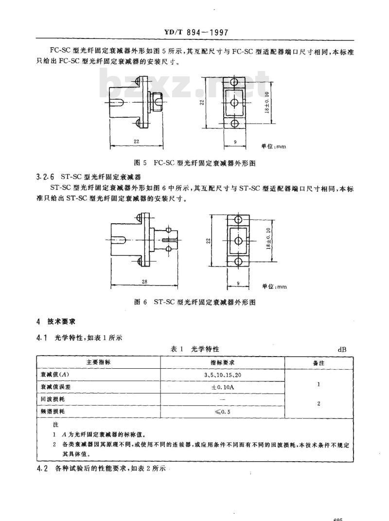
图4FC-ST型光纤固定衰减器外形图3.2.5FC-SC型光纤固定衰减器
YD/T 894-1997
FC-SC型光纤固定衰减器外形如图5所示,其互配尺寸与FC-SC型适配器端口尺寸相同,本标准只给出FC-SC型光纤固定衰减器的安装尺寸。2
图5FC-SC型光纤固定衰减器外形图3.2.6ST-SC型光纤固定衰减器
010F81
单位:mm
ST-SC型光纤固定衰减器外形如图6中所示,其互配尺寸与ST-SC型适配器端口尺寸相同,本标准只给出ST-SC型光纤固定衰减器的安装尺寸。0
图6ST-SC型光纤固定衰减器外形图4技术要求
4.1光学特性,如表1所示
表1光学特性
主要指标
衰减值(A)
衰减值误差
回波损耗
颊谱损耗
1、A为光纤固定衰减器的标称值。指标要求
3、5、10、15、20
单位:mm
2各类衰减器因其原理不同,或使用不同的连接器,或应用条件不同而有不同的回波损耗,本技术条件不规定其具体值。
4.2各种试验后的性能要求,如表2所示695
试验项目
振动试验
冲击试验下载标准就来标准下载网
重复插拨
高温试验
低温试验
高低温循环试验
盐雾试验
注:A为衰减器的实测值。
测试方法
YD/T 894---1997
表2试验后的性能要求
性能要求
0. 90A'~-1.10A\
0.90A'~1.10A
0. 90A'~1. 10A
0. 90A'~~1.10A'
0. 90A'~1. 104'
0. 90A'~1. 10A'
0. 90A'~~1. 10A'
以下测试方法为适配器型光纤固定衰减器的测试方法,连接器型光纤固定衰减器和尾纤型光纤固定衰减器的测试参照此种方法。5.1测试条件
5.1.1光纤固定衰减器的测试应在GB2421一1989中规定的正常大气下进行,即:温度:15℃~35℃;
湿度:45%~75%;
气压:86kPa~106kPa。
5.1.2测试所用仪表精度均应符合要求,并在计量检定期内。5.2光学性能测试
5.2.1外观
进行光学性能测试前,首先对衰减器进行外观检查,其外观必须平滑、洁净、无油污、伤痕和裂纹,整个器件应稳固,无松动,与连接器插接应平顺,易于插拨。5.2. 2衰减量的测量
光纤衰减器的衰减指在一段光纤光缆中插入一个光纤衰减器而引起有用光功率降低的数值,以分贝(dB)表示。
对于多模光纤注入条件应为满注人或在光纤衰减器接口处获得稳态模式分布。注人条件应符合IEC793-1中38.1满注人条件和32.2稳态模式分布的规定。对于单模光纤注入条件应为在光纤衰减器输入端及检测处仅有基模传输。光源的波长(包括谱线宽度)必须长于光纤的截止波长,并且光纤的配置及光纤长度均应使可能注人的高阶模式得到足够的衰减。
本标准采用一对标准的参照连接器对SR,其互连后的插入损耗应<0.2dB,测量过程如下:a)在衰减测量之前记录初始光功率P。,如图7。b)将参照连接器对SR分离,插人被测的光纤固定衰减器(如图8),记录此时光功率P1。c)被测固定衰减器的衰减值按下列公式计算:A= -10lgP1/P。
其中:A——固定衰减器测得的衰减值;P。——初次人射光功率;
Pt——插人光衰减器后的光功率。5.2.3回波损耗测量
(1)
YD/T 894—1997
回波损耗是对光纤衰减器引起的输人光功率中沿输人路径返回部分的量度。光纤衰减器引起的回波损耗可由任何相邻零件的折射率差产生,并与其他因素有关,例如零件的相互靠近程度,器件表面光洁度等。
稳定化光源
稳定化光源
参照连接器对
光功率计
测量初始光功率P。
光固定衰减器
光功率计
图8测量放入光纤固定衰减器后的输出功率P1本标准规定了对光纤固定衰减器引起的回波损耗测量,测量步骤如下:a)选择-个插入损耗≤3.3dB,分光比为1:1带连接器端口的定向耦合器,定向耦合器本身回波损耗≥65dB,按照IEC875-1有关规定测量端口2与端口3之间的传输系数T2.3b)如下图9组成测量装置,当组成测量装置时,应注意全部光纤和器件端口部分的清洁互连,使来自这些界面的回波损耗具有重复性。稳定化光源
定向糊合器
光功率计
光功率计
图9测量未装衰减器时的回波损耗按下式计算定向耦合器的回波损耗:RL=—10lgP1/P。+10lgTz.3
其中:P。—光功率计D。输出功率;Pi—-光功率计D,输出功率;
T2.3——光定向耦合器的传输系数。注
1当测量 P。时,应将插入 D1 的连接器拔出,并在插针上涂上匹配液。2当测量 P,时,应将插人 D。的连接器拨出,并在插针上涂上匹配液。(dB)
c)按图10所示,插人光纤固定衰减器,测量并分别记录光功率P。,P。d)光纤固定衰减器的回波损耗RL则用下列公式计算:RL=—10lg(P)P1)/P。+10lgT2.3光功率计D。功率值;
其中:P。—
光功率计D,功率值;
Pi——图 9中功率计D。功率值。(dB)
(2)
(3)
稳定化光源
YD/T 894--1997
定向耦合器
光功率计
固定衰磺器
图10测量固定衰减器的回波损耗注:要求测试系统中所用的连接器回波损耗高于被测器件中的回波损耗。5.2.4频谱损耗测量
光功率计
频谱损耗是对光纤光缆中插入光纤衰减器造成的以分贝表示的衰减对波长依赖关系的量度。采用LED作宽带光源,用光谱分析仪扫描被测器件在中心波长士30nm范围内的频谱损耗,具体方法如下:
a)如图11中所示,扫描光源光谱,并存人光谱仪。稳定化光源
参照连接对
光谱分析仪
uup白bnn
图11扫描光源光谱
b)如图12所示,将标准参照连接器分开,插入光纤固定衰减器,扫描经过被测器件的输出光谱,并与图11中存人的光谱进行比较,即可分析被测器件在中心波长土30nm范围内的频谱损耗。豫定化光源
光固定衰减器
光谱分析仪
图12测量固定衰减的频谱损耗
c)打印出光纤固定衰减器的频谱曲线。d)频谱损耗在中心波长士30nm范围内应≤o.5dB。6试验方法
以下试验方法为适配器型光纤固定衰减器的试验方法,连接器型和尾纤型的试验方法参照适配器型光纤固定衰减器的试验方祛。测试条件与5.1相同。在进行试验前,试样应在正常大气下作预处理,试验后也应在正常大气下恢复。
6.1机性能试验
6.1.1振动试验
a)条件
频率:10Hz~60Hz,单振幅保持0.75mm;频率:60Hz~5000Hz,加速度保持98m/s2b)方法
任选一种条件作试验,试样放在振动台下并应在X、Y、Z三个垂直方向的每一个方向上承受振动,方向之一应于套简轴向方向平行,每个方向持续时间为30min。698
c)试验后试样应满足下面要求:YD/T 894-1997
1)不得有机械损伤,如变形、龟裂、松弛等现象;2)光学性能应符合表2要求。
6.1.2冲击试验
a)条件
冲击严酷度和波形从下表2中选取:表3冲击严酷度和波形
加速度,m/s2
b)方法
半正弦波形
半正弦波形
半正弦波形
半正弦波形
脉冲持续时间,ms
任选一一种条件作试验,试样放在冲击台上,并应在X、Y两个互相垂直的方向上承受冲击,每个方向上冲击3次。
c)试验后试样应满足下面要求:1)不能有任何机械损伤,如变形、龟裂、松弛等现象。2)光学性应能符合表2要求。
6.1.3重复插拨试验
a)条件与方法
稳定化光源
光固定变减器
光功率计
图13重复插拨试验
如图13所示,在对方插头插入的状况下,以通常使用方法以插入和拨出,每分钟10次,每10次记录一次衰减值,同时将连接器插针进行清洗,共插拨500次,并记录50次插入的衰减值。b)试验后样品应满足下面要求:1)不得有机械损伤,插针表面无划痕。2)光学性能符合表2要求。
6.2温度特性试验
6.2.1高溢试验
a)条件与方法
高低温试验箱
稳定化光源
最高温度:+70℃,
光固定度减器
温度试验装置
温度变化率:不大于1℃/min(不超过5min平均值)。对试样进行在线式检测
光功率计
先将试样放在常温下,测量其固定衰减值,并符合表1的精度要求,然后将其放人精度为士2℃的高699
YD/T 894-—1997
低温恒温箱内,如图14,以规定的速率升温,每升高10℃就记录其衰减值,直至温度达到十70,然后保持恒温2h,记录其衰减值,接着以规定的速率恢复至常温1h后,记录其衰减值。b)试验后试样应满足下面要求:1)不得有机械摄伤,如变形、龟裂、松弛等现象。2)光学性能应符合表2要求。
6.2.2低温试验
a)条件与方法
最低温度:-25℃,
温度变化率:不大于1℃/min(不超过5min平均值)。对试样进行在线式检测
将试样在常温下测量其固定衰减值,并符合表1要求,然后将其放入精度为士2℃高低温恒温箱内*见图14,以规定的速率降低温度,每降低5℃记录一次衰减值,直至一25℃,然后保持恒温2h,记录其衰藏值,按规定速率恢复至常溢1h后,再记录其衰减值。b)试验后试样应满足下面要求:1)不得有机械损伤,如变形、龟裂、松弛等现象。2)光学性能应符合表2要求。
6.2.3高低温循环试验
a)条件与方法
温度范围:0℃~~+50℃;
温度变化率:不大于1C/min(不超过5min 平均值):循环次数:3次。
对试样进行非在线式检测
将试样在常温下测量其固定衰减值,并符合表1中精度要求,脱离测量系统然后置于精度为士2C的高低温恒温箱中,接着以规定的速率降温至0℃然后保持恒温1h,然后以规定的速率升温至50℃,恒温1h,然后以规定的速率降至室温,至此为一个循环,如此循环试验三次,取出试样在常温下恢复2h,擦净水珠,测量并记录其衰减值。b)试验后样品应满足下面要求:1)不得有机械损伤,如变形、龟裂、松弛等现象。2)光学性能应符合表2要求。
6.3盐水喷雾试验
a)条件与方法
盐雾浓度:5%,
严酷度:+35℃,48h。
将试样在常温下测量其衰减值,并符合表1中精度要求,然后将试样置于图15所示的盐水喷雾箱中,加温至十35℃后恒温48h,将试样取出后在常温放置2h,擦净后测试其衰减值。b)试验后样品应满足下列要求:1)不得有机械损伤,如变形、龟裂、松弛等现象。2)光学性能应符合表1。
7检验
光纤固定衰减器应由具有独立职能的质量检验部门按标准要求检验合格,并发给合格证后方可出厂。
YD/T894—1997
盐水喷雾试验箱
稳定化光源
光固定衰减器
图15盐水喷雾实验
光纤固定衰减器的检验分两类:出厂检验(交收检验)和型式检验。7.1出厂检验
分日常检验和抽样检验两种。
7.1.1日常检验
光功率计
该检验是生产厂家对全部出厂产品进行的检验,其检验数据应随同产品提交给用户,光纤固定衰减器要进行日常检验项目是:衰减值、回波损耗值。7.1.2抽样检验
它是从批量产品中或不同的产品中按一定比例抽取完整的产品或样品进行检验。光纤固定衰减器需要进行抽样检验项目是:振动试验、冲击试验、温度特性试验和重复插拨试验,抽样数量按GB2828—1987规定进行。7.2型式试验
光纤固定衰减器有下列情况之一时,一般进行型式检验:a)新产品或老产品转厂生产的试制定型鉴定;b)正式生产后,如结构、材料、工艺有较大改变,可能影响产品性能;c)正常生产时,定期或积累一定产量后,应周期性进行一次检验;d)产品长期停产后,恢复生产时;e)出厂检验结果与上次型式检验有较大差别时;f)国家质量监督机构提出型式检验时。8包装、标志、运输和贮存
8.1标志
a)光纤固定衰减器应标有固定衰减器的型号,衰减值,制造厂的识别标志。b)产品盒上应标有产品型号,厂家名称。8.2包装
产品应包装好,每只衰减器均用保护帽盖好,然后放入盒中。8.3运输
当产品需长途运输时,需用木箱或硬纸箱作外包装在箱上注明不能抛甩,碰、压及防雨、防油标志以免损坏产品。
8.4贮存
产品不能长期放置在露天或严重腐蚀环境中,也不能放于工作范围以外的环境中。701
小提示:此标准内容仅展示完整标准里的部分截取内容,若需要完整标准请到上方自行免费下载完整标准文档。
本标准参照国际电工委员会标准IEC869-1(1992)《纤维光学衰减器第1部分总规范》和国家标准GB12412--1990《纤维光学衰减器第1部分总规范》并结合我国具体情况制定的。本标推针对国内当前常用的适配器型光纤固定衰减器,规定了相关的技术指标、测试方法和安装尺寸。其余类型的衰减器暂不考虑。本标准制定时,根据GB/T1.1—1993《标准化工作导则第1单元:标准的起草与表述规则第1
部分标准编写的基本规定》和GB/T1.3—1987《标准化工作导则产品标准编写规定》进行编写。本标准由邮电部电信科学研究规划院提出并归口。本标准由邮电部武汉邮电科学研究院起草。本标准主要起草人:方罗珍、衬浩军。692
1范围
中华人民共和国通信行业标准
光纤固定衰减器技术条件
本标准规定了光纤固定衰减器各项性能指标及检测方法。本标准适用于光纤固定衰减器的设计、生产、检验和使用。2引用标准
YD/T 894—1997
下列标准所包含的条文,通过在本标准中引用而构成为本标准的条文。本标准出版时,所示版本均为有效。所有标准都会被修订,使用本标准的各方应探讨使用下列标准最新版本的可能性。GB12512一1990纤维光学衰减器,第1部分:总规范GB2421--1989电工电子产品基本环境实验规程GB2828一1987逐批检查计数抽样程序及抽样表(适合于连续批的检查)YD/T717-1994FC/PC型单模光纤活动连接器技术规范IEC869-1(1992)纤维光学衰减器第1部分:总规范3光纤固定衰减器的基本描述
固定衰减器可以带有尾纤,也可以不带。但无尾纤的固定衰减器必须有连接器端口或接头。3.1光纤固定衰减器的分类
3.1.1适配器型光纤固定衰减器
适配器型光纤固定衰减器可分为下列6类:FC型固定衰减器
ST型固定衰减器
—SC型固定衰减器
FC-SC型固定衰减器
一FC-ST型固定衰减器
-ST-SC型固定衰减器
3.1.2连接器型光纤固定衰减器
3.1.3带尾纤型光纤固定衰减器
3.2适配器型光纤固定衰减器的图形和尺寸3.2.1FC型光纤固定衰减器
FC型光纤固定衰减器外形如图1中所示,其互配尺寸与FC型适配器尺寸相同,本标准只给出光纤固定衰减器的安装尺寸。
3.2.2ST型光纤固定衰减器
ST型光纤固定衰减器外形如图2所示,其互配尺寸与ST型适配器端口尺寸相同,本标准只给出ST型光纤固定衰减器的安装尺寸。3.2.3SC型光纤固定衰减器
中华人民共和国邮电部1997-02-28批准1997-07-01实施
YD/T 894--- 1997
SC型光纤固定衰减器外形如图3中所示,其互配尺寸与SC型适配器端口尺寸相同,本标难只给出SC型光纤固定衰减器的安装尺寸。f
单位:mm
图1FC型光纤固定衰碱器外形图
图2ST型光纤固定衰减器外形图
图3SC型光纤固定衰减器外形图
3.2.4FC-ST型光纤固定衰减器
单位:mm
单位:mm
FC-ST型光纤固定衰碱器外形如图4所示,其互配尺寸与FC-ST型适配器端口尺寸相同,本标准只给出FC-ST型光纤固定衰减器的安装尺寸。22.2
单位:mm
图4FC-ST型光纤固定衰减器外形图3.2.5FC-SC型光纤固定衰减器
YD/T 894-1997
FC-SC型光纤固定衰减器外形如图5所示,其互配尺寸与FC-SC型适配器端口尺寸相同,本标准只给出FC-SC型光纤固定衰减器的安装尺寸。2
图5FC-SC型光纤固定衰减器外形图3.2.6ST-SC型光纤固定衰减器
010F81
单位:mm
ST-SC型光纤固定衰减器外形如图6中所示,其互配尺寸与ST-SC型适配器端口尺寸相同,本标准只给出ST-SC型光纤固定衰减器的安装尺寸。0
图6ST-SC型光纤固定衰减器外形图4技术要求
4.1光学特性,如表1所示
表1光学特性
主要指标
衰减值(A)
衰减值误差
回波损耗
颊谱损耗
1、A为光纤固定衰减器的标称值。指标要求
3、5、10、15、20
单位:mm
2各类衰减器因其原理不同,或使用不同的连接器,或应用条件不同而有不同的回波损耗,本技术条件不规定其具体值。
4.2各种试验后的性能要求,如表2所示695
试验项目
振动试验
冲击试验下载标准就来标准下载网
重复插拨
高温试验
低温试验
高低温循环试验
盐雾试验
注:A为衰减器的实测值。
测试方法
YD/T 894---1997
表2试验后的性能要求
性能要求
0. 90A'~-1.10A\
0.90A'~1.10A
0. 90A'~1. 10A
0. 90A'~~1.10A'
0. 90A'~1. 104'
0. 90A'~1. 10A'
0. 90A'~~1. 10A'
以下测试方法为适配器型光纤固定衰减器的测试方法,连接器型光纤固定衰减器和尾纤型光纤固定衰减器的测试参照此种方法。5.1测试条件
5.1.1光纤固定衰减器的测试应在GB2421一1989中规定的正常大气下进行,即:温度:15℃~35℃;
湿度:45%~75%;
气压:86kPa~106kPa。
5.1.2测试所用仪表精度均应符合要求,并在计量检定期内。5.2光学性能测试
5.2.1外观
进行光学性能测试前,首先对衰减器进行外观检查,其外观必须平滑、洁净、无油污、伤痕和裂纹,整个器件应稳固,无松动,与连接器插接应平顺,易于插拨。5.2. 2衰减量的测量
光纤衰减器的衰减指在一段光纤光缆中插入一个光纤衰减器而引起有用光功率降低的数值,以分贝(dB)表示。
对于多模光纤注入条件应为满注人或在光纤衰减器接口处获得稳态模式分布。注人条件应符合IEC793-1中38.1满注人条件和32.2稳态模式分布的规定。对于单模光纤注入条件应为在光纤衰减器输入端及检测处仅有基模传输。光源的波长(包括谱线宽度)必须长于光纤的截止波长,并且光纤的配置及光纤长度均应使可能注人的高阶模式得到足够的衰减。
本标准采用一对标准的参照连接器对SR,其互连后的插入损耗应<0.2dB,测量过程如下:a)在衰减测量之前记录初始光功率P。,如图7。b)将参照连接器对SR分离,插人被测的光纤固定衰减器(如图8),记录此时光功率P1。c)被测固定衰减器的衰减值按下列公式计算:A= -10lgP1/P。
其中:A——固定衰减器测得的衰减值;P。——初次人射光功率;
Pt——插人光衰减器后的光功率。5.2.3回波损耗测量
(1)
YD/T 894—1997
回波损耗是对光纤衰减器引起的输人光功率中沿输人路径返回部分的量度。光纤衰减器引起的回波损耗可由任何相邻零件的折射率差产生,并与其他因素有关,例如零件的相互靠近程度,器件表面光洁度等。
稳定化光源
稳定化光源
参照连接器对
光功率计
测量初始光功率P。
光固定衰减器
光功率计
图8测量放入光纤固定衰减器后的输出功率P1本标准规定了对光纤固定衰减器引起的回波损耗测量,测量步骤如下:a)选择-个插入损耗≤3.3dB,分光比为1:1带连接器端口的定向耦合器,定向耦合器本身回波损耗≥65dB,按照IEC875-1有关规定测量端口2与端口3之间的传输系数T2.3b)如下图9组成测量装置,当组成测量装置时,应注意全部光纤和器件端口部分的清洁互连,使来自这些界面的回波损耗具有重复性。稳定化光源
定向糊合器
光功率计
光功率计
图9测量未装衰减器时的回波损耗按下式计算定向耦合器的回波损耗:RL=—10lgP1/P。+10lgTz.3
其中:P。—光功率计D。输出功率;Pi—-光功率计D,输出功率;
T2.3——光定向耦合器的传输系数。注
1当测量 P。时,应将插入 D1 的连接器拔出,并在插针上涂上匹配液。2当测量 P,时,应将插人 D。的连接器拨出,并在插针上涂上匹配液。(dB)
c)按图10所示,插人光纤固定衰减器,测量并分别记录光功率P。,P。d)光纤固定衰减器的回波损耗RL则用下列公式计算:RL=—10lg(P)P1)/P。+10lgT2.3光功率计D。功率值;
其中:P。—
光功率计D,功率值;
Pi——图 9中功率计D。功率值。(dB)
(2)
(3)
稳定化光源
YD/T 894--1997
定向耦合器
光功率计
固定衰磺器
图10测量固定衰减器的回波损耗注:要求测试系统中所用的连接器回波损耗高于被测器件中的回波损耗。5.2.4频谱损耗测量
光功率计
频谱损耗是对光纤光缆中插入光纤衰减器造成的以分贝表示的衰减对波长依赖关系的量度。采用LED作宽带光源,用光谱分析仪扫描被测器件在中心波长士30nm范围内的频谱损耗,具体方法如下:
a)如图11中所示,扫描光源光谱,并存人光谱仪。稳定化光源
参照连接对
光谱分析仪
uup白bnn
图11扫描光源光谱
b)如图12所示,将标准参照连接器分开,插入光纤固定衰减器,扫描经过被测器件的输出光谱,并与图11中存人的光谱进行比较,即可分析被测器件在中心波长土30nm范围内的频谱损耗。豫定化光源
光固定衰减器
光谱分析仪
图12测量固定衰减的频谱损耗
c)打印出光纤固定衰减器的频谱曲线。d)频谱损耗在中心波长士30nm范围内应≤o.5dB。6试验方法
以下试验方法为适配器型光纤固定衰减器的试验方法,连接器型和尾纤型的试验方法参照适配器型光纤固定衰减器的试验方祛。测试条件与5.1相同。在进行试验前,试样应在正常大气下作预处理,试验后也应在正常大气下恢复。
6.1机性能试验
6.1.1振动试验
a)条件
频率:10Hz~60Hz,单振幅保持0.75mm;频率:60Hz~5000Hz,加速度保持98m/s2b)方法
任选一种条件作试验,试样放在振动台下并应在X、Y、Z三个垂直方向的每一个方向上承受振动,方向之一应于套简轴向方向平行,每个方向持续时间为30min。698
c)试验后试样应满足下面要求:YD/T 894-1997
1)不得有机械损伤,如变形、龟裂、松弛等现象;2)光学性能应符合表2要求。
6.1.2冲击试验
a)条件
冲击严酷度和波形从下表2中选取:表3冲击严酷度和波形
加速度,m/s2
b)方法
半正弦波形
半正弦波形
半正弦波形
半正弦波形
脉冲持续时间,ms
任选一一种条件作试验,试样放在冲击台上,并应在X、Y两个互相垂直的方向上承受冲击,每个方向上冲击3次。
c)试验后试样应满足下面要求:1)不能有任何机械损伤,如变形、龟裂、松弛等现象。2)光学性应能符合表2要求。
6.1.3重复插拨试验
a)条件与方法
稳定化光源
光固定变减器
光功率计
图13重复插拨试验
如图13所示,在对方插头插入的状况下,以通常使用方法以插入和拨出,每分钟10次,每10次记录一次衰减值,同时将连接器插针进行清洗,共插拨500次,并记录50次插入的衰减值。b)试验后样品应满足下面要求:1)不得有机械损伤,插针表面无划痕。2)光学性能符合表2要求。
6.2温度特性试验
6.2.1高溢试验
a)条件与方法
高低温试验箱
稳定化光源
最高温度:+70℃,
光固定度减器
温度试验装置
温度变化率:不大于1℃/min(不超过5min平均值)。对试样进行在线式检测
光功率计
先将试样放在常温下,测量其固定衰减值,并符合表1的精度要求,然后将其放人精度为士2℃的高699
YD/T 894-—1997
低温恒温箱内,如图14,以规定的速率升温,每升高10℃就记录其衰减值,直至温度达到十70,然后保持恒温2h,记录其衰减值,接着以规定的速率恢复至常温1h后,记录其衰减值。b)试验后试样应满足下面要求:1)不得有机械摄伤,如变形、龟裂、松弛等现象。2)光学性能应符合表2要求。
6.2.2低温试验
a)条件与方法
最低温度:-25℃,
温度变化率:不大于1℃/min(不超过5min平均值)。对试样进行在线式检测
将试样在常温下测量其固定衰减值,并符合表1要求,然后将其放入精度为士2℃高低温恒温箱内*见图14,以规定的速率降低温度,每降低5℃记录一次衰减值,直至一25℃,然后保持恒温2h,记录其衰藏值,按规定速率恢复至常溢1h后,再记录其衰减值。b)试验后试样应满足下面要求:1)不得有机械损伤,如变形、龟裂、松弛等现象。2)光学性能应符合表2要求。
6.2.3高低温循环试验
a)条件与方法
温度范围:0℃~~+50℃;
温度变化率:不大于1C/min(不超过5min 平均值):循环次数:3次。
对试样进行非在线式检测
将试样在常温下测量其固定衰减值,并符合表1中精度要求,脱离测量系统然后置于精度为士2C的高低温恒温箱中,接着以规定的速率降温至0℃然后保持恒温1h,然后以规定的速率升温至50℃,恒温1h,然后以规定的速率降至室温,至此为一个循环,如此循环试验三次,取出试样在常温下恢复2h,擦净水珠,测量并记录其衰减值。b)试验后样品应满足下面要求:1)不得有机械损伤,如变形、龟裂、松弛等现象。2)光学性能应符合表2要求。
6.3盐水喷雾试验
a)条件与方法
盐雾浓度:5%,
严酷度:+35℃,48h。
将试样在常温下测量其衰减值,并符合表1中精度要求,然后将试样置于图15所示的盐水喷雾箱中,加温至十35℃后恒温48h,将试样取出后在常温放置2h,擦净后测试其衰减值。b)试验后样品应满足下列要求:1)不得有机械损伤,如变形、龟裂、松弛等现象。2)光学性能应符合表1。
7检验
光纤固定衰减器应由具有独立职能的质量检验部门按标准要求检验合格,并发给合格证后方可出厂。
YD/T894—1997
盐水喷雾试验箱
稳定化光源
光固定衰减器
图15盐水喷雾实验
光纤固定衰减器的检验分两类:出厂检验(交收检验)和型式检验。7.1出厂检验
分日常检验和抽样检验两种。
7.1.1日常检验
光功率计
该检验是生产厂家对全部出厂产品进行的检验,其检验数据应随同产品提交给用户,光纤固定衰减器要进行日常检验项目是:衰减值、回波损耗值。7.1.2抽样检验
它是从批量产品中或不同的产品中按一定比例抽取完整的产品或样品进行检验。光纤固定衰减器需要进行抽样检验项目是:振动试验、冲击试验、温度特性试验和重复插拨试验,抽样数量按GB2828—1987规定进行。7.2型式试验
光纤固定衰减器有下列情况之一时,一般进行型式检验:a)新产品或老产品转厂生产的试制定型鉴定;b)正式生产后,如结构、材料、工艺有较大改变,可能影响产品性能;c)正常生产时,定期或积累一定产量后,应周期性进行一次检验;d)产品长期停产后,恢复生产时;e)出厂检验结果与上次型式检验有较大差别时;f)国家质量监督机构提出型式检验时。8包装、标志、运输和贮存
8.1标志
a)光纤固定衰减器应标有固定衰减器的型号,衰减值,制造厂的识别标志。b)产品盒上应标有产品型号,厂家名称。8.2包装
产品应包装好,每只衰减器均用保护帽盖好,然后放入盒中。8.3运输
当产品需长途运输时,需用木箱或硬纸箱作外包装在箱上注明不能抛甩,碰、压及防雨、防油标志以免损坏产品。
8.4贮存
产品不能长期放置在露天或严重腐蚀环境中,也不能放于工作范围以外的环境中。701
小提示:此标准内容仅展示完整标准里的部分截取内容,若需要完整标准请到上方自行免费下载完整标准文档。
标准图片预览:





- 其它标准
- 热门标准
- 通信行业标准(YD)
- YD/T1684-2007 数字蜂窝移动通信网点对点短消息业务计费技术要求和检测方法
- YDC029-2003 电信设备和系统的高低频电磁兼容性改善技术要求
- YD/T1344-2005 IPv6 地址结构协议 —— IPv6 无状态地址自动配置
- YD/T1108-2001 CDMA 数字蜂窝移动通信网无线同步双模(GPS/GLONASS)接收机性能要求及与基站间接口技术规范
- YD/T2068.3-2010 2GHz TD-SCDMA 数字蜂窝移动通信网多媒体广播系统(TD-MBMS)网络管理技术要求(第一阶段) 第3部分:基于 CORBA 技术的网络资源模型设计
- YD/T1319-2004 通信电缆 —— 无线通信用 50Ω 泡沫聚乙烯绝缘编织外导体射频同轴电缆
- YD/T1875-2009 800MHz/2GHz cdma2000 数字蜂窝移动通信网设备测试方法传统终端域(LMSD)移动交换子系统
- YD/T1374.7-2007 2GHz TD-SCDMA/WCDMA 数字蜂窝移动通信网 lu 接口技术要求(第二阶段) 第7部分:服务区广播协议(SABP)
- YD/T5174-2008 2GHz TD-SCDMA 数字蜂窝移动通信网工程验收暂行规定
- YD/T767-1995 同步数字系列设备和系统的光接口技术要求
- YD/T1049-2000 800MHz CDMA 数字蜂窝移动通信网设备总测试规范:交换子系统部分
- YD/T1456.2-2006 900/1800MHz TDMA 数字蜂窝移动通信网业务交换点(SSP)设备测试方法(CAMEL3) 第2部分分组域(PS)
- YD/T1688.3-2011 xPON 光收发合一模块技术条件 第3部分:用于 GPON 光线路终端/光网络单元(OLT/ONU)的光收发合一模块
- YD/T1027-1999 800MHz CDMA数字蜂窝移动通信网接口测试规范:移动交换中心与基站子系统间接口
- YD/T1970.6-2009 通信局(站)电源系统维护技术要求 第6部分:发电机组系统
- 行业新闻
请牢记:“bzxz.net”即是“标准下载”四个汉字汉语拼音首字母与国际顶级域名“.net”的组合。 ©2025 标准下载网 www.bzxz.net 本站邮件:bzxznet@163.com
网站备案号:湘ICP备2025141790号-2
网站备案号:湘ICP备2025141790号-2