- 您的位置:
- 标准下载网 >>
- 标准分类 >>
- 国家标准(GB) >>
- GB 8181-2005 消防水枪
标准号:
GB 8181-2005
标准名称:
消防水枪
标准类别:
国家标准(GB)
标准状态:
现行-
发布日期:
2005-09-28 -
实施日期:
2006-04-01 出版语种:
简体中文下载格式:
.rar.pdf下载大小:
638.17 KB
替代情况:
替代GB 8181-1987
出版社:
中国标准出版社书号:
155066.1-27156页数:
16开, 页数:10, 字数:16千字标准价格:
10.0 元出版日期:
2006-04-01计划单号:
20010047-Q-312
首发日期:
1987-10-04起草人:
史兴堂、金桦、吴赞起草单位:
公安部上海消防研究所归口单位:
全国消防标准化技术委员会提出单位:
中华人民共和国公安部发布部门:
中华人民共和国国家质量监督检验检疫总局 中国国家标准化管理委员会主管部门:
公安部相关标签:
消防
点击下载
标准简介:
标准下载解压密码:www.bzxz.net
本标准适用于工作压力为0.20 MPa~4.O MPa、流量不大于16 L/s的消防水枪。本标准不适用于脉冲气压喷雾水枪。 GB 8181-2005 消防水枪 GB8181-2005
部分标准内容:
ICS 13. 220.20
中华人民共和国国家标准
GB 81812005
代替GB8181—1987
消防水枪
Fire nozzles
2005-09-28发布
中华人民共和国国家质量监督检验检疫总局中国国家标准花管理委员会
2006-04-01实施
GB8181--2005
本标准的 5. 1,5. 2、5. 3、5. 8、5. 9,5. 10、5. 11、5. 13 为强制性条文,其余为推荐性条文,本标准参考了国外水枪标准并进行修订本标准代替GB8181-1987《消防水枪性能要求和试验方法》本标准与 GB 8181—1987 相比要变化如下:给出了低压水枪、中压水枪及高压水抢的压力范围,增加了巾压水枪和高压水枪的基本参数;对喷雾角可调的低压直流喷雾水枪行分类并规定了相应的能要求;提高了除直流水枪以外的低压水抢的额定喷射正力;一重新规定了水枪型号编制方法;增加了水枪操作性的要求;
提高了盐雾腐蚀时间和跌落高度;修改了射程的测量方法,
本标准由中华人民共和国公安部提出。本标准由全国消防标准化委员会第四分技术委员会归口。本标准起草单位:公安部上海消防研究所。本标准主要起草人:史兴堂、金桦、吴资。本标准委托公安部上海消防研究所解释。本标准所代替标准的历次版本发布情况为:-GB8181-1987.
1范图
水頭枪
本标准适用于工作压力为 0. 20 MPa ~4. MPa、流量不人于 16 L/s 的消防水枪。本标准不适用于脉冲气压喷雾水枪2 规范性引用文件
GB 8181—2005
下列文件中的条款通过本标准的引用而成为本标准的条款。凡是注日期的引用文件,其随后所有的修改单(不包括勘误的内容)或修订版均不适用于本标准,然前,鼓励限据本标准达成协议的各方研究是否可使用这些文件的最新版木。凡是不注日期的引用文件,其最新版本适用于本标准。GB/T197普通螺线公差与配合(GB/T197-2003,ISO9651:1998MOD)GB/T 1173
GB/T 1176
铸造铝合金
铸造铜合金技术条件(GB/T176-1987ne9ISO1338:1977)救压气动用0形橡胶密封图第1部分尺寸系列及公差(GB3452.1-2005,ISO3601-1.2002.MOD)
GB12514(所有部分):消防口
GB/T15
压铸铝合金
GB/T15116压铸铜合金
3术语和定义
下列术语和定义适用于本标准
消防水枪(以下简称为水枪)
fire nozzles
草人或多人携带和操作的以水作为灭火剂的喷射管枪。水枪返常山接口枪体、开关和喷嘴或能形成不同形式射流的装置组成。充实水流solid strea
具有充实核心段的水射流。
雾状水流fogstream
水滴平沟粒径不大于0. 1 mm,射流边缘来角大于0且不具有充实核心段的水射流。开花水流(又称防护水幕)safeguarding water stream水滴平均粒径大下0.mn,用来降低热辐射的伞形水射流。直流喷雾水枪 combination nozzle with a straighi siream and a fog strean既能喷射充实水流,又能喷射雾状水流,并具有开启,关闭功能的水枪 nozzle with a straight stream and a safeguarding water slream直流开花水枪
既能喷射充实水流,又能喷射开花水流,并具有开启、关闭功能的水枪。GB8181—2005
多用水枪multi-purpose nozzle既能嚏喷射充实水流,义能喷射雾状水流,在喷射充实水流或喷射雾状水流的同时能喷射开花水流,并具有开启,关闭功能的水枪。3.8
射程reach
水枪在喷射轴线上喷射水流连续散落最远处至喷嘴出口端中心在地面上的垂直投影点之的距离折回 10%视为射程。
喷雾角sprayangle
雾状水流边缘间的夹角。
开花角safeguarding water stream angle开花水流边缘间的夹角。
当量喷嘴直径calculated nozle diameter以水枪直流流量额定值和额定喷射压力为条件,流量系数为1时计算的直流喷嘴直径的厕整值。4分类与型号
4.1分类
4.1.1按水枪的工作压力范围分为:a)
低压水枪(0.20MPa~1.6MPa);
中乐水枪(1.6MPa~2.5MPa);
高压水枪(>2. 5 MPa~4. U MPa)按水枪喷射的灭火水流形式可分为:直流水枪:
喷雾水枪;
直流喷雾水枪;
多旧水枪。
喷雾角可调的低乐直流喷雾水枪按功能分为以下4类:a)
第I类;喷射压力不变,流属鼠随實雾角的政变而变化:第Ⅱ类:喷射压力不变,改变喷雾角,流量不变;第Ⅲ类喷射压力不变,在每个流量刻度喷射时,喷寡角变化,对应的流量刻度值不变;d)第IV类:在一定的流量范围内,流量变化时,喷射压力恒定。4.2型号
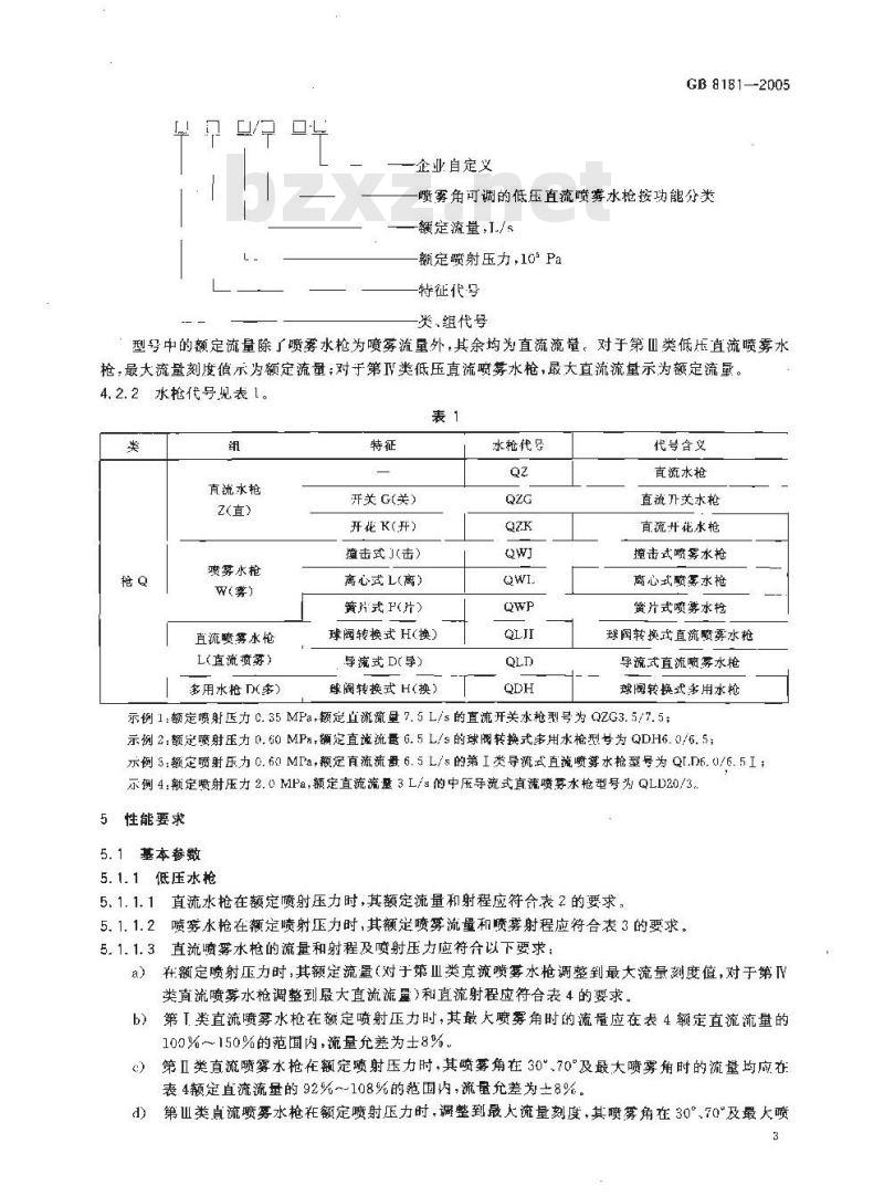
4.2.1水枪的型号由类、组代号,特征代号,额定喷射压力和额定流量等组成。2
企业自定义
GB8181—2005
喷雾角可调的低压直流喷雾水枪按功能分类额定流量,L./5
额定喷射压力,10°Pa
特征代号
类、组代号
型号中的额定流量除「喷雾水枪为喷雾流量外,其余均为直流流量,对于第Ⅲ类低压肖流喷雾水,抢,最大流量刻度值示为额定流量;对于第I类低压直流喷募水枪,最大直流流量示为额定流量。4.2.2水枪代号见表1。
直流水枪
z(直)
喷雾水枪
W(雾)
直流喷等水枪
L(直流喷雾)
多用水枪D)
开关G(关)
开K(开)
撞击式(击)
离心式L(离)
簧片式P(片)
球阀转换式 H(换)
导流式 (导)
球阀转换式H(换)
水枪代号
代号含义
直流水枪
直流升关水枪
直流开花水枪
撞击式喷雾水枪
离心式喷雾水枪
簧片式喷雾水枪
球网转换式直流喷雾水枪
导流式直流喷雾水枪
球阀转换式净用水枪
示例 1 :额定喷射正力 C. 35 MPa,额定直流疏量 7. 5 L/s 的直流开关水枪型号为 QZG3. 5/7. 5;示例 2 :额定喷射压力 0. 60 MPa,额定直疏流量 6. 5 L/s 的球阀转换式多用水枪型号为 QDH6. 0/6. 5 ;示例 5:额定喷射压,力 0. 60 MPa,额定直流流量 6. 5 L/s 的第 I 类导流式直流喷雾水枪型号为 QL.D6, 01/6. 5 I ;示例 4:额定喷射压力 2. 0 MPa,额定直流流量 3 L/s 的中压导流式直流喷要水枪型号为 QLD20/3 5性能要求
5.1基本参数
5.1.1低压水枪
5.1. 1.1直流水抢在额定喷射压力时,其额定流量和射程应符合表2 的要求,5.1.1.2喷雾水枪在额定喷射压力时,其额定喷雾流量和喷雾射程应符合表3的要求。5.1.1.3直流喷雾水枪的流量和射程及喷射压力应符合以下要求:a)在额定喷射压力时,其额定流量(对于第血类直流喷篓水枪调整到最大流量刻度值,对于第Ⅱ类直流喷雾水枪调整到最大直流流量>和直流射程应符合表4的要求。第 T类直流喷雾水枪在额定喷射压力时,其最大喷雾角时的流量应在表 4 额定直流流量的b)
100%~150%的范固内,流量允差为士8%<)第Ⅱ类直流喷雾水枪在额定喷射压力时,其喷雾角在30°.70°及最大喷雾角时的流量均应在表4额定直流流量的92%~-108%的范围内,流量允差为±8%。第山类直流喷雾水枪在额定喷射压力时,调整到最大流量刻度,其喷雾角在30°、70\及最大喷d)
GB8181-2005
雾角时的流量均应在表4额定直流流量的92%~108%的范图内:然后依次调整到其余流量刻度,其喷雾角在30时的流量均应符合其标称值·流量允差为士8%。第V类直流喷露水枪在最小流量和最大流量时,分别在喷雾角为30°70°及最大喷雾角的馈射e
压力应符合表4额定喷射压力·其允差为0.1MPa。5.1.1.4多用水抢在额定喷射压力时,其额定直流流量和直流射程应符合表4的要求,其额定喷雾流量应在表4额定直流流量的92%~108%范围内,流量允差为士8%。5.1.2中压水枪
中压水枪在额定喷射压力时,其额定直流流量和直流射程应符合表5的要求,其最大喷雾角时的流量应在表5额定直流流量的190%~150%的范围内,流量允差为上8%。5.1.3高压水枪
高压水枪在额定喷射压力时,其额定育流流量和直流射程应符合表6的要求,其最大喷雾角时的施量应在表6额定直流流量的000%150%的范围内,流量允差为士8%表2
接口公称道经/
当量喷嘴直径/
接口公称通
接口公称通径/
领定喷射压力!
额定喷射压力!
额定喷射压为
新定流量
额定喷务流量!
定直流流量
流量充差
流量允差
流量允差
射程/
喷雾射程
直流射程/
进口连接(两者段)
接口公称通径!
避口外螺纹
进口外操较
额定喷射压力,
额定喷射压力/
5. 2 雾状水流及开花水流的要求表5
额定直流流量
预定直流流量/
流量允差
流量充差
GB 8181-2005
直流射程/
直流射程/
5.2.1对于产生雾状水流或开花水流的水枪,其喷射的雾状水流或开花水流应无明显的不均匀,5.2.2对于喷雾角连续可调的永枪其连续可调喷雾角至少满足0°~1C0°可调;对于喷雾角不可调的水枪,其喷雾角应在30″--50°的范围内;对于开花角连续可调的水枪,其连续可调开花角至少满足30°120可调;对于开花角不可调的水枪,其开花角应在90°~120的范围内。5.3操作结构要求
水枪,杆式手柄指向水枪出口是“开”,杆式手柄垂直水枪轴线是“关”,并且在这两5.3. 1对于直流开关水
个位置有限位功能。
5.3.2对丁球阀转换式直流喷雾水抢、球阅转换式多用水枪,杆式手柄指向水枪出口是“直流”,杆式于树指向水枪进口是“喷雾
客”,杆式手柄垂直水枪轴线是“关”,并且在“直流”和“喷雾”位置有限位功能,5.3.3对于带有与形手柄的导流式点流喷雾水枪,己形手柄指间水枪进口是“开”弓形手柄指向水检出口是“关”并且在这两个位置有限位功能。5.3.4对于直流喷客冰枪、直流开花水抢,其调节喷雾角和开花角的旋转开关的关闭方向从水枪的进口看是顺时针。
5.3.5对于中压水枪心亭压水枪的拔机式开关·手握紧是“开”,手放松是“关”。5.3.6水枪的操作力矩柜不大于15N,m。5. 4 材料Www.bzxZ.net
5.4.1水枪应采用耐腐通或轻防腐蚀处理的材料制造,以满足相应使用环镜和介质的防膚要求。5.4.2各铸件材料的化学成分及机械性能应符合GB/T1173-GB/TL176,GB/T5115和GB/T1511G等相应标准的规定
5.5密封件
水检各密封部位所使用的O形密封圈应符合GB3452.1的规定5.6螺纹
水枪上的螺纹除与管牙接口连接部分使用圆杆管螺纹外,其余均应为普避螺纹。普通螺纹公差应符合GB/T197中内螺纹711级、外螺纹8g级的要求。螺纹应无缺牙,表面应光洁。5.7 表面质量
铸件表面应无结疤,裂纹及孔眼,铝制件表面须作阳极氧化处理。5.8密封性能
水枪按5.2与6.5.3规定的条件进行密封性能试验,枪体及各密封部位不允许渗漏。5. 9 耐水压强度
水枪按5.5.4规定的条件进行耐水压强度试验,水枪不应出现裂纹、断裂或影响正常用的残余变形。
GB 8181—2005
5.10使用环境温度
水枪的使用坏境温度范围为30℃~+55℃,按6.6、6.?规定的条件试验后,应能正常操作使用。5.11抗跌落性能
水枪按心8规定的条件作跌落试验后,应能正常操作使用,5.12耐腐蚀性能
水枪经6.9规定的条件试验后.应,无起层、剥游或肉眼可见的点蚀凹坑,应能正常燥作使用。5.13接口性能
接口应符合GB12514的规定
6试验方法
6.1喷射性能试验
6.1.1试验装置的要求
喷射性能试验装置的允许工作压力应大丁水枪最大工作压力的1,2倍,稳压精度十2%。装置中的压力测量精度不低于1. 5级,流量测量精度不低于土1%6. 1. 2射程测试
将水置于喷射架上,顺风向布置,调整水枪轴线与水平线的夹角(仰角)至30°+1°,同时使喷嘴出口中心至地面的离度对 1 И上0. 01 m,外界风速应不无于2 m/s。水泵启动后,使水枪逆口压力达到规定的额定喷射压力值,待喷射稳定后,分别进行肯流射程和喷雾射程的测量,水枪在喷射轴线上喷射水流连续散落最远处至喷嘴山口端巾心在地面上的垂直投影点之间的距离折回 10%视为射程。对喷雾角可调的喷等水枪,喷等射程在30喷雾角下测定,射程的测量结果应符合5.1的规定。6.1.3流量测试
根据水枪的流量选择容积计量罐,水泵启动后,使水枪喷射,待达到额定喷射压力并稳定后,转向计鼠罐内瞬射,连续喷射时间不少于305,水枪开20S后测出计量罐内水的体积或质量,经计算求得水枪的流量,或用标定合格的流量计直接测量流量,以流量计测量法作为仲裁方法。流量的测量结果应符合5.1的规定。
6.1,4喷雾角与开花角的测量
在水枪喷射时,将测角规的两条边分别与水枪喷嘴前的雾状水流或并花水流边缘相重,测角规两达的夹角为喷雾角或开花角。测量结果应符合5.2.2的规定。6.2操作力矩测定
将水枪置丁试验装置上,关闭水枪上的开关,对水枪加压至额定喷射压力,用兰等标准测力计测量水枪开关从关闭至全开的最大操作力矩. 允许测量误差为二0. 5 N -m。测量结果应符合 5. 3. 6 的规定。
6.3螺纹检验
用螺纹规或万能工具显微镜检查水枪L所使用的全部螺纹,检查结果应符合5.6的要求,6,4外表质量检验
目察水枪外表质量,外表质量应满足5.7的要求。6.5密封性能、耐水压强度试验
6.5.1试验装置允许工作压力应大于水枪最大工作压力的1.6倍,稳压精度二2%。装置中的压力测量精度不低于1.5级。
6.5.2关闭水枪的开关,水枪的进水端通过接口与试验装置相连,加压过程中必须先排除枪体内的空气,然后缓慢加压至最大工作压力,保压2 min,检查结果应符合 5.8要求。GB 8181—2005
6.5.3打开水枪的开关,水枪的进水端通过接口与试验装置相连,封闭水抢的出水端。加压过程中必须先排除抢体内的空气,然后缓慢加压至最大工作压力,保压2 nrin,检查结果应符合 5. 8要求,6.5.4水枪状态同6.5.3,加压过程中必须先排除枪体内的空气,然后缓慢加压至最大工作压力的1.5倍,保压 2 uin。检查结果应符台 5. 9 要求,6.6耐高温试验
将水枪置于高温箱内,在55℃十2℃下存放 24h,取出后 30 5内检查,检查结果应满足5.10要求。6. 7 耐低温试验
将干燥的水抢置于低温箱内,在-30℃士2℃下存放24h,取出后30内检查,检查结果应满足5. 10 要求
6. 8跌落试验
水枪以喷嘴垂直朝上、喷嘴垂直朝下(旋转开关处于美闭位置)以及水枪轴线处于水平(若有开关时,开关处于水枪水平轴线之下并处于关闭位置)3个位置,从离地2,0 m士0.02 m高处(从水枪的最低点算起)自由落到混凝十地面上。水枪于每个位置坠落两次后检查,检查结果应符合5.11要求。6.9盐雾腐蚀试验
6. 9. 1 试验前对水枪表面作仔细清洗,不得留有油腻、污物。清洗时不准使用磨料或溶剂。水枪在盐募腐蚀试验箱内应呈直立状态,枪口朝上,水枪之间不能互相接触,水枪也不能与箱壁接触。6.9.2试验周期为120 h。试验中必须防止盐溶液自接冲击水枪表面。试件从盐寡腐蚀箱内取出后应用不超过38℃的清水冲洗,待干燥后检查,检查结果应满足5.12要求。6.9.3盐雾腐蚀试验的试验条件应符合下述规定:氯化钠溶液浓度为50g/L士1g/L
25℃时的 PH 值应保持在: 6. 5~~7. 2 范周内;b)
喷雾速率为]mL/h~~2ml./h(有效面积为 80 cm的收集器,放人试验箱内24 h所测量的平均喷雾速率):
试验箱内的温度应保持在:35℃士5℃;dii
试验周期内喷雾不得中断。除了在检查或其他必要操作时才可短时打开试验箱,但不应触摸e)
水枪表面。
7检验规则
7.1出厂检验
7. 1. 1水枪出厂前应进行出厂检验。7.1.2出厂检验按5.1、5.2.5.3、5.7、5.8和5.9的规定进行,其结果均应符合本标准的规定。7.2型式检验
7.2. 1凡属下列情况之一,应进行型式检验:新产品鉴定或老产品转厂;
正式生产后,原材料、工艺、设计有较大改动时b)
c)停产1年后恢复生产或正常生产满2年时;d)国家质量监督机构提出进行型式检验要求时。7.2.2型式检验的内容为术标准规定的全部项目,检验结果均应达到标准规定。7.2.3型式检验的样本数为3支。8标志、使用说明书和包装
8.1标志
8.1.1水枪E应牛固标有型号、商标或厂名。GB8181—2005
8.1.2水枪应有射流形态改变的易辨认的永久性指示标记。8.1.3第Ⅱ类直流喷雾水枪应有流量刻度值(以L/s为单位)的永久性标记,第IV类直流喷雾水枪应有流量(以L/s 为单位)使用范围的永久性标记。8.2使用说明书
产品应附有使用说明书,其内容应包括基本参数、执行产品标准号、维护保养、操作程序及注意事项。
8.3包装
8.3.1产品包装随带的文件应齐全,包括使用说明书、合格证、装箱单等。8.3.2包装采用塑料薄膜包装后,再用纸箱或木箱包装,标明注意事项。版权专有慢权必究
书号:1550661-27156
GB8181-2005
定价:
0021818
小提示:此标准内容仅展示完整标准里的部分截取内容,若需要完整标准请到上方自行免费下载完整标准文档。
中华人民共和国国家标准
GB 81812005
代替GB8181—1987
消防水枪
Fire nozzles
2005-09-28发布
中华人民共和国国家质量监督检验检疫总局中国国家标准花管理委员会
2006-04-01实施
GB8181--2005
本标准的 5. 1,5. 2、5. 3、5. 8、5. 9,5. 10、5. 11、5. 13 为强制性条文,其余为推荐性条文,本标准参考了国外水枪标准并进行修订本标准代替GB8181-1987《消防水枪性能要求和试验方法》本标准与 GB 8181—1987 相比要变化如下:给出了低压水枪、中压水枪及高压水抢的压力范围,增加了巾压水枪和高压水枪的基本参数;对喷雾角可调的低压直流喷雾水枪行分类并规定了相应的能要求;提高了除直流水枪以外的低压水抢的额定喷射正力;一重新规定了水枪型号编制方法;增加了水枪操作性的要求;
提高了盐雾腐蚀时间和跌落高度;修改了射程的测量方法,
本标准由中华人民共和国公安部提出。本标准由全国消防标准化委员会第四分技术委员会归口。本标准起草单位:公安部上海消防研究所。本标准主要起草人:史兴堂、金桦、吴资。本标准委托公安部上海消防研究所解释。本标准所代替标准的历次版本发布情况为:-GB8181-1987.
1范图
水頭枪
本标准适用于工作压力为 0. 20 MPa ~4. MPa、流量不人于 16 L/s 的消防水枪。本标准不适用于脉冲气压喷雾水枪2 规范性引用文件
GB 8181—2005
下列文件中的条款通过本标准的引用而成为本标准的条款。凡是注日期的引用文件,其随后所有的修改单(不包括勘误的内容)或修订版均不适用于本标准,然前,鼓励限据本标准达成协议的各方研究是否可使用这些文件的最新版木。凡是不注日期的引用文件,其最新版本适用于本标准。GB/T197普通螺线公差与配合(GB/T197-2003,ISO9651:1998MOD)GB/T 1173
GB/T 1176
铸造铝合金
铸造铜合金技术条件(GB/T176-1987ne9ISO1338:1977)救压气动用0形橡胶密封图第1部分尺寸系列及公差(GB3452.1-2005,ISO3601-1.2002.MOD)
GB12514(所有部分):消防口
GB/T15
压铸铝合金
GB/T15116压铸铜合金
3术语和定义
下列术语和定义适用于本标准
消防水枪(以下简称为水枪)
fire nozzles
草人或多人携带和操作的以水作为灭火剂的喷射管枪。水枪返常山接口枪体、开关和喷嘴或能形成不同形式射流的装置组成。充实水流solid strea
具有充实核心段的水射流。
雾状水流fogstream
水滴平沟粒径不大于0. 1 mm,射流边缘来角大于0且不具有充实核心段的水射流。开花水流(又称防护水幕)safeguarding water stream水滴平均粒径大下0.mn,用来降低热辐射的伞形水射流。直流喷雾水枪 combination nozzle with a straighi siream and a fog strean既能喷射充实水流,又能喷射雾状水流,并具有开启,关闭功能的水枪 nozzle with a straight stream and a safeguarding water slream直流开花水枪
既能喷射充实水流,又能喷射开花水流,并具有开启、关闭功能的水枪。GB8181—2005
多用水枪multi-purpose nozzle既能嚏喷射充实水流,义能喷射雾状水流,在喷射充实水流或喷射雾状水流的同时能喷射开花水流,并具有开启,关闭功能的水枪。3.8
射程reach
水枪在喷射轴线上喷射水流连续散落最远处至喷嘴出口端中心在地面上的垂直投影点之的距离折回 10%视为射程。
喷雾角sprayangle
雾状水流边缘间的夹角。
开花角safeguarding water stream angle开花水流边缘间的夹角。
当量喷嘴直径calculated nozle diameter以水枪直流流量额定值和额定喷射压力为条件,流量系数为1时计算的直流喷嘴直径的厕整值。4分类与型号
4.1分类
4.1.1按水枪的工作压力范围分为:a)
低压水枪(0.20MPa~1.6MPa);
中乐水枪(1.6MPa~2.5MPa);
高压水枪(>2. 5 MPa~4. U MPa)按水枪喷射的灭火水流形式可分为:直流水枪:
喷雾水枪;
直流喷雾水枪;
多旧水枪。
喷雾角可调的低乐直流喷雾水枪按功能分为以下4类:a)
第I类;喷射压力不变,流属鼠随實雾角的政变而变化:第Ⅱ类:喷射压力不变,改变喷雾角,流量不变;第Ⅲ类喷射压力不变,在每个流量刻度喷射时,喷寡角变化,对应的流量刻度值不变;d)第IV类:在一定的流量范围内,流量变化时,喷射压力恒定。4.2型号
4.2.1水枪的型号由类、组代号,特征代号,额定喷射压力和额定流量等组成。2
企业自定义
GB8181—2005
喷雾角可调的低压直流喷雾水枪按功能分类额定流量,L./5
额定喷射压力,10°Pa
特征代号
类、组代号
型号中的额定流量除「喷雾水枪为喷雾流量外,其余均为直流流量,对于第Ⅲ类低压肖流喷雾水,抢,最大流量刻度值示为额定流量;对于第I类低压直流喷募水枪,最大直流流量示为额定流量。4.2.2水枪代号见表1。
直流水枪
z(直)
喷雾水枪
W(雾)
直流喷等水枪
L(直流喷雾)
多用水枪D)
开关G(关)
开K(开)
撞击式(击)
离心式L(离)
簧片式P(片)
球阀转换式 H(换)
导流式 (导)
球阀转换式H(换)
水枪代号
代号含义
直流水枪
直流升关水枪
直流开花水枪
撞击式喷雾水枪
离心式喷雾水枪
簧片式喷雾水枪
球网转换式直流喷雾水枪
导流式直流喷雾水枪
球阀转换式净用水枪
示例 1 :额定喷射正力 C. 35 MPa,额定直流疏量 7. 5 L/s 的直流开关水枪型号为 QZG3. 5/7. 5;示例 2 :额定喷射压力 0. 60 MPa,额定直疏流量 6. 5 L/s 的球阀转换式多用水枪型号为 QDH6. 0/6. 5 ;示例 5:额定喷射压,力 0. 60 MPa,额定直流流量 6. 5 L/s 的第 I 类导流式直流喷雾水枪型号为 QL.D6, 01/6. 5 I ;示例 4:额定喷射压力 2. 0 MPa,额定直流流量 3 L/s 的中压导流式直流喷要水枪型号为 QLD20/3 5性能要求
5.1基本参数
5.1.1低压水枪
5.1. 1.1直流水抢在额定喷射压力时,其额定流量和射程应符合表2 的要求,5.1.1.2喷雾水枪在额定喷射压力时,其额定喷雾流量和喷雾射程应符合表3的要求。5.1.1.3直流喷雾水枪的流量和射程及喷射压力应符合以下要求:a)在额定喷射压力时,其额定流量(对于第血类直流喷篓水枪调整到最大流量刻度值,对于第Ⅱ类直流喷雾水枪调整到最大直流流量>和直流射程应符合表4的要求。第 T类直流喷雾水枪在额定喷射压力时,其最大喷雾角时的流量应在表 4 额定直流流量的b)
100%~150%的范固内,流量允差为士8%<)第Ⅱ类直流喷雾水枪在额定喷射压力时,其喷雾角在30°.70°及最大喷雾角时的流量均应在表4额定直流流量的92%~-108%的范围内,流量允差为±8%。第山类直流喷雾水枪在额定喷射压力时,调整到最大流量刻度,其喷雾角在30°、70\及最大喷d)
GB8181-2005
雾角时的流量均应在表4额定直流流量的92%~108%的范图内:然后依次调整到其余流量刻度,其喷雾角在30时的流量均应符合其标称值·流量允差为士8%。第V类直流喷露水枪在最小流量和最大流量时,分别在喷雾角为30°70°及最大喷雾角的馈射e
压力应符合表4额定喷射压力·其允差为0.1MPa。5.1.1.4多用水抢在额定喷射压力时,其额定直流流量和直流射程应符合表4的要求,其额定喷雾流量应在表4额定直流流量的92%~108%范围内,流量允差为士8%。5.1.2中压水枪
中压水枪在额定喷射压力时,其额定直流流量和直流射程应符合表5的要求,其最大喷雾角时的流量应在表5额定直流流量的190%~150%的范围内,流量允差为上8%。5.1.3高压水枪
高压水枪在额定喷射压力时,其额定育流流量和直流射程应符合表6的要求,其最大喷雾角时的施量应在表6额定直流流量的000%150%的范围内,流量允差为士8%表2
接口公称道经/
当量喷嘴直径/
接口公称通
接口公称通径/
领定喷射压力!
额定喷射压力!
额定喷射压为
新定流量
额定喷务流量!
定直流流量
流量充差
流量允差
流量允差
射程/
喷雾射程
直流射程/
进口连接(两者段)
接口公称通径!
避口外螺纹
进口外操较
额定喷射压力,
额定喷射压力/
5. 2 雾状水流及开花水流的要求表5
额定直流流量
预定直流流量/
流量允差
流量充差
GB 8181-2005
直流射程/
直流射程/
5.2.1对于产生雾状水流或开花水流的水枪,其喷射的雾状水流或开花水流应无明显的不均匀,5.2.2对于喷雾角连续可调的永枪其连续可调喷雾角至少满足0°~1C0°可调;对于喷雾角不可调的水枪,其喷雾角应在30″--50°的范围内;对于开花角连续可调的水枪,其连续可调开花角至少满足30°120可调;对于开花角不可调的水枪,其开花角应在90°~120的范围内。5.3操作结构要求
水枪,杆式手柄指向水枪出口是“开”,杆式手柄垂直水枪轴线是“关”,并且在这两5.3. 1对于直流开关水
个位置有限位功能。
5.3.2对丁球阀转换式直流喷雾水抢、球阅转换式多用水枪,杆式手柄指向水枪出口是“直流”,杆式于树指向水枪进口是“喷雾
客”,杆式手柄垂直水枪轴线是“关”,并且在“直流”和“喷雾”位置有限位功能,5.3.3对于带有与形手柄的导流式点流喷雾水枪,己形手柄指间水枪进口是“开”弓形手柄指向水检出口是“关”并且在这两个位置有限位功能。5.3.4对于直流喷客冰枪、直流开花水抢,其调节喷雾角和开花角的旋转开关的关闭方向从水枪的进口看是顺时针。
5.3.5对于中压水枪心亭压水枪的拔机式开关·手握紧是“开”,手放松是“关”。5.3.6水枪的操作力矩柜不大于15N,m。5. 4 材料Www.bzxZ.net
5.4.1水枪应采用耐腐通或轻防腐蚀处理的材料制造,以满足相应使用环镜和介质的防膚要求。5.4.2各铸件材料的化学成分及机械性能应符合GB/T1173-GB/TL176,GB/T5115和GB/T1511G等相应标准的规定
5.5密封件
水检各密封部位所使用的O形密封圈应符合GB3452.1的规定5.6螺纹
水枪上的螺纹除与管牙接口连接部分使用圆杆管螺纹外,其余均应为普避螺纹。普通螺纹公差应符合GB/T197中内螺纹711级、外螺纹8g级的要求。螺纹应无缺牙,表面应光洁。5.7 表面质量
铸件表面应无结疤,裂纹及孔眼,铝制件表面须作阳极氧化处理。5.8密封性能
水枪按5.2与6.5.3规定的条件进行密封性能试验,枪体及各密封部位不允许渗漏。5. 9 耐水压强度
水枪按5.5.4规定的条件进行耐水压强度试验,水枪不应出现裂纹、断裂或影响正常用的残余变形。
GB 8181—2005
5.10使用环境温度
水枪的使用坏境温度范围为30℃~+55℃,按6.6、6.?规定的条件试验后,应能正常操作使用。5.11抗跌落性能
水枪按心8规定的条件作跌落试验后,应能正常操作使用,5.12耐腐蚀性能
水枪经6.9规定的条件试验后.应,无起层、剥游或肉眼可见的点蚀凹坑,应能正常燥作使用。5.13接口性能
接口应符合GB12514的规定
6试验方法
6.1喷射性能试验
6.1.1试验装置的要求
喷射性能试验装置的允许工作压力应大丁水枪最大工作压力的1,2倍,稳压精度十2%。装置中的压力测量精度不低于1. 5级,流量测量精度不低于土1%6. 1. 2射程测试
将水置于喷射架上,顺风向布置,调整水枪轴线与水平线的夹角(仰角)至30°+1°,同时使喷嘴出口中心至地面的离度对 1 И上0. 01 m,外界风速应不无于2 m/s。水泵启动后,使水枪逆口压力达到规定的额定喷射压力值,待喷射稳定后,分别进行肯流射程和喷雾射程的测量,水枪在喷射轴线上喷射水流连续散落最远处至喷嘴山口端巾心在地面上的垂直投影点之间的距离折回 10%视为射程。对喷雾角可调的喷等水枪,喷等射程在30喷雾角下测定,射程的测量结果应符合5.1的规定。6.1.3流量测试
根据水枪的流量选择容积计量罐,水泵启动后,使水枪喷射,待达到额定喷射压力并稳定后,转向计鼠罐内瞬射,连续喷射时间不少于305,水枪开20S后测出计量罐内水的体积或质量,经计算求得水枪的流量,或用标定合格的流量计直接测量流量,以流量计测量法作为仲裁方法。流量的测量结果应符合5.1的规定。
6.1,4喷雾角与开花角的测量
在水枪喷射时,将测角规的两条边分别与水枪喷嘴前的雾状水流或并花水流边缘相重,测角规两达的夹角为喷雾角或开花角。测量结果应符合5.2.2的规定。6.2操作力矩测定
将水枪置丁试验装置上,关闭水枪上的开关,对水枪加压至额定喷射压力,用兰等标准测力计测量水枪开关从关闭至全开的最大操作力矩. 允许测量误差为二0. 5 N -m。测量结果应符合 5. 3. 6 的规定。
6.3螺纹检验
用螺纹规或万能工具显微镜检查水枪L所使用的全部螺纹,检查结果应符合5.6的要求,6,4外表质量检验
目察水枪外表质量,外表质量应满足5.7的要求。6.5密封性能、耐水压强度试验
6.5.1试验装置允许工作压力应大于水枪最大工作压力的1.6倍,稳压精度二2%。装置中的压力测量精度不低于1.5级。
6.5.2关闭水枪的开关,水枪的进水端通过接口与试验装置相连,加压过程中必须先排除枪体内的空气,然后缓慢加压至最大工作压力,保压2 min,检查结果应符合 5.8要求。GB 8181—2005
6.5.3打开水枪的开关,水枪的进水端通过接口与试验装置相连,封闭水抢的出水端。加压过程中必须先排除抢体内的空气,然后缓慢加压至最大工作压力,保压2 nrin,检查结果应符合 5. 8要求,6.5.4水枪状态同6.5.3,加压过程中必须先排除枪体内的空气,然后缓慢加压至最大工作压力的1.5倍,保压 2 uin。检查结果应符台 5. 9 要求,6.6耐高温试验
将水枪置于高温箱内,在55℃十2℃下存放 24h,取出后 30 5内检查,检查结果应满足5.10要求。6. 7 耐低温试验
将干燥的水抢置于低温箱内,在-30℃士2℃下存放24h,取出后30内检查,检查结果应满足5. 10 要求
6. 8跌落试验
水枪以喷嘴垂直朝上、喷嘴垂直朝下(旋转开关处于美闭位置)以及水枪轴线处于水平(若有开关时,开关处于水枪水平轴线之下并处于关闭位置)3个位置,从离地2,0 m士0.02 m高处(从水枪的最低点算起)自由落到混凝十地面上。水枪于每个位置坠落两次后检查,检查结果应符合5.11要求。6.9盐雾腐蚀试验
6. 9. 1 试验前对水枪表面作仔细清洗,不得留有油腻、污物。清洗时不准使用磨料或溶剂。水枪在盐募腐蚀试验箱内应呈直立状态,枪口朝上,水枪之间不能互相接触,水枪也不能与箱壁接触。6.9.2试验周期为120 h。试验中必须防止盐溶液自接冲击水枪表面。试件从盐寡腐蚀箱内取出后应用不超过38℃的清水冲洗,待干燥后检查,检查结果应满足5.12要求。6.9.3盐雾腐蚀试验的试验条件应符合下述规定:氯化钠溶液浓度为50g/L士1g/L
25℃时的 PH 值应保持在: 6. 5~~7. 2 范周内;b)
喷雾速率为]mL/h~~2ml./h(有效面积为 80 cm的收集器,放人试验箱内24 h所测量的平均喷雾速率):
试验箱内的温度应保持在:35℃士5℃;dii
试验周期内喷雾不得中断。除了在检查或其他必要操作时才可短时打开试验箱,但不应触摸e)
水枪表面。
7检验规则
7.1出厂检验
7. 1. 1水枪出厂前应进行出厂检验。7.1.2出厂检验按5.1、5.2.5.3、5.7、5.8和5.9的规定进行,其结果均应符合本标准的规定。7.2型式检验
7.2. 1凡属下列情况之一,应进行型式检验:新产品鉴定或老产品转厂;
正式生产后,原材料、工艺、设计有较大改动时b)
c)停产1年后恢复生产或正常生产满2年时;d)国家质量监督机构提出进行型式检验要求时。7.2.2型式检验的内容为术标准规定的全部项目,检验结果均应达到标准规定。7.2.3型式检验的样本数为3支。8标志、使用说明书和包装
8.1标志
8.1.1水枪E应牛固标有型号、商标或厂名。GB8181—2005
8.1.2水枪应有射流形态改变的易辨认的永久性指示标记。8.1.3第Ⅱ类直流喷雾水枪应有流量刻度值(以L/s为单位)的永久性标记,第IV类直流喷雾水枪应有流量(以L/s 为单位)使用范围的永久性标记。8.2使用说明书
产品应附有使用说明书,其内容应包括基本参数、执行产品标准号、维护保养、操作程序及注意事项。
8.3包装
8.3.1产品包装随带的文件应齐全,包括使用说明书、合格证、装箱单等。8.3.2包装采用塑料薄膜包装后,再用纸箱或木箱包装,标明注意事项。版权专有慢权必究
书号:1550661-27156
GB8181-2005
定价:
0021818
小提示:此标准内容仅展示完整标准里的部分截取内容,若需要完整标准请到上方自行免费下载完整标准文档。
标准图片预览:





- 其它标准
- 热门标准
- 国家标准(GB)
- GB/T42854-2023 民用飞机客户培训飞行模拟机通用技术规范
- GB/T7534-1987 工业用挥发性有机液体沸程的测定
- GB/T38627-2020 信息技术 实时定位 磁定位数据接口
- GB/T10781.2-2022 白酒质量要求 第2部分:清香型白酒
- GB50752-2012 电子辐射工程技术规范
- GB/T15449-1995 管壳额定开关用场效应晶体管空白详细规范
- GB/T18204.4-2000 公共场所毛巾、床上卧具微生物检验方法细菌总数测定
- GB/T19418-2003 钢的弧焊接头 缺陷质量分级指南
- GB8552-1987 电子器件详细规范 低功率非线绕固定电阻器 RJ13型金属膜固定电阻器评定水平E(可供认证用)
- GB5606.3-2005 卷烟 第3部分:包装、卷制技术要求及贮运
- GB/T20976-2023 软冰淇淋预拌粉质量要求
- GB/T15917.3-1995 金属镝及氧化镝化学分析方法 对氯苯基荧光酮--溴化十六烷基三甲基胺分光光度法测定钽量
- GB/T11839-1989 二氧化铀芯块中硼的测定 姜黄素萃取光度法
- GB/T6122.1-2002 圆角铣刀 第1部分:型式和尺寸
- GB/T7433-1987 对称电缆载波通信系统抗无线电广播和通信干扰的指标
- 行业新闻
请牢记:“bzxz.net”即是“标准下载”四个汉字汉语拼音首字母与国际顶级域名“.net”的组合。 ©2025 标准下载网 www.bzxz.net 本站邮件:bzxznet@163.com
网站备案号:湘ICP备2025141790号-2
网站备案号:湘ICP备2025141790号-2