- 您的位置:
- 标准下载网 >>
- 标准分类 >>
- 航空工业行业标准(HB) >>
- HB 7735-2003 燃气轮机成套设备型号命名
标准号:
HB 7735-2003
标准名称:
燃气轮机成套设备型号命名
标准类别:
航空工业行业标准(HB)
标准状态:
现行-
发布日期:
2003-09-25 -
实施日期:
2003-12-01 出版语种:
简体中文下载格式:
.rar.pdf下载大小:
84.82 KB
部分标准内容:
中华人民共和国航空行业标准
HB7735-2003
燃气轮机成套设备型号命名
Gas lurbine lurnkey installatiun nomination2003-09-25发布
国防科学技术工业委员会发布
2003-12-01实施
HB7735-2003
本标准的附录人和附录B为究料性附录。云标准内中回航空工业第一集工公司提出,年标准出中国航空综合校术研察所归二。本标准起单单仪:中巨航空综今技术创究所、中国南方航空或力机械公司、批印疆明统交发动机(集团有限资任公司:
术标市土要起萃人:武文尔、陈度被,山永康,1范围
燃气轮机成套设备型号命名
本标推规定了燃气轮机战套设等型号命名的确定方法本标准适用」燃气轮机成套设备的塑号命名。2规范性引用文性
HA7735203
下列文件中的录款道过出标推的引用而成为本标准的条款:凡安计口跑的引用文件,其断所有的解改单(不包含数误的内穿或修订版均不站回:本标准,越心,载动来据本标准达成协议的齐方研究中使用这些文件的最新版个,凡是不注口质的引用文件,其授新短本适用汀本标准。CP/T8170数字悠的舰定
HT7.586轻激气轮机各调术语
3术语和定义
H37586确立的术语和定.义适用于去标准。4要求
2.1型号的组成
激气轮成套设备基本型号,由王个部分组成,恶式如上:初率学资代号
布名演字号
川途代号
格气等机欣设各代号
4.2型号各部分代号的确定
4.2.1燃气轮机成危设各代号用母Q表示。4.2.2用途代号按表1规定的字母表示。为有余热利用的.在用途代号后所R。凡表!术规定的用连,出上级上管部门给定代号或由低制业位进行命名并报上数主管部门备案,表1用途代号
命名顺序号,控命名心宁用字母A,B.C.Y依次给出,字母I、.R、2不使用,第一次命名况此4.2.3
顺序号。当出现相同用途,相向功率等级时,则从宁母人开始给出,HH7735-2003
4.2.4功率等级代号用燃气轮机动力的额定功率值单位kW)分之-表尔。若小951W,用(×(为数学)来表小,当出现尾数,按T817规定的数字修约原则迹行圆整。,其表示为法的不例表2
表功率等代号示例
额动手W:
功孕等级代
勃定功宋[kw)
4 7(10
4.2.5收别号按收的历序,用字付A.B,C·...7依次欲出但宁母I,0不使月。4.3型号的谢定
功率等级少号
4.3.1H上级上含部门下必研制的燃气轮机成盘设备,应电上级主誉部门班本标准给定产品型号,4.3.2只个业单位开发册制的魅气轮机成套设各,1研制单位按存关的规实写产呈型专中清5,参见附求A,报上级主管部门备案或百批。4.3.3凡足燃气轮机或个设备的原基邮上,作有关性作,结均上重大改心附,心减按本标准4.3.2系期实确定收型型号
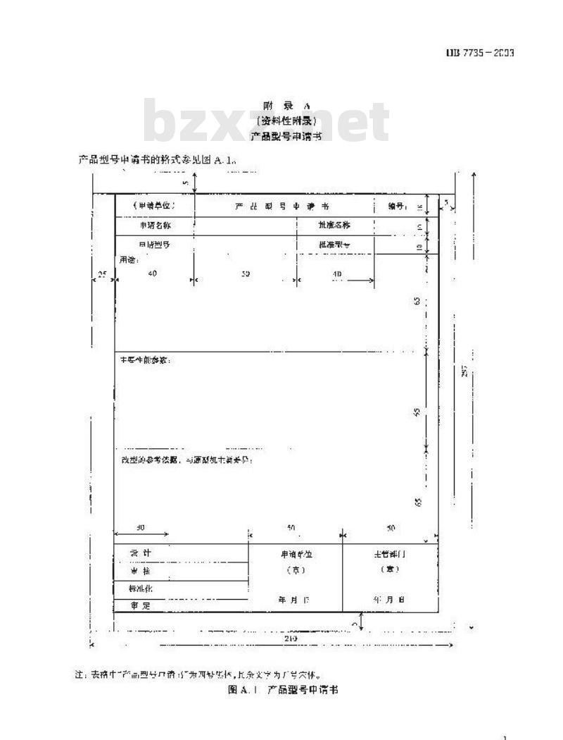
4.3.4型号常名射示做参见附B,产品型号中请书的格式象池图A.1.5
(审请单位:
申语名称
用途:
附录清
【资料性附录】
产品型号申询书
批准名称bZxz.net
抵准型专
改型的考法据,-源效机士美
申询心
(市)
年月1
注:去产型内,为厂停
图A.产品型号中书
编号-
年月日
1 7735-2693
HB 77352003
附景口
(资料性附录)
燃气轮机成套设备型号命名示例B.1作为发电用,坊为4700kW的燃气轮机成套设备,其第欧命名的型号为:QU47,H.2作为发电用,功率火47kW的燃气轮机成套设备其第二次命名的型号为:QA7。B.3优为发电并在余燃利用,防率为4700kW的燃气轮底套设备,其第二次命名的车号为:QDRA47
H.4作为发户用,功率为47KkW第-次有名后的燃气轮机成套设备,其第次放灵的型孕为:47A
B.5为管道增压用功率为7501W的燃气轮机成套设备,其第一次命务的率号为:08
小提示:此标准内容仅展示完整标准里的部分截取内容,若需要完整标准请到上方自行免费下载完整标准文档。
HB7735-2003
燃气轮机成套设备型号命名
Gas lurbine lurnkey installatiun nomination2003-09-25发布
国防科学技术工业委员会发布
2003-12-01实施
HB7735-2003
本标准的附录人和附录B为究料性附录。云标准内中回航空工业第一集工公司提出,年标准出中国航空综合校术研察所归二。本标准起单单仪:中巨航空综今技术创究所、中国南方航空或力机械公司、批印疆明统交发动机(集团有限资任公司:
术标市土要起萃人:武文尔、陈度被,山永康,1范围
燃气轮机成套设备型号命名
本标推规定了燃气轮机战套设等型号命名的确定方法本标准适用」燃气轮机成套设备的塑号命名。2规范性引用文性
HA7735203
下列文件中的录款道过出标推的引用而成为本标准的条款:凡安计口跑的引用文件,其断所有的解改单(不包含数误的内穿或修订版均不站回:本标准,越心,载动来据本标准达成协议的齐方研究中使用这些文件的最新版个,凡是不注口质的引用文件,其授新短本适用汀本标准。CP/T8170数字悠的舰定
HT7.586轻激气轮机各调术语
3术语和定义
H37586确立的术语和定.义适用于去标准。4要求
2.1型号的组成
激气轮成套设备基本型号,由王个部分组成,恶式如上:初率学资代号
布名演字号
川途代号
格气等机欣设各代号
4.2型号各部分代号的确定
4.2.1燃气轮机成危设各代号用母Q表示。4.2.2用途代号按表1规定的字母表示。为有余热利用的.在用途代号后所R。凡表!术规定的用连,出上级上管部门给定代号或由低制业位进行命名并报上数主管部门备案,表1用途代号
命名顺序号,控命名心宁用字母A,B.C.Y依次给出,字母I、.R、2不使用,第一次命名况此4.2.3
顺序号。当出现相同用途,相向功率等级时,则从宁母人开始给出,HH7735-2003
4.2.4功率等级代号用燃气轮机动力的额定功率值单位kW)分之-表尔。若小951W,用(×(为数学)来表小,当出现尾数,按T817规定的数字修约原则迹行圆整。,其表示为法的不例表2
表功率等代号示例
额动手W:
功孕等级代
勃定功宋[kw)
4 7(10
4.2.5收别号按收的历序,用字付A.B,C·...7依次欲出但宁母I,0不使月。4.3型号的谢定
功率等级少号
4.3.1H上级上含部门下必研制的燃气轮机成盘设备,应电上级主誉部门班本标准给定产品型号,4.3.2只个业单位开发册制的魅气轮机成套设各,1研制单位按存关的规实写产呈型专中清5,参见附求A,报上级主管部门备案或百批。4.3.3凡足燃气轮机或个设备的原基邮上,作有关性作,结均上重大改心附,心减按本标准4.3.2系期实确定收型型号
4.3.4型号常名射示做参见附B,产品型号中请书的格式象池图A.1.5
(审请单位:
申语名称
用途:
附录清
【资料性附录】
产品型号申询书
批准名称bZxz.net
抵准型专
改型的考法据,-源效机士美
申询心
(市)
年月1
注:去产型内,为厂停
图A.产品型号中书
编号-
年月日
1 7735-2693
HB 77352003
附景口
(资料性附录)
燃气轮机成套设备型号命名示例B.1作为发电用,坊为4700kW的燃气轮机成套设备,其第欧命名的型号为:QU47,H.2作为发电用,功率火47kW的燃气轮机成套设备其第二次命名的型号为:QA7。B.3优为发电并在余燃利用,防率为4700kW的燃气轮底套设备,其第二次命名的车号为:QDRA47
H.4作为发户用,功率为47KkW第-次有名后的燃气轮机成套设备,其第次放灵的型孕为:47A
B.5为管道增压用功率为7501W的燃气轮机成套设备,其第一次命务的率号为:08
小提示:此标准内容仅展示完整标准里的部分截取内容,若需要完整标准请到上方自行免费下载完整标准文档。
标准图片预览:





- 其它标准
- 热门标准
- 航空工业行业标准(HB)
- HB4588-1992 工具用铣刀 加工轻合金二齿立铣刀槽铣刀用样板和校对样板 检测 HB 4587-92 槽铣刀用
- HB7424-1996 MJ螺纹光杆公差带h8短螺纹小六角头螺栓
- HB5290-1991 耐大气和磷酸酯液压油三乙丙橡胶胶料
- HB5273-1993 室温硫化密封剂腐蚀性试验方法
- HB5915-5916-1985 别针锁紧松紧螺套
- HB1762-1987 快卸过渡螺母
- HB5288-1997 XM15室温硫化聚硫密封剂
- HB3390-1982 45°分型凹模
- HB1233-1987 右角铁
- HB6086-1986 插入式圆口盖
- HB6200-1989 锁紧型有折断槽钢丝螺套
- HB5220.7-2008 高温合金化学分析方法 第7部分:乙醚萃取-钼蓝吸光光度法测定磷含量
- HB7137-1995 整体硬质合金二齿端刃过中心直柄微型立铣刀 d=1~3mm
- HB7561-1997 加工钛合金用焊硬质合金螺旋刀片的二齿端刃过中心莫氏圆锥柄左螺旋数控立铣刀 d=16~32mm
- HB7563-1997 加工钛合金用焊硬质合金螺旋刀片的四齿莫氏圆锥柄左螺旋数控立铣刀 d=20~32mm
- 行业新闻
请牢记:“bzxz.net”即是“标准下载”四个汉字汉语拼音首字母与国际顶级域名“.net”的组合。 ©2025 标准下载网 www.bzxz.net 本站邮件:bzxznet@163.com
网站备案号:湘ICP备2025141790号-2
网站备案号:湘ICP备2025141790号-2