- 您的位置:
- 标准下载网 >>
- 标准分类 >>
- 商检行业标准(SN) >>
- SN/T 0730.2-1997 进出口激光唱机技术性能检验规程
标准号:
SN/T 0730.2-1997
标准名称:
进出口激光唱机技术性能检验规程
标准类别:
商检行业标准(SN)
标准状态:
现行-
发布日期:
1997-12-22 -
实施日期:
1998-05-01 出版语种:
简体中文下载格式:
.rar.pdf下载大小:
1.34 MB
点击下载
标准简介:
标准下载解压密码:www.bzxz.net
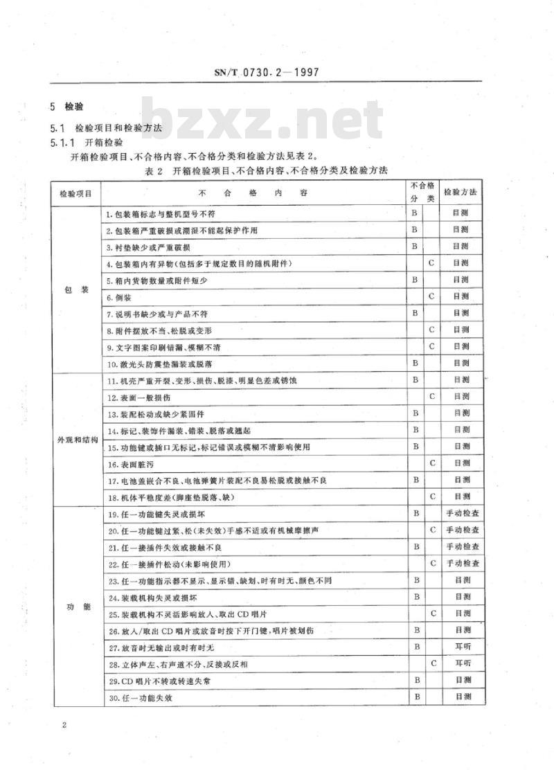
本标准规定了进出口激光(CD)唱机的技术性能要求检验的抽样、检验及检验结果的判定。本标准适用于各种进出口激光唱机,以及收录、音响组合机中激光唱机部分的检验。 SN/T 0730.2-1997 进出口激光唱机技术性能检验规程 SN/T0730.2-1997
标准图片预览:





- 其它标准
- 热门标准
- 商检行业标准(SN)
- SN/T3714-2013 橡胶和塑料制品中钴、砷、铬、锡和铅的定量筛选方法电感耦合等离子体原子发射 光谱法
- SN/T4242-2015 进出口钕铁硼永磁材料中钕、镝、镨、镧、钴、硼、铝的测定电感耦合等离子体原子发射光谱法
- SN/T3775.3-2014 (进)出口纺织品质量符合性验证规范第3部分:纺织织物
- SN/T3896.6-2017 进出口纺织品纤维定量分析近红外法第6部分:聚酯纤维与羊毛的混合物
- SN/T3777.3-2014 纺织产品出口企业分类规范第3部分:纺织织物
- SN/T0684-2011 出口肉及肉制品中奥芬哒唑、芬苯哒唑、苯硫胍及奥芬哒唑砜残留量检测方法液相色谱-质谱/质谱法
- SN/T4247-2015 自贸试验区进口再制造用途机电产品检验规程
- SN/T4304-2015 出口氯化钡中铝、镁、铅、硅的测定电感耦合等离子体原子发射光谱法
- SN/T3480.2-2013 进口电子电工行业成套设备检验技术要求第2部分:电线电缆制造专用设备
- SN/T3694.7-2014 进出口工业品中全氟烷基化合物测定第7部分:油漆和涂料液相色谱-串联质谱法
- SN/T4401.1-2015 临床检验标本中毒品成分的定性及定量分析方法.第1部分:氯胺酮
- SN/T4669-2016 进出口纺织品悬挂材料抗火焰传播性测试标准方法开 口测试箱法
- SN/T3981.5-2015 进出口纺织品质量符合性评价方法纺织原料第5部分:蚕丝类绢丝
- SN/T3696-2013 进口再制造用途机电产品检验风险评估方法指南
- SN/T3771-2014 进出口轮胎通用技术要求
- 行业新闻
请牢记:“bzxz.net”即是“标准下载”四个汉字汉语拼音首字母与国际顶级域名“.net”的组合。 ©2025 标准下载网 www.bzxz.net 本站邮件:bzxznet@163.com
网站备案号:湘ICP备2025141790号-2
网站备案号:湘ICP备2025141790号-2