- 您的位置:
- 标准下载网 >>
- 标准分类 >>
- 化工行业标准(HG) >>
- HG/T 2708-1995 聚酯多元醇中酸值的测定
标准号:
HG/T 2708-1995
标准名称:
聚酯多元醇中酸值的测定
标准类别:
化工行业标准(HG)
英文名称:
Determination of acid value in polyester polyols标准状态:
现行-
实施日期:
2001-03-01 出版语种:
简体中文下载格式:
.rar.pdf下载大小:
76.65 KB
标准ICS号:
橡胶和塑料工业>>83.080塑料中标分类号:
化工>>合成材料>>G32合成树脂、塑料
部分标准内容:
中华人民共和国化工行业标准
聚酯多元醇中酸值的测定
1主题内容与适用范
本标准规定了用酸碱滴定法测定聚酯多元醇中酸值的方法,本标准适用于由已二酸与低分子多元醇经缩聚反应制得的聚酯多元醇,2引用标准
GB/T601化学试剂滴定分析(容量分析)用标准溶液的制备3定义
酸值:中和1g试样中酸性物质所需氢氧化钾毫克数,4原理
HG/T2708-—95
试样溶解于甲苯-乙醇溶液中,以酚酥为指示剂,用氢氧化钾乙醇标准滴定溶液直接滴定,同时作空白试验,由差值计算试样的酸值。5试剂
5.1甲萃(GB/T684)-乙醇(GB/T679)混合液,2+1(V/V。5. 2氢氧化钾乙醇标准滴定溶液,c(KOH)=0.1mo1/L,每二周标定一次。5.2.1配制:参照GB/T601规定的方法,称取7g氢氧化钾(GB/T2306),溶于20mL水中,用乙醇(GB/T679)稀释至1000mL。放置一周,取上层清液使用。5.2.2标定:采用GB/T601中4.1.2规定的方法进行标定5:3酚酸指示液,10g/L乙醇溶液。6仪器
6.1具塞三角瓶,100mL或150mL
6.2微量滴定管,5mL.
6.3分析天平,感量0.1mg.
7分析步骤
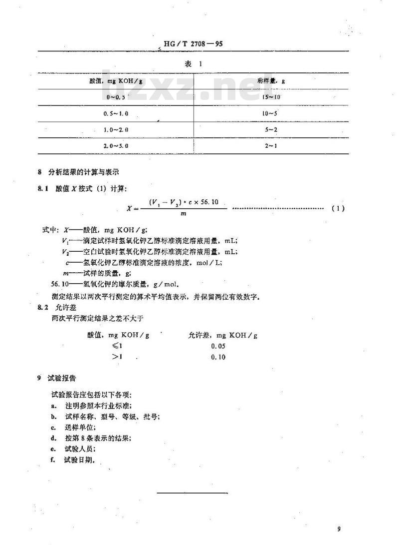
按表1中规定称取适量的试样(精确至0.2mg)于三角瓶中,加人20~30mL甲苯乙醇混合液,播动三角瓶使试样完全溶解,必要时可加热。加10滴酚酸指示液,用氢氧化钾乙醇标准滴定溶液滴定至微红色保持30s不褪色即为终止。同时作空白试验。中华人民共和国化学工业部1995-05-05批准8
1996-01-01实施
酸值,mg KoH/
0. 5 ~ 1. 0
2. 045. 0
8分析结果的计算与表示
8.1酸值x按式(1)计算:
中: X——酸值,mg KOH/ g
HG / T 2708 —95
(V, - V,) + c × 56. 10
V-滴定试样时氢氧化钾乙醇标准滴定溶液用量,mL;Vi
空白试验时氢氧化钾乙醇标准滴定溶液用量,mL;氢氧化钾乙醇标准滴定溶液的浓度,mol/L;一试样的质量,多
氢氧化钾的摩尔质量,g/mol,www.bzxz.net
称样量。g
测定结果以两平行测定的算术平均值表示,并保留两位有效数字,8.2允许差
两平行测定结果之差不大于
酸值、mg KOH/g
试验报告
试验报告应包括以下各项
注明参照本行业标准:
试样名称、型号、等级、批号;、送样单位:
按第8条表示的结果;
试验人员:
试验日期。
充许差,mg KOH/g
附加说明:
HG / T 2708- 95
本标准由中华人民共和国化学工业部技术监督司提出本标准由全国塑料标准化技术委员会塑料树脂产品分会(TC15/SC4)归口。本标准由江苏省化工研究所负责起草,本标准主要起草人徐妙玲,
小提示:此标准内容仅展示完整标准里的部分截取内容,若需要完整标准请到上方自行免费下载完整标准文档。
聚酯多元醇中酸值的测定
1主题内容与适用范
本标准规定了用酸碱滴定法测定聚酯多元醇中酸值的方法,本标准适用于由已二酸与低分子多元醇经缩聚反应制得的聚酯多元醇,2引用标准
GB/T601化学试剂滴定分析(容量分析)用标准溶液的制备3定义
酸值:中和1g试样中酸性物质所需氢氧化钾毫克数,4原理
HG/T2708-—95
试样溶解于甲苯-乙醇溶液中,以酚酥为指示剂,用氢氧化钾乙醇标准滴定溶液直接滴定,同时作空白试验,由差值计算试样的酸值。5试剂
5.1甲萃(GB/T684)-乙醇(GB/T679)混合液,2+1(V/V。5. 2氢氧化钾乙醇标准滴定溶液,c(KOH)=0.1mo1/L,每二周标定一次。5.2.1配制:参照GB/T601规定的方法,称取7g氢氧化钾(GB/T2306),溶于20mL水中,用乙醇(GB/T679)稀释至1000mL。放置一周,取上层清液使用。5.2.2标定:采用GB/T601中4.1.2规定的方法进行标定5:3酚酸指示液,10g/L乙醇溶液。6仪器
6.1具塞三角瓶,100mL或150mL
6.2微量滴定管,5mL.
6.3分析天平,感量0.1mg.
7分析步骤
按表1中规定称取适量的试样(精确至0.2mg)于三角瓶中,加人20~30mL甲苯乙醇混合液,播动三角瓶使试样完全溶解,必要时可加热。加10滴酚酸指示液,用氢氧化钾乙醇标准滴定溶液滴定至微红色保持30s不褪色即为终止。同时作空白试验。中华人民共和国化学工业部1995-05-05批准8
1996-01-01实施
酸值,mg KoH/
0. 5 ~ 1. 0
2. 045. 0
8分析结果的计算与表示
8.1酸值x按式(1)计算:
中: X——酸值,mg KOH/ g
HG / T 2708 —95
(V, - V,) + c × 56. 10
V-滴定试样时氢氧化钾乙醇标准滴定溶液用量,mL;Vi
空白试验时氢氧化钾乙醇标准滴定溶液用量,mL;氢氧化钾乙醇标准滴定溶液的浓度,mol/L;一试样的质量,多
氢氧化钾的摩尔质量,g/mol,www.bzxz.net
称样量。g
测定结果以两平行测定的算术平均值表示,并保留两位有效数字,8.2允许差
两平行测定结果之差不大于
酸值、mg KOH/g
试验报告
试验报告应包括以下各项
注明参照本行业标准:
试样名称、型号、等级、批号;、送样单位:
按第8条表示的结果;
试验人员:
试验日期。
充许差,mg KOH/g
附加说明:
HG / T 2708- 95
本标准由中华人民共和国化学工业部技术监督司提出本标准由全国塑料标准化技术委员会塑料树脂产品分会(TC15/SC4)归口。本标准由江苏省化工研究所负责起草,本标准主要起草人徐妙玲,
小提示:此标准内容仅展示完整标准里的部分截取内容,若需要完整标准请到上方自行免费下载完整标准文档。
标准图片预览:



- 其它标准
- 热门标准
- 化工行业标准(HG)
- HG/T3534-2011 代替 HG/T 3534-2003 工业循环冷却水污垢和腐蚀产物中酸不溶物、磷、铁、铝、钙、镁、锌、铜含量测定方法
- HG/T2784-1996 工业用亚硫酸铵
- HG2208-1991 甲霜灵可湿性粉剂
- HG/T2058.1-1991 搪玻璃温度计套
- HG/T2411-1992 鞋底材料90°屈挠试验方法
- HG/T2343-2012 硫化促进剂ETU
- HG/T4519-2013 碱式碳酸钴
- HG/T5699-2020 扩散渗析阳膜
- HG/T20704.3-2000 机泵专业工程设计阶段的工作程序
- HG2975-1989 气体分析 标准混合气 混合物制备证书
- HG2207-1991 甲霜灵粉剂
- HG/T2192-1991 喷砂橡胶软管
- HG2418-1993 饲料添加剂 碘酸钙
- HG/T2546-1993 导热油-400(联苯-联苯醚混合物)
- HG/T2734-1995 中压反应釜用机械密封技术条件
- 行业新闻
请牢记:“bzxz.net”即是“标准下载”四个汉字汉语拼音首字母与国际顶级域名“.net”的组合。 ©2025 标准下载网 www.bzxz.net 本站邮件:bzxznet@163.com
网站备案号:湘ICP备2025141790号-2
网站备案号:湘ICP备2025141790号-2