- 您的位置:
- 标准下载网 >>
- 标准分类 >>
- 国家标准(GB) >>
- GB/T 453-1989 纸和纸板抗张强度的测定法(恒速加荷法)
标准号:
GB/T 453-1989
标准名称:
纸和纸板抗张强度的测定法(恒速加荷法)
标准类别:
国家标准(GB)
标准状态:
已作废-
发布日期:
1989-03-31 -
实施日期:
1989-12-01 -
作废日期:
2003-02-01 出版语种:
简体中文下载格式:
.rar.pdf下载大小:
117.14 KB
标准ICS号:
造纸技术>>85.060纸和纸板中标分类号:
轻工、文化与生活用品>>造纸>>Y30造纸综合
替代情况:
GB 453-1979;被GB/T 453-2002代替采标情况:
ISO 1924/1-1983 MOD
部分标准内容:
中华人民共和国国家标准
纸和纸板抗张强度的测定法(恒速加荷法)Paper and board--Determination of tensileproperties-Constant rate of loading method本标准等效采用国际标准ISO1924/11983《纸和纸板抗张强度的测定1主题内容与适用范
GB/T 453—1989
代替GB/T453-1979
恒速加荷法》。
本标准规定了用符合本标推要求的抗张强度试验仪,测定抗张强度、伸长及抗张指数的方法。本标准适用于除瓦楞纸板外的所有纸和纸板。2引用标准
GB/T450纸和纸板试样的采取
GB/T451.2纸和纸板定量的测定法GB/T3358统计学名词及符号
GB/T 4687纸、纸板、纸浆的术语GB/T10739纸浆、纸和纸板试样处理和试验的标准大气3原理
抗张强度试验仪在恒速加荷下把规定尺寸的试样拉伸至撕裂测其张力,同时可记录断裂时的最大伸长。
4术语
4.1抗张强度、裂断长、伸长率
见GB/T4687中的7.38、7.39、7.40。4.2抗张指数
抗张强度除以定量,以N·m/g表示。5仪器
抗张强度试验仪:能够满足在规定的恒速加荷下,作用于试样,测定抗张强度和伸长。抗张力可在带状记录仪或一类似装置上记录为伸长函数,抗张强度试验仪应包括:5.1测量和记录装置:断裂时抗张力的精度可达土1%和伸长的读数精度为土0.5mm的仪器均可使用。抗张强度试验仪的有效测定范围必须在总量程的10%~90%之间使用。注:对于伸长率低于2%的纸张伸长率的精密定,用摆锤试验仪测伸长不够精确,建议用带有电子放大器的记录仪或将一合适的伸长仪放在纸条上,来精确测量实际伸长。避免试样在夹子内滑动和其他的影响。5.2加荷速度的调节,调节加荷速率使试样在20士5s内断裂。注:为了满足加荷速率变化不大于5%的要求,摆锤式的仪器不得在摆角大于50°下操作。5.3两个试样夹,应将试样的整个宽度夹紧,不许滑动和损坏试样。夹子中心线应与试样的中心线同国家技术监督局1989-03-31发布1989-12-01实施
GB/T 453—1989
轴,其夹紧作用力的方向与试样长度的方向保持土1°的垂直。两夹子夹纸的表面或夹线应保持士1°的平行。试验中也应保持在同一平面上。5.4两夹子间距是可调的,应能调到所要求的试验长度,但误差不得超过士1 mm。6试样的采取和制备
6.1取样按GB/T450规定进行。bzxZ.net
6.2在平板纸和卷简纸距边缘15mm以内次切取足够数量的试样,以保证纵向和横向各有10个有效的数据,试样不允许有任何纸病(手抄片不受15mm以内的限制)。试样两个边应是平直的,其平行度在0.1mm之内,切口应整齐无任何损伤。注:切软薄页纸时,可用较硬的纸夹起切取。6.3试样尺寸
a.试样的宽度应为15、25或50mm,允许偏差一0.1mm和+0.2mm。b.试样应有足够的长度,这样夹试样时不会触及夹间的试样,通常最短长度为250mm,实验室手抄片按其标准规定切取。试验时夹距小于180mm时,试验报告中应注明所用长度。7试样温湿处理
试样按GB/T10739的规定进行温湿处理。8试验步骤
8.1仪器的校准和调整
按说明书安装仪器,按附录校准仪器测力机构,如需要校准测量伸长机构。按5.2条的要求调整加荷速度。
调整夹子的负荷,在试验过程中,试验纸条既不滑动又不损伤。用适当的码,夹在夹子上,码带动加荷指示装置,记录其读数。检验指示机构,不应有过大反撞、滞后或摩擦,如误差大于1%,需作修正曲线。8.2测量
在试样温湿处理的标准大气下进行试验。检验测量机构和记录装置的零位及前后水平。调整上、下夹子间的距离,将试样夹在夹子内,防止用手接触夹子间的试验面积,试样上施加约98mN(10g)预张力,使试样垂直地夹在两夹子间。先做预测试验,求出试样在20土5s断裂的荷速率。开始测定,到试样断裂为止记下所施加的最大作用力,需要时记录断裂时的伸长。纸和纸板的每个方向至少测定10条,这10条的结果应均有效。如距夹子10mm以内断裂者,应除去不记。
9测试结果的计算
9.1结果的表示
分别计算和表示纸和纸板纵、横向所得的结果。试验室手抄片没有方向的区别。9.2抗张强度
9.2.1按式(1)计算抗张强度,取三位有效数字。s=
式中:S-抗张强度,kN/m;
F平均抗张力,N;
试验纸条的宽度,mm。
注:低定量纸,如薄页纸用N/m表示较合适。9.2.2计算结果的标准偏差。
9.3裂断长
如需要,按式(2)或式(3)计算裂断长:GB/T 453—1989
或LB =
Ls也可按式(4)计算:
如果仪器以kgf-m为刻度,公式为:L
式中:Ls-裂断长,km;
平均拉张力,N;
抗张强度,kN/m;
定量,g/m2;
试验纸条的宽度,mm;
L夹子间初始长度,mm;
夹子间纸条的平均质量,mg。
9.4抗张指数按式(6)或式(7)计算,并取三位有效数字。Ya
式中:Y抗张指数,N·m/g,
抗张强度,kN/m;
g—定量,g/m\;
-平均抗张力,N;
试验纸条的宽度,mm。
9.5断裂时伸长
·(2)
(4)
·(5)
9.5.1如需要,计算试样平均断裂伸长,以mm表示,然后计算断裂时伸长对起始试样长度的百分数。结果取至一位小数。
9.5.2计算结果的标准偏差。
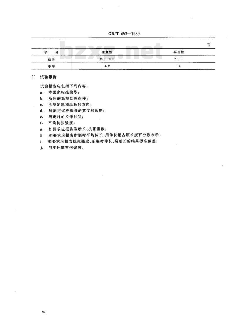
10精密度
试验精度应满足下表要求。
试验报告
试验报告应包括下列内容:
本国家标准编号;
所用的温湿处理条件;
所测定纸和纸板的方向;
GB/T453—1989
重复性
所测定试样纸条的宽度和长度;测定时的拉伸时间;
平均抗张强度;
如要求应报告裂断长、抗张指数;如要求应报告断裂时平均伸长,用伸长量占原长度百分数表示,如要求应报告抗张强度、断裂时伸长、裂断长的结果标准偏差;与本标准有何偏离。
再现性
7~33
GB/T453—1989
附录A
仪器的校准
(补充件)
A1使用重碗校准仪器测量作用力的部件,要用精度为0.1%的码,如使用记录装置也要校准。A2计算所施加的由磁码的质量和由重力引起的自由下落的加速度所产生的力。A3在所要测量的力的范围内,用内游标卡尺或块规校准仪器的测量伸长的机构,如使用记录装置也要校准。
A4有些抗张强度试验仪其测量力的部分在加荷时可伸长,为保证不影响试验结果,应在相应测量范围内的几点上校准测量力和伸长的部件。附加说明:
本标准由中华人民共和国轻工业部提出。本标准由轻工业部造纸工业科学研究所归口并负责起草。本标准首次公布于1960年,第一次修订于1964年,第二次修订于1979.年。95
小提示:此标准内容仅展示完整标准里的部分截取内容,若需要完整标准请到上方自行免费下载完整标准文档。
纸和纸板抗张强度的测定法(恒速加荷法)Paper and board--Determination of tensileproperties-Constant rate of loading method本标准等效采用国际标准ISO1924/11983《纸和纸板抗张强度的测定1主题内容与适用范
GB/T 453—1989
代替GB/T453-1979
恒速加荷法》。
本标准规定了用符合本标推要求的抗张强度试验仪,测定抗张强度、伸长及抗张指数的方法。本标准适用于除瓦楞纸板外的所有纸和纸板。2引用标准
GB/T450纸和纸板试样的采取
GB/T451.2纸和纸板定量的测定法GB/T3358统计学名词及符号
GB/T 4687纸、纸板、纸浆的术语GB/T10739纸浆、纸和纸板试样处理和试验的标准大气3原理
抗张强度试验仪在恒速加荷下把规定尺寸的试样拉伸至撕裂测其张力,同时可记录断裂时的最大伸长。
4术语
4.1抗张强度、裂断长、伸长率
见GB/T4687中的7.38、7.39、7.40。4.2抗张指数
抗张强度除以定量,以N·m/g表示。5仪器
抗张强度试验仪:能够满足在规定的恒速加荷下,作用于试样,测定抗张强度和伸长。抗张力可在带状记录仪或一类似装置上记录为伸长函数,抗张强度试验仪应包括:5.1测量和记录装置:断裂时抗张力的精度可达土1%和伸长的读数精度为土0.5mm的仪器均可使用。抗张强度试验仪的有效测定范围必须在总量程的10%~90%之间使用。注:对于伸长率低于2%的纸张伸长率的精密定,用摆锤试验仪测伸长不够精确,建议用带有电子放大器的记录仪或将一合适的伸长仪放在纸条上,来精确测量实际伸长。避免试样在夹子内滑动和其他的影响。5.2加荷速度的调节,调节加荷速率使试样在20士5s内断裂。注:为了满足加荷速率变化不大于5%的要求,摆锤式的仪器不得在摆角大于50°下操作。5.3两个试样夹,应将试样的整个宽度夹紧,不许滑动和损坏试样。夹子中心线应与试样的中心线同国家技术监督局1989-03-31发布1989-12-01实施
GB/T 453—1989
轴,其夹紧作用力的方向与试样长度的方向保持土1°的垂直。两夹子夹纸的表面或夹线应保持士1°的平行。试验中也应保持在同一平面上。5.4两夹子间距是可调的,应能调到所要求的试验长度,但误差不得超过士1 mm。6试样的采取和制备
6.1取样按GB/T450规定进行。bzxZ.net
6.2在平板纸和卷简纸距边缘15mm以内次切取足够数量的试样,以保证纵向和横向各有10个有效的数据,试样不允许有任何纸病(手抄片不受15mm以内的限制)。试样两个边应是平直的,其平行度在0.1mm之内,切口应整齐无任何损伤。注:切软薄页纸时,可用较硬的纸夹起切取。6.3试样尺寸
a.试样的宽度应为15、25或50mm,允许偏差一0.1mm和+0.2mm。b.试样应有足够的长度,这样夹试样时不会触及夹间的试样,通常最短长度为250mm,实验室手抄片按其标准规定切取。试验时夹距小于180mm时,试验报告中应注明所用长度。7试样温湿处理
试样按GB/T10739的规定进行温湿处理。8试验步骤
8.1仪器的校准和调整
按说明书安装仪器,按附录校准仪器测力机构,如需要校准测量伸长机构。按5.2条的要求调整加荷速度。
调整夹子的负荷,在试验过程中,试验纸条既不滑动又不损伤。用适当的码,夹在夹子上,码带动加荷指示装置,记录其读数。检验指示机构,不应有过大反撞、滞后或摩擦,如误差大于1%,需作修正曲线。8.2测量
在试样温湿处理的标准大气下进行试验。检验测量机构和记录装置的零位及前后水平。调整上、下夹子间的距离,将试样夹在夹子内,防止用手接触夹子间的试验面积,试样上施加约98mN(10g)预张力,使试样垂直地夹在两夹子间。先做预测试验,求出试样在20土5s断裂的荷速率。开始测定,到试样断裂为止记下所施加的最大作用力,需要时记录断裂时的伸长。纸和纸板的每个方向至少测定10条,这10条的结果应均有效。如距夹子10mm以内断裂者,应除去不记。
9测试结果的计算
9.1结果的表示
分别计算和表示纸和纸板纵、横向所得的结果。试验室手抄片没有方向的区别。9.2抗张强度
9.2.1按式(1)计算抗张强度,取三位有效数字。s=
式中:S-抗张强度,kN/m;
F平均抗张力,N;
试验纸条的宽度,mm。
注:低定量纸,如薄页纸用N/m表示较合适。9.2.2计算结果的标准偏差。
9.3裂断长
如需要,按式(2)或式(3)计算裂断长:GB/T 453—1989
或LB =
Ls也可按式(4)计算:
如果仪器以kgf-m为刻度,公式为:L
式中:Ls-裂断长,km;
平均拉张力,N;
抗张强度,kN/m;
定量,g/m2;
试验纸条的宽度,mm;
L夹子间初始长度,mm;
夹子间纸条的平均质量,mg。
9.4抗张指数按式(6)或式(7)计算,并取三位有效数字。Ya
式中:Y抗张指数,N·m/g,
抗张强度,kN/m;
g—定量,g/m\;
-平均抗张力,N;
试验纸条的宽度,mm。
9.5断裂时伸长
·(2)
(4)
·(5)
9.5.1如需要,计算试样平均断裂伸长,以mm表示,然后计算断裂时伸长对起始试样长度的百分数。结果取至一位小数。
9.5.2计算结果的标准偏差。
10精密度
试验精度应满足下表要求。
试验报告
试验报告应包括下列内容:
本国家标准编号;
所用的温湿处理条件;
所测定纸和纸板的方向;
GB/T453—1989
重复性
所测定试样纸条的宽度和长度;测定时的拉伸时间;
平均抗张强度;
如要求应报告裂断长、抗张指数;如要求应报告断裂时平均伸长,用伸长量占原长度百分数表示,如要求应报告抗张强度、断裂时伸长、裂断长的结果标准偏差;与本标准有何偏离。
再现性
7~33
GB/T453—1989
附录A
仪器的校准
(补充件)
A1使用重碗校准仪器测量作用力的部件,要用精度为0.1%的码,如使用记录装置也要校准。A2计算所施加的由磁码的质量和由重力引起的自由下落的加速度所产生的力。A3在所要测量的力的范围内,用内游标卡尺或块规校准仪器的测量伸长的机构,如使用记录装置也要校准。
A4有些抗张强度试验仪其测量力的部分在加荷时可伸长,为保证不影响试验结果,应在相应测量范围内的几点上校准测量力和伸长的部件。附加说明:
本标准由中华人民共和国轻工业部提出。本标准由轻工业部造纸工业科学研究所归口并负责起草。本标准首次公布于1960年,第一次修订于1964年,第二次修订于1979.年。95
小提示:此标准内容仅展示完整标准里的部分截取内容,若需要完整标准请到上方自行免费下载完整标准文档。
标准图片预览:





- 其它标准
- 热门标准
- 国家标准(GB)
- GB/T18204.4-2000 公共场所毛巾、床上卧具微生物检验方法细菌总数测定
- GB/T11839-1989 二氧化铀芯块中硼的测定 姜黄素萃取光度法
- GB/T5738-1995 瓶装酒、饮料塑料周转箱
- GB/T28809-2012 轨道交通 通信、信号和处理系统 信号用安全相关电子系统
- GB/T21238-2007 玻璃纤维增强塑料夹砂管
- GB/T38780-2020 竹席
- GB/T14652.2-2001 小艇﹐非耐火燃油软管
- GB/T15917.3-1995 金属镝及氧化镝化学分析方法 对氯苯基荧光酮--溴化十六烷基三甲基胺分光光度法测定钽量
- GB5793-1986 字鼓式行式打印机色带卷轴基本尺寸
- GB/T20957.5-2007 精密加工中心检验条件 第5部分:工件夹持托板的定位精度和重复定位精度检验
- GB/T11813-2008 压水堆燃料棒氦质谱检漏
- GB/T12611-2008 金属零(部)件镀覆前质量控制技术要求
- GB12951-2009 离子感烟火灾探测器用镅241α放射源
- GB/T23276-2009 钯化合物分析方法 钯量的测定 二甲基乙二醛肟析出EDTA络合滴定法
- GBZ/T248-2014 放射工作人员职业健康检查外周血淋巴细胞染色体畸变检测与评价
- 行业新闻
请牢记:“bzxz.net”即是“标准下载”四个汉字汉语拼音首字母与国际顶级域名“.net”的组合。 ©2025 标准下载网 www.bzxz.net 本站邮件:bzxznet@163.com
网站备案号:湘ICP备2025141790号-2
网站备案号:湘ICP备2025141790号-2