- 您的位置:
- 标准下载网 >>
- 标准分类 >>
- 国家标准(GB) >>
- GB/T 20335-2006 装可转位刀片的镗刀杆(圆柱形)-尺寸
标准号:
GB/T 20335-2006
标准名称:
装可转位刀片的镗刀杆(圆柱形)-尺寸
标准类别:
国家标准(GB)
标准状态:
现行-
发布日期:
2006-07-20 -
实施日期:
2007-01-01 出版语种:
简体中文下载格式:
.rar.pdf下载大小:
452.19 KB
点击下载
标准简介:
标准下载解压密码:www.bzxz.net
本标准规定了装可转位刀片的整体钢制圆柱形镗刀杆的通用尺寸,并规定了优先采用的镗刀杆。 本标准适用于装可转位刀片的镗刀杆。 GB/T 20335-2006 装可转位刀片的镗刀杆(圆柱形)-尺寸 GB/T20335-2006
部分标准内容:
ICS 25. 100. 99
中华人民共和国国家标准
GB/T 20335--2006/ISO 5609:1998装可转位刀片的镗刀杆(圆柱形)尺寸
Boring bars (tool holders with cylindrical shank) for indexable inserts-Dimensions
(ISO 5609:1998,Boring bars for indexable insertsDimensions,IDT)2006-07-20发布
中华人民共和国国家质量监督检验检疫总局中国国家标准化管理委员会
2007-01-01实施
本标准等同采用ISO5609:1998《装可转位刀片的镗刀杆本标准等同翻译ISO5609:1998。为便于使用,本标准做了下列编辑性修改:用小数点“,”代替作为小数点的逗号“,”,用“本标准”代替“本国际标准”;—将资料性附录A作为参考文献;一删除了国际标准前言;
用采用国际标准的我国标推代替对应的国际标准。本标准由中国机械工业联合会提出。本标雅由全国刀具标准化技术委贯会归口。本标准主要起草单位:成都工具研究所。本标准主要起草人:樊瑾。
GB/T 20335--2006/ISO 5609:1998尺寸》(英文版)。
1范围
GB/T20335—2006/IS05609:1998装可转位刀片的镗刀杆(圆柱形)尺寸wwW.bzxz.Net
本标规定了装可转位刀片的整体钢制圆柱形镗刀杆的通用尺寸,并规定了优先采用的镗刀杆。2规范性引用文件
下列文件中的条款通过本标准的用而成为本标准的条款。亢暴注日期的引用文件,其随后所有的修改单(不包括勘误的内容)或修订版均不适用于本标准,然而,鼓励根据本标准达成协议的各方研究是否可使用这些文件的最新版本鼠是不注日期的引用文件,其最新版本适用于本标准。加工的基本参数第1部分刀真红作部贫的几何参数ISO 3002-1:1982切削和
语、基准坐标系、刀具角度和
3代号
镗刀杆的代号GB
4尺寸
通用尺寸
见图1和表
hz =d/2
m=f+d/2
柄部直径
柄部长度
镗孔的最小直径
军角度、断屑量
优先系列
其次系列
129pa150
注:柄上可制出一个或多个削平面,由制造厂自定。4.2尺寸1和f的规定
適用术
单位为毫米
4.2.1长度尺寸1是指基准点K(见图2至图5)到刀柄末端的距离;尺寸f是指基准点K和镗刀杆轴线之间的距离。
4.1中规定的尺寸1和于,是指装有符合4.2.3规定的刀尖圆弧半径的基准刀片的键刀杆。GB/T20335—-2006/ISO5609:19984.2.2基准点K的定义:
符合ISO3002-1;1982规定,并通过主切削刃上选定点(如主切削刃和内切圆的切点)的平面P:(假定工作平面)和平面P(主切削平面)。当K≤90°时,基准点K是P平面与相切于刀尖圆弧半径,且包含前刀面A,并平行于平面Pfa)
的平面的交点(见图2和图3)。当k,>90°时,基准点K是相切于刀尖圆孤半径,且平行于P,的乎面与相切于刀尖圆弧半径,b)
并包含前刀面A,且垂直于P的平面的交点(见图4和图5)。4.2.3用于定义尺寸1和于的基准刀片的刀尖圆弧半径r是刀片内切圆直径的函数值,见表2。表2
内切圆直径
刀尖圆弧半径(公称值)
4.2.4镗刀杆可以安装尺寸符合第5章中规定的任意刀尖圆孤半径r。的刀片。15.875
单位为毫米
刀尖圆弧半径r不同于4.2.3的规定时,尺寸1和f必须用和值进行修正,和值是指基推点K到理论刀尖T的距离(见图2至图5)。新的尺寸1和了用符合4.2.3规定的刀尖圆孤半径或用实际的刀尖圆弧半径对应的和值进行修正。
中内切面
K,>90°
中内切圆
>90″
中内切圆
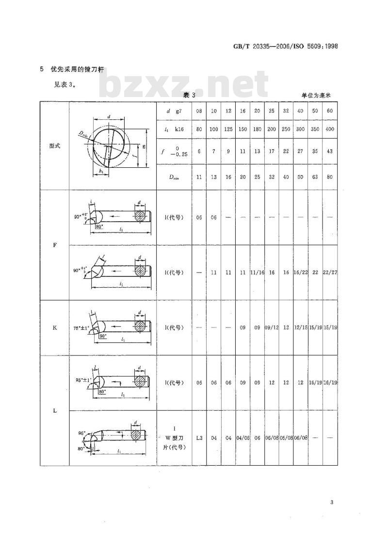
5优先采用的镗刀杆
见表3。
75°±1
代号)
代号)
(代号)
(代号)
W型刀
片(代号)
GB/T 20335--2006/1S0 5609:1998单位为毫米
1111/1616
1616/22
2222/27
09/1212
12/1515/1915/19
06/0806/0806/08
16/1916/19
GB/T 20335--2006/ISO 5609:1998107.5*±1'
107.5°±1
93'±1°
表3(续)
(代号)
单位为毫米
[11/1511/15
11/1313/16
11/1511/1515
15/1915/19
参考文献
GB/T20335--2006/IS05609:1998[1GB/T20336装可转位刀片的刀杆(圆柱形)代号(GB/T20336—2006,ISO6261:1995,IDT)
[2] ISO 883:1985, Indexable hardmetal (carbide) inserts with rounded corners, without fixinghole Dimensions.
[31 ISO 3364:1997, Indexable hardmetal (carbide) inserts with rounded corners, with cylindricalfixing hole Dimensions.
[4] ISO 6987:1998, Indexable hard material inserts with 1ounded corners, with partly cylindricalfixing hole - Dimensions.
GB/T 20335-2006
中华人民共和国
国家标准
装可转位刀片的镗刀杆(圆柱形)尺寸
GB/T20335—2006/ISO5609:1998*
中国标出版社出版发行
北京复兴门外三里河北街16号
邮政编码:100045
网址 bzcbs.com
电话:6852394668517548
中国标雅出版杜秦皇岛印刷厂印刷各地新华书店经销
开本880X12301/16印张0.75字数10千字2007年1月第一版 2007年1月第一次印刷书号:155066-1-28633定价10.00元由本社发行中心调换
如有印装差错
版权专有侵权必究
举报电话:(010)68533533
小提示:此标准内容仅展示完整标准里的部分截取内容,若需要完整标准请到上方自行免费下载完整标准文档。
中华人民共和国国家标准
GB/T 20335--2006/ISO 5609:1998装可转位刀片的镗刀杆(圆柱形)尺寸
Boring bars (tool holders with cylindrical shank) for indexable inserts-Dimensions
(ISO 5609:1998,Boring bars for indexable insertsDimensions,IDT)2006-07-20发布
中华人民共和国国家质量监督检验检疫总局中国国家标准化管理委员会
2007-01-01实施
本标准等同采用ISO5609:1998《装可转位刀片的镗刀杆本标准等同翻译ISO5609:1998。为便于使用,本标准做了下列编辑性修改:用小数点“,”代替作为小数点的逗号“,”,用“本标准”代替“本国际标准”;—将资料性附录A作为参考文献;一删除了国际标准前言;
用采用国际标准的我国标推代替对应的国际标准。本标准由中国机械工业联合会提出。本标雅由全国刀具标准化技术委贯会归口。本标准主要起草单位:成都工具研究所。本标准主要起草人:樊瑾。
GB/T 20335--2006/ISO 5609:1998尺寸》(英文版)。
1范围
GB/T20335—2006/IS05609:1998装可转位刀片的镗刀杆(圆柱形)尺寸wwW.bzxz.Net
本标规定了装可转位刀片的整体钢制圆柱形镗刀杆的通用尺寸,并规定了优先采用的镗刀杆。2规范性引用文件
下列文件中的条款通过本标准的用而成为本标准的条款。亢暴注日期的引用文件,其随后所有的修改单(不包括勘误的内容)或修订版均不适用于本标准,然而,鼓励根据本标准达成协议的各方研究是否可使用这些文件的最新版本鼠是不注日期的引用文件,其最新版本适用于本标准。加工的基本参数第1部分刀真红作部贫的几何参数ISO 3002-1:1982切削和
语、基准坐标系、刀具角度和
3代号
镗刀杆的代号GB
4尺寸
通用尺寸
见图1和表
hz =d/2
m=f+d/2
柄部直径
柄部长度
镗孔的最小直径
军角度、断屑量
优先系列
其次系列
129pa150
注:柄上可制出一个或多个削平面,由制造厂自定。4.2尺寸1和f的规定
適用术
单位为毫米
4.2.1长度尺寸1是指基准点K(见图2至图5)到刀柄末端的距离;尺寸f是指基准点K和镗刀杆轴线之间的距离。
4.1中规定的尺寸1和于,是指装有符合4.2.3规定的刀尖圆弧半径的基准刀片的键刀杆。GB/T20335—-2006/ISO5609:19984.2.2基准点K的定义:
符合ISO3002-1;1982规定,并通过主切削刃上选定点(如主切削刃和内切圆的切点)的平面P:(假定工作平面)和平面P(主切削平面)。当K≤90°时,基准点K是P平面与相切于刀尖圆弧半径,且包含前刀面A,并平行于平面Pfa)
的平面的交点(见图2和图3)。当k,>90°时,基准点K是相切于刀尖圆孤半径,且平行于P,的乎面与相切于刀尖圆弧半径,b)
并包含前刀面A,且垂直于P的平面的交点(见图4和图5)。4.2.3用于定义尺寸1和于的基准刀片的刀尖圆弧半径r是刀片内切圆直径的函数值,见表2。表2
内切圆直径
刀尖圆弧半径(公称值)
4.2.4镗刀杆可以安装尺寸符合第5章中规定的任意刀尖圆孤半径r。的刀片。15.875
单位为毫米
刀尖圆弧半径r不同于4.2.3的规定时,尺寸1和f必须用和值进行修正,和值是指基推点K到理论刀尖T的距离(见图2至图5)。新的尺寸1和了用符合4.2.3规定的刀尖圆孤半径或用实际的刀尖圆弧半径对应的和值进行修正。
中内切面
K,>90°
中内切圆
>90″
中内切圆
5优先采用的镗刀杆
见表3。
75°±1
代号)
代号)
(代号)
(代号)
W型刀
片(代号)
GB/T 20335--2006/1S0 5609:1998单位为毫米
1111/1616
1616/22
2222/27
09/1212
12/1515/1915/19
06/0806/0806/08
16/1916/19
GB/T 20335--2006/ISO 5609:1998107.5*±1'
107.5°±1
93'±1°
表3(续)
(代号)
单位为毫米
[11/1511/15
11/1313/16
11/1511/1515
15/1915/19
参考文献
GB/T20335--2006/IS05609:1998[1GB/T20336装可转位刀片的刀杆(圆柱形)代号(GB/T20336—2006,ISO6261:1995,IDT)
[2] ISO 883:1985, Indexable hardmetal (carbide) inserts with rounded corners, without fixinghole Dimensions.
[31 ISO 3364:1997, Indexable hardmetal (carbide) inserts with rounded corners, with cylindricalfixing hole Dimensions.
[4] ISO 6987:1998, Indexable hard material inserts with 1ounded corners, with partly cylindricalfixing hole - Dimensions.
GB/T 20335-2006
中华人民共和国
国家标准
装可转位刀片的镗刀杆(圆柱形)尺寸
GB/T20335—2006/ISO5609:1998*
中国标出版社出版发行
北京复兴门外三里河北街16号
邮政编码:100045
网址 bzcbs.com
电话:6852394668517548
中国标雅出版杜秦皇岛印刷厂印刷各地新华书店经销
开本880X12301/16印张0.75字数10千字2007年1月第一版 2007年1月第一次印刷书号:155066-1-28633定价10.00元由本社发行中心调换
如有印装差错
版权专有侵权必究
举报电话:(010)68533533
小提示:此标准内容仅展示完整标准里的部分截取内容,若需要完整标准请到上方自行免费下载完整标准文档。
标准图片预览:





- 热门标准
- 国家标准(GB)
- GB/T2828.1-2012 计数抽样检验程序 第1部分:按接收质量限(AQL)检索的逐批检验抽样计划
- GB/T3836.1-2021 爆炸性环境 第1部分:设备 通用要求
- GB/T12949-1991 滑动轴承覆有减摩塑料层的双金属轴套
- GB/T18204.4-2000 公共场所毛巾、床上卧具微生物检验方法细菌总数测定
- GB/T23892.3-2009 滑动轴承 稳态条件下流体动压可倾瓦块止推轴承 第3部分:可倾瓦块止推轴承计算的许用值
- GB/T11839-1989 二氧化铀芯块中硼的测定 姜黄素萃取光度法
- GB/T6122.1-2002 圆角铣刀 第1部分:型式和尺寸
- GB/T7433-1987 对称电缆载波通信系统抗无线电广播和通信干扰的指标
- GB/T21238-2007 玻璃纤维增强塑料夹砂管
- GB/T9124.1-2019 钢制管法兰 第1部分:PN 系列
- GB50303-2015 建筑电气工程施工质量验收规范
- GB17945-2024 消防应急照明和疏散指示系统
- GB/T24974—2010 收费用手动栏杆
- GB/T9239-1988 刚性转子平衡品质 许用不平衡的确定
- GB/T15917.3-1995 金属镝及氧化镝化学分析方法 对氯苯基荧光酮--溴化十六烷基三甲基胺分光光度法测定钽量
- 行业新闻
请牢记:“bzxz.net”即是“标准下载”四个汉字汉语拼音首字母与国际顶级域名“.net”的组合。 ©2025 标准下载网 www.bzxz.net 本站邮件:bzxznet@163.com
网站备案号:湘ICP备2025141790号-2
网站备案号:湘ICP备2025141790号-2