- 您的位置:
- 标准下载网 >>
- 标准分类 >>
- 电子行业标准(SJ) >>
- SJ/T 10390-1993 铝电解电容器用引出线
标准号:
SJ/T 10390-1993
标准名称:
铝电解电容器用引出线
标准类别:
电子行业标准(SJ)
标准状态:
现行-
发布日期:
1993-09-28 -
实施日期:
1994-01-01 出版语种:
简体中文下载格式:
.rar.pdf下载大小:
665.40 KB
中标分类号:
医药、卫生、劳动保护>>医药、卫生、劳动保护综合>>C01技术管理
部分标准内容:
中华人民共和国电子行业标准
SJ/T10390--93
铝电解电容器用引出线
Lead for aluminium electrolytic capacitors1993-09-28发布
1994-01-01实施
中华人民共和国电子工业部
中华人民共和国电子行业标准
铝电解电容器用引出线
Lead for aluminium electrolytic capacitors主题内容与适用范围
1.1主题内容
SJ/T10390—93
本标准规定了铝电解电容器用引出线的技术要求、试验方法、检验规则及标志、包装、运输和贮存。
1.2适用范围
本标准适用于铝电解电容器用引出线(以下简称引出线)。2
引用标准
GB1958
GB2423.28
GB2423:32
GB2828
GB2829
GB3190
SJ2421
3产品分类
包装储运图示标志
化学试剂杂质标准溶液配制方法形状和位置公差检测规定
电工电子产品基本环境试验规程试验T:锡焊试验方法电工电子产品基本环境试验规程润湿称量法可焊性试验方法逐批检查计数抽样程序及抽样表(适用于连续批的检查)周期检查计数抽样程序及抽样表(适用于生产过程稳定性的检查)铝及铝合金加工产品的化学成分电子元器件用镀锡铜包钢线
铝合金化学分析方法
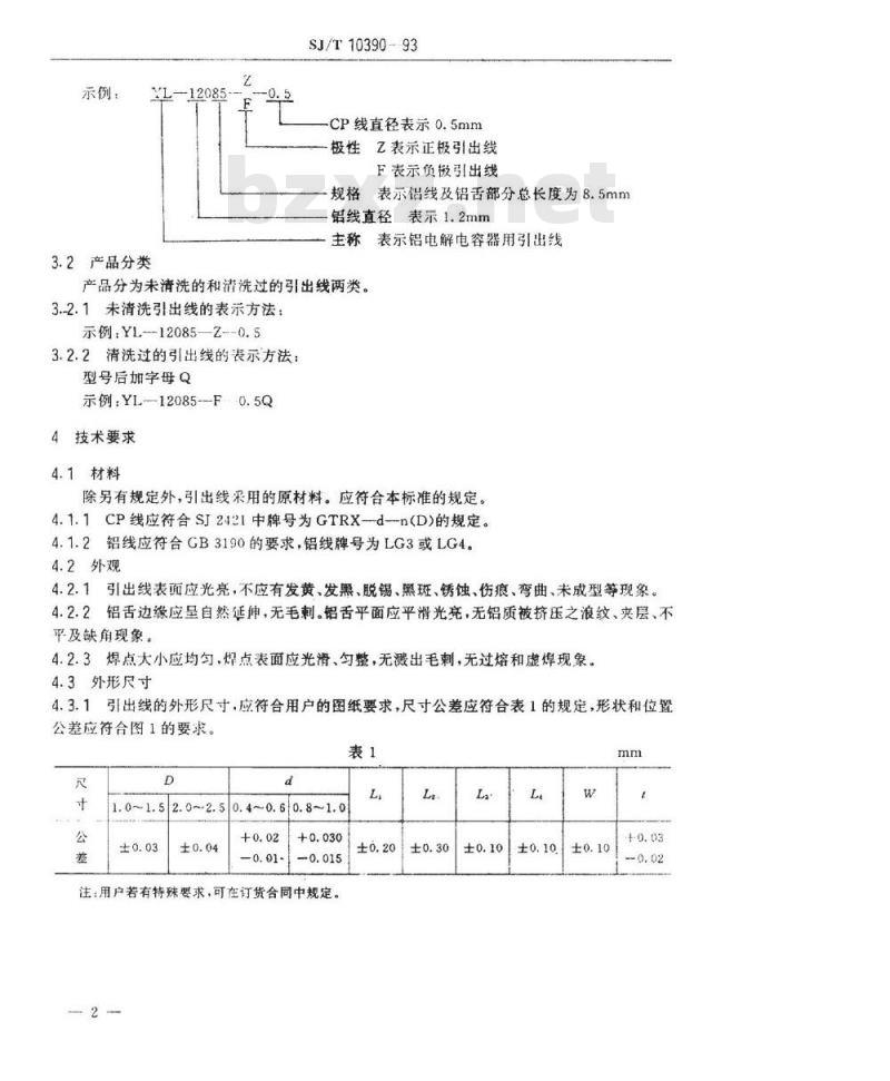
3.1引出线的型号由主称、铝线直径、规格。极性和CP线直径共五个部分组成。组成示例如下
中华人民共和国电子工业部1993-09-28批准1994-01-01实施
示例:
YL-12085
3.2产品分类
SJ/T10390-93
CP线直径表示0.5mm
极性乙表示正极引出线
F表示负极引出线
规格表示铝线及铝舌部分总长度为8.5mm铝线直径表示1.2mm
主称表示铝电解电容器用引出线产品分为未清洗的和清洗过的引出线两类。3.-2.1未清洗引出线的表示方法:示例:YL--12085—Z--0.5
3.2.2清洗过的引出线的表示方法:型号后加字母Q
示例:YL12085--F:0.5Q
4技术要求
4.1材料
除另有规定外,引出线采用的原材料。应符合本标准的规定。4.1.1CP线应符合SJ2421中牌号为GTRX-d-n(D)的规定。4.1.2铝线应符合GB3190的要求,铝线牌号为LG3或LG4。4.2外观
4.2.1引出线表面应光亮,不应有发黄、发黑、脱锡、黑斑、锈蚀、伤痕、弯曲、未成型等现象。4.2.2铝舌边缘应呈自然延伸,无毛刺。铝舌平面应平滑光亮,无铝质被挤压之浪纹、夹层、不平及缺角现象。
4.2.3焊点大小应均匀,焊点表面应光滑、匀整,无溅出毛刺,无过熔和虚焊现象。4.3外形尺寸
4.3.1引出线的外形尺寸应符合用户的图纸要求,尺寸公差应符合表1的规定,形状和位置公差应符合图1的要求。
52.0~2.50.4~0.60.8~1.0
注:用户若有特殊要求,可在订货合同中规定。±0.20
4.3.2铝舌顶端形状为圆角
SJ/T1039093
4.3.3CP线和铝线焊点的外径不得大于铝线直径4.4抗拉强度
CP线和铝线焊点应牢固、强韧、耐拉,在持续时间为10士1s,其直线抗拉强度和在弯曲90°状态下的真角抗拉强度应符合表2的要求,在规定负葡作用下,煤点应无脱落及CP线被拉渐等现象。
铝线直径XCP线直径
1.0×0.45
1.2×0.50
1.5×0.60
2.0×0.80
2.5×1.00
直线抗拉强度负荷
直角抗拉强度负摄
4.5弯曲强度
SJ/T10390--93
引出线的弯曲强度,按3规定的负荷应能承受二个周期的试验,焊点不应脱落,CP线不应断裂。
铭线直径×CP线直径
1.0×0.40
1.2×0.50
1.5×0.60
2.0×0.60
2.0×0.80
2.5×1.00
4.6可焊性
用焊槽法或润湿称量法进行可焊性试验,CP线端距焊点3mm。引出线应具有良好的可焊性。
当对检测结果有争议时,润湿称量法为仲载试验方法。焊槽法:
态:浸溃时间2.0土0.5s
加速老化:在155℃条件下做16h高温试验浸渍时间3.0±0.5s
引出线表面易于被熔融焊料润湿,经锡焊试验后95%以上的浸渍面积应被焊锡均匀覆盖。
润湿称量法:
态:润湿力大于或等于50%理论润湿力润湿开始时间:
CP线直径小于0.8mm不超过1.2s为合格CP线直径大于或等于0.8mm不超过1.4s为合格加速老化:在155℃条件下做16h高温试验:润湿力大于或等于35%理论润湿力4.7清洗过的引出线
4.7.1引出线质量应符合4.1~4.6条技术要求。4.7.2引出线表面应光洁、无油污。4.7.3引出线表面氯离子含量应不大于1×10-64.7.4引出线表面硫酸根离子含量应不大于3×10-。5试验方法
5.1试验条件
SJ/T10390-93
凡本标准中没有特别规定,则所有试验均应在温度为15~35℃,相对湿度为45%~75%,大气压力为86106kPa正常的试验大气条件下进行。5.2铝线化学成分的分析
铝线的化学成分分析方法按YB788规定进行,应符合4.1条有关规定。5.3外观质量检验
用目测法检验,应符合4.2条规定。5.4外形尺寸检验
5.4.1用精度为0.02mm的游标卡尺寸及精度为0.01mm的干分卡尺或同等精度的其他量具进行检验,应符合4.3.1条规定。5.4.2用光学投影仪检测形状和位置公差及焊点应符合4.3条规定。当对检测结果有争议时,仲载方法按GB1958。5.5抗拉强度分直线抗拉强度和直角抗拉强度,按下列步骤进行。5.5.1直线抗拉强度
5.5.1.1将夹具按图2(a)所示,固定引出线的铝线部位。图2
5.5.1.2沿着试样的轴向按表2的规定施加标准负荷。5.5.2真角抗位强度
5.5.2.1将夹具按图2(b)所示,固定引出线铝线部位。5.5.2.2将引出线的CP线弯曲90%。以不损伤焊点为原则。5.5.2.3沿着试样的轴向按表2的规定施加标准负荷。5.5.3周测引出线应符台4.4条规定。5.6弯曲强度按下列步骤进行。
5.6.1按图3将引出线的铝线部位置夹具中间。SJ/T10390—93
5.6.2沿着试样的轴向按表3的规定施加标准负荷,从弯曲90°然后复原,朝相反方向弯曲至90再复原,作为一个周期,(即按图3中的1、2、3、4示意步骤操作为一个周期,如此操作个周期约10s)。应能承受二个周期的试验。5.6.3目测引出线,应符合4.5条规定。5.7可焊性试验按下列步骤进行。5.7.1清洗过的引出线供可焊性试验时,试样不应被手指接触或其他污染,进行可焊性试验前,试样不再进行清洁处理。
5.7.2所用焊剂应符合GB2423.28附录C非活性焊剂的规定。5.7.3加速老化按GB2423.28老化试验3进行,老化试验结束后,试验样品在正常的试验大气条件下,放置不少于2h,不超过24h。5.7.4焊槽法
按GB2423.28试验Ta方法1进行,焊槽温度235+5℃。漫入深度:CP线端距焊点3mm以内,试验后用4~10倍放大镜观察浸溃面,焊锡润湿情况应符合4.6条有关规定。5.7.5润湿称量法
5.7.5.1按GB2423.32润湿称量法可焊性试验方法进行。5.7.5.2试验样品以20士5mm/s的速度浸溃到熔融焊料中去,润湿时间3s,浸渍时间持续5s,漫溃深度3mm,再以20±5mm/s的速度取出。5.8清洗过的引出线
5.8.1光洁、无油污的检验方法
将引出线铝舌二端置于红黑水里,取出后立即把试验样品垂直坚立在清洁滤纸上1~5s,观察浸入部分,红墨水应均匀包围引出线表面为合格。5.8.2氯离子含量的分析方法
5.8.2.11×10-6氯化钠标准溶液按GB602规定进行配制。5.8.2.2任意取正负极引出线10g,置于100mL、100℃的重蒸馏水中煮10min后,冷却至室SJ/T10390—93
温,移取浸出液25mL。置于-比色管中,另一比色管置氮化钠标准液25mL。5.8.2.3.在上述两支双色管中,分别先加入1mL10%的硝酸溶液,再加入1mL0.1mo/l.,硝酸银溶液,并摇匀,再将两支比色管置于比色箱内进行比色,当标准溶液的颜色深于浸出液时,则试样的氯离子含量小于-1×10-65.8.3硫酸根离子含量的分析方法5.8.3.13×10-*的硫酸钠标准溶液按GB602规定进行配制。5.8.3.2任意取正负极引出线10g,置于100mL、100℃的重蒸馏水中煮10min后,冷却至室温,移取浸出液25mL,置于.一比色管中,另比色管置硫酸钠标准25mL。5.8.3.3在上述两支比色管中,分别先加入1mL50%的冰艺酸,再加入1mL10%的氯化锁溶液的颜色深于浸出液时,则试样的硫酸根离子含量小于3×10-6。6检验规则
引出线的检验分为鉴定检验和质量一致性检验。6.1鉴定检验
鉴定检验是对同一型号若于规格的样品进行一系列完整的检验,其目的在F确定制造厂是否有能力生产符合本技术条件规定的产品。6.1.1鉴定检验应在上级主管部门指定的单位进行,并在更改材料时也需进行,所用样品是按正常工艺及设备生产的产品。6.1.2鉴定检验的顺序按表4规定,全部样品应先经“0”组检验合格后,再进行1组、2组的检验。对未清洗的引出线可不进行1组检验。表4
外形尺寸
抗拉强度
弯曲强度
可焊性(常态)
表面光洁无油污
氮离子含量
硫酸根离子含量
铝丝化学成分
可焊性(加速老化)
技术要求
条文号
试验方法
条文号
样品数目
按5.8.2条规定
按5.8.3条规定
按5.2条规定
6.1.3当允许不合格品数不超过表4规定时,则鉴定检验合格。6.1.4经过鉴定检验的样品不得作为成品交货。6.2质量一致性检验
台格判据
(允许不合格品数)
符合4.7.3条要求
符台4.7.3条要求
符合4.1.2条要求
SJ/T10390—93
引出线的质量一致性检验分为逐批检验和周期检验,订货方有权按本标准的规定对产品进行验收。
6.2.1检验批
一个检验批应由生产条件基本相同(指材料、工艺、设备等)同型号、同规格的一个生产批或几个连续生产批构成,并次提交检验的产品构成一批,若干个连续生产批合并成一二个检验批的时间,不得超过一周。
6.2.2逐批检验
6.2.2.1引出线的逐批检验的抽样方案应符合GB2828的正常检查一次抽样方案的规定进行。
6.2.2.2对清洗过的引出线逐批检验的项目、顺序、检查水平IL,合格质量水AQL值,应符合表5的规定。对未清洗的别出线,可只进行表5中的1~5项检验。表5
外形尺寸
弯曲强度
可焊性(常态)
表面光洁无油污
紅离子含题bZxz.net
硫酸根离子含量
技术要求
茶文号
试验方法
条文号
按5.8.2条规定
按5.8.3条规定
符合4.7.3条规定
符合4.7.4条规定
6.2.2.3逐批检验任何一组不合格时,应对该产品检验批进行100%挑剔,挑剔后的产品可群次提空验收。供此时应采用GB2828加严检验一次抽样方案的规定进行,并注明为复验批,若再汽是交的产品仍不合格,则该检验批产品退回制造车间,不得再次提交验收,此时应分析源因,提出改进措施和对该检验批的处理方法。6.2.3周期检验
6.2.3.1周期应骗由输!质量检验部门3个月进行一次,并在产品停产一个月以上恢复生产,安车更改结构·主要及主要原材料附.也需进行。经过周期检验的样品不得作为产品交货,周期检验的报告根据订货方的需要予以提供。52.3.2周期格验的样品.应从本周期内生产的一个或几个检验批中随机抽取样品按6.2.2的现准进行送批检验,格验合格后,按表6规定抽取新的样品,进行铝线化学成分的分析和准老化后的间焊性试验,
6.2.3.3期检验抽样1应符含B2829一次抽样方案的规定,判别水平IL,不合格质量承RQL,推品数应符台表6的规定,合格判定数AC取0.不合格判定数Re取1。E.2.3.4周期检验,者不台格产品数日超过表6规定,则周期检验为不合格。5.2.3.5若周期检验不合络,期次周期内的产品立即停止逐批检验,已出厂的产品,应通知使8
铝丝化学成分
可焊性
(加速老化)
技术要求条文号
SJ/T10390--93
试验方法条文号
判别水平
不合格质量水平
符合4.1条规定
样品数
按YB788
用方,出供需双方协商解决,此时应分析原因,提出处理办法,并在生产中采取措施,直至新的周期检验合格后才能恢复逐批检验。7标志、包装、运输、贮存
7.1标志
在订货合同中:引出线的标志山型号及本标准编号组成。7.2包装
7.2.1引出线应整齐装在具自防潮能力的纸盒内。盒内应装入同批次,同一规格的产品,包装盒上应有合格证,合格证上应注明:a.
产品名称及型号:
数量;
生产批号:
检验部门印记;
制造厂名称和商标。
装有引出线的纸盒,应放在干燥并能防潮、防尘、防辑的包装箱内,包装盒在包装箱内7.2.2
应塞紧而不松动。
7.2.3包装箱应播牢,包装箱上应附有产品标志和名称、规格型号、数量、制造厂名称和商标,产品标准代号,并应标上“防湿”“防磅”标志。7.3运输
经包装好的产品,可以用任何运输工具运输,在运输过程中,避免雨(雪)的直接淋袭,应小心轻放,防止机械磁撞。
7.4贮存
7.4.1产品应在环境温度为,10~+10(,排对呢度不大下80%、周围空气中没有酸性,碱性或其它腐蚀性气体的库房内贮存。7.4.2产品存期不超过一年,存期从发货之日起进行计算。7.4.3存期内,对产品的可焊性有异议时,可按4.6条加速老化后的要求进行检验,试验样品可在有机溶剂中进行清洗,
附加说明:
本标准由电子工业部标准化研究所归口。本标准由江苏省南通市电子专用配件厂负责起草。本标准主要起草人:周锦华、施印国、穆消泉、化凡。
小提示:此标准内容仅展示完整标准里的部分截取内容,若需要完整标准请到上方自行免费下载完整标准文档。
SJ/T10390--93
铝电解电容器用引出线
Lead for aluminium electrolytic capacitors1993-09-28发布
1994-01-01实施
中华人民共和国电子工业部
中华人民共和国电子行业标准
铝电解电容器用引出线
Lead for aluminium electrolytic capacitors主题内容与适用范围
1.1主题内容
SJ/T10390—93
本标准规定了铝电解电容器用引出线的技术要求、试验方法、检验规则及标志、包装、运输和贮存。
1.2适用范围
本标准适用于铝电解电容器用引出线(以下简称引出线)。2
引用标准
GB1958
GB2423.28
GB2423:32
GB2828
GB2829
GB3190
SJ2421
3产品分类
包装储运图示标志
化学试剂杂质标准溶液配制方法形状和位置公差检测规定
电工电子产品基本环境试验规程试验T:锡焊试验方法电工电子产品基本环境试验规程润湿称量法可焊性试验方法逐批检查计数抽样程序及抽样表(适用于连续批的检查)周期检查计数抽样程序及抽样表(适用于生产过程稳定性的检查)铝及铝合金加工产品的化学成分电子元器件用镀锡铜包钢线
铝合金化学分析方法
3.1引出线的型号由主称、铝线直径、规格。极性和CP线直径共五个部分组成。组成示例如下
中华人民共和国电子工业部1993-09-28批准1994-01-01实施
示例:
YL-12085
3.2产品分类
SJ/T10390-93
CP线直径表示0.5mm
极性乙表示正极引出线
F表示负极引出线
规格表示铝线及铝舌部分总长度为8.5mm铝线直径表示1.2mm
主称表示铝电解电容器用引出线产品分为未清洗的和清洗过的引出线两类。3.-2.1未清洗引出线的表示方法:示例:YL--12085—Z--0.5
3.2.2清洗过的引出线的表示方法:型号后加字母Q
示例:YL12085--F:0.5Q
4技术要求
4.1材料
除另有规定外,引出线采用的原材料。应符合本标准的规定。4.1.1CP线应符合SJ2421中牌号为GTRX-d-n(D)的规定。4.1.2铝线应符合GB3190的要求,铝线牌号为LG3或LG4。4.2外观
4.2.1引出线表面应光亮,不应有发黄、发黑、脱锡、黑斑、锈蚀、伤痕、弯曲、未成型等现象。4.2.2铝舌边缘应呈自然延伸,无毛刺。铝舌平面应平滑光亮,无铝质被挤压之浪纹、夹层、不平及缺角现象。
4.2.3焊点大小应均匀,焊点表面应光滑、匀整,无溅出毛刺,无过熔和虚焊现象。4.3外形尺寸
4.3.1引出线的外形尺寸应符合用户的图纸要求,尺寸公差应符合表1的规定,形状和位置公差应符合图1的要求。
52.0~2.50.4~0.60.8~1.0
注:用户若有特殊要求,可在订货合同中规定。±0.20
4.3.2铝舌顶端形状为圆角
SJ/T1039093
4.3.3CP线和铝线焊点的外径不得大于铝线直径4.4抗拉强度
CP线和铝线焊点应牢固、强韧、耐拉,在持续时间为10士1s,其直线抗拉强度和在弯曲90°状态下的真角抗拉强度应符合表2的要求,在规定负葡作用下,煤点应无脱落及CP线被拉渐等现象。
铝线直径XCP线直径
1.0×0.45
1.2×0.50
1.5×0.60
2.0×0.80
2.5×1.00
直线抗拉强度负荷
直角抗拉强度负摄
4.5弯曲强度
SJ/T10390--93
引出线的弯曲强度,按3规定的负荷应能承受二个周期的试验,焊点不应脱落,CP线不应断裂。
铭线直径×CP线直径
1.0×0.40
1.2×0.50
1.5×0.60
2.0×0.60
2.0×0.80
2.5×1.00
4.6可焊性
用焊槽法或润湿称量法进行可焊性试验,CP线端距焊点3mm。引出线应具有良好的可焊性。
当对检测结果有争议时,润湿称量法为仲载试验方法。焊槽法:
态:浸溃时间2.0土0.5s
加速老化:在155℃条件下做16h高温试验浸渍时间3.0±0.5s
引出线表面易于被熔融焊料润湿,经锡焊试验后95%以上的浸渍面积应被焊锡均匀覆盖。
润湿称量法:
态:润湿力大于或等于50%理论润湿力润湿开始时间:
CP线直径小于0.8mm不超过1.2s为合格CP线直径大于或等于0.8mm不超过1.4s为合格加速老化:在155℃条件下做16h高温试验:润湿力大于或等于35%理论润湿力4.7清洗过的引出线
4.7.1引出线质量应符合4.1~4.6条技术要求。4.7.2引出线表面应光洁、无油污。4.7.3引出线表面氯离子含量应不大于1×10-64.7.4引出线表面硫酸根离子含量应不大于3×10-。5试验方法
5.1试验条件
SJ/T10390-93
凡本标准中没有特别规定,则所有试验均应在温度为15~35℃,相对湿度为45%~75%,大气压力为86106kPa正常的试验大气条件下进行。5.2铝线化学成分的分析
铝线的化学成分分析方法按YB788规定进行,应符合4.1条有关规定。5.3外观质量检验
用目测法检验,应符合4.2条规定。5.4外形尺寸检验
5.4.1用精度为0.02mm的游标卡尺寸及精度为0.01mm的干分卡尺或同等精度的其他量具进行检验,应符合4.3.1条规定。5.4.2用光学投影仪检测形状和位置公差及焊点应符合4.3条规定。当对检测结果有争议时,仲载方法按GB1958。5.5抗拉强度分直线抗拉强度和直角抗拉强度,按下列步骤进行。5.5.1直线抗拉强度
5.5.1.1将夹具按图2(a)所示,固定引出线的铝线部位。图2
5.5.1.2沿着试样的轴向按表2的规定施加标准负荷。5.5.2真角抗位强度
5.5.2.1将夹具按图2(b)所示,固定引出线铝线部位。5.5.2.2将引出线的CP线弯曲90%。以不损伤焊点为原则。5.5.2.3沿着试样的轴向按表2的规定施加标准负荷。5.5.3周测引出线应符台4.4条规定。5.6弯曲强度按下列步骤进行。
5.6.1按图3将引出线的铝线部位置夹具中间。SJ/T10390—93
5.6.2沿着试样的轴向按表3的规定施加标准负荷,从弯曲90°然后复原,朝相反方向弯曲至90再复原,作为一个周期,(即按图3中的1、2、3、4示意步骤操作为一个周期,如此操作个周期约10s)。应能承受二个周期的试验。5.6.3目测引出线,应符合4.5条规定。5.7可焊性试验按下列步骤进行。5.7.1清洗过的引出线供可焊性试验时,试样不应被手指接触或其他污染,进行可焊性试验前,试样不再进行清洁处理。
5.7.2所用焊剂应符合GB2423.28附录C非活性焊剂的规定。5.7.3加速老化按GB2423.28老化试验3进行,老化试验结束后,试验样品在正常的试验大气条件下,放置不少于2h,不超过24h。5.7.4焊槽法
按GB2423.28试验Ta方法1进行,焊槽温度235+5℃。漫入深度:CP线端距焊点3mm以内,试验后用4~10倍放大镜观察浸溃面,焊锡润湿情况应符合4.6条有关规定。5.7.5润湿称量法
5.7.5.1按GB2423.32润湿称量法可焊性试验方法进行。5.7.5.2试验样品以20士5mm/s的速度浸溃到熔融焊料中去,润湿时间3s,浸渍时间持续5s,漫溃深度3mm,再以20±5mm/s的速度取出。5.8清洗过的引出线
5.8.1光洁、无油污的检验方法
将引出线铝舌二端置于红黑水里,取出后立即把试验样品垂直坚立在清洁滤纸上1~5s,观察浸入部分,红墨水应均匀包围引出线表面为合格。5.8.2氯离子含量的分析方法
5.8.2.11×10-6氯化钠标准溶液按GB602规定进行配制。5.8.2.2任意取正负极引出线10g,置于100mL、100℃的重蒸馏水中煮10min后,冷却至室SJ/T10390—93
温,移取浸出液25mL。置于-比色管中,另一比色管置氮化钠标准液25mL。5.8.2.3.在上述两支双色管中,分别先加入1mL10%的硝酸溶液,再加入1mL0.1mo/l.,硝酸银溶液,并摇匀,再将两支比色管置于比色箱内进行比色,当标准溶液的颜色深于浸出液时,则试样的氯离子含量小于-1×10-65.8.3硫酸根离子含量的分析方法5.8.3.13×10-*的硫酸钠标准溶液按GB602规定进行配制。5.8.3.2任意取正负极引出线10g,置于100mL、100℃的重蒸馏水中煮10min后,冷却至室温,移取浸出液25mL,置于.一比色管中,另比色管置硫酸钠标准25mL。5.8.3.3在上述两支比色管中,分别先加入1mL50%的冰艺酸,再加入1mL10%的氯化锁溶液的颜色深于浸出液时,则试样的硫酸根离子含量小于3×10-6。6检验规则
引出线的检验分为鉴定检验和质量一致性检验。6.1鉴定检验
鉴定检验是对同一型号若于规格的样品进行一系列完整的检验,其目的在F确定制造厂是否有能力生产符合本技术条件规定的产品。6.1.1鉴定检验应在上级主管部门指定的单位进行,并在更改材料时也需进行,所用样品是按正常工艺及设备生产的产品。6.1.2鉴定检验的顺序按表4规定,全部样品应先经“0”组检验合格后,再进行1组、2组的检验。对未清洗的引出线可不进行1组检验。表4
外形尺寸
抗拉强度
弯曲强度
可焊性(常态)
表面光洁无油污
氮离子含量
硫酸根离子含量
铝丝化学成分
可焊性(加速老化)
技术要求
条文号
试验方法
条文号
样品数目
按5.8.2条规定
按5.8.3条规定
按5.2条规定
6.1.3当允许不合格品数不超过表4规定时,则鉴定检验合格。6.1.4经过鉴定检验的样品不得作为成品交货。6.2质量一致性检验
台格判据
(允许不合格品数)
符合4.7.3条要求
符台4.7.3条要求
符合4.1.2条要求
SJ/T10390—93
引出线的质量一致性检验分为逐批检验和周期检验,订货方有权按本标准的规定对产品进行验收。
6.2.1检验批
一个检验批应由生产条件基本相同(指材料、工艺、设备等)同型号、同规格的一个生产批或几个连续生产批构成,并次提交检验的产品构成一批,若干个连续生产批合并成一二个检验批的时间,不得超过一周。
6.2.2逐批检验
6.2.2.1引出线的逐批检验的抽样方案应符合GB2828的正常检查一次抽样方案的规定进行。
6.2.2.2对清洗过的引出线逐批检验的项目、顺序、检查水平IL,合格质量水AQL值,应符合表5的规定。对未清洗的别出线,可只进行表5中的1~5项检验。表5
外形尺寸
弯曲强度
可焊性(常态)
表面光洁无油污
紅离子含题bZxz.net
硫酸根离子含量
技术要求
茶文号
试验方法
条文号
按5.8.2条规定
按5.8.3条规定
符合4.7.3条规定
符合4.7.4条规定
6.2.2.3逐批检验任何一组不合格时,应对该产品检验批进行100%挑剔,挑剔后的产品可群次提空验收。供此时应采用GB2828加严检验一次抽样方案的规定进行,并注明为复验批,若再汽是交的产品仍不合格,则该检验批产品退回制造车间,不得再次提交验收,此时应分析源因,提出改进措施和对该检验批的处理方法。6.2.3周期检验
6.2.3.1周期应骗由输!质量检验部门3个月进行一次,并在产品停产一个月以上恢复生产,安车更改结构·主要及主要原材料附.也需进行。经过周期检验的样品不得作为产品交货,周期检验的报告根据订货方的需要予以提供。52.3.2周期格验的样品.应从本周期内生产的一个或几个检验批中随机抽取样品按6.2.2的现准进行送批检验,格验合格后,按表6规定抽取新的样品,进行铝线化学成分的分析和准老化后的间焊性试验,
6.2.3.3期检验抽样1应符含B2829一次抽样方案的规定,判别水平IL,不合格质量承RQL,推品数应符台表6的规定,合格判定数AC取0.不合格判定数Re取1。E.2.3.4周期检验,者不台格产品数日超过表6规定,则周期检验为不合格。5.2.3.5若周期检验不合络,期次周期内的产品立即停止逐批检验,已出厂的产品,应通知使8
铝丝化学成分
可焊性
(加速老化)
技术要求条文号
SJ/T10390--93
试验方法条文号
判别水平
不合格质量水平
符合4.1条规定
样品数
按YB788
用方,出供需双方协商解决,此时应分析原因,提出处理办法,并在生产中采取措施,直至新的周期检验合格后才能恢复逐批检验。7标志、包装、运输、贮存
7.1标志
在订货合同中:引出线的标志山型号及本标准编号组成。7.2包装
7.2.1引出线应整齐装在具自防潮能力的纸盒内。盒内应装入同批次,同一规格的产品,包装盒上应有合格证,合格证上应注明:a.
产品名称及型号:
数量;
生产批号:
检验部门印记;
制造厂名称和商标。
装有引出线的纸盒,应放在干燥并能防潮、防尘、防辑的包装箱内,包装盒在包装箱内7.2.2
应塞紧而不松动。
7.2.3包装箱应播牢,包装箱上应附有产品标志和名称、规格型号、数量、制造厂名称和商标,产品标准代号,并应标上“防湿”“防磅”标志。7.3运输
经包装好的产品,可以用任何运输工具运输,在运输过程中,避免雨(雪)的直接淋袭,应小心轻放,防止机械磁撞。
7.4贮存
7.4.1产品应在环境温度为,10~+10(,排对呢度不大下80%、周围空气中没有酸性,碱性或其它腐蚀性气体的库房内贮存。7.4.2产品存期不超过一年,存期从发货之日起进行计算。7.4.3存期内,对产品的可焊性有异议时,可按4.6条加速老化后的要求进行检验,试验样品可在有机溶剂中进行清洗,
附加说明:
本标准由电子工业部标准化研究所归口。本标准由江苏省南通市电子专用配件厂负责起草。本标准主要起草人:周锦华、施印国、穆消泉、化凡。
小提示:此标准内容仅展示完整标准里的部分截取内容,若需要完整标准请到上方自行免费下载完整标准文档。
标准图片预览:





- 其它标准
- 热门标准
- 电子行业标准(SJ)
- SJ50681.65-1994 TNC系列(接半硬电缆)插孔接触件法兰安装2级射频同轴插座连接器详细规范
- SJ/T11247-2001 永磁铁氧体瓦形磁体公差及外形缺陷
- SJ995-75 双动冲床引伸模 落料凹模 引伸凹模
- SJ20792-2000 微通道板光电倍增管测试方法
- SJ1807-1981 2CC120(122、124)~2CC420(422、424)型硅调谐变容二极管
- SJ1553-1980 测温型负温度系数热敏电阻器总技术条件
- SJ3234-1989 电子材料真空放气性能的动态测试方法
- SJ20897-2003 聚对二甲苯气相沉积涂敷工艺规范
- SJ/T1146-1993 电容器用有机薄膜体积电阻率试验方法
- SJ50681.70-1994 N系列(接41.28mm半硬电缆)插孔接触件2级射频同轴插头连接器详细规范
- SJ51428.9-2002 层绞式光缆详细规范
- SJ/T31049-1994 电瓶车完好要求和检查评定方法
- SJ/T10586.3-1994 DW-217型电子玻璃技术数据
- SJ/T10588.12-1994 DB-438型电子玻璃技术数据
- SJ/T10783-1996 电子器件详细规范 半导体集成电路CD7176CP伴音中频放大电路(可供认证用)
- 行业新闻
请牢记:“bzxz.net”即是“标准下载”四个汉字汉语拼音首字母与国际顶级域名“.net”的组合。 ©2025 标准下载网 www.bzxz.net 本站邮件:bzxznet@163.com
网站备案号:湘ICP备2025141790号-2
网站备案号:湘ICP备2025141790号-2