- 您的位置:
 - 标准下载网 >>
 - 标准分类 >>
 - 电力行业标准(DL) >>
 - DL/T 844-2003 l2 kV少维护户外配电开关设备通用技术条件
 
标准号:
DL/T 844-2003
标准名称:
l2 kV少维护户外配电开关设备通用技术条件
标准类别:
电力行业标准(DL)
标准状态:
现行- 
          	
发布日期:
2003-01-09 - 
		 
实施日期:
2003-06-01 出版语种:
简体中文下载格式:
.rar.pdf下载大小:
526.28 KB
点击下载
标准简介:
										 标准下载解压密码:www.bzxz.net
					 					 
						 
	        
	      本标准规定了12kV少维护户外配电开关设各使用条件、分类、额定参数、结构及控制装置配套要求、以及试验、包装和运输规范等内容。本标准适用于额定电压12kV,频率50Rz三相电力系统中户外使用的配电开关设备。 DL/T 844-2003 l2 kV少维护户外配电开关设备通用技术条件 DL/T844-2003
部分标准内容:
					
					DL/T 844
出十配电开关没备用量人,安获地点多在居民桐区,停电检像时间短,因此,这类于关设各具备高可性,少维护直牟免维护,同时还要求小型化、轻量化,荣成化以及满足环保要求,要达到以上要求:在开关设备的便用环境、选型、结构材物及配套装置等方面部必须满足严格的要求,任何外节出现问规都会影响整个配电系统的正常运行,日前,各部配电开关设务都已制订了相应的国款标准或行业标准,但对产品的可靠性尚缺乏严格科学的试验验证要求:另一好面,以往的标准中对声配网自动化系统中使用的开关段备和控制装置的配套试整缺乏明研的划定,致使开关设备和控制装置分别按照各自的标准进行试验合格的产品、在配您运行中出现问题。因此,本标准针对以上存在问题,在申明所有开关设备必须漏足现有相关标准的前湿下,若重对开关设备的使环境、逐型、钻构、材料及配套衰置提出要求。本标摊出国家电力公司发输运营部望出,本标准由鸟力行业商压开关设备标准化技术委员会归I。本标灌起草单位:中电力科学研究院、北京科税配电白动化有限公司。本标崔主要起草人:王承玉、顺宽鸿、袁人陪、张重乐。本标准委托力行业高压开关设各标准化技术委员会负支释释。1范围
Dt./ T 844 2003
12kV少维护户外配电开关设备通用技术条件木标准规定子12kV少扩户外配电开关设备使用条件、分美、额定参数、结构及控制装宽配套要求、以及试验、心激和运输规范等内案。本标性适用丁教定电压12kV,频率50H三相电力系中户外使用的配电十关设备,2规范性引用文性
下列文件中的条款通过本标准的引用而成为至标的条款。凡是注日期的引用文件,其随后所有的悠收单(不气括期误的内容)些修订版均不适生丁本标准,然而,效励根据本标准达成协发的各方妖究是否可使用这紫文件的量新版本。凡是不注日期的引用文件,其最新版本适用本标准。GB/T2423.1-200I电工电子产品环境试验第2第分:试验太法试验A,低温T)T正C60068-21:1993
GB/T2423.2-2UU1电工马子产品环境试验第2部分:试整方法试验B:尚温IDTEC60068 2 2:1974
GBT2423.4电T电了-产H基本环境试验规程试验Db:交变湿热试验方法以QV正C6D6B-230-8:1980
GB/T2423.18七土H产品环境试验第二部分:试验-试验Kb:盐等,交变(氢化钠落凌)IDT IEC 60068-2-52:1996
GB/T2423.22-1987电工电子产品基本环境试验规视试验N:益度变化试醛方法EQVIEC60068 2 14:1984
GB420R外克防扩等(IP代码)EQVEC529-1989GB/11U22高压开关设备和控制设备标涌的共间技术要求EQV[EC60694:1996GB/T11023高压开关设备六氧化殖气体密其试验方法DLT:593高压关设备的共生订货技术则e9V正C694:1803术落和定义
下列语和定义适用于本标性。
配电开关设备disuribuionywithgcars用十配电网系统中的高压开关类电器设备,3.2
少继学minimummaiatcnance
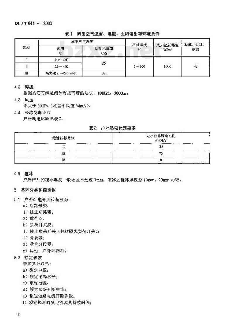
在正常运行二,设备不能解体维修、维护,即独加油、检查等维护同期也较常规设备延长。4正常使用环境条件
4.1周国环境条件
根据我国气候条件,对空*(治丧、湿度、太汀辐射等分二个级别、见表1,DL/TB44—2003
1周国空气温度、湿度,太阳辐射等环境条件空
-10~+40
-25~~±40
高发量:-45~+40
4.2海拨
H爱化范国
根据施要可满足两种海披高度的要求:[000m,3000m。4.3风压
不大于700Pa(当丁风34m/g)。公称爬电比距
户电比距见表2.
相对湿
5--100
囊2户外爬电比距要求
绝漆行我等势
4.5要冰
太明塑身射强度
地小公珠相电
广外产的冰厚度-胶地区不塑过1mml,单冰这覆述孕度公10mm,20mm两级,5基本分类和额定间
5.1户外配电开关投备分为:
a)断路器类,
[柱上断路券:
2)重合器。
b)负荷开关类:
【)柱上负荷并关(括离负荷升关):2)分段器:
3)重台分段器,
e)其3:户外环网。
5.2翻定零数
频定参数包拆:
a)额定电压:
6)额定绝缘水平:
C)额定电流:
d>额定短路开断电流,
)暂定短路电流开断次数:
f)颜定短对剧电流技其持续时间;2
、球、
区)额定路关会电统:
h)频定峰值耐孕电范;
额定探作电压;
)机毯定性次数:
)维扩周期(指正常运行条件下带要维护的量短时间间码5.2.1题定电压
5.2.2额定绝缝水平
应符合衣3的规定。
套3新定鲍错水平
冲许耐受电压
额定电k
对光、相间、断口
:拓号内李效是中性点接塘底续,5.2.3额定电流
40UA、63UA、BUUA、[250A:
5.2.4额定短踏升断电流
12.5kA.16kA20kA.25kA.
5.2.5额定短路电流开断次数
其空开关:不小丁30。
SF,开关:不小十20 次。
注:也按E2锐断路器。
85 :707
5.2.6题定短时耐爱电流及其持续时间电、相司、析口
干:42(30)
颜定短时耐受电流:[2.5kA16A、20kA、25kA。持续时闻:断路器、重价器为4s1所荷开关、分段器、审合分段器为23或43。5.2.7额定短路关合电流和额定值耐受电流上电电
kvArin
派,30130
DI.IT 844
于:49(26)
额定知路关全电随和频定峰值耐受电流购为其额定短时时受电流的25倍:5.2.8额走操作电压
DC:24V.48V、110V、220V.
AC: 110V. 220V.
储能电压:85%~1205额定电压下能正常运行。合电压,分、合闸线圈同电源:65%~120%额定电压于可靠操作:分,会闸线不电源:85%110%额定电止下可靠操作。公闸电压:65%~120%额定电压下可靠操1当电压小丁30%额定电压时不应脱证。2003
湿:36(36
注1,对于DC24V、4V扫换价电厂带用可用六协商制定:开要充分考进轴断关快点至化资感的影:2:来压自需普韦池作为电源,电池的伸用寿命应不小于B年,并具有自动杀,放电功能档3:重合器理作电压根据续路电压而定。DI.JT844
5.2.9机恢稳定性次数
真空开关类:10000、20000改。SF升关类:000。
5.2.10维护周期
5 年、10 年、15 守。
6结构及控制装重配套要求
配中开关设备除应合相应的国家标准、行业标准外,诊应满足以下要求,在灭亚结构上宜选用京空或SF。“体;在绝续结构上宜选用ST体、平燥气和其他烹合密续材料:特体站构密,保持开关中的绝缘部件和机件处于好的环境中,防上绝缘材料的老化和机件的锈蚀,提高设备的可窄。
6.1一般结构要求
6.1.1壳体
a)充体分为充气、密时,其弱护等级·不得低丁GB4208感定的IP54.)用SF。气体作为火弧介的并关设备,年漏气率成不大于1%:用SH,气体作为绝缘和防断露予质钓关设备,年得气率虑不大于3%,对于用干燥牢气和其他复合绝缘材料作为绝像介质的开关段密,应进行凝及污税试整。
c)壳本应其备防山锈蚀的有效措蓝,在10年内不心中函根可见诱斑。d!无体表面不成有可存水的引坑。心)卖本内应采取防上凝露的情施,以保证绝续性能良好。f》供娱吊用的品环位置,应使品品中的开关设备保持水平,吊链与任何部件(套管、探作手柄等之间不得力摩搬接触,邀免布吊装过程中划伤鞘体表面喷涂层。g)壳体应设置必要的搬运把手,避免退拉线套管。)壳件接地点的获触面来应满足要求,接遭露4的直径不得小于12mⅡ,热起点应标有“接地”字栏或其他接地符号。
1)壳休上应设登牢同的、可以清整暴的分、合位置指示器。如架是三共箱结构,壳件上应设置防止内部电弧故降的泄压装互:6.1.2机构
)机构Y寒用免维护的电磁机构(包括永久磁铁保持单电磁机均)和弹贫机构b机构应能够进行电动,手动堵能合阅、分操作,)机构应具有随磁跃装置
d)机构心装胃在防测,劳学、防锈的密封充体中,使用长效润消材料,达到红扩周期内免维护:)如采用非密片结构,则机牛应吾辨决防锈和消柑问题:)换动机构的良源T采月直流电源、变压器、哲电池或电空器。作变业器的高压侧可设告相应的保护熔断器:配念的变正馨和电流马感器的二次侧标称值见表4。表4变压器和电流互感器的二次侧标称值变压器标称值
二次侧电压
220. 110 (1003、48、24
250、1009、50
电流互滤等一次起范流标德值
6.1.3绝数片
IL/T8442003
开大设备力他用的纳缘材料必须乒备优良的抗老化生能成保护措施,深证20年的性皆稳定,表面距必须符合4.4中表2的要求。
6.1.4电压互感、电流互噬器
电压4.感器、电流万端器除进行常规试验外,还应达行同部放电测量,该测血在1.1许相电压下的放甲不人于10pC。
6.2真空开关
a)真空火弧室使用叶不能青接录露于外界环境:b)京牢灭室豹外绝续可采用低气山SF,“任,1螺空气或合给缘材料。B.3 NF,开关
)用S气保作为灭班介质的开关备,应设置能够显示内部气止的装贷,该装置应能够明实显示设名安全运行的气后范间:
b)应设置充、放行接7装置.
6.4开关设备刻无夕接隔高断口,则断门间的绝续水了应按隔高断口引鲶缘水平进行试缆,6.5控制装置配套要求
开关设备及其控制装其配装后应保证在各种1.况下止带L作。a)控制装置,本尺文防锈、防举、防需利抗老化性能,在使用期内保证准能的稳定,可非b)开失没备及其控制装置配装应有效地抗电磁:统:c)接制装置的便用存命应不小十10年。了型式试验
7.1型式试验准则
型式试验是为验证开关设备、操机构及控制装置及其业设备的性能是否达到定牛产的要求。型式试验拟告应包括有关产品的主要际件、控制装需的型号、规格和制造厂家名称等资料。7.2型式试验项目
对一用十少释护户外配电卡关设备控制装胃的开式试验项日不仅要根据各白的标准泄行型成试验,还成迟行下列项H的试验:
4>电能兼容七试验(EMC);
b)密封试整或防护等级试验
c)凝群及污秽试验。
用户可根据使用环境要求供起商进行下列相关试验:a)抵温试验:
h)高温试验
e)温度变化试验:
d)交变湿热试验:
)交变盐需试监。
7.3电磁兼容性试验(FMC)
按照0B厅11022中屯磁求容性试验(RMC)的地定进行试验。7.4密封试验或防护等级试验
7.4.1密封试验
按照GB行11023的规定步行试验。7.4.2防护等级试验
DI./T844 —2Q03
按照CB4208的规废进行试验。
7.5凝露及污试验
技照DT593中的规定进行试验,
7.6抵温试验
按CBT2423.1试验A山:数热试验样品温度渐变低温试验力法的规定进行。证酷程度:试验温度可从下列数值中选收:-,4。认验温度的充评偏差范围为土。升降滑速度不超过1K/min;保温时间度,48h:对控制装互适电(赖定值)2h,试验结果判断:试验后翰龄水平不得降低,机械操作应灵活可非,机械特性和密封性能(对于充气儿关投备)适符合产品技术案件要求。7.7高温试验
按GB/I24232试验d:散热试验样品温度渐变高温试验行法的规定进行,器程度:试验温度可从下列数值中选取:+55℃、+℃。诚验湿度的充许偏差范氢为土3,升、降温速度不超迁1K/rminr保温时叫取,48h:过控制装置通电额定值)2h试验结果判断:试验后绝缘水平不得降低,机撼操作应见活可非,机械特性和密封性能(对于充气开关设备)应符合产品技术条件要求。7.B温度塞化试验
按GB/I2423.22试验N:激度变化试验方法节规定进行。醋程度:
试验准度:低温值T.实以GB2423.22申6.7中规定的试监温电中迷取:高温值应从GB2423.22中6.名中规定的试验溢度中选取;试验中的温度降变化速幽(不超过5mi内的平均值)可从下列速率中述款(1±0.2)Yfmin.(3+06)C/min,(5±1)C/min.试验筛环数为2
试验绰渠测断:试验后绝爆平不得降低、机械接作应灵活可氧、械特性剂密封性能(对于充气并关设备)应符合产品技术条件要求,7.8交变湿热试验
按GB2423.4试险Db:交变湿热试监方法的规定进行。严酷程度:试监温度可从上列数值中选取:+40℃、+55℃。试验湿度的充许偏差范围为士3.优先选用的尚期数:2天。对控制装需通电(额定伺)2h。试验结果判断,试验后绝缘水平不得低丁试题萌的%、机嫩探作应灵活可靠、机特性和密过性能(对于充复开关没备)应符会产品技术录件要求。7.10交变盐雾试验
按GB/T2423.18试验Kb:交变雾试验方法的规定进行。严酷程度:每喷募2h之后在湿热条件下存放(20~22)b为【周期划,头3周期试验结果判断:试监时刘设备施加额定电压,加正1min:在一个质期的试验中,如果均未发生闪络,则试验合格;如果友4一次发生闪络,充许塔励一次试验,好该次未发生冈路:试验合格:B出厂试验
开关设备及其控制装胃,如果有的话)的出厂试验应按各自产品标准规定的项目进行试验注:开关受备和控制装置可在亚场进行联谢试登,6
9铭牌
9.1铭牌包括各自产前相应标准的规定内客外,应增加如下特殊项目:)展高使用环境温度:wwW.bzxz.Net
b)最低使用环境提度:
c)使州环境污秽等;
d)接口(连接器)的型号
DL/T844
9.2控制装置(对电了控制,心品)的铭牌包括齐自产品相应标准的规定内案外,还应增加女下项目,a)额定控制电尺:
6)接口(连按器)的型号,
9.3产品的铭牌工或头他补分铭牌成标出电产感器各分接头的电流比、准谢度,穿量。10包装、运搏、保管
10.1下义设格成有位装规范,比成能保证开关设备各军部件在运赖过存中不致造到计污,损环,变形、云天及受潮,对下给续缘件应特别女以保证:以免损环和潮,双十外恶的按触表面,应有预劳底铠的措施,所有运输措施均应经过验证。10.2包装箱或上,交方在运输,保管过程中必须注急丰项的明显标志和待号(如上部位置、游潮,防雨、所囊、起吊位等)
3并装设备在运输时,应处于合逆状态,并保持回完他鼠。10.4开关备单推运输的零部件应有标志以便干用户在安装时进行装配10.5出厂的每价产品应附有产品合格证明·1(包括出厂试验数据)装箱单利安装使用详细说明考(其中应注明维扩周期,尽体维护点》:
小提示:此标准内容仅展示完整标准里的部分截取内容,若需要完整标准请到上方自行免费下载完整标准文档。
	 
	        
	      出十配电开关没备用量人,安获地点多在居民桐区,停电检像时间短,因此,这类于关设各具备高可性,少维护直牟免维护,同时还要求小型化、轻量化,荣成化以及满足环保要求,要达到以上要求:在开关设备的便用环境、选型、结构材物及配套装置等方面部必须满足严格的要求,任何外节出现问规都会影响整个配电系统的正常运行,日前,各部配电开关设务都已制订了相应的国款标准或行业标准,但对产品的可靠性尚缺乏严格科学的试验验证要求:另一好面,以往的标准中对声配网自动化系统中使用的开关段备和控制装置的配套试整缺乏明研的划定,致使开关设备和控制装置分别按照各自的标准进行试验合格的产品、在配您运行中出现问题。因此,本标准针对以上存在问题,在申明所有开关设备必须漏足现有相关标准的前湿下,若重对开关设备的使环境、逐型、钻构、材料及配套衰置提出要求。本标摊出国家电力公司发输运营部望出,本标准由鸟力行业商压开关设备标准化技术委员会归I。本标灌起草单位:中电力科学研究院、北京科税配电白动化有限公司。本标崔主要起草人:王承玉、顺宽鸿、袁人陪、张重乐。本标准委托力行业高压开关设各标准化技术委员会负支释释。1范围
Dt./ T 844 2003
12kV少维护户外配电开关设备通用技术条件木标准规定子12kV少扩户外配电开关设备使用条件、分美、额定参数、结构及控制装宽配套要求、以及试验、心激和运输规范等内案。本标性适用丁教定电压12kV,频率50H三相电力系中户外使用的配电十关设备,2规范性引用文性
下列文件中的条款通过本标准的引用而成为至标的条款。凡是注日期的引用文件,其随后所有的悠收单(不气括期误的内容)些修订版均不适生丁本标准,然而,效励根据本标准达成协发的各方妖究是否可使用这紫文件的量新版本。凡是不注日期的引用文件,其最新版本适用本标准。GB/T2423.1-200I电工电子产品环境试验第2第分:试验太法试验A,低温T)T正C60068-21:1993
GB/T2423.2-2UU1电工马子产品环境试验第2部分:试整方法试验B:尚温IDTEC60068 2 2:1974
GBT2423.4电T电了-产H基本环境试验规程试验Db:交变湿热试验方法以QV正C6D6B-230-8:1980
GB/T2423.18七土H产品环境试验第二部分:试验-试验Kb:盐等,交变(氢化钠落凌)IDT IEC 60068-2-52:1996
GB/T2423.22-1987电工电子产品基本环境试验规视试验N:益度变化试醛方法EQVIEC60068 2 14:1984
GB420R外克防扩等(IP代码)EQVEC529-1989GB/11U22高压开关设备和控制设备标涌的共间技术要求EQV[EC60694:1996GB/T11023高压开关设备六氧化殖气体密其试验方法DLT:593高压关设备的共生订货技术则e9V正C694:1803术落和定义
下列语和定义适用于本标性。
配电开关设备disuribuionywithgcars用十配电网系统中的高压开关类电器设备,3.2
少继学minimummaiatcnance
在正常运行二,设备不能解体维修、维护,即独加油、检查等维护同期也较常规设备延长。4正常使用环境条件
4.1周国环境条件
根据我国气候条件,对空*(治丧、湿度、太汀辐射等分二个级别、见表1,DL/TB44—2003
1周国空气温度、湿度,太阳辐射等环境条件空
-10~+40
-25~~±40
高发量:-45~+40
4.2海拨
H爱化范国
根据施要可满足两种海披高度的要求:[000m,3000m。4.3风压
不大于700Pa(当丁风34m/g)。公称爬电比距
户电比距见表2.
相对湿
5--100
囊2户外爬电比距要求
绝漆行我等势
4.5要冰
太明塑身射强度
地小公珠相电
广外产的冰厚度-胶地区不塑过1mml,单冰这覆述孕度公10mm,20mm两级,5基本分类和额定间
5.1户外配电开关投备分为:
a)断路器类,
[柱上断路券:
2)重合器。
b)负荷开关类:
【)柱上负荷并关(括离负荷升关):2)分段器:
3)重台分段器,
e)其3:户外环网。
5.2翻定零数
频定参数包拆:
a)额定电压:
6)额定绝缘水平:
C)额定电流:
d>额定短路开断电流,
)暂定短路电流开断次数:
f)颜定短对剧电流技其持续时间;2
、球、
区)额定路关会电统:
h)频定峰值耐孕电范;
额定探作电压;
)机毯定性次数:
)维扩周期(指正常运行条件下带要维护的量短时间间码5.2.1题定电压
5.2.2额定绝缝水平
应符合衣3的规定。
套3新定鲍错水平
冲许耐受电压
额定电k
对光、相间、断口
:拓号内李效是中性点接塘底续,5.2.3额定电流
40UA、63UA、BUUA、[250A:
5.2.4额定短踏升断电流
12.5kA.16kA20kA.25kA.
5.2.5额定短路电流开断次数
其空开关:不小丁30。
SF,开关:不小十20 次。
注:也按E2锐断路器。
85 :707
5.2.6题定短时耐爱电流及其持续时间电、相司、析口
干:42(30)
颜定短时耐受电流:[2.5kA16A、20kA、25kA。持续时闻:断路器、重价器为4s1所荷开关、分段器、审合分段器为23或43。5.2.7额定短路关合电流和额定值耐受电流上电电
kvArin
派,30130
DI.IT 844
于:49(26)
额定知路关全电随和频定峰值耐受电流购为其额定短时时受电流的25倍:5.2.8额走操作电压
DC:24V.48V、110V、220V.
AC: 110V. 220V.
储能电压:85%~1205额定电压下能正常运行。合电压,分、合闸线圈同电源:65%~120%额定电压于可靠操作:分,会闸线不电源:85%110%额定电止下可靠操作。公闸电压:65%~120%额定电压下可靠操1当电压小丁30%额定电压时不应脱证。2003
湿:36(36
注1,对于DC24V、4V扫换价电厂带用可用六协商制定:开要充分考进轴断关快点至化资感的影:2:来压自需普韦池作为电源,电池的伸用寿命应不小于B年,并具有自动杀,放电功能档3:重合器理作电压根据续路电压而定。DI.JT844
5.2.9机恢稳定性次数
真空开关类:10000、20000改。SF升关类:000。
5.2.10维护周期
5 年、10 年、15 守。
6结构及控制装重配套要求
配中开关设备除应合相应的国家标准、行业标准外,诊应满足以下要求,在灭亚结构上宜选用京空或SF。“体;在绝续结构上宜选用ST体、平燥气和其他烹合密续材料:特体站构密,保持开关中的绝缘部件和机件处于好的环境中,防上绝缘材料的老化和机件的锈蚀,提高设备的可窄。
6.1一般结构要求
6.1.1壳体
a)充体分为充气、密时,其弱护等级·不得低丁GB4208感定的IP54.)用SF。气体作为火弧介的并关设备,年漏气率成不大于1%:用SH,气体作为绝缘和防断露予质钓关设备,年得气率虑不大于3%,对于用干燥牢气和其他复合绝缘材料作为绝像介质的开关段密,应进行凝及污税试整。
c)壳本应其备防山锈蚀的有效措蓝,在10年内不心中函根可见诱斑。d!无体表面不成有可存水的引坑。心)卖本内应采取防上凝露的情施,以保证绝续性能良好。f》供娱吊用的品环位置,应使品品中的开关设备保持水平,吊链与任何部件(套管、探作手柄等之间不得力摩搬接触,邀免布吊装过程中划伤鞘体表面喷涂层。g)壳体应设置必要的搬运把手,避免退拉线套管。)壳件接地点的获触面来应满足要求,接遭露4的直径不得小于12mⅡ,热起点应标有“接地”字栏或其他接地符号。
1)壳休上应设登牢同的、可以清整暴的分、合位置指示器。如架是三共箱结构,壳件上应设置防止内部电弧故降的泄压装互:6.1.2机构
)机构Y寒用免维护的电磁机构(包括永久磁铁保持单电磁机均)和弹贫机构b机构应能够进行电动,手动堵能合阅、分操作,)机构应具有随磁跃装置
d)机构心装胃在防测,劳学、防锈的密封充体中,使用长效润消材料,达到红扩周期内免维护:)如采用非密片结构,则机牛应吾辨决防锈和消柑问题:)换动机构的良源T采月直流电源、变压器、哲电池或电空器。作变业器的高压侧可设告相应的保护熔断器:配念的变正馨和电流马感器的二次侧标称值见表4。表4变压器和电流互感器的二次侧标称值变压器标称值
二次侧电压
220. 110 (1003、48、24
250、1009、50
电流互滤等一次起范流标德值
6.1.3绝数片
IL/T8442003
开大设备力他用的纳缘材料必须乒备优良的抗老化生能成保护措施,深证20年的性皆稳定,表面距必须符合4.4中表2的要求。
6.1.4电压互感、电流互噬器
电压4.感器、电流万端器除进行常规试验外,还应达行同部放电测量,该测血在1.1许相电压下的放甲不人于10pC。
6.2真空开关
a)真空火弧室使用叶不能青接录露于外界环境:b)京牢灭室豹外绝续可采用低气山SF,“任,1螺空气或合给缘材料。B.3 NF,开关
)用S气保作为灭班介质的开关备,应设置能够显示内部气止的装贷,该装置应能够明实显示设名安全运行的气后范间:
b)应设置充、放行接7装置.
6.4开关设备刻无夕接隔高断口,则断门间的绝续水了应按隔高断口引鲶缘水平进行试缆,6.5控制装置配套要求
开关设备及其控制装其配装后应保证在各种1.况下止带L作。a)控制装置,本尺文防锈、防举、防需利抗老化性能,在使用期内保证准能的稳定,可非b)开失没备及其控制装置配装应有效地抗电磁:统:c)接制装置的便用存命应不小十10年。了型式试验
7.1型式试验准则
型式试验是为验证开关设备、操机构及控制装置及其业设备的性能是否达到定牛产的要求。型式试验拟告应包括有关产品的主要际件、控制装需的型号、规格和制造厂家名称等资料。7.2型式试验项目
对一用十少释护户外配电卡关设备控制装胃的开式试验项日不仅要根据各白的标准泄行型成试验,还成迟行下列项H的试验:
4>电能兼容七试验(EMC);
b)密封试整或防护等级试验
c)凝群及污秽试验。
用户可根据使用环境要求供起商进行下列相关试验:a)抵温试验:
h)高温试验
e)温度变化试验:
d)交变湿热试验:
)交变盐需试监。
7.3电磁兼容性试验(FMC)
按照0B厅11022中屯磁求容性试验(RMC)的地定进行试验。7.4密封试验或防护等级试验
7.4.1密封试验
按照GB行11023的规定步行试验。7.4.2防护等级试验
DI./T844 —2Q03
按照CB4208的规废进行试验。
7.5凝露及污试验
技照DT593中的规定进行试验,
7.6抵温试验
按CBT2423.1试验A山:数热试验样品温度渐变低温试验力法的规定进行。证酷程度:试验温度可从下列数值中选收:-,4。认验温度的充评偏差范围为土。升降滑速度不超过1K/min;保温时间度,48h:对控制装互适电(赖定值)2h,试验结果判断:试验后翰龄水平不得降低,机械操作应灵活可非,机械特性和密封性能(对于充气儿关投备)适符合产品技术案件要求。7.7高温试验
按GB/I24232试验d:散热试验样品温度渐变高温试验行法的规定进行,器程度:试验温度可从下列数值中选取:+55℃、+℃。诚验湿度的充许偏差范氢为土3,升、降温速度不超迁1K/rminr保温时叫取,48h:过控制装置通电额定值)2h试验结果判断:试验后绝缘水平不得降低,机撼操作应见活可非,机械特性和密封性能(对于充气开关设备)应符合产品技术条件要求。7.B温度塞化试验
按GB/I2423.22试验N:激度变化试验方法节规定进行。醋程度:
试验准度:低温值T.实以GB2423.22申6.7中规定的试监温电中迷取:高温值应从GB2423.22中6.名中规定的试验溢度中选取;试验中的温度降变化速幽(不超过5mi内的平均值)可从下列速率中述款(1±0.2)Yfmin.(3+06)C/min,(5±1)C/min.试验筛环数为2
试验绰渠测断:试验后绝爆平不得降低、机械接作应灵活可氧、械特性剂密封性能(对于充气并关设备)应符合产品技术条件要求,7.8交变湿热试验
按GB2423.4试险Db:交变湿热试监方法的规定进行。严酷程度:试监温度可从上列数值中选取:+40℃、+55℃。试验湿度的充许偏差范围为士3.优先选用的尚期数:2天。对控制装需通电(额定伺)2h。试验结果判断,试验后绝缘水平不得低丁试题萌的%、机嫩探作应灵活可靠、机特性和密过性能(对于充复开关没备)应符会产品技术录件要求。7.10交变盐雾试验
按GB/T2423.18试验Kb:交变雾试验方法的规定进行。严酷程度:每喷募2h之后在湿热条件下存放(20~22)b为【周期划,头3周期试验结果判断:试监时刘设备施加额定电压,加正1min:在一个质期的试验中,如果均未发生闪络,则试验合格;如果友4一次发生闪络,充许塔励一次试验,好该次未发生冈路:试验合格:B出厂试验
开关设备及其控制装胃,如果有的话)的出厂试验应按各自产品标准规定的项目进行试验注:开关受备和控制装置可在亚场进行联谢试登,6
9铭牌
9.1铭牌包括各自产前相应标准的规定内客外,应增加如下特殊项目:)展高使用环境温度:wwW.bzxz.Net
b)最低使用环境提度:
c)使州环境污秽等;
d)接口(连接器)的型号
DL/T844
9.2控制装置(对电了控制,心品)的铭牌包括齐自产品相应标准的规定内案外,还应增加女下项目,a)额定控制电尺:
6)接口(连按器)的型号,
9.3产品的铭牌工或头他补分铭牌成标出电产感器各分接头的电流比、准谢度,穿量。10包装、运搏、保管
10.1下义设格成有位装规范,比成能保证开关设备各军部件在运赖过存中不致造到计污,损环,变形、云天及受潮,对下给续缘件应特别女以保证:以免损环和潮,双十外恶的按触表面,应有预劳底铠的措施,所有运输措施均应经过验证。10.2包装箱或上,交方在运输,保管过程中必须注急丰项的明显标志和待号(如上部位置、游潮,防雨、所囊、起吊位等)
3并装设备在运输时,应处于合逆状态,并保持回完他鼠。10.4开关备单推运输的零部件应有标志以便干用户在安装时进行装配10.5出厂的每价产品应附有产品合格证明·1(包括出厂试验数据)装箱单利安装使用详细说明考(其中应注明维扩周期,尽体维护点》:
小提示:此标准内容仅展示完整标准里的部分截取内容,若需要完整标准请到上方自行免费下载完整标准文档。
标准图片预览:





- 其它标准
 
- 热门标准
 - 电力行业标准(DL)
 
- DL/T5561-2019 换流站接地极设计文件内容深度规定
 - DL/T1077-2007 苯乙烯系离子交换树脂有机溶出物测定方法(动态法)
 - DL/T667-1999 远动设备及系统第5部分传输规约 第103篇 继电保护设备信息接口配套标准
 - DL/T1018-2006 电容式测缝计
 - DL/T1277-2013 1100kV交流空心复合绝缘子技术规范
 - DL/T1980-2019 变压器绝缘纸(板)平均含水量测定法频域介电谱法
 - DL/T1498.1-2016 变电设备在线监测装置技术规范 第1部分:通则
 - DL/T1028-2006 电能质量测试分析仪检定规程
 - DL/T5791-2019 火力发电建设工程机组热控调试导则
 - DL/T542-2014 钢熔化焊T形接头超声波检测方法和质量评定
 - DL/T5561-2019 换流站接地极设计文件内容深度规定
 - DL/T930-2005 整锻式汽轮机实心转子体超声波检验技术导则
 - DL/T5150-2017 水工混凝土试验规程
 - DL/T5553-2019 电力系统电气计算设计规程
 - DL/T2218—2021 绝缘油中腐蚀性硫二苄基二硫醚定量检测方法气相色谱多重质谱联用法
 
- 行业新闻
 
请牢记:“bzxz.net”即是“标准下载”四个汉字汉语拼音首字母与国际顶级域名“.net”的组合。 ©2025 标准下载网 www.bzxz.net 本站邮件:bzxznet@163.com
网站备案号:湘ICP备2025141790号-2
网站备案号:湘ICP备2025141790号-2