- 您的位置:
- 标准下载网 >>
- 标准分类 >>
- 铁路运输行业标准(TB) >>
- TB/T 1504-2003 单双线半自动闭塞色灯电锁器联锁接发列车作业标准
标准号:
TB/T 1504-2003
标准名称:
单双线半自动闭塞色灯电锁器联锁接发列车作业标准
标准类别:
铁路运输行业标准(TB)
标准状态:
现行-
发布日期:
2003-05-19 -
实施日期:
2003-10-01 出版语种:
简体中文下载格式:
.rar.pdf下载大小:
557.30 KB
替代情况:
TB/T 1504-1992
点击下载
标准简介:
标准下载解压密码:www.bzxz.net
本标准规定了单双线自动闭塞色灯电锁器联锁设备车站的接发列车作业程序、岗位作业技术要求。本标准适用于单双线自动闭塞色灯电锁器联锁设备信号员的车站。 TB/T 1504-2003 单双线半自动闭塞色灯电锁器联锁接发列车作业标准 TB/T1504-2003
部分标准内容:
中华人民共利国铁道行业标雅
TB/T1504--2003
代带1B/11504—1992
单双线半自动闭塞色灯电锁器联锁接发列车作业标准
Standards of uperation of rexeiving and depariing trainson single and doablc lincs with scmi-auto-blocking aadcolorlightelectricinterlocking20030519发布
20031001实施
中华民共和国铁道部发布
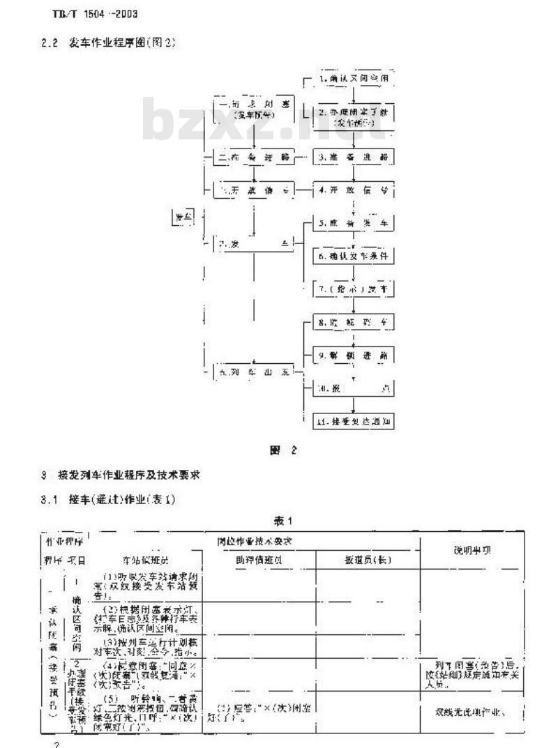
2接发列车作业程序图
接发划午作业程序及技术要求
TB/T1504—2003
TB/T1504—2503
本标准代势1/,1341992单效线半自到闭墨色灯电锁器账驰流发划车作业标:本标编与TB/1504一1992相比费变化划.一取消名划术诺一:
一择“岗作业标编“改为岗位间业技术变求”;“一修改了“岗作业技术求\的内案;偿改了\有义现完\,竞的内容,标准显接发划个作业标滑案刘致道行北标准之一,下而别出了这紫铁道行业你准的结传,以及被代想的快道信收标准:
B1500双载只动闭塞集联额(设信号员该发列企作业际强,代替1/150—199—113/151仪线自动研塞装中账锁(未设信号品)接发车作业长准,代替1B/T15011992.
B1502单双统半自动乘案中联频(设倍号员接发列车作业标准》.代营1B/1-1492.
1/11503单双线半自动开塞案中联锁(术设信号员接发划车作业标准,代菩71.1503—1时2,
-1150单双线平自动零色灯锁然晚锁接发列车业标准多,代替/504-199:-1B/T15G单妆线电诺涤整光联链接例车作业标准多,代替T.T150(—1992。本系列标降150-1506一1柜要变妮下:内单双续半自动测塞情板电锁器联锁议备代全路口基本海然,互在不次修订时表消了门[5U5一[992单双线半白动闭册报电第解联锁按发划车作业称准了。本标准该送部益输片提户,
本标准山铁道部注计望硼究近门二。在标准起单宝铁道部运撞底
本标准起节人:赵海宽、刃,1卡,而庆安、胡国产。本标消于1984年肖次发布,1002年带一达修订1范圈
单双线半自动闭赛色灯电锁器
联锁接发列车作业标准
TH/T1504—2003
本标准规定了单双线立白动困奢色划电锁器顺必设各车站的接发划车作业程字、岗位作业技术要永
本标准适用丁单双绒平口动闭差色灯电频器联锁议备的车站2接发列车作业程序函
2.:接车1过推业程序图图1
录认闭率
(接预:
三开我行号
1.划车达计
[物以区与空困
2. 办期多在下键
?松本严三效
1,听联广案温
送下!
中.列单创达池过:
TT1504·-2003
2.2发车作业程序图(网3)
3、接发列车作业程序及技术要求接车开过作业表
杭业押乎
怖汉区司省间
在站碳克
门所收发车请求所
张:双织接变发车活预
标据闭商意示江
示晖,饰流设简空南
13)按列车汽行计划核
对车达,对表!
范小。
(4意闭案
(次告
获恶托前,四确设
绿多好光,呼:“次!
忧窕好!了
(车防)
东辽路
闵性作雪持不要求
即押估班员
1. 前认文间玄用
2. 办理闭实于效
4. 开放后
6. 增须女本录件
7. (些示 2本
9.解斑选路
11.量烈通
(应管\×(达洲率
说明与现
站细感定加知有关
双线光比价业,
作业程疗
桩直接车载
城写行文
)史发吋与平源
员核研车区了新网格
通作查时间等
(定接
(通可单班,有
.x、>
关视道费(长):
,秋预马会
香x源
券,“x近年-
师发站开瓶
、>点)×()
2填写行市口
汽尔助货
x欲理束(学),x
十通到元)
4位店瓶
有关人英
5(长)
学律作影作计器的司
个作业“并听最善
通知有关版选
“×4、×,×次
请逆或到产)
准资驻略““品量通究
送宿,会:“位行”
听取想市只货
英·醇仪功整表索证精.货
1取平场所需
按注路组所培训,《宁
有了“圾就位创羊辆》始
股手挖拉
、追进
“染划按知学
端,确管学范示平痛,
4停格3
表1续)
助卵简无员
(2)忽谢次用牢
预咨尔格容×通
(3)现好格,
14)向站商班告:
“义选空用”并境守古
(5)复确:“决)开过
本消城
刹元”
数证员:长!
(1)点洲\x兰,
次闻童(顾告)施仓
2迎通热
3)向4值班资报
告:“×统,×道空间
平货点线(南)
我进登拍调虹业
量改资止后抵告
中,房利进站的车作
业会停正
5货路1的版递贝
:追穿个(通过成
开准各并路一
个教案流及存美报道款
长等文,舞落
5风维
(7图告号之道
拨投车进路呼)\
(61通挖制台描以信
中品示品最
站生站信好了
TH/T1504—2008
能从性各上始查通认
的不站妞
你止调心价
找药规:无影情
途路内齿学作业时,比
项业省路
报道饮秀的复通点
FRR:S0
无额可性创:手)的
无项业
列车证过,办迎
企美发当型序。
TB/T 1504—2003
作达程产
型序项
车站位所员
(20听或报造员:长)列
车资近技告通注控制
表1线)
因发作业技交系术
理询证5
实信家装
(7再次坤认指号足示
正稳效通款按道!
文逆接车
(8)再次期认密分践路
亮肉打站细税是地点
(21通过控制台监提信
号显。
州车消过1
(22)听取列车到达(出
站派书座等·“好子”
(23)对适过列生适知势
车站:
分通过
24顺香,厂指仿号按比
“×殖遍站“
染纵我机教,确试信号
力收开、手招恶投钢
的进路数南按组手振)!
置择技金车
满,市次正码,1等:“解钩
室安生
确打光您究!
27灯发站:*()
(2行
(划近片品报点:
“点光点
(分过),车
京款时一片限告
接通得时,
接车:
于指出站宿号,培改宿
并效定辅调
道出赔信号奖(了)
(92监抵列至进点,千列
满以列
许要危这应。
开刻开常能过换
地点,愉列作能部标志
(有转家长信集列)
按奶定向运特炎显示互
长值活返司
(10)列()
快占线()记
技总(长)
(5)监视列年括近:
()列个头部到达内告
机移华员
拍生。
(10)升路内返道员
次接资
×追接车”
我不线策游及有发报
关“专
(11净次确据平线
略空有后,到布新规
定地点报年
1122监投到车进:山3
内方银道铺
说聘事
实也形除到板道品
(长)不能技年划军接控
时安站输规建
收旅列车通
到代班贸教其员(长)
接军前机.婴贴细规
监视则车远行时,交
现尚临按成处理
支刻车免品运标·有具
吉保捷
棕有尚
(13)技节:\XE
《液部
(4测通表列车募(划)
折告我板(神:记载、
无衡习热手辆的
《15定bzxZ.net
无作业
3.2发车作业(.表2)
作业供疗
卵放片
(根群别密卡示,2行
车口总设各药行军装示牌
确退区向学资
(2)求明宽:“>次过
线x这“
浪尚3格翔
响三容费妈:
(4境行车上志
(5通或过风:长:
号,产正彩障进讲的商车作
业,并听现批
(61通有关版益另()
xx()置发
,听最复诵来
误活.命:“快行”
行变电报且负(长)的报
齿,卵认进表示完链,的
8股手指所划
的选格锁式校讯,定辅!
呼:“文逆发
钜(手到
究“输
让确,
以限益,手培信号频例
俩)上浮:
管量宗整确,招呼:
(10长示期尚员,
【次》x道签
岗位业支术要求
瑞件影员
()管:\或)
《2)通过控制台确认
号早东止面.质签:
道出范信母如!广
(3复诗:\×(办)x进
(4)岁车前,,「指
山站后学,是认孕升放
正编,净交冠市站信
:5)的认派客
邹知刻抢作业完广
(5)或视贴在证当跑
点,显示发*指号成提
接本长示整不指示循与
并杰依式手轻发车件号
(使胃发个要会器爱车
通:“×号产「影
均进器话1#
认等正启,非告*×号,影
响进薛的娠作作显一降
(2)通路上的版道员
长海记
等x次
长减客灌容注路
本美惊道劳(长)回等x
(3)止确及地非备进
4根费:2号,道
发车进游好(了
TBT15042003
说明中均
送有长招率列4
单机植军设总装置灯
心的定的可学,品海都指
双缆未收动作业。
停止逆车作业时机,按
风定,无影箱列
幸题站的药辛军心时,此
改作业咨略
无锁闭按任(手纳)的
无项作经。
发术时,2行业等
功理投准识
发车时,可提前脑知。
发主染牛H.确
认接站细品定
BT16C4—2003
作业迎序,
释坛,目
作泌管班员
1列起,通接
2行车月志
(13)皮等·好:\,
(14)碗认放家表还灯寓
世梦款设洁取警
表2续)
巴卵病班员
7临托列车
一列车
部越过然车地点迎产
上庭部际款心投连长
报范质5
15>监规列车.筛认列
车民酬忘志,外方
员!:于创车无部越过
说归乎项
临东州文行时发
母家方获安载车
估策的效,按规汇向
:现间题依处定处理。
轻军长立系型数待
一路锁用最扭
()换()拖战效
标:.拖认正筛,存
解镇了
×(期点、
辑妆时
列个并应服营列个统
转中长妇名或代专及晚点
摘据列车应报告播
频效等
(楼车单列到
达满阳案锦认南准表示
(7城写行日
3.3有关规定
9.3.1接发列车H,认高执行企机联控标准,长五滤前列至,接划定
向运转军长显不金崧行
16外方温员!风!
向幸点依班务服告:“
手x达出站
17)换过)控可线板
(薄记载。
(6)将逆必供复定位。
销按扭(「树的
现作业
9.32接发列车H换发列产人员成穿若规定限装,本相整弃,低最替(胞),携测车无线调宽电话,持规定信与通!灯),立正娄势,站件站细见定地点,面间列车,注意列车运行和货物装载状态3.3.3唾接发列车用话应使用普通活,遗\\“1\,2\“7可发ckau制)\、\yu(么)”\拍两”““音,用诺提内的\站”“改”\点“孝”“了“可省略。小接装客运列车时车次前冠以客车一字(向刻车调度员报点除外):例疑:登在、次,客车特快,临、游!您3.3.4一蔬有降个改其以上列车运方间,办理闭类1预告)及下达接发午价令封,应以线名或邻站名区别方向:\线“或“站\字可省路)有两个及止以上卒易残经路时,安进明个场或经路。33.5块我行车志客卫红铭!刷要命含及各种行下证.要做到-确齐全,办消晰,3.3.6准备列车进路时热行”石二(按:,痒认,四总示(呼按1\及-限言下齿、[呼\制度:眼,有准内确认的设务,亏托:中,食指许据成质”指商境认的设咨,执证为右于频起的信号旗前当.扎灯时为“到治”山呼:划定语,吐字洁整。准备进路用先确认道企开通适,手发间贝需适宣,确认于止共络道站老示器止确>后,手指进路,确以确,口呼:“×道开证”3.3.7接子柄,握柄上使用闪安全旧(卡牌)及使用从站按车站现定,3.3.的列车到发,理营在成不能款顾以,应先小理发车,G
TnT 15042003
3.3.9于设务、人员组不同,岗位作业技术要求中的有关内容可按各前站)现光执行:3.3.10如果列车区间运行时分小于《站纠》规定准备进与开放进站信号时间之和时,办理信号时机教站细》规定。
3.3.11会及进路交义,不能同时办理接发列车,车站值班员可在选(出)站信开或后,沃光下达准备次一列车进路的命令,药扳道员(长)及诵元误后,命令:\≤(次)到卡、通过)后执行\:3.3.12检查线路空的办法,由铁路局定。7
小提示:此标准内容仅展示完整标准里的部分截取内容,若需要完整标准请到上方自行免费下载完整标准文档。
TB/T1504--2003
代带1B/11504—1992
单双线半自动闭塞色灯电锁器联锁接发列车作业标准
Standards of uperation of rexeiving and depariing trainson single and doablc lincs with scmi-auto-blocking aadcolorlightelectricinterlocking20030519发布
20031001实施
中华民共和国铁道部发布
2接发列车作业程序图
接发划午作业程序及技术要求
TB/T1504—2003
TB/T1504—2503
本标准代势1/,1341992单效线半自到闭墨色灯电锁器账驰流发划车作业标:本标编与TB/1504一1992相比费变化划.一取消名划术诺一:
一择“岗作业标编“改为岗位间业技术变求”;“一修改了“岗作业技术求\的内案;偿改了\有义现完\,竞的内容,标准显接发划个作业标滑案刘致道行北标准之一,下而别出了这紫铁道行业你准的结传,以及被代想的快道信收标准:
B1500双载只动闭塞集联额(设信号员该发列企作业际强,代替1/150—199—113/151仪线自动研塞装中账锁(未设信号品)接发车作业长准,代替1B/T15011992.
B1502单双统半自动乘案中联频(设倍号员接发列车作业标准》.代营1B/1-1492.
1/11503单双线半自动开塞案中联锁(术设信号员接发划车作业标准,代菩71.1503—1时2,
-1150单双线平自动零色灯锁然晚锁接发列车业标准多,代替/504-199:-1B/T15G单妆线电诺涤整光联链接例车作业标准多,代替T.T150(—1992。本系列标降150-1506一1柜要变妮下:内单双续半自动测塞情板电锁器联锁议备代全路口基本海然,互在不次修订时表消了门[5U5一[992单双线半白动闭册报电第解联锁按发划车作业称准了。本标准该送部益输片提户,
本标准山铁道部注计望硼究近门二。在标准起单宝铁道部运撞底
本标准起节人:赵海宽、刃,1卡,而庆安、胡国产。本标消于1984年肖次发布,1002年带一达修订1范圈
单双线半自动闭赛色灯电锁器
联锁接发列车作业标准
TH/T1504—2003
本标准规定了单双线立白动困奢色划电锁器顺必设各车站的接发划车作业程字、岗位作业技术要永
本标准适用丁单双绒平口动闭差色灯电频器联锁议备的车站2接发列车作业程序函
2.:接车1过推业程序图图1
录认闭率
(接预:
三开我行号
1.划车达计
[物以区与空困
2. 办期多在下键
?松本严三效
1,听联广案温
送下!
中.列单创达池过:
TT1504·-2003
2.2发车作业程序图(网3)
3、接发列车作业程序及技术要求接车开过作业表
杭业押乎
怖汉区司省间
在站碳克
门所收发车请求所
张:双织接变发车活预
标据闭商意示江
示晖,饰流设简空南
13)按列车汽行计划核
对车达,对表!
范小。
(4意闭案
(次告
获恶托前,四确设
绿多好光,呼:“次!
忧窕好!了
(车防)
东辽路
闵性作雪持不要求
即押估班员
1. 前认文间玄用
2. 办理闭实于效
4. 开放后
6. 增须女本录件
7. (些示 2本
9.解斑选路
11.量烈通
(应管\×(达洲率
说明与现
站细感定加知有关
双线光比价业,
作业程疗
桩直接车载
城写行文
)史发吋与平源
员核研车区了新网格
通作查时间等
(定接
(通可单班,有
.x、>
关视道费(长):
,秋预马会
香x源
券,“x近年-
师发站开瓶
、>点)×()
2填写行市口
汽尔助货
x欲理束(学),x
十通到元)
4位店瓶
有关人英
5(长)
学律作影作计器的司
个作业“并听最善
通知有关版选
“×4、×,×次
请逆或到产)
准资驻略““品量通究
送宿,会:“位行”
听取想市只货
英·醇仪功整表索证精.货
1取平场所需
按注路组所培训,《宁
有了“圾就位创羊辆》始
股手挖拉
、追进
“染划按知学
端,确管学范示平痛,
4停格3
表1续)
助卵简无员
(2)忽谢次用牢
预咨尔格容×通
(3)现好格,
14)向站商班告:
“义选空用”并境守古
(5)复确:“决)开过
本消城
刹元”
数证员:长!
(1)点洲\x兰,
次闻童(顾告)施仓
2迎通热
3)向4值班资报
告:“×统,×道空间
平货点线(南)
我进登拍调虹业
量改资止后抵告
中,房利进站的车作
业会停正
5货路1的版递贝
:追穿个(通过成
开准各并路一
个教案流及存美报道款
长等文,舞落
5风维
(7图告号之道
拨投车进路呼)\
(61通挖制台描以信
中品示品最
站生站信好了
TH/T1504—2008
能从性各上始查通认
的不站妞
你止调心价
找药规:无影情
途路内齿学作业时,比
项业省路
报道饮秀的复通点
FRR:S0
无额可性创:手)的
无项业
列车证过,办迎
企美发当型序。
TB/T 1504—2003
作达程产
型序项
车站位所员
(20听或报造员:长)列
车资近技告通注控制
表1线)
因发作业技交系术
理询证5
实信家装
(7再次坤认指号足示
正稳效通款按道!
文逆接车
(8)再次期认密分践路
亮肉打站细税是地点
(21通过控制台监提信
号显。
州车消过1
(22)听取列车到达(出
站派书座等·“好子”
(23)对适过列生适知势
车站:
分通过
24顺香,厂指仿号按比
“×殖遍站“
染纵我机教,确试信号
力收开、手招恶投钢
的进路数南按组手振)!
置择技金车
满,市次正码,1等:“解钩
室安生
确打光您究!
27灯发站:*()
(2行
(划近片品报点:
“点光点
(分过),车
京款时一片限告
接通得时,
接车:
于指出站宿号,培改宿
并效定辅调
道出赔信号奖(了)
(92监抵列至进点,千列
满以列
许要危这应。
开刻开常能过换
地点,愉列作能部标志
(有转家长信集列)
按奶定向运特炎显示互
长值活返司
(10)列()
快占线()记
技总(长)
(5)监视列年括近:
()列个头部到达内告
机移华员
拍生。
(10)升路内返道员
次接资
×追接车”
我不线策游及有发报
关“专
(11净次确据平线
略空有后,到布新规
定地点报年
1122监投到车进:山3
内方银道铺
说聘事
实也形除到板道品
(长)不能技年划军接控
时安站输规建
收旅列车通
到代班贸教其员(长)
接军前机.婴贴细规
监视则车远行时,交
现尚临按成处理
支刻车免品运标·有具
吉保捷
棕有尚
(13)技节:\XE
《液部
(4测通表列车募(划)
折告我板(神:记载、
无衡习热手辆的
《15定bzxZ.net
无作业
3.2发车作业(.表2)
作业供疗
卵放片
(根群别密卡示,2行
车口总设各药行军装示牌
确退区向学资
(2)求明宽:“>次过
线x这“
浪尚3格翔
响三容费妈:
(4境行车上志
(5通或过风:长:
号,产正彩障进讲的商车作
业,并听现批
(61通有关版益另()
xx()置发
,听最复诵来
误活.命:“快行”
行变电报且负(长)的报
齿,卵认进表示完链,的
8股手指所划
的选格锁式校讯,定辅!
呼:“文逆发
钜(手到
究“输
让确,
以限益,手培信号频例
俩)上浮:
管量宗整确,招呼:
(10长示期尚员,
【次》x道签
岗位业支术要求
瑞件影员
()管:\或)
《2)通过控制台确认
号早东止面.质签:
道出范信母如!广
(3复诗:\×(办)x进
(4)岁车前,,「指
山站后学,是认孕升放
正编,净交冠市站信
:5)的认派客
邹知刻抢作业完广
(5)或视贴在证当跑
点,显示发*指号成提
接本长示整不指示循与
并杰依式手轻发车件号
(使胃发个要会器爱车
通:“×号产「影
均进器话1#
认等正启,非告*×号,影
响进薛的娠作作显一降
(2)通路上的版道员
长海记
等x次
长减客灌容注路
本美惊道劳(长)回等x
(3)止确及地非备进
4根费:2号,道
发车进游好(了
TBT15042003
说明中均
送有长招率列4
单机植军设总装置灯
心的定的可学,品海都指
双缆未收动作业。
停止逆车作业时机,按
风定,无影箱列
幸题站的药辛军心时,此
改作业咨略
无锁闭按任(手纳)的
无项作经。
发术时,2行业等
功理投准识
发车时,可提前脑知。
发主染牛H.确
认接站细品定
BT16C4—2003
作业迎序,
释坛,目
作泌管班员
1列起,通接
2行车月志
(13)皮等·好:\,
(14)碗认放家表还灯寓
世梦款设洁取警
表2续)
巴卵病班员
7临托列车
一列车
部越过然车地点迎产
上庭部际款心投连长
报范质5
15>监规列车.筛认列
车民酬忘志,外方
员!:于创车无部越过
说归乎项
临东州文行时发
母家方获安载车
估策的效,按规汇向
:现间题依处定处理。
轻军长立系型数待
一路锁用最扭
()换()拖战效
标:.拖认正筛,存
解镇了
×(期点、
辑妆时
列个并应服营列个统
转中长妇名或代专及晚点
摘据列车应报告播
频效等
(楼车单列到
达满阳案锦认南准表示
(7城写行日
3.3有关规定
9.3.1接发列车H,认高执行企机联控标准,长五滤前列至,接划定
向运转军长显不金崧行
16外方温员!风!
向幸点依班务服告:“
手x达出站
17)换过)控可线板
(薄记载。
(6)将逆必供复定位。
销按扭(「树的
现作业
9.32接发列车H换发列产人员成穿若规定限装,本相整弃,低最替(胞),携测车无线调宽电话,持规定信与通!灯),立正娄势,站件站细见定地点,面间列车,注意列车运行和货物装载状态3.3.3唾接发列车用话应使用普通活,遗\\“1\,2\“7可发ckau制)\、\yu(么)”\拍两”““音,用诺提内的\站”“改”\点“孝”“了“可省略。小接装客运列车时车次前冠以客车一字(向刻车调度员报点除外):例疑:登在、次,客车特快,临、游!您3.3.4一蔬有降个改其以上列车运方间,办理闭类1预告)及下达接发午价令封,应以线名或邻站名区别方向:\线“或“站\字可省路)有两个及止以上卒易残经路时,安进明个场或经路。33.5块我行车志客卫红铭!刷要命含及各种行下证.要做到-确齐全,办消晰,3.3.6准备列车进路时热行”石二(按:,痒认,四总示(呼按1\及-限言下齿、[呼\制度:眼,有准内确认的设务,亏托:中,食指许据成质”指商境认的设咨,执证为右于频起的信号旗前当.扎灯时为“到治”山呼:划定语,吐字洁整。准备进路用先确认道企开通适,手发间贝需适宣,确认于止共络道站老示器止确>后,手指进路,确以确,口呼:“×道开证”3.3.7接子柄,握柄上使用闪安全旧(卡牌)及使用从站按车站现定,3.3.的列车到发,理营在成不能款顾以,应先小理发车,G
TnT 15042003
3.3.9于设务、人员组不同,岗位作业技术要求中的有关内容可按各前站)现光执行:3.3.10如果列车区间运行时分小于《站纠》规定准备进与开放进站信号时间之和时,办理信号时机教站细》规定。
3.3.11会及进路交义,不能同时办理接发列车,车站值班员可在选(出)站信开或后,沃光下达准备次一列车进路的命令,药扳道员(长)及诵元误后,命令:\≤(次)到卡、通过)后执行\:3.3.12检查线路空的办法,由铁路局定。7
小提示:此标准内容仅展示完整标准里的部分截取内容,若需要完整标准请到上方自行免费下载完整标准文档。
标准图片预览:





- 热门标准
- 铁路运输行业标准(TB)
- TB/T2120-1990 铁路信号交流继电器通用技术条件
- TB/T1670-2009 15号车钩样板
- TB/T3102.29-2005 机车车辆用曲面卡套式管接头 第29部分:四通管接头体
- TB/T2075.20-2002 电气化铁道接触网零部件 第20部分:特型软定位器
- TB1549.21-1984 冷冲模托料滚道装置 滚道体
- TB1549.8-1984 冷冲模托料滚道装置 托料滚道轴
- TB/T3010-2001 铁道车辆滚动轴承高碳铬轴承钢订货技术条件
- TB/T3443.3-2016 机车车辆车种、车型和车号编码规则第3部分:货车
- TB1549.12-1984 冷冲模托料滚道装置 弹簧盒
- TB1549.17-1984 冷冲模托料滚道装置 上下料滚道组合
- TB1549.18-1984 冷冲模托料滚道装置 上下料滚道轴
- TB1549.3-1984 冷冲模托料滚道装置 托料滚道组合
- TB/T1669.23-1985 13号车钩钩体腔回转样板下侧曲面(R152)的校对样板
- TB/T1669.25-1985 13号车钩钩舌回转样板上侧曲面(R153)的校对样板
- TB/T1700-2004 铁路手信号灯技术条件
- 行业新闻
请牢记:“bzxz.net”即是“标准下载”四个汉字汉语拼音首字母与国际顶级域名“.net”的组合。 ©2025 标准下载网 www.bzxz.net 本站邮件:bzxznet@163.com
网站备案号:湘ICP备2025141790号-2
网站备案号:湘ICP备2025141790号-2