- 您的位置:
- 标准下载网 >>
- 标准分类 >>
- 铁路运输行业标准(TB) >>
- TB/T 1500-2003 双线自动闭塞集中联锁(设信号员)接发列车作业标准
标准号:
TB/T 1500-2003
标准名称:
双线自动闭塞集中联锁(设信号员)接发列车作业标准
标准类别:
铁路运输行业标准(TB)
标准状态:
现行-
发布日期:
2003-05-19 -
实施日期:
2003-10-01 出版语种:
简体中文下载格式:
.rar.pdf下载大小:
484.25 KB
替代情况:
TB/T 1500-1992
点击下载
标准简介:
标准下载解压密码:www.bzxz.net
本标准规定了双线自动闭塞集中联锁设备车站的接发列车作业程序、岗位作业技术要求。本标准适用于双线自动闭塞集中联锁设备信号员的车站。 TB/T 1500-2003 双线自动闭塞集中联锁(设信号员)接发列车作业标准 TB/T1500-2003
部分标准内容:
中华人民共和国铁道行业标准
TB/T 1500—2003
代巷TRT1500—1902
双线自动闭塞集中联锁(设信号员)接发列车作业标准
Standards nf operation of rexeiving and deparling trainson double lines with auto-hlccking and ccntralizcd intcrlncking[with signalman]
200305-19 发布
200310-01实施
中华人民利国铁道部发布
2接发列车作业程疗图
按发列车作业程序及技术费求
1B/1600—2009
TR/T1500—2003
本标准化荐1/11500—192双浅白动闭塞供联锁(设信卡:接发列车作业标准3标Ts1S0012相比要变化F:
取消名耐一幸:
一-将标题宁\电气“取:
将“阅你作业求准“改为“岗位作业技术要求;修改“与化法业技术寒求\闪内释;修改“有关规定”-单的内容。
本标准是接发列车作业标准系列钱消行业标准之下面列出了这整钛道行业标准钓结购,以及裁代营的铁运行业际汇:
门/T15K1双线自动向变失中联能(设信号员)接效列车作标准>,代替TB/T1500一1992。1B151效线白动闭遵第联款(末设信号货按发卡作业标诈:代替1715111992
TT1502单双线半口动闭需年中联锁(投信号接发列车作业标准3,代替13/1502一1592
TRT1503单双线半自动用案共十联锁(未投倍导贯)接发列车作业标准.代情1H/1503--1992
TT1.54单双载率自动用电领器联链接&列车作业标准,代替下VT1504—J992TT/1505单双线申话闭率元联锁接发列作业标准,代告TE/T1引所19本系到你准与1115001506—192拍要变化如下:因单双貌半自动闭寒管链电销器联试设备在全路二茅本询然,发此在本改像订时取消,T1505一19单效线半白达闭癌码按电锁踏联锁法发列车作业标准款本标汇由缺逆部运推虎提出。
本标新山道部标准计空如究所们在标准来单单位:缺道部运给局。本标科起车人:“茂帜,陈黑帝,马龙,除江,韧巨培4标准于1984年首次发布,1992年第-次修订1范围
双线自动闭塞集中联锁(设信号员)接发列车作业标准
TB-T15002003
本标准规定了双自动案焦中联锁设备车站治接发列车作业程,岗位作业挂术尽求本标准适用于双线自动闭率录中抵锁设备设信受员内车站:2接发列车作业程序围
2.1接车(通过)作业程序围(1)核受发项么
备总市
.迎按车线
(通过:
四.列车到达适过!
用款信一
5列兰长近
接送列车
7, 列4到(润趾)
TB1500—2093
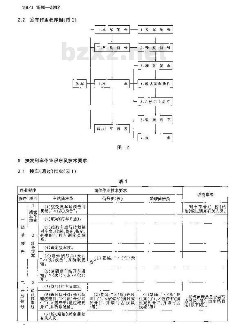
2.2发车作业程序围图2)
3接发到车作业程序及接术要求
3,1接车(通元3作业(1
作业程序
程序项月
车站值斑品
[]学市险
x(次)的告
(2)培号(行车日志):
微到运比校
对军次、时到免冬指宗
必要时出罚率调度资联
(1雄汇年载。
通免信员(长):
\,算略最
(资茂告
()复诵发车站开车通
:x×点x(分)
划倍寸长
理值班质:“次评
来车通运款
“并听追其证
P按站细期定通知
思车可
天的位
尚位作业技术要求
信号员长
(1)夏说:)
2)复:\×次于
英护作通恶
创井1
古载损
[发车告
2.开放信号
3准省军车
用读炭车录:
3. (素3本
海理值流点
E通:“路
刘来造控铺
过要范并:
新项学点
我摄种
说明率项
到车写!,落站
泡现定通可有关人贝
监理追班品景多写
点薄由车站自
穿质下同
人年载
到车到达
(通过)
圳车到
法位在员
(11)均以越车线路控
(11通料信号易长:
品止形呵运略的谢车作
”来圾世货。
(12)通划信号员(长)
(本得车酒过)
无落搭书
听最复循究
谈后舒令:\执行此内容来自标准下载网
表1(续)
岗过准业花术费求
传员(;
(3)量“序止影项进
资的编金典
,翻认深
房授告:
低业已停正
[4]量通:\×(次)×证
停猫过,并快带”。
上升改进效使罗,年
扭进精暖教,
后在呼
说养活学
,通时管
进进、出始安好广
(1))再次境人位号正
响成客“父《决)接近
(15)通知所理值研员
?(次)换近、直接车
井听培费销。
(15减签“好了*
([7)对通过车通接
齐站球x点)
(分)酒型
(13)城行车1出
、手接链
鹿终洗推
下按钮:
手措进路整
确认比带、供
,口呼,“多等
是禁正销
(6)通过控制台监机信
放进资表示:
(7带二(=)接近给响
北带警红·市达都认理育
等展铺,当牌:
“×次
(8)通性控制合监投进
享设到车进前站
(4)通过控制台转认列
车整视(演过)楼室
气淡影送
均育使斑展
2客调,*×(欢)势
近文道车”
(3)到站规米
手抵出站造
雪教专择思式
“x产出站信要购
监视列率进站,于
列不停要势返回,通过
转十地点,确认剂个陷
都标有端等华长街
花惠尚运
来的列量
转举长品京有校信书
后返回
(5)对过列年涨
(10对通过车漆、克)
(门古最(海)
掉片线长薄记摄
15—2903
危正进车作业时起
炫站细了规好,无联响
是路的的守作的,此
项性录可省略.
列本通创,皮办年
有关发个你业要厅
站估证员不能以法
济上确认前.出偿等多
()再放旁以下接后向
本站值班总告..
持快旅客刻车通却息
理节班员接车耐抗液
监视列车道行业,发
现回龄按势实处理
TH11500—2009
作业相帝
程厅收目
西刘车划过—
逆班员
(19同到本调质英
点×(站推点:×次)
致点务)到(通产)
列计有异状,一半刑算:
发车作业【专2}
作业程疗
理疗项
发车员售
数信号
确认支事最行
(描示车
车站值能员
(1)向按车站发山:\
(浓)额件*并听最意铺:
(2)媒学行个日3。
3送知信员(长)
“停正影有进路的谢车作
业“,并明展报告
(1)通切信号质表况
X()X造发车十政行
斯听聚究请无课行,
全全“快
(5]动认信号正理.度
苏酒出站行写等
6)理
“(送节x适技车”听
取复通。
表1缺)
岗业技大要
信员长
内位作业技
“使上需前
费通:
南车作业已停证
(2)喜通(次)×道
发整济被片号”,
(3)开放山站信号,
石、羊作理解路研钱,口
按下接:腔
会,平非进路洲疾更,口
再:“疫号好了
助现值无员
理慎妞员
复话次
道装车”
说明市项
说明争项
退力超长、提限列年
车能美列实好
我的我书列车,通通划
停止调车业时
瑞雄业企券:
车站值好质人能从段
备上订时中信号
等长确认正确店尚
站值宽报害。
研同提范组统
变车時,可得前通
(2)发车前、股口、F
(4)通过必与台监总信
号效进到表示,
台站信号表(了:
动认举年上下、行
驾装卸和刻检作业发
(4快观在当
地点会发个智专成局
提转车花示强提示
信专开设中转表信
强律用爱生表示器技
点时院外
H他发4.条件的确以
按霜显规
怀业界群
理疗项用
一钻商发
平路斑负
17)列车退动知接车
[X行年召息。
19属“好\
(可到车询量报
点×站报点.
有较软时
·升批告
到车成抵告
划车寸玛
出,摘建则车
8,3有关规定
长分编
表2(线)
岗位作业坡发寒
信号员(长)
(S过监制音,础认划
东整划站,日呼:
(次酷
(()趣
3.3.1接发列车叫,认真热行车机联控标准。助埋信性员
年长显示立
措返回。
(6)(划)掉板
激)记栽。
TB/T1E00—2003
说明事项
监视列手运行时,发
现可菌热惠范外理
3.3.2接发列车时,接尘列车人员应穿若规宗取装,存整弃.值戴替(胸)单,携带列车无线调度且话,排现宗信号旗(灯),守正姿势、站代站纸规定均点,面问列车:注意列车运行利货物装裁状态。3.3.3小理接发列车用成使用普道说。遇\0\\1\\2\\7\可发\dg河\,\yoo(么)”\arg【网)”,“(拐”音。用语括号内的\站”,“次”“×点“,“分“了”可省路:办理按发客运列车对,车效前以\穿车一字(向列车调度员报点除外):例:客车次,客车特恢,临,游)×次,3.3.4一端有两个及共以上列车逐行力向,办理独告收下巡按发率命令时,应以线名或邻站名区厅向(“经\或\站\字叫省路)有两个及戈上车场或经路时,要讲明车场或经路。3.35宽写行车日忘客车使月经带!调寒命令及各种车先能,要您到止确全,手速消。3.3.6开放信号时,\者,“按二确伙,四产唤”没“鼠吞于指、日呼“制度。眼有:否准应操织的孩钮;手指:中.食指儿找肉\到皆“,指尚虚确认的按钮;口呼规定用语,叶字消楚计算机联使的车站,按站细期定执行
3.8.7按伊「用的安全相,艳}及使用小法接车迟定执行,3.3.名列车同时到发:动理范班另能据题时,应先办发车3.3.9出于设备人员组!不间,交件作业技术要变中的存义内容可接卒局(站理定执行,3.3,10期累列年区再行时分小二站细观定的并款选站信号时分时,小要信了时机后站细现完,3.3.11使用自动泄过按部的必站由各铁路危制完,5
小提示:此标准内容仅展示完整标准里的部分截取内容,若需要完整标准请到上方自行免费下载完整标准文档。
TB/T 1500—2003
代巷TRT1500—1902
双线自动闭塞集中联锁(设信号员)接发列车作业标准
Standards nf operation of rexeiving and deparling trainson double lines with auto-hlccking and ccntralizcd intcrlncking[with signalman]
200305-19 发布
200310-01实施
中华人民利国铁道部发布
2接发列车作业程疗图
按发列车作业程序及技术费求
1B/1600—2009
TR/T1500—2003
本标准化荐1/11500—192双浅白动闭塞供联锁(设信卡:接发列车作业标准3标Ts1S0012相比要变化F:
取消名耐一幸:
一-将标题宁\电气“取:
将“阅你作业求准“改为“岗位作业技术要求;修改“与化法业技术寒求\闪内释;修改“有关规定”-单的内容。
本标准是接发列车作业标准系列钱消行业标准之下面列出了这整钛道行业标准钓结购,以及裁代营的铁运行业际汇:
门/T15K1双线自动向变失中联能(设信号员)接效列车作标准>,代替TB/T1500一1992。1B151效线白动闭遵第联款(末设信号货按发卡作业标诈:代替1715111992
TT1502单双线半口动闭需年中联锁(投信号接发列车作业标准3,代替13/1502一1592
TRT1503单双线半自动用案共十联锁(未投倍导贯)接发列车作业标准.代情1H/1503--1992
TT1.54单双载率自动用电领器联链接&列车作业标准,代替下VT1504—J992TT/1505单双线申话闭率元联锁接发列作业标准,代告TE/T1引所19本系到你准与1115001506—192拍要变化如下:因单双貌半自动闭寒管链电销器联试设备在全路二茅本询然,发此在本改像订时取消,T1505一19单效线半白达闭癌码按电锁踏联锁法发列车作业标准款本标汇由缺逆部运推虎提出。
本标新山道部标准计空如究所们在标准来单单位:缺道部运给局。本标科起车人:“茂帜,陈黑帝,马龙,除江,韧巨培4标准于1984年首次发布,1992年第-次修订1范围
双线自动闭塞集中联锁(设信号员)接发列车作业标准
TB-T15002003
本标准规定了双自动案焦中联锁设备车站治接发列车作业程,岗位作业挂术尽求本标准适用于双线自动闭率录中抵锁设备设信受员内车站:2接发列车作业程序围
2.1接车(通过)作业程序围(1)核受发项么
备总市
.迎按车线
(通过:
四.列车到达适过!
用款信一
5列兰长近
接送列车
7, 列4到(润趾)
TB1500—2093
2.2发车作业程序围图2)
3接发到车作业程序及接术要求
3,1接车(通元3作业(1
作业程序
程序项月
车站值斑品
[]学市险
x(次)的告
(2)培号(行车日志):
微到运比校
对军次、时到免冬指宗
必要时出罚率调度资联
(1雄汇年载。
通免信员(长):
\,算略最
(资茂告
()复诵发车站开车通
:x×点x(分)
划倍寸长
理值班质:“次评
来车通运款
“并听追其证
P按站细期定通知
思车可
天的位
尚位作业技术要求
信号员长
(1)夏说:)
2)复:\×次于
英护作通恶
创井1
古载损
[发车告
2.开放信号
3准省军车
用读炭车录:
3. (素3本
海理值流点
E通:“路
刘来造控铺
过要范并:
新项学点
我摄种
说明率项
到车写!,落站
泡现定通可有关人贝
监理追班品景多写
点薄由车站自
穿质下同
人年载
到车到达
(通过)
圳车到
法位在员
(11)均以越车线路控
(11通料信号易长:
品止形呵运略的谢车作
”来圾世货。
(12)通划信号员(长)
(本得车酒过)
无落搭书
听最复循究
谈后舒令:\执行此内容来自标准下载网
表1(续)
岗过准业花术费求
传员(;
(3)量“序止影项进
资的编金典
,翻认深
房授告:
低业已停正
[4]量通:\×(次)×证
停猫过,并快带”。
上升改进效使罗,年
扭进精暖教,
后在呼
说养活学
,通时管
进进、出始安好广
(1))再次境人位号正
响成客“父《决)接近
(15)通知所理值研员
?(次)换近、直接车
井听培费销。
(15减签“好了*
([7)对通过车通接
齐站球x点)
(分)酒型
(13)城行车1出
、手接链
鹿终洗推
下按钮:
手措进路整
确认比带、供
,口呼,“多等
是禁正销
(6)通过控制台监机信
放进资表示:
(7带二(=)接近给响
北带警红·市达都认理育
等展铺,当牌:
“×次
(8)通性控制合监投进
享设到车进前站
(4)通过控制台转认列
车整视(演过)楼室
气淡影送
均育使斑展
2客调,*×(欢)势
近文道车”
(3)到站规米
手抵出站造
雪教专择思式
“x产出站信要购
监视列率进站,于
列不停要势返回,通过
转十地点,确认剂个陷
都标有端等华长街
花惠尚运
来的列量
转举长品京有校信书
后返回
(5)对过列年涨
(10对通过车漆、克)
(门古最(海)
掉片线长薄记摄
15—2903
危正进车作业时起
炫站细了规好,无联响
是路的的守作的,此
项性录可省略.
列本通创,皮办年
有关发个你业要厅
站估证员不能以法
济上确认前.出偿等多
()再放旁以下接后向
本站值班总告..
持快旅客刻车通却息
理节班员接车耐抗液
监视列车道行业,发
现回龄按势实处理
TH11500—2009
作业相帝
程厅收目
西刘车划过—
逆班员
(19同到本调质英
点×(站推点:×次)
致点务)到(通产)
列计有异状,一半刑算:
发车作业【专2}
作业程疗
理疗项
发车员售
数信号
确认支事最行
(描示车
车站值能员
(1)向按车站发山:\
(浓)额件*并听最意铺:
(2)媒学行个日3。
3送知信员(长)
“停正影有进路的谢车作
业“,并明展报告
(1)通切信号质表况
X()X造发车十政行
斯听聚究请无课行,
全全“快
(5]动认信号正理.度
苏酒出站行写等
6)理
“(送节x适技车”听
取复通。
表1缺)
岗业技大要
信员长
内位作业技
“使上需前
费通:
南车作业已停证
(2)喜通(次)×道
发整济被片号”,
(3)开放山站信号,
石、羊作理解路研钱,口
按下接:腔
会,平非进路洲疾更,口
再:“疫号好了
助现值无员
理慎妞员
复话次
道装车”
说明市项
说明争项
退力超长、提限列年
车能美列实好
我的我书列车,通通划
停止调车业时
瑞雄业企券:
车站值好质人能从段
备上订时中信号
等长确认正确店尚
站值宽报害。
研同提范组统
变车時,可得前通
(2)发车前、股口、F
(4)通过必与台监总信
号效进到表示,
台站信号表(了:
动认举年上下、行
驾装卸和刻检作业发
(4快观在当
地点会发个智专成局
提转车花示强提示
信专开设中转表信
强律用爱生表示器技
点时院外
H他发4.条件的确以
按霜显规
怀业界群
理疗项用
一钻商发
平路斑负
17)列车退动知接车
[X行年召息。
19属“好\
(可到车询量报
点×站报点.
有较软时
·升批告
到车成抵告
划车寸玛
出,摘建则车
8,3有关规定
长分编
表2(线)
岗位作业坡发寒
信号员(长)
(S过监制音,础认划
东整划站,日呼:
(次酷
(()趣
3.3.1接发列车叫,认真热行车机联控标准。助埋信性员
年长显示立
措返回。
(6)(划)掉板
激)记栽。
TB/T1E00—2003
说明事项
监视列手运行时,发
现可菌热惠范外理
3.3.2接发列车时,接尘列车人员应穿若规宗取装,存整弃.值戴替(胸)单,携带列车无线调度且话,排现宗信号旗(灯),守正姿势、站代站纸规定均点,面问列车:注意列车运行利货物装裁状态。3.3.3小理接发列车用成使用普道说。遇\0\\1\\2\\7\可发\dg河\,\yoo(么)”\arg【网)”,“(拐”音。用语括号内的\站”,“次”“×点“,“分“了”可省路:办理按发客运列车对,车效前以\穿车一字(向列车调度员报点除外):例:客车次,客车特恢,临,游)×次,3.3.4一端有两个及共以上列车逐行力向,办理独告收下巡按发率命令时,应以线名或邻站名区厅向(“经\或\站\字叫省路)有两个及戈上车场或经路时,要讲明车场或经路。3.35宽写行车日忘客车使月经带!调寒命令及各种车先能,要您到止确全,手速消。3.3.6开放信号时,\者,“按二确伙,四产唤”没“鼠吞于指、日呼“制度。眼有:否准应操织的孩钮;手指:中.食指儿找肉\到皆“,指尚虚确认的按钮;口呼规定用语,叶字消楚计算机联使的车站,按站细期定执行
3.8.7按伊「用的安全相,艳}及使用小法接车迟定执行,3.3.名列车同时到发:动理范班另能据题时,应先办发车3.3.9出于设备人员组!不间,交件作业技术要变中的存义内容可接卒局(站理定执行,3.3,10期累列年区再行时分小二站细观定的并款选站信号时分时,小要信了时机后站细现完,3.3.11使用自动泄过按部的必站由各铁路危制完,5
小提示:此标准内容仅展示完整标准里的部分截取内容,若需要完整标准请到上方自行免费下载完整标准文档。
标准图片预览:





- 热门标准
- 铁路运输行业标准(TB)
- TB/T2120-1990 铁路信号交流继电器通用技术条件
- TB/T1670-2009 15号车钩样板
- TB/T1495.3-1992 弹条Ⅰ型扣件 轨距挡板
- TB/T2075.20-2002 电气化铁道接触网零部件 第20部分:特型软定位器
- TB/T1502-2003 单双线半自动闭塞集中联锁(设信号员)接发列车作业标准
- TB/T1503-2003 单双线半自动闭塞集中联锁(末设信号员)接发列车作业标准
- TB/T2075.36-2002 电气化铁道接触网零部件 第36部分:坠砣
- TB/T2465-2003 铁路车站电码化技术条件
- TB1549.21-1984 冷冲模托料滚道装置 滚道体
- TB1549.8-1984 冷冲模托料滚道装置 托料滚道轴
- TB/T3010-2001 铁道车辆滚动轴承高碳铬轴承钢订货技术条件
- TB/T3064.3-2003 轨道动力稳定车 第3部分:系统性能
- TB/T3443.3-2016 机车车辆车种、车型和车号编码规则第3部分:货车
- TB/T2075.13-2002 电气化铁道接触网零部件 第13部分:定位线夹
- TB/T2450-1993 ZG230-450铸钢金相检验
- 行业新闻
请牢记:“bzxz.net”即是“标准下载”四个汉字汉语拼音首字母与国际顶级域名“.net”的组合。 ©2025 标准下载网 www.bzxz.net 本站邮件:bzxznet@163.com
网站备案号:湘ICP备2025141790号-2
网站备案号:湘ICP备2025141790号-2