- 您的位置:
- 标准下载网 >>
- 标准分类 >>
- 国家标准(GB) >>
- GB/T 90-1985 紧固件验收检查、标志与包装
标准号:
GB/T 90-1985
标准名称:
紧固件验收检查、标志与包装
标准类别:
国家标准(GB)
标准状态:
已作废-
发布日期:
1985-07-25 -
实施日期:
1987-01-01 -
作废日期:
2003-06-01 出版语种:
简体中文下载格式:
.rar.pdf下载大小:
3.14 MB
替代情况:
GB 90-1976;部分被GB/T 90.1-2002代替 部分被GB/T 90.2-2002代替采标情况:
ISO 3269-1984 MOD
部分标准内容:
自攻螺钉标准GB-T3098.5-1985
1引言
中华人民共和国国家标准
紧固件验收检查、标志与包装
A cceptance inspection,
marking and packaging of fastenersUDC 621. 88. 001
.4:621.795
GB 90—85
代替GB9076
1.1本标准适用于国家标准中规定的紧固件(即螺栓、螺柱、螺钉、螺母、木螺钉、白攻螺钉、垫圈、销、铆钉、挡圈)的验收检查、标志与包装。1.2仲裁检查时,必须遵循本标准规定的验收程序。当需方要求采用其他验收程序时,应由供需双方协议并在订单中注明。
1.3本标准等效采用国际标准ISO3269—1984《紧固件—验收检查》。第一篇验收检查
2基本规则
2.1每个紧固件都应当符合相应标准的全部规定,但这在大量生产中并不总是可能的。根据紧固件的功能和应用,将全部符合标准要求的和不完全符合标准要求的紧固件截然分开是不必要的,也是不经济的。
2.2供方在生产过程中(包括成品入库验收检查)有权采用任何检查程序控制质量。但必须保证紧固件成品质量符合相应标准的规定。2.3需方认为必要或经济合理时,可根据供方的质量信誉和以往交验产品的质量保证情况,对提交验收的产品免除检查,也可根据需方自定的抽样方案进行验收检查,但这种检查不应增大供方被拒收的风险,即不应减小AQL值或降低接收概率。2.4紧固件验收检查项目仅限于相应标准中规定了特性指标的项目。需方应把验收检查重点放在产品能否满足预期的使用要求上,因此可以根据具体的使用要求采用较少的抽查项目。2.5当对提交验收的产品有争议时:需方必须给供方核实的机会。2.6已拒收的产品批,供方必须经过分类或修整,才能新提交验收。如果进行修整有可能降低该批产品的使用性能,则需经需方同意。2.7用于验收的量规、量具和检验仪器应符合有关规定。可用两种或两种以上的量具进行测量的项目,当其中任一种量具测量合格时,即可判为合格。2.8对已接收的产品批,在检验或安装中发现的有缺陷的紧固件(不包括需方储运或使用不当等造成的缺陷供方应给予更换或补偿。2.9在紧固件的生产中,供方可向其他供货者购买配件、半成品或进行工艺协作,但成品的提供者应对最终的产品质量完全负责。
2.10需方对已经接收的紧固件如再进行任何表面处理或其他加工,则应对其最终的产品质基完全负责。
国家标准局1985-07-25发布
易小牛标准保姆
序号程序名称
通用抓取器
小牛道客
小牛碰碰
程序地址
D:通用抓取器11tongy.
D:W牛道客daoke.ex
D:V小牛碰碰Ape
运.已.状态
1987-01-01实施
准备打开192.168.5.157:63998
3术语和符号
GB90-85
3.1验收检查:为决定一批紧固件是否接收所需的整个检验程序。3.2供方:紧固件的制造或经销者。3.3需方:紧固件的使用或经销者。3.4检查批(简称“批”):供方为次验收提交的,并在同一工艺下制造的同品种、型式、规格、产品等级和性能等级的一定数量的紧固件。3.5批量(N):批中所包含的紧固件数量。3.6随机抽样;每次抽取时,批中所有紧固件被抽取的可能性都相等的抽样方法。3.7样本:从同一检查批中随机抽取的若干个紧固件。3.8样本大小(n):样本中所包含的紧固件数量。3.9特性指标:在相应标准中对尺寸要素、机械性能和表面状态规定的极限范围。3.10缺陷:在任一检查项目中,凡不符合特性指标的要求,即构成缺陷。3.11不合格品:有-.个或更多缺陷的紧固件3.12抽样方案:为决定样本大小和判断检查批是否合格而规定的一组规则。3.13合格判定数(A.):任一合格项的样本中所允许的最大缺陷数。次抽样方案:从批中只抽取个样本的抽样方案。3.14
3.15合格质量水平(AQL):在个抽样方案中,同规定的某一较高接收概率相应的质量水平。本标准规定的各项合格质量水平(AQL)均以每百件紧固件的缺陷数表示。3.16极限质量水平(LQ):在··个抽样方案中,同规定的某-较低接收概率相应的质量水平。本标准采用的LQ1是指接收概率为0.1时的极限质量水平3.17比率(LQ1/AQL):极限质量水平(LQ1)与合格质量水平(AQL)的比值,它用于计算LQ和选择抽样方案。
4尺寸的验收检查程序wwW.bzxz.Net
4.1抽查项目及合格质量水平(AQL)应按第2.3条、2.4条及表1规定。4.2选择适当的比率(LQ10/AQL)4.2.1需方应根据紧固件的使用要求确定比率,对使用要求较高者,可选择较小的比率。4.2.2需方还可根据供方提交的产品质量情况确定比率:对优质产品或固定协作关系供应的质量较好的产品,可选择较大的比率;对供方质量较差或不了解供货质量情况者,可选择较小的比率。4.2.3较小的比率需要较大的样本和较高的检查费用。较大的比率可以减小样本和降低检查费用。4.3根据表1规定的合格质量水平(AQL)和选定的比率(LQ1a/AQL)从表2查出抽样方案,即查出样本大小(n)和合格判定数(A)。
当供需双方有争议时,应选择生产者风险不大于5%的抽样方案。为便于实施仲裁检查,本标准规定采用固定样本大小n=80,并根据各抽查项目的含格质量水平(AQL)从表2查出不同的合格判定数(A.)。
4.4从检查批中随机抽取样本,逐项进行检查,并分项记录缺陷数量。如每项缺陷数均等于或小于相应的合格判定数(A。),则接收该批产品,否则拒收。4.5如供方对需方拒收的产品批有争议时,应按第4.3条规定的抽样方案重新取样进行仲裁检查。4.6对已经拒收的产品批,应按第2.6条的规定处理。6
GB90-85
的的医
GB9085
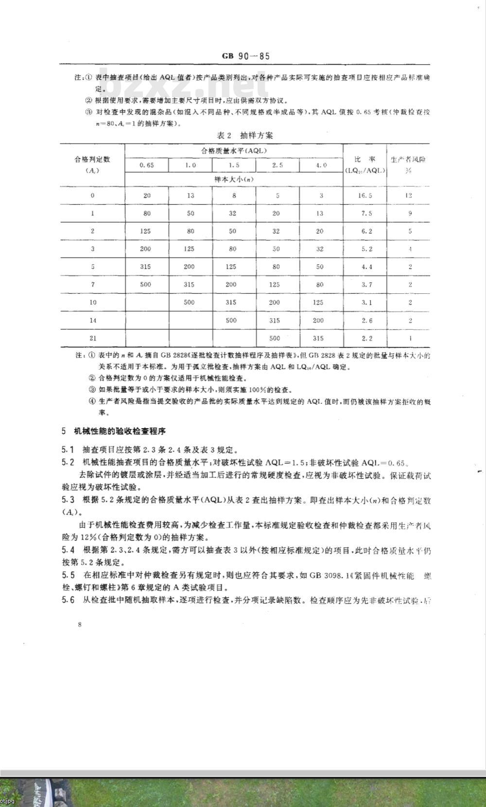
注:①表中抽查项目(给出AQL值者)按产品类别列出,对各种产品实际可实施的抽查项目应按相应产品标准确定。
②根据使用要求,需要增加主要尺寸项目时,应出供需双方协议。③对检查中发现的混杂品(如混入不同品种、不同规格或半成品等).其AQL值按0.65考核(冲裁检套按n=80、A=1的抽样方案)。
表2抽样方案
合格判定数
合格质量水平(AQL)
样本大小(n)
(LQ1/AQL.)
生产者风险
注:①表中的n和A捕自GB2828《逐批检查计数抽样程序及抽样表》,但GB2828表2规定的批量与样本大小的关系不适用于本标准。为用于孤立批检查,抽样方案由AQL和LQie/AQL确定。②合格判定数为0的方案仅适用于机械性能检查、③如果批量等于或小于要求的样本大小,则须实施100%的检查①生产者风险是指当提交验收的产品批的实际质量水平达到规定的AQI.值时,而仍被该抽样方案拒收的概率。
5机械性能的验收检查程序
5.1抽查项目应按第2.3条2.4条及表3规定。5.2机械性能抽查项目的合格质量水平:对破坏性试验AQL=1.5;非破坏性试验AQ1.=0.65去除试件的镀层或涂层,并经适当加工后进行的常规硬度检查,应视为非破坏性试验。保证载荷试验应视为破坏性试验。
5.3根据5.2条规定的合格质量水平(AQL)从表2查出抽样方案。即查出样本大小(n)和合格判定数(A)。
由于机械性能检查费用较高,为减少检查工作量,本标准规定验收检查和仲裁检查都采用生产者风险为12%(合格判定数为0)的抽样方案。5.4根据第2.3、2.4条规定,需方可以抽查表3以外(按相应标准规定)的项目,此时合格质量水平仍按第5.2条规定。
5.5在相应标准中对仲裁检查另有规定时,则也应符合其要求,如GB3098.1《紧固件机械性能螺
栓、螺钉和螺柱》第6章规定的A类试验项目。5.6从检查批中随机抽取样本,逐项进行检查,并分项记录缺陷数。检查顺序应为先非破坏性试验.后8
破坏性试验。
GB90—85
进行拉力试验时,应从实际硬度值最低的试件中挑取样品5.7
全部样品的所有抽查项目均合格后,则接收该批产品,否则拒收如供方对需方拒收的产品批有争议时,应按第5.3条、5.5条的规定重新取样进行仲裁检查。5.8
5.9对已拒收的产品批,应按第2.6条的规定处理。机械性能抽查项目
品类别
抽查项目
抗拉强度
届服强度
伸长率
保证应力
楔负载强度(头部坚固
脱碳层
扭矩试验
柠入性
素钢或合金
机器螺紧定
铆钉挡圈
不锈钢
螺栓、螺
钉和螺柱
注:表中抽查项目(带“\者)按产品类别列出,对各种产品实际可实施的抽查项目应按相应产品标准确定。6螺纹紧固件表面缺陷的验收检查程序6.1抽查项目应按第2.3条、2.4条和相应标准规定,6.2如果表面涂、镀层影响对表面缺陷的识别,则应在检查前予以去除。螺母
6.3非破坏性检查
6.3.1按第6.5条和表4规定,从检查批中随机抽取样本,根据和应标准的规定进行目测或其他非破坏性检查。若发现有缺陷样品数未超过合格判定数(A),则接收该批产品;若发现有缺陷样品数超过合格判定数(A.),则对这些有缺陷的样品还应按第6.4条和表5规定进行破坏性检查。6.3.2对螺栓、螺钉和螺柱进行非破坏性检查时,若发现有任何部位上的萍火裂缝、支承面及其以下的皱纹(非圆形轴肩紧固件上的“三叶”形皱纹除外)的样品,则拒收该批产品。对螺母进行非破坏性检查时,若发现有任何部位上的淬火裂缝的样品,则拒收该批产品。6.3.3供需双方·致确认非破坏性的检查结果已可判定时,则可不继续进行破坏性检查间接收或拒收*螺钉仅指内六角圆柱头螺钉、内六角花形圆住头螺钉及酬柱头内花键螺钉**机器螺钉指开槽和十字槽螺钉.也适用于异形螺钉及不脱出螺钉。该批产品。
6.4破坏性检查
GB90—85
进行破坏性检查的样品,应由非破坏性检查中发现的有最严重缺陷的样品组成,抽样方案按表5规定。若样品不超出相应标准所允许极限的缺陷,则接收该批产品,否则拒收。6.5非破坏性检查的合格质量水平(AQL)规定为0.65。表4非破坏性检查的抽样方案
样本大小(n)
注:当对抽查结果有争议时,应按n20、A-0的抽样方案进行仲裁检查。破坏性检查的抽样方案
有缺陷样品的数量
样本大小()
第二篇
标志与包装
紧固件产品上的标志应按相应标准规定合格判定数(A,)
合格判定数(A.)
8产品应消除污垢及金属屑。无金属镀层的产品表面应涂有防锈剂,以防止在运输和贮藏中受到腐蚀在正常的运输和保管的条件下,应保证自出厂之日起半年内不生锈。9产品包装:在正常的运输和保管的条件下,应保证产品不受损坏和便于使用。包装形式及方法由制造厂确定。
10包装箱、盒、袋等外表应有标志或标签,内容如下:a.
制造厂名:
产品名称(全称或简称);
产品标准规定的标记;
产品数量或净重;
制造或出厂日期;
产品质量标记。
.上述规定以外的要求,由供需双方协议。附加说明:
本标准由中华人民共和国机械工业部提出,由机械工业部标准化研究所归口。本标准由机械工业部标准化研究所负责起草。10
小提示:此标准内容仅展示完整标准里的部分截取内容,若需要完整标准请到上方自行免费下载完整标准文档。
1引言
中华人民共和国国家标准
紧固件验收检查、标志与包装
A cceptance inspection,
marking and packaging of fastenersUDC 621. 88. 001
.4:621.795
GB 90—85
代替GB9076
1.1本标准适用于国家标准中规定的紧固件(即螺栓、螺柱、螺钉、螺母、木螺钉、白攻螺钉、垫圈、销、铆钉、挡圈)的验收检查、标志与包装。1.2仲裁检查时,必须遵循本标准规定的验收程序。当需方要求采用其他验收程序时,应由供需双方协议并在订单中注明。
1.3本标准等效采用国际标准ISO3269—1984《紧固件—验收检查》。第一篇验收检查
2基本规则
2.1每个紧固件都应当符合相应标准的全部规定,但这在大量生产中并不总是可能的。根据紧固件的功能和应用,将全部符合标准要求的和不完全符合标准要求的紧固件截然分开是不必要的,也是不经济的。
2.2供方在生产过程中(包括成品入库验收检查)有权采用任何检查程序控制质量。但必须保证紧固件成品质量符合相应标准的规定。2.3需方认为必要或经济合理时,可根据供方的质量信誉和以往交验产品的质量保证情况,对提交验收的产品免除检查,也可根据需方自定的抽样方案进行验收检查,但这种检查不应增大供方被拒收的风险,即不应减小AQL值或降低接收概率。2.4紧固件验收检查项目仅限于相应标准中规定了特性指标的项目。需方应把验收检查重点放在产品能否满足预期的使用要求上,因此可以根据具体的使用要求采用较少的抽查项目。2.5当对提交验收的产品有争议时:需方必须给供方核实的机会。2.6已拒收的产品批,供方必须经过分类或修整,才能新提交验收。如果进行修整有可能降低该批产品的使用性能,则需经需方同意。2.7用于验收的量规、量具和检验仪器应符合有关规定。可用两种或两种以上的量具进行测量的项目,当其中任一种量具测量合格时,即可判为合格。2.8对已接收的产品批,在检验或安装中发现的有缺陷的紧固件(不包括需方储运或使用不当等造成的缺陷供方应给予更换或补偿。2.9在紧固件的生产中,供方可向其他供货者购买配件、半成品或进行工艺协作,但成品的提供者应对最终的产品质量完全负责。
2.10需方对已经接收的紧固件如再进行任何表面处理或其他加工,则应对其最终的产品质基完全负责。
国家标准局1985-07-25发布
易小牛标准保姆
序号程序名称
通用抓取器
小牛道客
小牛碰碰
程序地址
D:通用抓取器11tongy.
D:W牛道客daoke.ex
D:V小牛碰碰Ape
运.已.状态
1987-01-01实施
准备打开192.168.5.157:63998
3术语和符号
GB90-85
3.1验收检查:为决定一批紧固件是否接收所需的整个检验程序。3.2供方:紧固件的制造或经销者。3.3需方:紧固件的使用或经销者。3.4检查批(简称“批”):供方为次验收提交的,并在同一工艺下制造的同品种、型式、规格、产品等级和性能等级的一定数量的紧固件。3.5批量(N):批中所包含的紧固件数量。3.6随机抽样;每次抽取时,批中所有紧固件被抽取的可能性都相等的抽样方法。3.7样本:从同一检查批中随机抽取的若干个紧固件。3.8样本大小(n):样本中所包含的紧固件数量。3.9特性指标:在相应标准中对尺寸要素、机械性能和表面状态规定的极限范围。3.10缺陷:在任一检查项目中,凡不符合特性指标的要求,即构成缺陷。3.11不合格品:有-.个或更多缺陷的紧固件3.12抽样方案:为决定样本大小和判断检查批是否合格而规定的一组规则。3.13合格判定数(A.):任一合格项的样本中所允许的最大缺陷数。次抽样方案:从批中只抽取个样本的抽样方案。3.14
3.15合格质量水平(AQL):在个抽样方案中,同规定的某一较高接收概率相应的质量水平。本标准规定的各项合格质量水平(AQL)均以每百件紧固件的缺陷数表示。3.16极限质量水平(LQ):在··个抽样方案中,同规定的某-较低接收概率相应的质量水平。本标准采用的LQ1是指接收概率为0.1时的极限质量水平3.17比率(LQ1/AQL):极限质量水平(LQ1)与合格质量水平(AQL)的比值,它用于计算LQ和选择抽样方案。
4尺寸的验收检查程序wwW.bzxz.Net
4.1抽查项目及合格质量水平(AQL)应按第2.3条、2.4条及表1规定。4.2选择适当的比率(LQ10/AQL)4.2.1需方应根据紧固件的使用要求确定比率,对使用要求较高者,可选择较小的比率。4.2.2需方还可根据供方提交的产品质量情况确定比率:对优质产品或固定协作关系供应的质量较好的产品,可选择较大的比率;对供方质量较差或不了解供货质量情况者,可选择较小的比率。4.2.3较小的比率需要较大的样本和较高的检查费用。较大的比率可以减小样本和降低检查费用。4.3根据表1规定的合格质量水平(AQL)和选定的比率(LQ1a/AQL)从表2查出抽样方案,即查出样本大小(n)和合格判定数(A)。
当供需双方有争议时,应选择生产者风险不大于5%的抽样方案。为便于实施仲裁检查,本标准规定采用固定样本大小n=80,并根据各抽查项目的含格质量水平(AQL)从表2查出不同的合格判定数(A.)。
4.4从检查批中随机抽取样本,逐项进行检查,并分项记录缺陷数量。如每项缺陷数均等于或小于相应的合格判定数(A。),则接收该批产品,否则拒收。4.5如供方对需方拒收的产品批有争议时,应按第4.3条规定的抽样方案重新取样进行仲裁检查。4.6对已经拒收的产品批,应按第2.6条的规定处理。6
GB90-85
的的医
GB9085
注:①表中抽查项目(给出AQL值者)按产品类别列出,对各种产品实际可实施的抽查项目应按相应产品标准确定。
②根据使用要求,需要增加主要尺寸项目时,应出供需双方协议。③对检查中发现的混杂品(如混入不同品种、不同规格或半成品等).其AQL值按0.65考核(冲裁检套按n=80、A=1的抽样方案)。
表2抽样方案
合格判定数
合格质量水平(AQL)
样本大小(n)
(LQ1/AQL.)
生产者风险
注:①表中的n和A捕自GB2828《逐批检查计数抽样程序及抽样表》,但GB2828表2规定的批量与样本大小的关系不适用于本标准。为用于孤立批检查,抽样方案由AQL和LQie/AQL确定。②合格判定数为0的方案仅适用于机械性能检查、③如果批量等于或小于要求的样本大小,则须实施100%的检查①生产者风险是指当提交验收的产品批的实际质量水平达到规定的AQI.值时,而仍被该抽样方案拒收的概率。
5机械性能的验收检查程序
5.1抽查项目应按第2.3条2.4条及表3规定。5.2机械性能抽查项目的合格质量水平:对破坏性试验AQL=1.5;非破坏性试验AQ1.=0.65去除试件的镀层或涂层,并经适当加工后进行的常规硬度检查,应视为非破坏性试验。保证载荷试验应视为破坏性试验。
5.3根据5.2条规定的合格质量水平(AQL)从表2查出抽样方案。即查出样本大小(n)和合格判定数(A)。
由于机械性能检查费用较高,为减少检查工作量,本标准规定验收检查和仲裁检查都采用生产者风险为12%(合格判定数为0)的抽样方案。5.4根据第2.3、2.4条规定,需方可以抽查表3以外(按相应标准规定)的项目,此时合格质量水平仍按第5.2条规定。
5.5在相应标准中对仲裁检查另有规定时,则也应符合其要求,如GB3098.1《紧固件机械性能螺
栓、螺钉和螺柱》第6章规定的A类试验项目。5.6从检查批中随机抽取样本,逐项进行检查,并分项记录缺陷数。检查顺序应为先非破坏性试验.后8
破坏性试验。
GB90—85
进行拉力试验时,应从实际硬度值最低的试件中挑取样品5.7
全部样品的所有抽查项目均合格后,则接收该批产品,否则拒收如供方对需方拒收的产品批有争议时,应按第5.3条、5.5条的规定重新取样进行仲裁检查。5.8
5.9对已拒收的产品批,应按第2.6条的规定处理。机械性能抽查项目
品类别
抽查项目
抗拉强度
届服强度
伸长率
保证应力
楔负载强度(头部坚固
脱碳层
扭矩试验
柠入性
素钢或合金
机器螺紧定
铆钉挡圈
不锈钢
螺栓、螺
钉和螺柱
注:表中抽查项目(带“\者)按产品类别列出,对各种产品实际可实施的抽查项目应按相应产品标准确定。6螺纹紧固件表面缺陷的验收检查程序6.1抽查项目应按第2.3条、2.4条和相应标准规定,6.2如果表面涂、镀层影响对表面缺陷的识别,则应在检查前予以去除。螺母
6.3非破坏性检查
6.3.1按第6.5条和表4规定,从检查批中随机抽取样本,根据和应标准的规定进行目测或其他非破坏性检查。若发现有缺陷样品数未超过合格判定数(A),则接收该批产品;若发现有缺陷样品数超过合格判定数(A.),则对这些有缺陷的样品还应按第6.4条和表5规定进行破坏性检查。6.3.2对螺栓、螺钉和螺柱进行非破坏性检查时,若发现有任何部位上的萍火裂缝、支承面及其以下的皱纹(非圆形轴肩紧固件上的“三叶”形皱纹除外)的样品,则拒收该批产品。对螺母进行非破坏性检查时,若发现有任何部位上的淬火裂缝的样品,则拒收该批产品。6.3.3供需双方·致确认非破坏性的检查结果已可判定时,则可不继续进行破坏性检查间接收或拒收*螺钉仅指内六角圆柱头螺钉、内六角花形圆住头螺钉及酬柱头内花键螺钉**机器螺钉指开槽和十字槽螺钉.也适用于异形螺钉及不脱出螺钉。该批产品。
6.4破坏性检查
GB90—85
进行破坏性检查的样品,应由非破坏性检查中发现的有最严重缺陷的样品组成,抽样方案按表5规定。若样品不超出相应标准所允许极限的缺陷,则接收该批产品,否则拒收。6.5非破坏性检查的合格质量水平(AQL)规定为0.65。表4非破坏性检查的抽样方案
样本大小(n)
注:当对抽查结果有争议时,应按n20、A-0的抽样方案进行仲裁检查。破坏性检查的抽样方案
有缺陷样品的数量
样本大小()
第二篇
标志与包装
紧固件产品上的标志应按相应标准规定合格判定数(A,)
合格判定数(A.)
8产品应消除污垢及金属屑。无金属镀层的产品表面应涂有防锈剂,以防止在运输和贮藏中受到腐蚀在正常的运输和保管的条件下,应保证自出厂之日起半年内不生锈。9产品包装:在正常的运输和保管的条件下,应保证产品不受损坏和便于使用。包装形式及方法由制造厂确定。
10包装箱、盒、袋等外表应有标志或标签,内容如下:a.
制造厂名:
产品名称(全称或简称);
产品标准规定的标记;
产品数量或净重;
制造或出厂日期;
产品质量标记。
.上述规定以外的要求,由供需双方协议。附加说明:
本标准由中华人民共和国机械工业部提出,由机械工业部标准化研究所归口。本标准由机械工业部标准化研究所负责起草。10
小提示:此标准内容仅展示完整标准里的部分截取内容,若需要完整标准请到上方自行免费下载完整标准文档。
标准图片预览:





- 其它标准
- 热门标准
- 国家标准(GB)
- GB/T228.1-2021 金属材料 拉伸试验 第1部分:室温试验方法
- GB/T7534-1987 工业用挥发性有机液体沸程的测定
- GB/T3836.1-2021 爆炸性环境 第1部分:设备 通用要求
- GB/T4100-2015 陶瓷砖
- GB/T10125-2021 人造气氛腐蚀试验 盐雾试验
- GB/T50772-2012 木结构工程施工规范
- GB/T30835-2014 锂离子电池用炭复合磷酸铁锂正极材料
- GB5226.1-2019 机械电气安全 机械电气设备 第1部分:通用技术条件
- GB50666-2011 混凝土结构工程施工规范
- GB/T15449-1995 管壳额定开关用场效应晶体管空白详细规范
- GB/T18204.4-2000 公共场所毛巾、床上卧具微生物检验方法细菌总数测定
- GB8552-1987 电子器件详细规范 低功率非线绕固定电阻器 RJ13型金属膜固定电阻器评定水平E(可供认证用)
- GB/T11379-2008 金属覆盖层 工程用铬电镀层
- GB/T23892.3-2009 滑动轴承 稳态条件下流体动压可倾瓦块止推轴承 第3部分:可倾瓦块止推轴承计算的许用值
- GB50303-2015 建筑电气工程施工质量验收规范
- 行业新闻
请牢记:“bzxz.net”即是“标准下载”四个汉字汉语拼音首字母与国际顶级域名“.net”的组合。 ©2025 标准下载网 www.bzxz.net 本站邮件:bzxznet@163.com
网站备案号:湘ICP备2025141790号-2
网站备案号:湘ICP备2025141790号-2