- 您的位置:
- 标准下载网 >>
- 标准分类 >>
- 国家标准(GB) >>
- GB 4463-1984 预应力混凝土用热处理钢筋
标准号:
GB 4463-1984
标准名称:
预应力混凝土用热处理钢筋
标准类别:
国家标准(GB)
标准状态:
已作废-
发布日期:
1984-06-05 -
实施日期:
1985-06-01 -
作废日期:
2005-10-01 出版语种:
简体中文下载格式:
.rar.pdf下载大小:
159.25 KB
替代情况:
被GB/T 5223.3-2005代替
部分标准内容:
中华人民共和国国家标准
预应力混凝土用热处理钢筋
Heat - treated steel bar for prestressed concreteUDC 691. 87: 666
.982.4
GB 4463--84
本标准适用于预应力混凝十用经过热处兜的螺纹钢筋,不适用于焊接和点焊用的钢筋1分类和代号
1.1热处理钢筋按其螺纹外形分为有纵肋和无纵肪两种。1.2热处理钢筋代号为RB150。
2外形、尺寸、重量
2.1有纵肋的热处理钢筋的外形、尺寸及允许偏差应符合图1和表1的规定。图1
公称直径
垂食内径
水平内径
9, 6±0.4
尺寸及允许偏差,mm
国家标准局1984-06-05发布
横助离
横助宽
纵励高
1.5 ±n.5
截面计
算面积
堰论重基
1985-0601实施
GB ±463—84
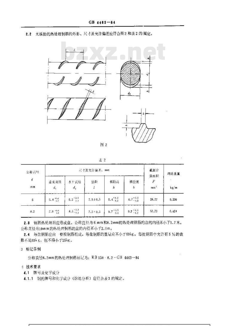
2.2尤纵助的热处理钢筋的外形、尺寸及允许偏差应符合图2和表2的规定。图2
公称直径
垂当有径
只寸及允许偏养,mm
求中径
7.5 + 0.5
横助高
横防宽
截面计
算面积
理论重区
2.3钢筋热处理后应卷成盘。公称直径为6 mm和8,2mm的热处理钢筋的点的内径不小于1.7米。公称直径为10mm的热处理钢筋的盘的内径不小于2.0m。2.4每钢筋应出整根钢筋红成。每盘钢筋的重量应不小于60kg。每批钢筋巾允许有5%的盘数不足60kg,但不得小于25kg
3标记示例
公称直径8.2mm的热处理钢筋标记为:RB15准-8.2-GB4463--841技术要求
4.1牌号及化学成分
4.1.1钢的牌号化学成分(熔炼分析)应符合表3的规定。牌号
48Si2Mn
45Si2Cr
0.36~0.45
0.44~0.53
0.41-0.51
GB 4463—84
1.40-1.90
1.40~1.90
1.55 ~1.95
0.80-1.20
0.80 ~ 0.60
不太于Www.bzxZ.net
4.1.240Si2Mn、48S12Mn钢iCr、Ni残余含量各不得大于0.20%,Cu残余含量不得大于0.30%。45Si2Cr钢中Ni、Cu残余含量各不得大于0.30%。供方可不进行残余元索分析,但应保证符合以上规定。4.1.3成品钢筋化学成分与熔炼分析成分的允许偏差应符合GB 1591一79.《低合金结构钢技术条件》的有关规定。成品Cr的允许偏差应不人下±0.0%。4.2制造方法
4.2.1供制造热处理钢筋用的钢可用氧气顶吹转炉或电炉冶炼。4.2.2热处理钢筋是用热轧的螺纹钢筋径痒火回火的调质热处理而成的。4.3钢筋以热处理状态交货。
力学性能
钢筋的力学性能应符合表4 的规定。4.4.1
4.4.2根据需方要求,供方可提供尚类产品的松弛性能。4.4.3松驰性能:1000h的松弛值不大下3.5%。供方在保证1000h松弛值合格的基础上可进行10h的松尴试验,其松驰值应不人于1,5%。4.5表面质量
4.5.1钢筋表面不得有肉眼可现的裂纹、结疤,折叠。钢筋衣面允许有凸块,但不得超过横肋的离度。钢筋表面允许有不影响使用的缺陷。钢筋表面不得沾有油污。
4,5.2钢筋端部应切制证。
抵服强度u.2
kgfjmmz
公称百径
40si2Mn
45Si2Cr
(N/mm3)
(1325)
注:括导中的单信股数值系用求单位制(S!)。抗垃强度b
kgf/mm2
(N/mm2)
(1430)
伸长率8.0
GB 446384
4.5.3钢筋在制造过程中,除端部外,应使钢筋不受到切火花或其他方式造成的局部加热影响。5试验方法
5.1钢的化学成分分析按GB 222—63《钢的化学分析用试样来取法》和IGB223—81钢铁及其合金中元素分析方法的有关规定进行。5.2钢筋的拉力试验按GB228一76《金属拉力试验法》的有关规定进行。强度按截面的计算面积计算。
5.3松地试验要点
5.3.1试验期间,试样的环境温度应保持在20±2℃的范围以内。5.3.2试样不得在制造后进行任何热处理和冷加L。5.3.3松地试验时,加在钢筋上的初始荷载应等厂表4中规定的钢筋抗拉强度的70%乘以钢筋的计算面积。
5.3.4初始荷载应在5切in内均勾施加完毕,并保持2min后开始记录松地值。5.4用精度为0.1mm的卡尺测量钢筋的尺寸及偏差。6检验规则
6.1热处理钢筋的检查和验收由供方技术监督部门进行。6.2钢筋应成批验收。每抵由同一外形裁面尺寸,同-热处理制度和同炉罐号的钢筋组成。每批重量不大丁60t。
公称容量不大丁30t炼钢炉冶炼的钢轧战的钢材,允许交同钢号纽成的混合批,但每批中不得多于10个炉号,各炉号间钢的含碳量差不得大于0.02%,含锰量差不得大于0.15%,含硅量差不得人于0.20%。
6.3从每批钢筋中选取10%的盘数(不少125盘)进行力学性能试验。试验结果,如有一项不会格时,该不合格盘应报废。再从未试验过的钢筋巾取双倍数的试样进行复验,如仍有-一项不合格,则该批判为不合格品,但供方可以重新分类,作为新的一批提交验收。6,4从每批钢筋中抽取10%的盘数(不少于25盘)进行表面质量、尺寸偏差的检查。如检查不合格,则应将该批钢筋进行逐盘检查。7包装,标志和质量证明书
7.1每盘钢筋应捆扎结实,捆扎不少于四处。7.2每盘钢筋应挂有明显的标牌,牌1应注明,产品名称或代号、制造」名称或商标、钢筋的公称直径、批(炉)号和生产日期。7.3每批钢筋应时有质望证明书,注明:供方名称;
需方名称;
合同号:
批号(或炉罐号),
产品名称、钢筋的公称直径、强度级别,重量及件数:
各项试验结果,
技术监督部门记,
标准编号:
捡验出广日期。
附加说明:
GB 4463—84
本标准由中华人民共和国治金工业部提出。本标准由天津钢厂、冶金部建筑研究总院、唐山钢铁公司负责起草。本标准主要起草人朱龙、李行宜。自本标准实施之日起,原冶金.[业部部标准YB2005一78《预应力钢筋混凝土用热处理钢筋》作废。
本标准水乎等级标记
GB4463—841
小提示:此标准内容仅展示完整标准里的部分截取内容,若需要完整标准请到上方自行免费下载完整标准文档。
预应力混凝土用热处理钢筋
Heat - treated steel bar for prestressed concreteUDC 691. 87: 666
.982.4
GB 4463--84
本标准适用于预应力混凝十用经过热处兜的螺纹钢筋,不适用于焊接和点焊用的钢筋1分类和代号
1.1热处理钢筋按其螺纹外形分为有纵肋和无纵肪两种。1.2热处理钢筋代号为RB150。
2外形、尺寸、重量
2.1有纵肋的热处理钢筋的外形、尺寸及允许偏差应符合图1和表1的规定。图1
公称直径
垂食内径
水平内径
9, 6±0.4
尺寸及允许偏差,mm
国家标准局1984-06-05发布
横助离
横助宽
纵励高
1.5 ±n.5
截面计
算面积
堰论重基
1985-0601实施
GB ±463—84
2.2尤纵助的热处理钢筋的外形、尺寸及允许偏差应符合图2和表2的规定。图2
公称直径
垂当有径
只寸及允许偏养,mm
求中径
7.5 + 0.5
横助高
横防宽
截面计
算面积
理论重区
2.3钢筋热处理后应卷成盘。公称直径为6 mm和8,2mm的热处理钢筋的点的内径不小于1.7米。公称直径为10mm的热处理钢筋的盘的内径不小于2.0m。2.4每钢筋应出整根钢筋红成。每盘钢筋的重量应不小于60kg。每批钢筋巾允许有5%的盘数不足60kg,但不得小于25kg
3标记示例
公称直径8.2mm的热处理钢筋标记为:RB15准-8.2-GB4463--841技术要求
4.1牌号及化学成分
4.1.1钢的牌号化学成分(熔炼分析)应符合表3的规定。牌号
48Si2Mn
45Si2Cr
0.36~0.45
0.44~0.53
0.41-0.51
GB 4463—84
1.40-1.90
1.40~1.90
1.55 ~1.95
0.80-1.20
0.80 ~ 0.60
不太于Www.bzxZ.net
4.1.240Si2Mn、48S12Mn钢iCr、Ni残余含量各不得大于0.20%,Cu残余含量不得大于0.30%。45Si2Cr钢中Ni、Cu残余含量各不得大于0.30%。供方可不进行残余元索分析,但应保证符合以上规定。4.1.3成品钢筋化学成分与熔炼分析成分的允许偏差应符合GB 1591一79.《低合金结构钢技术条件》的有关规定。成品Cr的允许偏差应不人下±0.0%。4.2制造方法
4.2.1供制造热处理钢筋用的钢可用氧气顶吹转炉或电炉冶炼。4.2.2热处理钢筋是用热轧的螺纹钢筋径痒火回火的调质热处理而成的。4.3钢筋以热处理状态交货。
力学性能
钢筋的力学性能应符合表4 的规定。4.4.1
4.4.2根据需方要求,供方可提供尚类产品的松弛性能。4.4.3松驰性能:1000h的松弛值不大下3.5%。供方在保证1000h松弛值合格的基础上可进行10h的松尴试验,其松驰值应不人于1,5%。4.5表面质量
4.5.1钢筋表面不得有肉眼可现的裂纹、结疤,折叠。钢筋衣面允许有凸块,但不得超过横肋的离度。钢筋表面允许有不影响使用的缺陷。钢筋表面不得沾有油污。
4,5.2钢筋端部应切制证。
抵服强度u.2
kgfjmmz
公称百径
40si2Mn
45Si2Cr
(N/mm3)
(1325)
注:括导中的单信股数值系用求单位制(S!)。抗垃强度b
kgf/mm2
(N/mm2)
(1430)
伸长率8.0
GB 446384
4.5.3钢筋在制造过程中,除端部外,应使钢筋不受到切火花或其他方式造成的局部加热影响。5试验方法
5.1钢的化学成分分析按GB 222—63《钢的化学分析用试样来取法》和IGB223—81钢铁及其合金中元素分析方法的有关规定进行。5.2钢筋的拉力试验按GB228一76《金属拉力试验法》的有关规定进行。强度按截面的计算面积计算。
5.3松地试验要点
5.3.1试验期间,试样的环境温度应保持在20±2℃的范围以内。5.3.2试样不得在制造后进行任何热处理和冷加L。5.3.3松地试验时,加在钢筋上的初始荷载应等厂表4中规定的钢筋抗拉强度的70%乘以钢筋的计算面积。
5.3.4初始荷载应在5切in内均勾施加完毕,并保持2min后开始记录松地值。5.4用精度为0.1mm的卡尺测量钢筋的尺寸及偏差。6检验规则
6.1热处理钢筋的检查和验收由供方技术监督部门进行。6.2钢筋应成批验收。每抵由同一外形裁面尺寸,同-热处理制度和同炉罐号的钢筋组成。每批重量不大丁60t。
公称容量不大丁30t炼钢炉冶炼的钢轧战的钢材,允许交同钢号纽成的混合批,但每批中不得多于10个炉号,各炉号间钢的含碳量差不得大于0.02%,含锰量差不得大于0.15%,含硅量差不得人于0.20%。
6.3从每批钢筋中选取10%的盘数(不少125盘)进行力学性能试验。试验结果,如有一项不会格时,该不合格盘应报废。再从未试验过的钢筋巾取双倍数的试样进行复验,如仍有-一项不合格,则该批判为不合格品,但供方可以重新分类,作为新的一批提交验收。6,4从每批钢筋中抽取10%的盘数(不少于25盘)进行表面质量、尺寸偏差的检查。如检查不合格,则应将该批钢筋进行逐盘检查。7包装,标志和质量证明书
7.1每盘钢筋应捆扎结实,捆扎不少于四处。7.2每盘钢筋应挂有明显的标牌,牌1应注明,产品名称或代号、制造」名称或商标、钢筋的公称直径、批(炉)号和生产日期。7.3每批钢筋应时有质望证明书,注明:供方名称;
需方名称;
合同号:
批号(或炉罐号),
产品名称、钢筋的公称直径、强度级别,重量及件数:
各项试验结果,
技术监督部门记,
标准编号:
捡验出广日期。
附加说明:
GB 4463—84
本标准由中华人民共和国治金工业部提出。本标准由天津钢厂、冶金部建筑研究总院、唐山钢铁公司负责起草。本标准主要起草人朱龙、李行宜。自本标准实施之日起,原冶金.[业部部标准YB2005一78《预应力钢筋混凝土用热处理钢筋》作废。
本标准水乎等级标记
GB4463—841
小提示:此标准内容仅展示完整标准里的部分截取内容,若需要完整标准请到上方自行免费下载完整标准文档。
标准图片预览:





- 其它标准
- 上一篇: GB 4444-1984 船用钢质斜梯
- 下一篇: GB 4733-1984 船用柴油机网片式油滤器
- 热门标准
- 国家标准(GB)
- GB/T30917—2014 /ISo 29941:2010 天然胶乳橡胶避孕套中可迁移亚硝胺的测定
- GB/T12777-1999 金属波纹管膨胀节通用技术条件
- GB15193.5-2003 骨髓细胞微核试验
- GB/T29633.4-2020 南极地名 第4部分:罗马字母拼写
- GB/T39964-2021 造纸行业能源管理体系实施指南
- GB/T43929-2024 空间用纤维光学器件测试指南
- GB/T43225-2023 空间物体登记要求
- GB15985-1995 丝虫病诊断标准及处理原则
- GB19159-2003 车用液化石油气
- GB/T7407-1997 中国及世界主要海运贸易港口代码
- GB1913.2-1990 漂白浸渍绝缘纸
- GB14287.4-2014 电气火灾监控系统 第4部分:故障电弧探测器
- GB5237.3-2008 铝合金建筑型材 第3部分:电泳涂漆型材
- GB/T9771.6-2020 通信用单模光纤 第6部分:宽波长段 光传输用非零色散单模光纤特性
- GB29140-2024 纯碱单位产品能源消耗限额
- 行业新闻
请牢记:“bzxz.net”即是“标准下载”四个汉字汉语拼音首字母与国际顶级域名“.net”的组合。 ©2025 标准下载网 www.bzxz.net 本站邮件:bzxznet@163.com
网站备案号:湘ICP备2025141790号-2
网站备案号:湘ICP备2025141790号-2