- 您的位置:
- 标准下载网 >>
- 标准分类 >>
- 国家标准(GB) >>
- GB 4442-1984 四爪锚
标准号:
GB 4442-1984
标准名称:
四爪锚
标准类别:
国家标准(GB)
标准状态:
已作废-
实施日期:
1985-03-01 出版语种:
简体中文下载格式:
.rar.pdf下载大小:
211.08 KB
替代情况:
调整为CB/T 24-1999
部分标准内容:
UDC 629.12.015
中华人民共和国国家标准
GB4442—84
1984-06-01发布
Grapnelanchor
1985-03-01实施
国家标准居
中华人民共和国国家标准
Grapnel anchor
本标准适用于小船上作主锚或倒锚的四瓜锚。1类型
A型——主锚,
B 型—倒错。
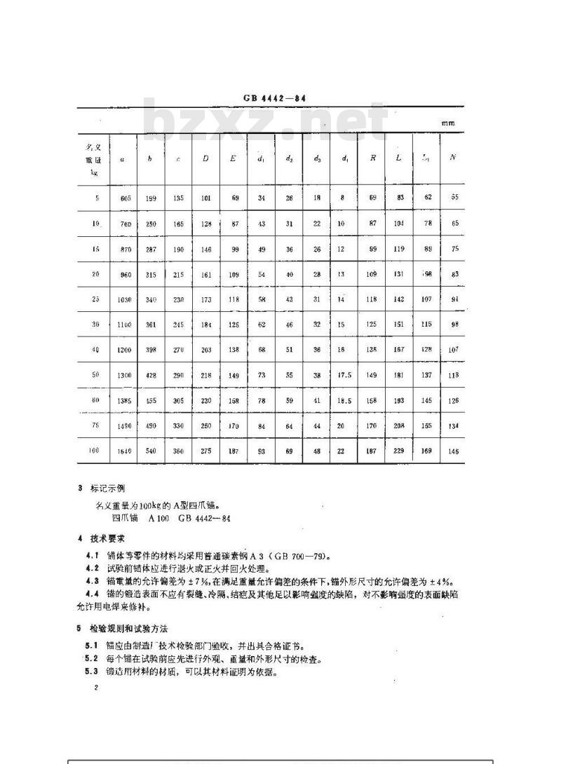
2 A 型与B 型四爪锚的型式和主要尺寸按图1及下表。
1一锚体:2锚环,3-眼环!—防恢棍图1
国家标准局1号84 -06 -01发布
UDC 629.12.016
GB 4±42—B4
1985-08-01实施
3标记示例
名义重量为100kg的A型四爪锚。四爪铺A100GB4442-84
4技术要求
GB 4442—84
4.1销体等零件的材料均采用普通碳素钢A3(GB700—79)。4.2试验前锚体应进行退火或正火并回火处理。d
4.3锚重量的允许偏差为±7%,在满足重量允许偏差的条件下,锚外形尺寸的允许偏差为土4%。4.4锚的锻造表面不应有裂缝、冷隔,结疤及其他足以影响强度的缺陷,对不彩响强度的表面缺陷允许用电焊来修补。
5检验规则和试验方法
5.1锚应由制造厂“技术检验部门验收,并出具合格证书。5.2每个锚在试验前应先进行外观、重量和外形尺寸的检查。5.3锻造用材料的材质,可以其材料证明为依据。2
GB 4442 84
5.4如货方要求可对本焊接锻件做坠落试验,其试验要求与方法如下:5.4.1名义重凰大于或等丁75kg的锚作坠落试验,坠落试验的高度h为2.5m(应自钢垫上表面显至铺体的最低点。
5.4.2作坠落试验时,应将铺垂古提起,错爪在下,以错冠坠落于尺寸不小于1300×1300mm的钢垫上,钢垫的厚度应不小于60mm,钢垫应置手结卖的地面上(见图2)。图2
5.!3坠落试验时,如钢垫发生裂缝应文即调换,并重作试验。5.4. 4锚经受坠落试验后,如没有发现裂缝与断裂情况,可将其悬挂起。用重量不小于3 kg的铁锤敲击,如发声清脆,即可认为合格,否则应重作坠落试验,复试结果算作最后决定。5.5名义重鼠大于或等于75kg的四瓜锚应进行拉力试验,其试验负荷规定如下;75kg-
5.6拉力试验时应同时牵往其两爪试验,然后再试验另外两瓜(见图3)。B型四爪锚之防擦棍应在拉力试验合格后安装。
5.7在拉力试验前,每只锚应装锚卸扣附近的铺杆及被拉锚爪每一尖端上各作-一标志,作为试验时测量距离用。试验前测量:次两标志间的距离,随后逐渐加拉力至试验负荷,持续5分钟,除去负荷后,再测量两标志间的距离。经拉力试验后,允许两标志间距离的增加不得超过0.5%。如发现有永3
久变形,则该锚应作为废品。
6标志
GB 4442 --84
经检验合格的锚应在错孤与错杆连接处打有如下标志:8,锚的名义重量和标准编号,wwW.bzxz.Net
b.制造的印记:
检验部门认可的印记:
试验年月。
附加说明:
本标准由中国船舶工业总公司提出,由大连造船厂归口。本标准由中华造铅厂负贡起草。本标准主要起草人徐瑞华。
自本标准实施之月起,原部标准CB24一65《四瓜锚》作废。
小提示:此标准内容仅展示完整标准里的部分截取内容,若需要完整标准请到上方自行免费下载完整标准文档。
中华人民共和国国家标准
GB4442—84
1984-06-01发布
Grapnelanchor
1985-03-01实施
国家标准居
中华人民共和国国家标准
Grapnel anchor
本标准适用于小船上作主锚或倒锚的四瓜锚。1类型
A型——主锚,
B 型—倒错。
2 A 型与B 型四爪锚的型式和主要尺寸按图1及下表。
1一锚体:2锚环,3-眼环!—防恢棍图1
国家标准局1号84 -06 -01发布
UDC 629.12.016
GB 4±42—B4
1985-08-01实施
3标记示例
名义重量为100kg的A型四爪锚。四爪铺A100GB4442-84
4技术要求
GB 4442—84
4.1销体等零件的材料均采用普通碳素钢A3(GB700—79)。4.2试验前锚体应进行退火或正火并回火处理。d
4.3锚重量的允许偏差为±7%,在满足重量允许偏差的条件下,锚外形尺寸的允许偏差为土4%。4.4锚的锻造表面不应有裂缝、冷隔,结疤及其他足以影响强度的缺陷,对不彩响强度的表面缺陷允许用电焊来修补。
5检验规则和试验方法
5.1锚应由制造厂“技术检验部门验收,并出具合格证书。5.2每个锚在试验前应先进行外观、重量和外形尺寸的检查。5.3锻造用材料的材质,可以其材料证明为依据。2
GB 4442 84
5.4如货方要求可对本焊接锻件做坠落试验,其试验要求与方法如下:5.4.1名义重凰大于或等丁75kg的锚作坠落试验,坠落试验的高度h为2.5m(应自钢垫上表面显至铺体的最低点。
5.4.2作坠落试验时,应将铺垂古提起,错爪在下,以错冠坠落于尺寸不小于1300×1300mm的钢垫上,钢垫的厚度应不小于60mm,钢垫应置手结卖的地面上(见图2)。图2
5.!3坠落试验时,如钢垫发生裂缝应文即调换,并重作试验。5.4. 4锚经受坠落试验后,如没有发现裂缝与断裂情况,可将其悬挂起。用重量不小于3 kg的铁锤敲击,如发声清脆,即可认为合格,否则应重作坠落试验,复试结果算作最后决定。5.5名义重鼠大于或等于75kg的四瓜锚应进行拉力试验,其试验负荷规定如下;75kg-
5.6拉力试验时应同时牵往其两爪试验,然后再试验另外两瓜(见图3)。B型四爪锚之防擦棍应在拉力试验合格后安装。
5.7在拉力试验前,每只锚应装锚卸扣附近的铺杆及被拉锚爪每一尖端上各作-一标志,作为试验时测量距离用。试验前测量:次两标志间的距离,随后逐渐加拉力至试验负荷,持续5分钟,除去负荷后,再测量两标志间的距离。经拉力试验后,允许两标志间距离的增加不得超过0.5%。如发现有永3
久变形,则该锚应作为废品。
6标志
GB 4442 --84
经检验合格的锚应在错孤与错杆连接处打有如下标志:8,锚的名义重量和标准编号,wwW.bzxz.Net
b.制造的印记:
检验部门认可的印记:
试验年月。
附加说明:
本标准由中国船舶工业总公司提出,由大连造船厂归口。本标准由中华造铅厂负贡起草。本标准主要起草人徐瑞华。
自本标准实施之月起,原部标准CB24一65《四瓜锚》作废。
小提示:此标准内容仅展示完整标准里的部分截取内容,若需要完整标准请到上方自行免费下载完整标准文档。
标准图片预览:





- 其它标准
- 上一篇: GB 4305-1984 航海磁罗经系列
- 下一篇: GB 4443-1984 船用滚轮闸刀掣链器
- 热门标准
- 国家标准(GB)
- GB/T30917—2014 /ISo 29941:2010 天然胶乳橡胶避孕套中可迁移亚硝胺的测定
- GB/T12777-1999 金属波纹管膨胀节通用技术条件
- GB15193.5-2003 骨髓细胞微核试验
- GB/T29633.4-2020 南极地名 第4部分:罗马字母拼写
- GB/T43929-2024 空间用纤维光学器件测试指南
- GB/T43225-2023 空间物体登记要求
- GB15985-1995 丝虫病诊断标准及处理原则
- GB19159-2003 车用液化石油气
- GB/T7407-1997 中国及世界主要海运贸易港口代码
- GB1913.2-1990 漂白浸渍绝缘纸
- GB14287.4-2014 电气火灾监控系统 第4部分:故障电弧探测器
- GB5237.3-2008 铝合金建筑型材 第3部分:电泳涂漆型材
- GB/T39964-2021 造纸行业能源管理体系实施指南
- GB/T9771.6-2020 通信用单模光纤 第6部分:宽波长段 光传输用非零色散单模光纤特性
- GB29140-2024 纯碱单位产品能源消耗限额
- 行业新闻
请牢记:“bzxz.net”即是“标准下载”四个汉字汉语拼音首字母与国际顶级域名“.net”的组合。 ©2025 标准下载网 www.bzxz.net 本站邮件:bzxznet@163.com
网站备案号:湘ICP备2025141790号-2
网站备案号:湘ICP备2025141790号-2