- 您的位置:
- 标准下载网 >>
- 标准分类 >>
- 电力行业标准(DL) >>
- DL/T 629-1997 电力线载波结合设备分频滤波器
标准号:
DL/T 629-1997
标准名称:
电力线载波结合设备分频滤波器
标准类别:
电力行业标准(DL)
标准状态:
现行-
发布日期:
1997-11-28 -
实施日期:
1998-05-01 出版语种:
简体中文下载格式:
.rar.pdf下载大小:
321.78 KB
中标分类号:
电子元器件与信息技术>>电子元件>>L18滤波器、延迟线
点击下载
标准简介:
标准下载解压密码:www.bzxz.net
本标准规定了电力线载波结合设备分频滤波器的适用范围、定义、要求、试验方法、检验规则、包装运输等。电力线载波结合设备分频滤波器连接在结合设备与并联的电力线载波终端设备(包括电力线载波机及高频保护收发信机)之间,用以提高电力线载波终端设备并联后的传抽质量。本标准适用于电力线载波结合设备分频滤波器以及和它作用相同的高频差接网络的制造和使用。 DL/T 629-1997 电力线载波结合设备分频滤波器 DL/T629-1997
部分标准内容:
DL/T629—1997
电力线载波结合设备分频滤波器是电力线载波系统中的一种常用设备,连接在结合设备与并联的电力线载波终端设备之间。它的作用主要是提高电力线载波终端设备并联后的传输质量,与电力线载波结合设备一起使用。电力线载波结合设备国家标准GB7329一87未对分频滤波器作任何规定,因此制订本标准。
电力线载波结合设备中还常用一种高频差接网络,作用与分频滤波器相同,也用以提高电力线载波终端设备并联后的传输质量。本标准将这种高频差接网络的有关内容制订为附录A,作为本标准的补充。
本标准的附录 A是标准的附录。本标准由中华人民共和国电力工业部提出。本标准由全国电力远动通信标准化技术委员会归口。本标准由北京电力设备总厂负责起草,浙江电力试验研究所、山东电讯十厂、华东电业管理局参加。本标准主要起草人:陈宇辉、桂红云、朱祥生、李传贵、林敏成。644
中华人民共和国电力行业标准
电力线载波结合设备分频滤波器Separating filters of coupling devices for power line carrier systems1范圈
DL/T 6291997
本标准规定了电力线载波结合设备分频滤波器的适用范围、定义、要求、试验方法、检验规则、包装运输等。
电力线载波结合设备分频滤波器连接在结合设备与并联的电力线载波终端设备(包括电力线载波机及高频保护收发信机)之间,用以提高电力线载波终端设备并联后的传输质量。本标准适用于电力线载波结合设备分频滤波器以及和它作用相同的高频差接网络的制造和使用。2引用标准
下列标准所包含的条文,通过在本标准中引用而构成为本标准的条文。本标准出版时,所示版本均为有效。所有标准都会被修订,使用本标准的各方应探讨使用下列标准最新版本的可能性。GB191—90包装储运图示标志
GB2423.1一89电工电子产品基本环境试验规程试验A:低温试验方法GB2423.2—89电工电子产品基本环境试验规程试验B:高温试验方法GB5081一85电子产品现场可靠性、有效性和维修数据收集指南3定义
本标准采用下列定义。
3.1高低通型分频滤波器
由高通滤波器(下截止频率f2)和低通滤波器(上截止频率f)并联组成,分隔两个互不交叉的频带的分频滤波器,规定fi滤波器
滤波器
图1高低通型分频滤波器
3.2带通带阻型分频滤波器
楚波器
糖波暴
图2带通带阻型分频滤波器
由带通滤波器与带阻滤波器并联组成,分隔两个互不交叉频带的分频滤波器,规定f。为带通滤波器的中心频率,f,为带阻滤波器的下限频率,f,为带阻滤波器的上限频率(图2)。3.3频率分隔比(K)
中华人民共和国电力工业部1997~11-28批准1998-05-01实施
DL/T 629—1997
用以反映分频滤波器工作频带利用率的参数,a)高低通型分频滤波器的频率分隔比是高通滤波器的下截止频率f,与低通滤波器上截止频率f之比值,即K=f2/fi。
b)带通带阻型分频滤波器的频率分隔比是带通滤波器的中心频率。与带阻滤波器的下限频率于1之比,即K一f。/f,或带阻滤波器上限频率f.与带通滤波器的中心频率f。之比,即K一f./f。,取这两个数值中的较大值。
3.4标称功率
满足失真和交调要求的分频滤波器蜂值包络功率的设计值。3.5蜂值包络功率
调制包络线最高蜂值处载波一周期内的平均功率值。3.6初级端子
分频滤波器连接电力线载波结合设备的端子(图1、图2中的1/0)。3.7次级端子
分滤波器连接电力线载波终端设备的端子(图1、图2中的2/0、3/0)。3.8初级端子标称阻抗
分频滤波器1/0端的标称阻抗,常以Z,表示。3.9次级端子标称阻抗
分频滤波器2/0及3/0端的标称阻抗,常以Z2、Z,表示。4产品分类
4.1结构型式
4.1.1机械结构
分频滤波器的电感线圈及电容器装在一个壳体中。4.1.2电路型式
高低通型、带通带阻型或其他网络。4.2规格
&)标称功率系列
50,100,200 W.
b)安装方式
户内及户外型。
5要求
5.1工作条件
5.1.1标准工作条件
标准工作条件为户外运行,分频滤波器处在日光、雨、雾、冰、雪和结冰等环境中应能正常运行。5.1.2海拔高度
安装地点应不超过1000m。
5.1.3环境温度
周围空气温度应在一40~45℃之间。5.1.4工业频率
电力系统频率应在0~60Hz之间。5.1.5工作电压
电力线的额定电压不低于10kV。646
5.1.6异常工作条件的规定
DL/T 629—1997
不能满足上述条件时,制造厂和用户应订特殊协议。5.2基本要求
5.2.1使用要求
分频滤波器应保证两台电力线载波终端设备合用一套结合设备传输两个电力线载波信号而互不干扰。
5.2.2外观要求
a)铭牌文字符号清晰、耐久、数据完整;b)零部件完整,装配牢固可靠,螺丝不松动;c)外壳无明显的凹凸、划伤、裂缝和毛刺、镀层不脱落。5.3载波性能要求
5.3.1载波频率范围
40-500 kHz。
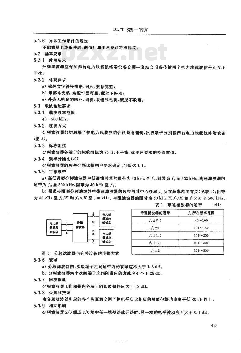
5.3.2连接方式
分频滤波器的初级端子接电力线载波结合设备电缆侧,次级端子分别接两台电力线戴波终端设备(图3))。
5.3.3标称阻抗
分频滤波器各端子的标称阻抗为75Q(不平衡)或用户要求的特殊数值。5.3.4频率分隔比(K)
分频滤波器的赖率分隔比按用户要求确定,可低达1.1。5.3.5工作频带
a)高低通型分频滤波器中低通滤波器的通带为40kHz至f1,阻带为f.至500kHz。高通滤波器的通带为f.至500kHz,阻带为40kHz至fi。b)带通带阻型分频滤波器中带通滤波器的通带与其中心频率f。所在频率范围有关(见表1):阻带为40kHz至f。/K和f×K至500kHz。带阻滤波器的阻带为40kHz至f。/K和f。XK至500kHz。表1带通滤波器的通带
电力娥
电力线
赣波结
合设备
滤波释
裁被终
端设备
电力线
龈波终
增设备
图3分频滤波器与有关设备的连接方式5.3.6衰减
带通滤波器的通带
a)分频滤波器初、次级端子之间通带内的衰减应不大于1.3dB。b)分频滤波器两个次级端子之间阻带内的衰减应不小于26 dB。5.3.7回波损耗
分频滤波器工作频带内各端子的回波损耗应大于12dB。5.3.8失真和交调
f。所在频率范围
40~100
101~150
151~200
201~300
301~500
由分频滤波器引起的各个失真和交调产物电平应比相应的蜂值包络功率电平低80dB以上。5.3.9相互影响
分频滤波器2/0端或3/0端中任一端短路或开路时,另一端的电平波动应不大于0.1dB。647
5.4绝缘要求
5.4.1绝缘电阻bZxz.net
DL/T 629-- 1997
分频滤波器各端子与外壳之间的绝缘电阻应不小于50MQ。5.4.2工频电压
分频滤波器端子对地绝缘时,各端子并联对地应能承受工频电压有效值2kV,时间1min而无放电或击穿现象。
5.4.3冲击电压
分频滤波器端子对地不绝缘时,非接地端子应能承受蜂值3kV1.2/50us的冲击电压而无放电或击穿现象。
5.5可靠性要求
分频滤波器平均无故障工作时间MTBF50000h。6试验方法
6.1外观检查
用目测检查。
6.2衰减
衰减A用比较法测量。通常衰减试验接线如图4所示:振器置于低内阻,输出电平保持不变,颊率在工作颊带内变化,电平表置于高阻抗,调整可变衰减器使电平表在置于4/0及2/0或4/0及3/0端时读数都相等,但两次试验时衰减器的衰减值不一定相等。2/0端及3/0端之间的阻带衰减试验参照图 4进行。
摄药器
fo Ron
可变囊减器
电平表
糖波器
图4分频滤波器衰减试验接线图
R。—可变衰减器特性阻抗;Z,-—初级端子标称阻抗;Zz、Z:-次级端子标称阻抗
1/0端对2/0端、1/0端对3/0端、2/0端对3/0端及3/0端对2/0蹦衰减分别为:Anu = A + lolg 会
A = A + 10lg会
Ang = Ao + 10lg 会
Aa = Ao + 10lg 会
式中:A。—可变衰减器读数,dB;一初级端子标称阻抗,Q;
-次级端子标称阻抗,2;
A12——分频滤波器1/0端对2/0端的通带衰减,dB;A13—一分频滤波器1/0端对3/0端的通带衰减,dB;A23
分频滤波器2/0端对3/0端的阻带衰减,dB;A32
分频滤波器3/0端对2/0端的阻带衰碱,dB。6.3回波损耗
(1)
(3)
(4)
回波损耗用比较法测量,试验接线如图5所示。振荡器置于低内阻,输出电平保持不变,频率在工作频带内变化,电平表置于高阻抗,调整可变衰减器使电平表在置于4/1及5/0端时读数相等,可变衰减器的读数即为1/0端的回波损耗值。2/0端及3/0端的回波损耗试验参照图5进行。648
注:符号说明同图4。
6.4失真和交调
6.4.1对测试系统的要求
DL/T 629—1997
滤波器
可变衰减
电平表
图5分频滤波器回波损耗试验接线图a)测试系统的电源应有屏蔽滤波装置,以防止外部干扰;b)功率放大器的输出功率应足够大,失真应较低;c)被试分频滤波器应安放在电磁屏蔽测试箱内,测试箱设有输入、输出端子,外壳接地;d)分频滤波器输人端信号的失真和交调衰减应不低于90 dB。6.4.2试验方法
失真和交调的试验原理接线如图6所示。在分频滤波器的初级端并接两个试验信号源,两个试验信号的频率不同,但都位于分频滤波器的工作频带内并接近频带下限,分频滤波器的两个次级端各接一个阻值等于其标称阻抗的无感电阻,两个试验信号源的信号依次在无感电阻Z,、Z2上各可产生1/4的峰值包络功率,通过衰减器及高通滤波器,以有效带宽不超过300Hz的选频电平表先后在两个负载电阻上分别测出其中任一种失真和交调产物,试验频率按mf土nfzm、n为0或正整数,f.>fi)的组合频率选取,限定在40~500kHz范围内。报荐器
摄据群
放大器
放大器
滤波器
滤波器
滤汝馨
滤波着
不平衡
分频滤波器失真和交调试验接线图图6
糖波器
电平表
失真和交调试验前后,若发现回波损耗有明显差异,则表明试验已使产品异常或损坏。6.5相互影响试验
a)进行1/0端对2/0端的通带衰减测量时,将3/0端开路或短路,2/0端电平波动应不大于0.1dB。
b)进行1/0端对3/0端的通带衰减测量时,将2/0端开路或短路,3/0端电平波动应不大于o.1dB。
6.6绝缘试验
绝缘试验时应不发生放电或击穿现象。绝缘试验前后,若发现回波损耗有明显差异,则表明试验已使产品异常或损坏。6.6.1绝缘电阻
用1000V兆欧表测量分频滤波器各端子对地及端子间的绝缘电阻,应符合5.4.1规定。6.6.2工额电压
分频滤波器各端子并联,0端与外壳断开,将50Hz正弦波电压对地加在端子上1min,试验电压值应符合5.4.2规定。
6.6.3冲击电压
DL/T629—1997
分频滤波器冲击电压试验接线如图7所示。冲击电压加到分频滤波器的被试端子上,非试验端子并联接地,顺次加1.2/50us正负极性的冲击电压各5次,两次试验的时间间隔不少于3s,试验电压值应符合5.4.3规定。
发生購
注:符号说明同图4。
6.7环境试验
6.7.1低温试验
滤波器
神冲击
发生器
图7分频滤波器冲击电压试验接线图滤波群0 2.0
(a)初级端子冲击电压试验;(b)次级端子冲击电压试验按GB2423.1中规定进行试验,将被试分频滤波器放入低温试验箱中央,降温至5.1条规定的最低温度,保温2h后测其回波损耗应无明显差异。6.7.2高温试验
按GB2423.2中规定进行试验,将被试分频滤波器放入高温试验箱中央,升温至5.1条规定的最高温度,保温2h后测其回波损耗应无明显差异。6.8可靠性
可靠性试验应在现场实际运行中进行。试运行考核期不少于6个月,包括该地区最严酷气候环境条件的时期,按GB5081进行可靠性数据收集。
检验规则
产品检验分出厂检验和型式检验两种。两种检验的项目见表2。表2出厂检验与型式检验项目
试验项目
外观检验
回波损耗
失真和交调
相互影响
绝缘电阻
工额电压
冲击电压
环境试验
可靠性
要求条号
注:○表示必须做的项目,X表示不必须做的项目。650
试验方法条号
出厂检验
型式检验
DL/T 629 -- 1997
7.1分频滤波器出厂前,应由制造厂技术监督部门在正常试验大气条件下逐台进行出厂检验。7.2型式检验是全面验证产品质量性能是否符合第5章要求的检验,下列情况下应进行型式检验:a)新产品定型时,
b)技术、工艺或使用材料有重大改变时;c)同类产品对比时;
d)停止生产一年以上的产品再次生产时;e)出厂捡验结果与上次型式检验有较大差异时;f)国家质量监督机构提出型式检验要求时。进行型式检验的样品数量为该批总数的3%,并不少于5台。经试验如发现有不合格样品,应加倍抽样进行复试,复试如仍有不合格者,则本批产品的型式检验为不合格。8标志、包装、运输、贮存
8.1铭牌上应有下列内容:
a)型号,
b)制造厂名;
c)产品序号;
d)执行标准号;
e)工作频带;
f)标称阻抗,
g)标称功率;
h)原理接线图;
i)出厂年月。
8.2包装箱上应有制造厂名、产品名称、型号。出厂年月、“小心轻放”、“向上”“防止受潮”及箱号等标志,应符合GB191要求。
8.3分频滤波器应储存在-25~~65℃,相对湿度小于80%的库房内,保持通风干燥和无腐蚀性物质侵蚀,防止强烈震动。
8.4应随同产品提供以下技术文件:a)装箱清单;
b)产品合格证;
c)产品说明书;
d)出厂检验记录。
DL/T 629-- 1997
附录A
(标准的附录)
高频差接网络
高频差接网络是一个三端高频变量器(图A1),作用与分频滤波器相同,也接在电力线载波结合设备与并联的电力线载波终端设备之间,用以改善和提高电力线载波终端设备并联后的传输质量,具有频带宽、承受功率大、通用性强、结构简单和使用方便等特点。由于没有滤波电路,邻端衰减较大,要求两端阻抗匹配良好。
A1定义
A1.1邻端衰减
阻抗匹配情况下相邻两端(图A1中1/0端对2/0端或1/0端对3/0端)的衰减。
A1.2对端衰减
阻抗匹配情况下相对两端(图A1中2/0端对3/0端或3/0端对2/0端)的衰减。
A1.3等臂式差接网络
邻端衰减相等的高频差接网络[图A1(a),线圈匝比M=NJ。
A1.4不等臂式差接网络
邻端衰减不相等的高频差接网络[图A1(b),线圈匝比M≠N]。
A2载波性能要求
A2.1载波频率范围
40~500 kHz。
A2.2连接方式
图A1高频差接网络
(a)等臂式;(b)不等臂式
R一平衡网络电阻,其他符号说明同本标准图4。
高频差接网络和电力线载波结合设备、电力线载波终端设备的连接与分频滤波器相同,见本标准图3。高频差接网络的初级端子(图A1中的1/0端)接电力线载波结合设备电缆侧,次级端子(图A1中的2/0及3/0端)分别接两个电力线载波终端设备。A2.3标称阻抗
高频差接网络初、次级端子的标称阻抗为75Q(不平衡)或用户要求的特殊数值。A2.4邻端衰减
a)等臂式高频差接网络的邻端衰减应不大于3.5dB。b)不等臂式高频差接网络的邻端衰减一端应不大于1.4dB;另一端应不大于8dB。A2.5对端衰减
等臂式或不等臂式高频差接网络对端衰减应大于26dB。A2.6回波损耗
等臂式或不等臂式高频差接网络工作频带内的回波损耗应大于20dB。A2.7失真和交调
由高频差接网络引起的各个失真和交调产物电平应比相应的蜂值包络功率电平低80dB以上。失真和交调的试验原理接线图A2所示。在高频差接网络的初级端接两个试验信号源,两个试验652
DL/T 629—1997
信号的频率不同,但都位于高频差接网络的工作频带内,并接近频带下限,高频差接网络的2,3两个次级端子接一个阻值等于标称阻抗2倍的无感电阻,两个试验信号源的信号在电阻上各产生1/4的蜂值包络功率,通过衰减器及高通滤波器,以有效带宽不超过300Hz的选频电平表测试其中任一种失真和交调产物。测试频率按mfi土nf,(m、n为0或正整数,f2>f)的组合频率选取,限定在40~500 kHz范围内。
失真和交调试验前后,如发现回波损耗有明显差异,则表明试验已使产品异常或损坏。振药毒
操基器
A2.8相互影响
放大疆
放大器
撬被器
健波器
图A2高频差接网络失真和交调试验接线图高频差接网络2/0端或3/0端中任一端短路或开路时,另一端的电平波动应不大于0.1dB。A2.9绝缘要求
A2.9.1工频电压
a)高频差接网络端子对地绝缘时,各端子并联对地应能承受工频2kV有效值电压1min而无放电或击穿现象:
b)高频差接网络各绕组之间应能承受工频1kV有效值电压1min而无放电或击穿现象。A2.9.2冲击电压
高频差接网络端子对地不绝缘时,非接地端子应能承受峰值3kV1.2/50μs的冲击电压而无放电或击穿现象。
小提示:此标准内容仅展示完整标准里的部分截取内容,若需要完整标准请到上方自行免费下载完整标准文档。
电力线载波结合设备分频滤波器是电力线载波系统中的一种常用设备,连接在结合设备与并联的电力线载波终端设备之间。它的作用主要是提高电力线载波终端设备并联后的传输质量,与电力线载波结合设备一起使用。电力线载波结合设备国家标准GB7329一87未对分频滤波器作任何规定,因此制订本标准。
电力线载波结合设备中还常用一种高频差接网络,作用与分频滤波器相同,也用以提高电力线载波终端设备并联后的传输质量。本标准将这种高频差接网络的有关内容制订为附录A,作为本标准的补充。
本标准的附录 A是标准的附录。本标准由中华人民共和国电力工业部提出。本标准由全国电力远动通信标准化技术委员会归口。本标准由北京电力设备总厂负责起草,浙江电力试验研究所、山东电讯十厂、华东电业管理局参加。本标准主要起草人:陈宇辉、桂红云、朱祥生、李传贵、林敏成。644
中华人民共和国电力行业标准
电力线载波结合设备分频滤波器Separating filters of coupling devices for power line carrier systems1范圈
DL/T 6291997
本标准规定了电力线载波结合设备分频滤波器的适用范围、定义、要求、试验方法、检验规则、包装运输等。
电力线载波结合设备分频滤波器连接在结合设备与并联的电力线载波终端设备(包括电力线载波机及高频保护收发信机)之间,用以提高电力线载波终端设备并联后的传输质量。本标准适用于电力线载波结合设备分频滤波器以及和它作用相同的高频差接网络的制造和使用。2引用标准
下列标准所包含的条文,通过在本标准中引用而构成为本标准的条文。本标准出版时,所示版本均为有效。所有标准都会被修订,使用本标准的各方应探讨使用下列标准最新版本的可能性。GB191—90包装储运图示标志
GB2423.1一89电工电子产品基本环境试验规程试验A:低温试验方法GB2423.2—89电工电子产品基本环境试验规程试验B:高温试验方法GB5081一85电子产品现场可靠性、有效性和维修数据收集指南3定义
本标准采用下列定义。
3.1高低通型分频滤波器
由高通滤波器(下截止频率f2)和低通滤波器(上截止频率f)并联组成,分隔两个互不交叉的频带的分频滤波器,规定fi
滤波器
图1高低通型分频滤波器
3.2带通带阻型分频滤波器
楚波器
糖波暴
图2带通带阻型分频滤波器
由带通滤波器与带阻滤波器并联组成,分隔两个互不交叉频带的分频滤波器,规定f。为带通滤波器的中心频率,f,为带阻滤波器的下限频率,f,为带阻滤波器的上限频率(图2)。3.3频率分隔比(K)
中华人民共和国电力工业部1997~11-28批准1998-05-01实施
DL/T 629—1997
用以反映分频滤波器工作频带利用率的参数,a)高低通型分频滤波器的频率分隔比是高通滤波器的下截止频率f,与低通滤波器上截止频率f之比值,即K=f2/fi。
b)带通带阻型分频滤波器的频率分隔比是带通滤波器的中心频率。与带阻滤波器的下限频率于1之比,即K一f。/f,或带阻滤波器上限频率f.与带通滤波器的中心频率f。之比,即K一f./f。,取这两个数值中的较大值。
3.4标称功率
满足失真和交调要求的分频滤波器蜂值包络功率的设计值。3.5蜂值包络功率
调制包络线最高蜂值处载波一周期内的平均功率值。3.6初级端子
分频滤波器连接电力线载波结合设备的端子(图1、图2中的1/0)。3.7次级端子
分滤波器连接电力线载波终端设备的端子(图1、图2中的2/0、3/0)。3.8初级端子标称阻抗
分频滤波器1/0端的标称阻抗,常以Z,表示。3.9次级端子标称阻抗
分频滤波器2/0及3/0端的标称阻抗,常以Z2、Z,表示。4产品分类
4.1结构型式
4.1.1机械结构
分频滤波器的电感线圈及电容器装在一个壳体中。4.1.2电路型式
高低通型、带通带阻型或其他网络。4.2规格
&)标称功率系列
50,100,200 W.
b)安装方式
户内及户外型。
5要求
5.1工作条件
5.1.1标准工作条件
标准工作条件为户外运行,分频滤波器处在日光、雨、雾、冰、雪和结冰等环境中应能正常运行。5.1.2海拔高度
安装地点应不超过1000m。
5.1.3环境温度
周围空气温度应在一40~45℃之间。5.1.4工业频率
电力系统频率应在0~60Hz之间。5.1.5工作电压
电力线的额定电压不低于10kV。646
5.1.6异常工作条件的规定
DL/T 629—1997
不能满足上述条件时,制造厂和用户应订特殊协议。5.2基本要求
5.2.1使用要求
分频滤波器应保证两台电力线载波终端设备合用一套结合设备传输两个电力线载波信号而互不干扰。
5.2.2外观要求
a)铭牌文字符号清晰、耐久、数据完整;b)零部件完整,装配牢固可靠,螺丝不松动;c)外壳无明显的凹凸、划伤、裂缝和毛刺、镀层不脱落。5.3载波性能要求
5.3.1载波频率范围
40-500 kHz。
5.3.2连接方式
分频滤波器的初级端子接电力线载波结合设备电缆侧,次级端子分别接两台电力线戴波终端设备(图3))。
5.3.3标称阻抗
分频滤波器各端子的标称阻抗为75Q(不平衡)或用户要求的特殊数值。5.3.4频率分隔比(K)
分频滤波器的赖率分隔比按用户要求确定,可低达1.1。5.3.5工作频带
a)高低通型分频滤波器中低通滤波器的通带为40kHz至f1,阻带为f.至500kHz。高通滤波器的通带为f.至500kHz,阻带为40kHz至fi。b)带通带阻型分频滤波器中带通滤波器的通带与其中心频率f。所在频率范围有关(见表1):阻带为40kHz至f。/K和f×K至500kHz。带阻滤波器的阻带为40kHz至f。/K和f。XK至500kHz。表1带通滤波器的通带
电力娥
电力线
赣波结
合设备
滤波释
裁被终
端设备
电力线
龈波终
增设备
图3分频滤波器与有关设备的连接方式5.3.6衰减
带通滤波器的通带
a)分频滤波器初、次级端子之间通带内的衰减应不大于1.3dB。b)分频滤波器两个次级端子之间阻带内的衰减应不小于26 dB。5.3.7回波损耗
分频滤波器工作频带内各端子的回波损耗应大于12dB。5.3.8失真和交调
f。所在频率范围
40~100
101~150
151~200
201~300
301~500
由分频滤波器引起的各个失真和交调产物电平应比相应的蜂值包络功率电平低80dB以上。5.3.9相互影响
分频滤波器2/0端或3/0端中任一端短路或开路时,另一端的电平波动应不大于0.1dB。647
5.4绝缘要求
5.4.1绝缘电阻bZxz.net
DL/T 629-- 1997
分频滤波器各端子与外壳之间的绝缘电阻应不小于50MQ。5.4.2工频电压
分频滤波器端子对地绝缘时,各端子并联对地应能承受工频电压有效值2kV,时间1min而无放电或击穿现象。
5.4.3冲击电压
分频滤波器端子对地不绝缘时,非接地端子应能承受蜂值3kV1.2/50us的冲击电压而无放电或击穿现象。
5.5可靠性要求
分频滤波器平均无故障工作时间MTBF50000h。6试验方法
6.1外观检查
用目测检查。
6.2衰减
衰减A用比较法测量。通常衰减试验接线如图4所示:振器置于低内阻,输出电平保持不变,颊率在工作颊带内变化,电平表置于高阻抗,调整可变衰减器使电平表在置于4/0及2/0或4/0及3/0端时读数都相等,但两次试验时衰减器的衰减值不一定相等。2/0端及3/0端之间的阻带衰减试验参照图 4进行。
摄药器
fo Ron
可变囊减器
电平表
糖波器
图4分频滤波器衰减试验接线图
R。—可变衰减器特性阻抗;Z,-—初级端子标称阻抗;Zz、Z:-次级端子标称阻抗
1/0端对2/0端、1/0端对3/0端、2/0端对3/0端及3/0端对2/0蹦衰减分别为:Anu = A + lolg 会
A = A + 10lg会
Ang = Ao + 10lg 会
Aa = Ao + 10lg 会
式中:A。—可变衰减器读数,dB;一初级端子标称阻抗,Q;
-次级端子标称阻抗,2;
A12——分频滤波器1/0端对2/0端的通带衰减,dB;A13—一分频滤波器1/0端对3/0端的通带衰减,dB;A23
分频滤波器2/0端对3/0端的阻带衰减,dB;A32
分频滤波器3/0端对2/0端的阻带衰碱,dB。6.3回波损耗
(1)
(3)
(4)
回波损耗用比较法测量,试验接线如图5所示。振荡器置于低内阻,输出电平保持不变,频率在工作频带内变化,电平表置于高阻抗,调整可变衰减器使电平表在置于4/1及5/0端时读数相等,可变衰减器的读数即为1/0端的回波损耗值。2/0端及3/0端的回波损耗试验参照图5进行。648
注:符号说明同图4。
6.4失真和交调
6.4.1对测试系统的要求
DL/T 629—1997
滤波器
可变衰减
电平表
图5分频滤波器回波损耗试验接线图a)测试系统的电源应有屏蔽滤波装置,以防止外部干扰;b)功率放大器的输出功率应足够大,失真应较低;c)被试分频滤波器应安放在电磁屏蔽测试箱内,测试箱设有输入、输出端子,外壳接地;d)分频滤波器输人端信号的失真和交调衰减应不低于90 dB。6.4.2试验方法
失真和交调的试验原理接线如图6所示。在分频滤波器的初级端并接两个试验信号源,两个试验信号的频率不同,但都位于分频滤波器的工作频带内并接近频带下限,分频滤波器的两个次级端各接一个阻值等于其标称阻抗的无感电阻,两个试验信号源的信号依次在无感电阻Z,、Z2上各可产生1/4的峰值包络功率,通过衰减器及高通滤波器,以有效带宽不超过300Hz的选频电平表先后在两个负载电阻上分别测出其中任一种失真和交调产物,试验频率按mf土nfzm、n为0或正整数,f.>fi)的组合频率选取,限定在40~500kHz范围内。报荐器
摄据群
放大器
放大器
滤波器
滤波器
滤汝馨
滤波着
不平衡
分频滤波器失真和交调试验接线图图6
糖波器
电平表
失真和交调试验前后,若发现回波损耗有明显差异,则表明试验已使产品异常或损坏。6.5相互影响试验
a)进行1/0端对2/0端的通带衰减测量时,将3/0端开路或短路,2/0端电平波动应不大于0.1dB。
b)进行1/0端对3/0端的通带衰减测量时,将2/0端开路或短路,3/0端电平波动应不大于o.1dB。
6.6绝缘试验
绝缘试验时应不发生放电或击穿现象。绝缘试验前后,若发现回波损耗有明显差异,则表明试验已使产品异常或损坏。6.6.1绝缘电阻
用1000V兆欧表测量分频滤波器各端子对地及端子间的绝缘电阻,应符合5.4.1规定。6.6.2工额电压
分频滤波器各端子并联,0端与外壳断开,将50Hz正弦波电压对地加在端子上1min,试验电压值应符合5.4.2规定。
6.6.3冲击电压
DL/T629—1997
分频滤波器冲击电压试验接线如图7所示。冲击电压加到分频滤波器的被试端子上,非试验端子并联接地,顺次加1.2/50us正负极性的冲击电压各5次,两次试验的时间间隔不少于3s,试验电压值应符合5.4.3规定。
发生購
注:符号说明同图4。
6.7环境试验
6.7.1低温试验
滤波器
神冲击
发生器
图7分频滤波器冲击电压试验接线图滤波群0 2.0
(a)初级端子冲击电压试验;(b)次级端子冲击电压试验按GB2423.1中规定进行试验,将被试分频滤波器放入低温试验箱中央,降温至5.1条规定的最低温度,保温2h后测其回波损耗应无明显差异。6.7.2高温试验
按GB2423.2中规定进行试验,将被试分频滤波器放入高温试验箱中央,升温至5.1条规定的最高温度,保温2h后测其回波损耗应无明显差异。6.8可靠性
可靠性试验应在现场实际运行中进行。试运行考核期不少于6个月,包括该地区最严酷气候环境条件的时期,按GB5081进行可靠性数据收集。
检验规则
产品检验分出厂检验和型式检验两种。两种检验的项目见表2。表2出厂检验与型式检验项目
试验项目
外观检验
回波损耗
失真和交调
相互影响
绝缘电阻
工额电压
冲击电压
环境试验
可靠性
要求条号
注:○表示必须做的项目,X表示不必须做的项目。650
试验方法条号
出厂检验
型式检验
DL/T 629 -- 1997
7.1分频滤波器出厂前,应由制造厂技术监督部门在正常试验大气条件下逐台进行出厂检验。7.2型式检验是全面验证产品质量性能是否符合第5章要求的检验,下列情况下应进行型式检验:a)新产品定型时,
b)技术、工艺或使用材料有重大改变时;c)同类产品对比时;
d)停止生产一年以上的产品再次生产时;e)出厂捡验结果与上次型式检验有较大差异时;f)国家质量监督机构提出型式检验要求时。进行型式检验的样品数量为该批总数的3%,并不少于5台。经试验如发现有不合格样品,应加倍抽样进行复试,复试如仍有不合格者,则本批产品的型式检验为不合格。8标志、包装、运输、贮存
8.1铭牌上应有下列内容:
a)型号,
b)制造厂名;
c)产品序号;
d)执行标准号;
e)工作频带;
f)标称阻抗,
g)标称功率;
h)原理接线图;
i)出厂年月。
8.2包装箱上应有制造厂名、产品名称、型号。出厂年月、“小心轻放”、“向上”“防止受潮”及箱号等标志,应符合GB191要求。
8.3分频滤波器应储存在-25~~65℃,相对湿度小于80%的库房内,保持通风干燥和无腐蚀性物质侵蚀,防止强烈震动。
8.4应随同产品提供以下技术文件:a)装箱清单;
b)产品合格证;
c)产品说明书;
d)出厂检验记录。
DL/T 629-- 1997
附录A
(标准的附录)
高频差接网络
高频差接网络是一个三端高频变量器(图A1),作用与分频滤波器相同,也接在电力线载波结合设备与并联的电力线载波终端设备之间,用以改善和提高电力线载波终端设备并联后的传输质量,具有频带宽、承受功率大、通用性强、结构简单和使用方便等特点。由于没有滤波电路,邻端衰减较大,要求两端阻抗匹配良好。
A1定义
A1.1邻端衰减
阻抗匹配情况下相邻两端(图A1中1/0端对2/0端或1/0端对3/0端)的衰减。
A1.2对端衰减
阻抗匹配情况下相对两端(图A1中2/0端对3/0端或3/0端对2/0端)的衰减。
A1.3等臂式差接网络
邻端衰减相等的高频差接网络[图A1(a),线圈匝比M=NJ。
A1.4不等臂式差接网络
邻端衰减不相等的高频差接网络[图A1(b),线圈匝比M≠N]。
A2载波性能要求
A2.1载波频率范围
40~500 kHz。
A2.2连接方式
图A1高频差接网络
(a)等臂式;(b)不等臂式
R一平衡网络电阻,其他符号说明同本标准图4。
高频差接网络和电力线载波结合设备、电力线载波终端设备的连接与分频滤波器相同,见本标准图3。高频差接网络的初级端子(图A1中的1/0端)接电力线载波结合设备电缆侧,次级端子(图A1中的2/0及3/0端)分别接两个电力线载波终端设备。A2.3标称阻抗
高频差接网络初、次级端子的标称阻抗为75Q(不平衡)或用户要求的特殊数值。A2.4邻端衰减
a)等臂式高频差接网络的邻端衰减应不大于3.5dB。b)不等臂式高频差接网络的邻端衰减一端应不大于1.4dB;另一端应不大于8dB。A2.5对端衰减
等臂式或不等臂式高频差接网络对端衰减应大于26dB。A2.6回波损耗
等臂式或不等臂式高频差接网络工作频带内的回波损耗应大于20dB。A2.7失真和交调
由高频差接网络引起的各个失真和交调产物电平应比相应的蜂值包络功率电平低80dB以上。失真和交调的试验原理接线图A2所示。在高频差接网络的初级端接两个试验信号源,两个试验652
DL/T 629—1997
信号的频率不同,但都位于高频差接网络的工作频带内,并接近频带下限,高频差接网络的2,3两个次级端子接一个阻值等于标称阻抗2倍的无感电阻,两个试验信号源的信号在电阻上各产生1/4的蜂值包络功率,通过衰减器及高通滤波器,以有效带宽不超过300Hz的选频电平表测试其中任一种失真和交调产物。测试频率按mfi土nf,(m、n为0或正整数,f2>f)的组合频率选取,限定在40~500 kHz范围内。
失真和交调试验前后,如发现回波损耗有明显差异,则表明试验已使产品异常或损坏。振药毒
操基器
A2.8相互影响
放大疆
放大器
撬被器
健波器
图A2高频差接网络失真和交调试验接线图高频差接网络2/0端或3/0端中任一端短路或开路时,另一端的电平波动应不大于0.1dB。A2.9绝缘要求
A2.9.1工频电压
a)高频差接网络端子对地绝缘时,各端子并联对地应能承受工频2kV有效值电压1min而无放电或击穿现象:
b)高频差接网络各绕组之间应能承受工频1kV有效值电压1min而无放电或击穿现象。A2.9.2冲击电压
高频差接网络端子对地不绝缘时,非接地端子应能承受峰值3kV1.2/50μs的冲击电压而无放电或击穿现象。
小提示:此标准内容仅展示完整标准里的部分截取内容,若需要完整标准请到上方自行免费下载完整标准文档。
标准图片预览:





- 其它标准
- 热门标准
- 电力行业标准(DL)
- DL/T1750-2017 燃气-蒸汽联合循环机组卧式自然循环余热锅炉检修与维护规程
- DL/T822-2002 水电厂计算机监控系统试验验收规程
- DL/T5340-2006 直流输电线路对电信线路危险影响防护设计技术规程
- DL/T1050-2016 电力环境保护技术监督导则
- DL/T5216-2005 35kV~220kV城市地下变电站设计规定
- DL/T673-1999 火力发电厂水处理用001×7强酸性阳离子交换树脂报废标准
- DL/T809-2002 水质一浊度的测定
- DL/T5156.2-2002 电力工程勘测制图 第2部分:岩土工程
- DL/T5156.4-2002 电力工程勘测制图 第4部分:水文地质
- DL/T844-2003 l2 kV少维护户外配电开关设备通用技术条件
- DL/T835-2003 水工钢闸门和启闭机安全检测技术规程
- DL/T866-2004 电流互感器和电压互感器选择及计算导则
- DL/T790.441-2004 采用配电线载波的配电自动化 第4-41部分:数据通信协议 应用层协议--配电线报文规范
- DL/T846.3-2004 高电压测试设备通用技术条件 第3部分:高压开关综合测试仪
- DL/T849.1-2004 电力设备专用测试仪器通用技术条件 第1部分:电缆故障闪测仪
- 行业新闻
请牢记:“bzxz.net”即是“标准下载”四个汉字汉语拼音首字母与国际顶级域名“.net”的组合。 ©2025 标准下载网 www.bzxz.net 本站邮件:bzxznet@163.com
网站备案号:湘ICP备2025141790号-2
网站备案号:湘ICP备2025141790号-2