- 您的位置:
- 标准下载网 >>
- 标准分类 >>
- 国家标准(GB) >>
- GB/T 18856.5-2002 水煤浆质量试验方法 第5部分:水煤浆稳定性测定方法
标准号:
GB/T 18856.5-2002
标准名称:
水煤浆质量试验方法 第5部分:水煤浆稳定性测定方法
标准类别:
国家标准(GB)
标准状态:
已作废-
发布日期:
2002-10-18 -
实施日期:
2003-04-01 -
作废日期:
2009-04-01 出版语种:
简体中文下载格式:
.rar.pdf下载大小:
727.61 KB
替代情况:
被GB/T 18856.5-2008代替
点击下载
标准简介:
标准下载解压密码:www.bzxz.net
GB /T 18856的本部分规定了水煤浆动态稳定性和静态稳定性的测定方法、仪器设备、结果计算和方法的精密度本部分适用于各种水煤浆。 GB/T 18856.5-2002 水煤浆质量试验方法 第5部分:水煤浆稳定性测定方法 GB/T18856.5-2002
部分标准内容:
ICS75.160
中华人民共和国国家标准
GB/T18856.5—2002
水煤浆质量试验方法
第5部分:水煤浆稳定性测定方法Test methods for quality of coal water mixture-Part 5 Determination of the stability of coal water mixlure2002-10-18发布
中华人民共和国
国家质量监督检验检疫总局
2003-04-01实施
GB/T18856.5—2002
GB/T18856%水煤浆质量试验方法分为14个部分:第1部分:水煤浆采样方法
第2部分:水煤浆浓度定方法
第3部分:水煤浆筛分试验方法
一第4部分:水煤浆表观粘度测定方法第5部分:水煤浆稳定性测定方法一第6部分:水煤浆发热量测定方法第7部分:水煤浆工业分析力法
第8部分:水煤浆全硫测定方法
第9部分:水煤浆密度测定方法
一第10部分:水煤浆灰熔融性测定方法第11部分:水煤浆碳氢测定方法第12部分:水煤浆氨测定方法
第13部分:水煤浆灰成分测定方法一第14部分:水煤浆pH值测定方法本部分是GB/T18856的第5部分:本部分由全国能源基础与管理标准化技术委员会提出并归口。本部分起草单位:煤炭科学研究总院煤炭分析实验室本部分主要起草人:傅丛孙刚、李英华。22
1范围
水煤浆质量试验方法
第5部分:水煤浆稳定性测定方法GB/T18856.52002
GB/T18856的本部分规定了水煤浆动态稳定性和静态稳定性的测定方法、仪器设备、结果计算和方法的精密度,
本部分适用于各种水煤浆。
2术语和定义
下列术语和定义适用于本部分。2.1
水煤浆动态稳定性dynamicstabilityofcoalwatermixture水煤浆在振荡一定时间后保持其物性均匀的一种性质。2.2
水煤浆静态稳定性staticstabilityof coal watermixture水煤浆放置定时间后保持其物性均匀的一种性质。3测定原理
3.1动态稳定性
一定量均匀的水煤浆试样置于穿器中,在规定条件下振荡·定时间后,将容器乘直倒置8Ilin,称量容器内的残留物质量,以水煤浆的残留物占水煤浆试样的质量百分比表示水煤浆的动态稳定性。3.2静态稳定性
一定量均勾的水煤浆试样置于容器中,在规定条件下静置7l后,将容器垂直例置8min,你量容器内的残留物质量,以水煤浆的残留物占水煤浆试样的质量页分比表示水煤浆的静态稳定性。4实验室条件
水煤浆稳定性试验可在18(~28(的空温下进行。试验期间:实验室温度尽量保持恒定,溢度变化不应超过3℃。
5仪器设备
5.1振落机:往复式振荡机.报幅(40+2)mm,频率(240一20)min-1,顶盘长42cm,宽30cm,带有i时器并能连续振动6 h以上。
5.2工业天平:最大称量1900g感量0.1g。5.3小圆形塑料瓶(试样瓶或接收瓶):高压聚乙烯,容量180mL高约14cm,小几,瓶内壁光滑。5.4大圆形塑料施(试样瓶或接收施):高压聚乙烯,容量500mL,高约11cm,大口,瓶内壁光滑。6测定步骤
6.1水煤浆动态稳定性
6.1.1称量干燥清洁的小圆形塑料瓶(5.3),将搅拌均勾的水煤浆倒人小圆形塑料瓶(试样瓶)中至离23
GB/T 18856.5-2002
瓶口约4cm处(190g~230g),准确称量,计算水煤浆试样的总试样量m。将装有水煤浆的塑料瓶拧紧盖后放到振荡机(5.1)顶盘上.固定好后开机连续振菌6h.6.1.2关闭振荡机,立即取下塑料瓶,打开盖,先倾斜将瓶内水煤浆倒入已预先准确称量的下燥清洁的塑料接收瓶(5.3)中,30s后乘直例置,装有水煤浆的试样瓶口要与接收瓶口对止,垂直倒置8min,停止倾倒,立刻盖上接收瓶和试样瓶瓶盖..6.1.3称量接收施的总质量,计算接收瓶中水煤浆的质量m。6.1.4称量试样瓶总质量,计算试样瓶中残留物的质量州A,注:振药后,接收瓶中水媒浆的质量和试样瓶中残留物质量之和(m十WA)与水煤浆试样总质量m:相差不应超过原质量的1%。否则,本院试验无效。6.2水煤浆静态稳定性
6.2.1充分搅摔水煤浆试样使之均匀,将搅拌均勾的水煤浆倒人已知质量的塑料瓶(5.1)中至离瓶口3cm处(4c0g~460g).称量试样瓶总质量,计算水煤浆试样的总质量m扩紧瓶盖,在室温下静置7d免费标准bzxz.net
6.2.2静置71后,打开塑料瓶盖,先倾斜将瓶内水煤浆倒人已知质量的干燥清洁的塑料接收瓶(5.4)中,30s后乘点倒置,装有水煤浆的试瓶口要与接收瓶口对正。垂白倒置8min,停止倾倒,立刻盖上接收瓶和试样瓶瓶盖。
6.2.3称量接收瓶的总质量,计算接收瓶中水煤浆的质量mB6.2.4称量试样瓶总质量,计算出试样瓶中水煤浆残留的质量ml。注:静置后,接收瓶中水煤浆的质量和试样瓶中线留物质量之和(\n十批)马水煤浆试样总质量m相差不应超过原质量的1%。否则,本次试验无效。7结果计算
7.1水煤浆动态稳定性
水煤浆动态稳定性按公式(1)计算SBera
式中:
水煤浆动态稳定性(%):
水煤浆振荡后非流动性残留物的质量,单位为克(g);m——水煤浆试样的总质量,单位为克(g)。7.2水煤浆静态稳定性
水煤浆静态稳定性按公式(2)计算m×100
式中:
水煤浆静态稳定性():
3——水煤浆静置7d后非流动性残留物的质量,单位为克(g)241
(1)
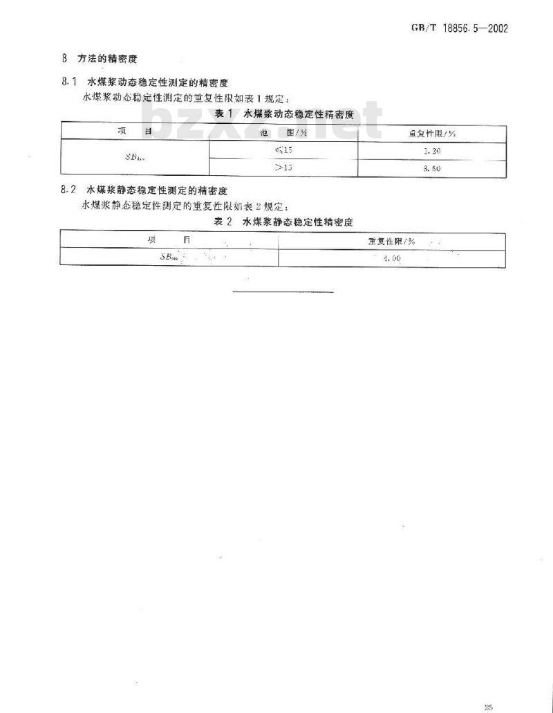
8方法的精密度
8.1水煤浆动态稳定性测定的精密度水煤浆动态稳定性测定的重复性限如表1规定:表1水煤浆动态稳定性精密度
8.2水煤浆静态稳定性测定的精密度范
围/光
水煤浆静态稳定性测定的重复性限如表2规定:表2水煤浆静态稳定性精密度
GB/T 18856.5—2002
重复性限/%
重复性限/%
GB/T18856-2002 (H)
中华人民共和国
国家标谁
水煤浆质量试验方法
GB/T 18856.1--18856.14-20C2
中国标山版社出版
北京复兴门外二里河北街16号
邮政绢码:100045
电话:6852394568517548
中国标准出版社奈皇岛印刷厂印刷新华书店北京发行所发行各地新华书店经售开本880X12301/门6印张5字数125千字2002年11月第一版2002年71月第次印刷印数1-1500
书号:155066·1-18991定价31.00 元网址bzcbs.com
版权专有侵权必究
举报电话:(01068533533
小提示:此标准内容仅展示完整标准里的部分截取内容,若需要完整标准请到上方自行免费下载完整标准文档。
中华人民共和国国家标准
GB/T18856.5—2002
水煤浆质量试验方法
第5部分:水煤浆稳定性测定方法Test methods for quality of coal water mixture-Part 5 Determination of the stability of coal water mixlure2002-10-18发布
中华人民共和国
国家质量监督检验检疫总局
2003-04-01实施
GB/T18856.5—2002
GB/T18856%水煤浆质量试验方法分为14个部分:第1部分:水煤浆采样方法
第2部分:水煤浆浓度定方法
第3部分:水煤浆筛分试验方法
一第4部分:水煤浆表观粘度测定方法第5部分:水煤浆稳定性测定方法一第6部分:水煤浆发热量测定方法第7部分:水煤浆工业分析力法
第8部分:水煤浆全硫测定方法
第9部分:水煤浆密度测定方法
一第10部分:水煤浆灰熔融性测定方法第11部分:水煤浆碳氢测定方法第12部分:水煤浆氨测定方法
第13部分:水煤浆灰成分测定方法一第14部分:水煤浆pH值测定方法本部分是GB/T18856的第5部分:本部分由全国能源基础与管理标准化技术委员会提出并归口。本部分起草单位:煤炭科学研究总院煤炭分析实验室本部分主要起草人:傅丛孙刚、李英华。22
1范围
水煤浆质量试验方法
第5部分:水煤浆稳定性测定方法GB/T18856.52002
GB/T18856的本部分规定了水煤浆动态稳定性和静态稳定性的测定方法、仪器设备、结果计算和方法的精密度,
本部分适用于各种水煤浆。
2术语和定义
下列术语和定义适用于本部分。2.1
水煤浆动态稳定性dynamicstabilityofcoalwatermixture水煤浆在振荡一定时间后保持其物性均匀的一种性质。2.2
水煤浆静态稳定性staticstabilityof coal watermixture水煤浆放置定时间后保持其物性均匀的一种性质。3测定原理
3.1动态稳定性
一定量均匀的水煤浆试样置于穿器中,在规定条件下振荡·定时间后,将容器乘直倒置8Ilin,称量容器内的残留物质量,以水煤浆的残留物占水煤浆试样的质量百分比表示水煤浆的动态稳定性。3.2静态稳定性
一定量均勾的水煤浆试样置于容器中,在规定条件下静置7l后,将容器垂直例置8min,你量容器内的残留物质量,以水煤浆的残留物占水煤浆试样的质量页分比表示水煤浆的静态稳定性。4实验室条件
水煤浆稳定性试验可在18(~28(的空温下进行。试验期间:实验室温度尽量保持恒定,溢度变化不应超过3℃。
5仪器设备
5.1振落机:往复式振荡机.报幅(40+2)mm,频率(240一20)min-1,顶盘长42cm,宽30cm,带有i时器并能连续振动6 h以上。
5.2工业天平:最大称量1900g感量0.1g。5.3小圆形塑料瓶(试样瓶或接收瓶):高压聚乙烯,容量180mL高约14cm,小几,瓶内壁光滑。5.4大圆形塑料施(试样瓶或接收施):高压聚乙烯,容量500mL,高约11cm,大口,瓶内壁光滑。6测定步骤
6.1水煤浆动态稳定性
6.1.1称量干燥清洁的小圆形塑料瓶(5.3),将搅拌均勾的水煤浆倒人小圆形塑料瓶(试样瓶)中至离23
GB/T 18856.5-2002
瓶口约4cm处(190g~230g),准确称量,计算水煤浆试样的总试样量m。将装有水煤浆的塑料瓶拧紧盖后放到振荡机(5.1)顶盘上.固定好后开机连续振菌6h.6.1.2关闭振荡机,立即取下塑料瓶,打开盖,先倾斜将瓶内水煤浆倒入已预先准确称量的下燥清洁的塑料接收瓶(5.3)中,30s后乘直例置,装有水煤浆的试样瓶口要与接收瓶口对止,垂直倒置8min,停止倾倒,立刻盖上接收瓶和试样瓶瓶盖..6.1.3称量接收施的总质量,计算接收瓶中水煤浆的质量m。6.1.4称量试样瓶总质量,计算试样瓶中残留物的质量州A,注:振药后,接收瓶中水媒浆的质量和试样瓶中残留物质量之和(m十WA)与水煤浆试样总质量m:相差不应超过原质量的1%。否则,本院试验无效。6.2水煤浆静态稳定性
6.2.1充分搅摔水煤浆试样使之均匀,将搅拌均勾的水煤浆倒人已知质量的塑料瓶(5.1)中至离瓶口3cm处(4c0g~460g).称量试样瓶总质量,计算水煤浆试样的总质量m扩紧瓶盖,在室温下静置7d免费标准bzxz.net
6.2.2静置71后,打开塑料瓶盖,先倾斜将瓶内水煤浆倒人已知质量的干燥清洁的塑料接收瓶(5.4)中,30s后乘点倒置,装有水煤浆的试瓶口要与接收瓶口对正。垂白倒置8min,停止倾倒,立刻盖上接收瓶和试样瓶瓶盖。
6.2.3称量接收瓶的总质量,计算接收瓶中水煤浆的质量mB6.2.4称量试样瓶总质量,计算出试样瓶中水煤浆残留的质量ml。注:静置后,接收瓶中水煤浆的质量和试样瓶中线留物质量之和(\n十批)马水煤浆试样总质量m相差不应超过原质量的1%。否则,本次试验无效。7结果计算
7.1水煤浆动态稳定性
水煤浆动态稳定性按公式(1)计算SBera
式中:
水煤浆动态稳定性(%):
水煤浆振荡后非流动性残留物的质量,单位为克(g);m——水煤浆试样的总质量,单位为克(g)。7.2水煤浆静态稳定性
水煤浆静态稳定性按公式(2)计算m×100
式中:
水煤浆静态稳定性():
3——水煤浆静置7d后非流动性残留物的质量,单位为克(g)241
(1)
8方法的精密度
8.1水煤浆动态稳定性测定的精密度水煤浆动态稳定性测定的重复性限如表1规定:表1水煤浆动态稳定性精密度
8.2水煤浆静态稳定性测定的精密度范
围/光
水煤浆静态稳定性测定的重复性限如表2规定:表2水煤浆静态稳定性精密度
GB/T 18856.5—2002
重复性限/%
重复性限/%
GB/T18856-2002 (H)
中华人民共和国
国家标谁
水煤浆质量试验方法
GB/T 18856.1--18856.14-20C2
中国标山版社出版
北京复兴门外二里河北街16号
邮政绢码:100045
电话:6852394568517548
中国标准出版社奈皇岛印刷厂印刷新华书店北京发行所发行各地新华书店经售开本880X12301/门6印张5字数125千字2002年11月第一版2002年71月第次印刷印数1-1500
书号:155066·1-18991定价31.00 元网址bzcbs.com
版权专有侵权必究
举报电话:(01068533533
小提示:此标准内容仅展示完整标准里的部分截取内容,若需要完整标准请到上方自行免费下载完整标准文档。
标准图片预览:





- 热门标准
- 国家标准(GB)
- GB/T7534-1987 工业用挥发性有机液体沸程的测定
- GB/T50772-2012 木结构工程施工规范
- GB50367-2013 混凝土结构加固设计规范
- GB50666-2011 混凝土结构工程施工规范
- GB/T18204.4-2000 公共场所毛巾、床上卧具微生物检验方法细菌总数测定
- GB8552-1987 电子器件详细规范 低功率非线绕固定电阻器 RJ13型金属膜固定电阻器评定水平E(可供认证用)
- GB/T11379-2008 金属覆盖层 工程用铬电镀层
- GB/T23892.3-2009 滑动轴承 稳态条件下流体动压可倾瓦块止推轴承 第3部分:可倾瓦块止推轴承计算的许用值
- GB/T20976-2023 软冰淇淋预拌粉质量要求
- GB/T15917.3-1995 金属镝及氧化镝化学分析方法 对氯苯基荧光酮--溴化十六烷基三甲基胺分光光度法测定钽量
- GB/T11839-1989 二氧化铀芯块中硼的测定 姜黄素萃取光度法
- GB/T6122.1-2002 圆角铣刀 第1部分:型式和尺寸
- GB/T7433-1987 对称电缆载波通信系统抗无线电广播和通信干扰的指标
- GB/T12053-1989 光学识别用字母数字字符集 第一部分:OCR-A字符集印刷图象的形状和尺寸
- GB/T14463-2022 粘胶短纤维
- 行业新闻
请牢记:“bzxz.net”即是“标准下载”四个汉字汉语拼音首字母与国际顶级域名“.net”的组合。 ©2025 标准下载网 www.bzxz.net 本站邮件:bzxznet@163.com
网站备案号:湘ICP备2025141790号-2
网站备案号:湘ICP备2025141790号-2