- 您的位置:
- 标准下载网 >>
- 标准分类 >>
- 纺织行业标准(FZ) >>
- FZ/T 90107.5-1999 圆柱形筒管 合成长丝用筒管的尺寸、偏差和标记
标准号:
FZ/T 90107.5-1999
标准名称:
圆柱形筒管 合成长丝用筒管的尺寸、偏差和标记
标准类别:
纺织行业标准(FZ)
标准状态:
现行-
发布日期:
1999-11-19 -
实施日期:
1999-12-01 出版语种:
简体中文下载格式:
.rar.pdf下载大小:
86.85 KB
标准ICS号:
纺织和皮革技术>>59.120纺织机械中标分类号:
纺织>>纺织机械与器具>>W90纺织机械与器具综合
点击下载
标准简介:
标准下载解压密码:www.bzxz.net
本标准规定了合成长丝用圆柱形筒管的主要尺寸、偏差和标记,另外还可包括纺丝一拉伸一变形一步法所用的筒管,并对简管特性、内径和长度的检查方法做了指导性说明。 FZ/T 90107.5-1999 圆柱形筒管 合成长丝用筒管的尺寸、偏差和标记 FZ/T90107.5-1999
部分标准内容:
FZ/T90107.5--1999
本标准等同采用国际标准1SO3914-5:1994《纺织机械与附件-—圆柱形简管—第5部分:扁丝用简管的尺寸、偏差和标记》。FZ/T90107在《圆柱形筒简管》总标题下,包括以下部分:第1部分(邵FZ/T90107.1):主要尺寸推荐值;第2部分(即FZ/T90107.2):自由端纺纱机用筒管的尺寸、偏差和标记;第3部分(即FZ/T90107.3):扁丝用筒管的尺寸、偏差和标记;第4部分(即FZ/T90107.4):变形丝用简管的尺寸、偏差和标记;第5部分(即FZ/T90107.5):合成长丝用简管的尺寸、偏差和标记;第6部分(即FZ/T90107.6):卷绕和加捻用交叉卷绕簡管的尺寸、偏差和标记;第7部分(即FZ/T90107.7):简子纱染色用网眼筒管的尺寸、偏差和标记。本标准由原中国纺织总会技术装备部提出。本标准由陕西纺织器材研究所归口。本标准起草单位:陕西纺织器材研究所、上海实宏纸业有限公司、夫津石化精卫实业总公司纺织器材厂、江西南丰长红纺织器材总厂、江苏靖江市纸制品厂。本标准主要起草人:赵玉生、朱锡根、盛泉夫、徐伟、朱文玉、黄和根。本标准首次发布。
FZ/T90107.5--1999
ISO前言
ISO(国际标准化组织)是由各国标准化团体(ISO成员团体)组成的世界性的联合会。制定国际标准的工作通常由ISO的技术委员会完成,各成员团体若对某技术委员会已确立的项目感兴趣,均有权参加该委员会的工作。与ISO保持联系的各国际组织(官方的和非官方的)也可参加有关工作。在电工技术标准化方面,ISO与国际电工委员会(IEC)保持密切合作关系。由技术委员会通过的国际标准草案提交各成员国团体表决,需取得至少75%参加表决的成员团体的同意,才能作为国际标准正式发布。国际标准ISO3914-5是由纺织机械与附件技术委员会(ISO/TC72)络简和织造准备机械分技术委员会(SC2)制定的。
1SO3914的总题目是纺织机械与附件——圆柱形筒管,由以下几部分组成:第1部分:主要尺寸推荐值;
第2部分:自由端纺纱机用简管的尺寸、偏差和标记;第3部分:扁丝用简管的尺寸、偏差和标记;第4部分:变形丝用简管的尺寸、偏差和标记;第5部分:合成长丝用简管的尺寸、偏差和标记;第6部分:卷绕和加捻用交叉卷绕简管的尺寸、偏差和标记;第7部分:简子纱染色用网眼简管的尺寸、偏差和标记。+18
中华人民共和国纺织行业标准
合成长丝用筒管的
圆柱形筒管
尺寸、偏差和标记
Cylindrical tubes--- Dimensions ,tolerances and designationof tubes for continuous spin-drawn synthetic filament yarns范围
FZ/T 90107. 5—1999
idt ISO 3914-5:1994
本标准规定了合成长丝用圆柱形简管的主要尺寸、偏差和标记,另外还可包括纺丝-拉伸-变形一步法所用的简管,并对简管特性、内径和长度的检查方法做了指导性说明。2引用标准
下列标准所包含的条文,通过在本标准中引用而构成为本标准的条文。本标准出版时,所示版本均为有效。所有标准都会被修订,使用本标准的各方应探讨使用下列标准最新版本的可能性FZ/T90107.1—1999圆柱形简管主要尺寸推荐值(idtISO3914-1:1994)3尺寸和偏差
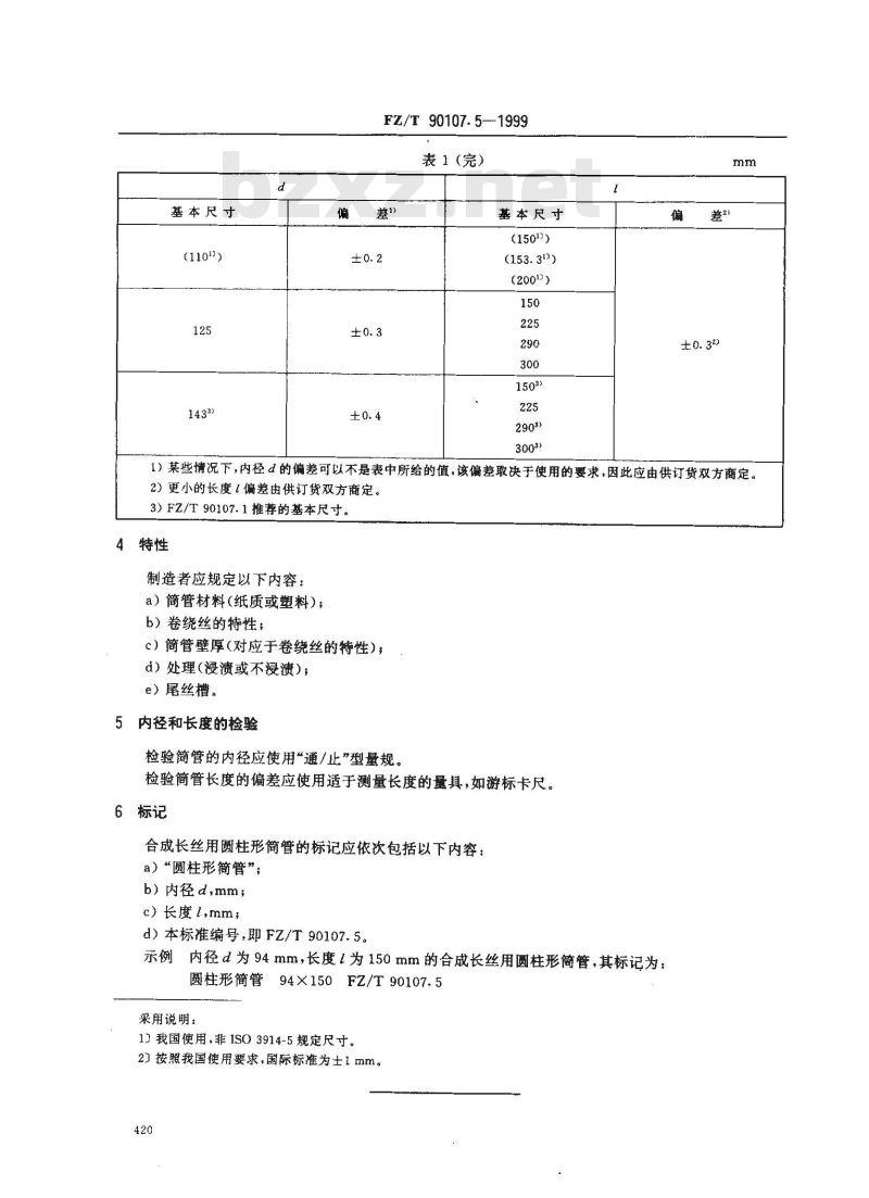
见图1和表1。
XXXXXXXxx
基本尺寸
xXXXXXxXxXxx
国家纺织工业局1999-11-19批准圆柱形筒管
内径和长度
基本尺寸
(153.3)
1999-12-01实施
基本尺寸
(110)
FZ/T 90107. 5—1999
表1(完)
基本尺寸
(1501)
(2001)
1)某些情况下,内径α的偏差可以不是表中所给的值,该偏差取决于使用的要求,因此应由供订货双方商定。2)更小的长度1偏差由供订货双方商定。3)FZ/T90107.1推荐的基本尺寸。4特性
制造者应规定以下内容:
a)简管材料(纸质或塑料);
b)卷绕丝的特性;
c)简管壁厚(对应于卷绕丝的特性)d)处理(漫渍或不浸溃);
e)尾丝槽。
5内径和长度的检验
检验简管的内径应使用“通/止”型量规。检验简管长度的偏差应使用适于测量长度的量具,如游标卡尺。6标记
合成长丝用圆柱形筒管的标记应依次包括以下内容:a)“圆柱形简管”;
b)内径d,mm;
c)长度l.mm;bzxz.net
d)本标准编号,即FZ/T90107.5。示例内径d为94mm,长度1为150mm的合成长丝用圆柱形筒管,其标记为:圆柱形简管94×150FZ/T90107.5采用说明:
1)我国使用,非ISO3914-5规定尺寸。2)按照我国使用要求,国际标准为士1 mm。420
小提示:此标准内容仅展示完整标准里的部分截取内容,若需要完整标准请到上方自行免费下载完整标准文档。
本标准等同采用国际标准1SO3914-5:1994《纺织机械与附件-—圆柱形简管—第5部分:扁丝用简管的尺寸、偏差和标记》。FZ/T90107在《圆柱形筒简管》总标题下,包括以下部分:第1部分(邵FZ/T90107.1):主要尺寸推荐值;第2部分(即FZ/T90107.2):自由端纺纱机用筒管的尺寸、偏差和标记;第3部分(即FZ/T90107.3):扁丝用筒管的尺寸、偏差和标记;第4部分(即FZ/T90107.4):变形丝用简管的尺寸、偏差和标记;第5部分(即FZ/T90107.5):合成长丝用简管的尺寸、偏差和标记;第6部分(即FZ/T90107.6):卷绕和加捻用交叉卷绕簡管的尺寸、偏差和标记;第7部分(即FZ/T90107.7):简子纱染色用网眼筒管的尺寸、偏差和标记。本标准由原中国纺织总会技术装备部提出。本标准由陕西纺织器材研究所归口。本标准起草单位:陕西纺织器材研究所、上海实宏纸业有限公司、夫津石化精卫实业总公司纺织器材厂、江西南丰长红纺织器材总厂、江苏靖江市纸制品厂。本标准主要起草人:赵玉生、朱锡根、盛泉夫、徐伟、朱文玉、黄和根。本标准首次发布。
FZ/T90107.5--1999
ISO前言
ISO(国际标准化组织)是由各国标准化团体(ISO成员团体)组成的世界性的联合会。制定国际标准的工作通常由ISO的技术委员会完成,各成员团体若对某技术委员会已确立的项目感兴趣,均有权参加该委员会的工作。与ISO保持联系的各国际组织(官方的和非官方的)也可参加有关工作。在电工技术标准化方面,ISO与国际电工委员会(IEC)保持密切合作关系。由技术委员会通过的国际标准草案提交各成员国团体表决,需取得至少75%参加表决的成员团体的同意,才能作为国际标准正式发布。国际标准ISO3914-5是由纺织机械与附件技术委员会(ISO/TC72)络简和织造准备机械分技术委员会(SC2)制定的。
1SO3914的总题目是纺织机械与附件——圆柱形筒管,由以下几部分组成:第1部分:主要尺寸推荐值;
第2部分:自由端纺纱机用简管的尺寸、偏差和标记;第3部分:扁丝用简管的尺寸、偏差和标记;第4部分:变形丝用简管的尺寸、偏差和标记;第5部分:合成长丝用简管的尺寸、偏差和标记;第6部分:卷绕和加捻用交叉卷绕简管的尺寸、偏差和标记;第7部分:简子纱染色用网眼简管的尺寸、偏差和标记。+18
中华人民共和国纺织行业标准
合成长丝用筒管的
圆柱形筒管
尺寸、偏差和标记
Cylindrical tubes--- Dimensions ,tolerances and designationof tubes for continuous spin-drawn synthetic filament yarns范围
FZ/T 90107. 5—1999
idt ISO 3914-5:1994
本标准规定了合成长丝用圆柱形简管的主要尺寸、偏差和标记,另外还可包括纺丝-拉伸-变形一步法所用的简管,并对简管特性、内径和长度的检查方法做了指导性说明。2引用标准
下列标准所包含的条文,通过在本标准中引用而构成为本标准的条文。本标准出版时,所示版本均为有效。所有标准都会被修订,使用本标准的各方应探讨使用下列标准最新版本的可能性FZ/T90107.1—1999圆柱形简管主要尺寸推荐值(idtISO3914-1:1994)3尺寸和偏差
见图1和表1。
XXXXXXXxx
基本尺寸
xXXXXXxXxXxx
国家纺织工业局1999-11-19批准圆柱形筒管
内径和长度
基本尺寸
(153.3)
1999-12-01实施
基本尺寸
(110)
FZ/T 90107. 5—1999
表1(完)
基本尺寸
(1501)
(2001)
1)某些情况下,内径α的偏差可以不是表中所给的值,该偏差取决于使用的要求,因此应由供订货双方商定。2)更小的长度1偏差由供订货双方商定。3)FZ/T90107.1推荐的基本尺寸。4特性
制造者应规定以下内容:
a)简管材料(纸质或塑料);
b)卷绕丝的特性;
c)简管壁厚(对应于卷绕丝的特性)d)处理(漫渍或不浸溃);
e)尾丝槽。
5内径和长度的检验
检验简管的内径应使用“通/止”型量规。检验简管长度的偏差应使用适于测量长度的量具,如游标卡尺。6标记
合成长丝用圆柱形筒管的标记应依次包括以下内容:a)“圆柱形简管”;
b)内径d,mm;
c)长度l.mm;bzxz.net
d)本标准编号,即FZ/T90107.5。示例内径d为94mm,长度1为150mm的合成长丝用圆柱形筒管,其标记为:圆柱形简管94×150FZ/T90107.5采用说明:
1)我国使用,非ISO3914-5规定尺寸。2)按照我国使用要求,国际标准为士1 mm。420
小提示:此标准内容仅展示完整标准里的部分截取内容,若需要完整标准请到上方自行免费下载完整标准文档。
标准图片预览:




- 其它标准
- 热门标准
- 纺织行业标准(FZ)
- FZ/T90083-1995 纺织机械筒子架主要尺寸
- FZ/T92038-1995 熔融纺丝圆形孔喷丝板
- FZ/T33010-1999 苎麻卷烟带
- FZ/T60033-2012 家用纺织品 毛巾不均匀水洗尺寸变化的测定
- FZ/T24010-2013 防缩毛纺织产品
- FZ/T43004-2013 桑蚕丝纬编针织绸
- FZ/T73011-2013 针织腹带
- FZ/T32024-2019 亚麻与棉混纺色纺纱
- FZ/T70012-2016 -次成型束身无缝内衣号型
- FZ/T70001-2003 针织和编结绒线试验方法
- FZ/T73018-2002 毛针织品
- FZ60007-1991 毛毯试验方法
- FZ/T01053-1998 纺织品 纤维含量的标识
- FZ/T01082-2000 服装面料和热熔粘合衬干热尺寸变化的测定
- FZ/T01083-2000 热熔粘合衬布干洗后外观及尺寸变化的测定
- 行业新闻
请牢记:“bzxz.net”即是“标准下载”四个汉字汉语拼音首字母与国际顶级域名“.net”的组合。 ©2025 标准下载网 www.bzxz.net 本站邮件:bzxznet@163.com
网站备案号:湘ICP备2025141790号-2
网站备案号:湘ICP备2025141790号-2