- 您的位置:
- 标准下载网 >>
- 标准分类 >>
- 纺织行业标准(FZ) >>
- FZ 90036-1992 纺织机械 织轴术语和主要尺寸
标准号:
FZ 90036-1992
标准名称:
纺织机械 织轴术语和主要尺寸
标准类别:
纺织行业标准(FZ)
标准状态:
现行-
发布日期:
1992-02-01 -
实施日期:
1992-05-01 出版语种:
简体中文下载格式:
.rar.pdf下载大小:
107.56 KB
标准ICS号:
纺织和皮革技术>>59.120纺织机械中标分类号:
纺织>>纺织机械与器具>>W90纺织机械与器具综合
替代情况:
替代FJ 486-1981采标情况:
等效ISO 8116-3-1980

点击下载
标准简介:
标准下载解压密码:www.bzxz.net
本标准规定了织轴的基本术语和主要尺寸、形位公差。 FZ 90036-1992 纺织机械 织轴术语和主要尺寸 FZ90036-1992

部分标准内容:
中华人民共和国纺织行业标准
织轴术语和主要尺寸
纺织机械
本标准等效采用国际标准ISO8116/3—1980《纺织机械与附件术语和主要尺寸》。
1 主题内容
本标准规定了织轴的基本术语和主要尺寸、形位公差。2引用标准
GB6002.11纺织机械术语经轴
3 术语、型式与主要尺寸
3.1术语
边盘直径
轴芯直径
轴伸直径
包括端盖的轴芯长度
两凸肩间长度
轴伸长度(包括凸肩)
带方孔端盖的两凸肩间长度Www.bzxZ.net
凸肩长度
凸肩宽度
3.2型式
3.2.1A型织轴(见图1)
flange diameter
barrel diameter
shaft diameter
一经轴
barrel length including end plateslength over bosses
length of shaft (bosses included)FZ 90036--92
代替 FJ 486—81
第三部分:织轴
length over bosses (with end plates with square hole)length of boss
width of boss
中华人民共和国纺织工业部1992-02-01批准458
1992-05-01实施
3.2.2B型织轴(见图2)
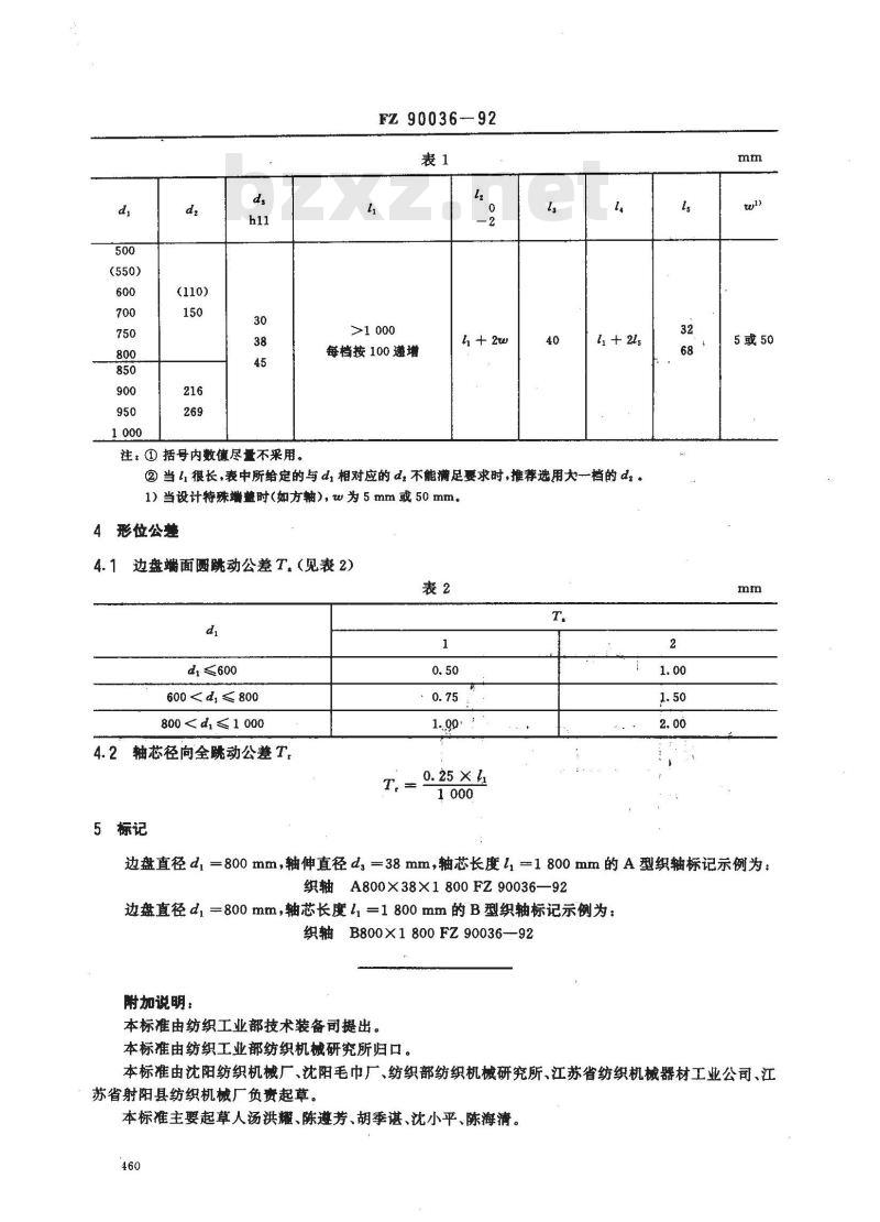
3.3A、B型织轴主要尺寸(见表1)FZ90036-92
图1A型织轴
图2B型织轴
注:①括号内数值尽量不采用。FZ90036-92
>1 000
每档按100递增
t + 21s
②当 1很长,表中所给定的与d,相对应的d不能满足要求时,推荐选用大一档的d。1)当设计特殊端盖时(如方轴),w 为 5 mm 或 50 mm。4形位公差
4.1边盘端面圆跳动公差T.(见表2)表2
d≤600
600≤800
8004.2轴芯径向全跳动公差T,
5标记
5或50
边盘直径d,=800mm,轴伸直径ds=38mm,轴芯长度l=1800mm的A型织轴标记示例为:织轴A800×38×1800FZ90036—92边盘直径d,=800mm,轴芯长度l1=1800mm的B型织轴标记示例为:织轴B800×1800FZ90036-92
附加说明:
本标准由纺织工业部技术装备司提出。本标准由纺织工业部纺织机械研究所归口。本标准由沈阳纺织机械厂、沈阳毛巾厂、纺织部纺织机械研究所、江苏省纺织机械器材工业公司、江苏省射阳县纺织机械厂负责起草。本标准主要起草人汤洪耀、陈遵芳、胡季谌、沈小平、陈海清。460
小提示:此标准内容仅展示完整标准里的部分截取内容,若需要完整标准请到上方自行免费下载完整标准文档。
织轴术语和主要尺寸
纺织机械
本标准等效采用国际标准ISO8116/3—1980《纺织机械与附件术语和主要尺寸》。
1 主题内容
本标准规定了织轴的基本术语和主要尺寸、形位公差。2引用标准
GB6002.11纺织机械术语经轴
3 术语、型式与主要尺寸
3.1术语
边盘直径
轴芯直径
轴伸直径
包括端盖的轴芯长度
两凸肩间长度
轴伸长度(包括凸肩)
带方孔端盖的两凸肩间长度Www.bzxZ.net
凸肩长度
凸肩宽度
3.2型式
3.2.1A型织轴(见图1)
flange diameter
barrel diameter
shaft diameter
一经轴
barrel length including end plateslength over bosses
length of shaft (bosses included)FZ 90036--92
代替 FJ 486—81
第三部分:织轴
length over bosses (with end plates with square hole)length of boss
width of boss
中华人民共和国纺织工业部1992-02-01批准458
1992-05-01实施
3.2.2B型织轴(见图2)
3.3A、B型织轴主要尺寸(见表1)FZ90036-92
图1A型织轴
图2B型织轴
注:①括号内数值尽量不采用。FZ90036-92
>1 000
每档按100递增
t + 21s
②当 1很长,表中所给定的与d,相对应的d不能满足要求时,推荐选用大一档的d。1)当设计特殊端盖时(如方轴),w 为 5 mm 或 50 mm。4形位公差
4.1边盘端面圆跳动公差T.(见表2)表2
d≤600
600≤800
800
5标记
5或50
边盘直径d,=800mm,轴伸直径ds=38mm,轴芯长度l=1800mm的A型织轴标记示例为:织轴A800×38×1800FZ90036—92边盘直径d,=800mm,轴芯长度l1=1800mm的B型织轴标记示例为:织轴B800×1800FZ90036-92
附加说明:
本标准由纺织工业部技术装备司提出。本标准由纺织工业部纺织机械研究所归口。本标准由沈阳纺织机械厂、沈阳毛巾厂、纺织部纺织机械研究所、江苏省纺织机械器材工业公司、江苏省射阳县纺织机械厂负责起草。本标准主要起草人汤洪耀、陈遵芳、胡季谌、沈小平、陈海清。460
小提示:此标准内容仅展示完整标准里的部分截取内容,若需要完整标准请到上方自行免费下载完整标准文档。

标准图片预览:



- 其它标准
- 热门标准
- 纺织行业标准(FZ)
- FZ/T94007.2-2013 综第2部分:织机综框用钢丝综
- FZ/T01057.1-2007 纺织纤维鉴别试验方法 第1部分:通用说明
- FZ/T61002-2019 化纤仿毛毛毯
- FZ/T34002-1992 亚麻印染布
- FZ/T01041-2014 绒毛织物 绒毛长度和绒毛高度的测定
- FZ/T63052—2020 涤纶短纤织带
- FZ/T50002-2013 化学纤维异形度试验方法
- FZ/T63035-2016 聚酰胺复丝双层编织结构绳索
- FZ/T43018-2017 蚕丝绒毯
- FZ/T13051—2021 棉羊毛混纺涤纶弹力丝包芯纱本色布
- FZ/T52038-2014 充填用再生涤纶超短纤维
- FZ∕T14041-2018 灯芯绒涤棉混纺印染布
- FZ/T60014-2017 絮片耐洗涤性能试验方法
- FZ66307-1995 特种工业用薄型棉带
- FZ/T72002-2019 毛条喂入式针织人造毛皮
- 行业新闻
请牢记:“bzxz.net”即是“标准下载”四个汉字汉语拼音首字母与国际顶级域名“.net”的组合。 ©2009 标准下载网 www.bzxz.net 本站邮件:bzxznet@163.com
网站备案号:湘ICP备2023016450号-1
网站备案号:湘ICP备2023016450号-1