- 您的位置:
- 标准下载网 >>
- 标准分类 >>
- 纺织行业标准(FZ) >>
- FZ/T 34001-2003 苎麻印染布
标准号:
FZ/T 34001-2003
标准名称:
苎麻印染布
标准类别:
纺织行业标准(FZ)
标准状态:
现行-
发布日期:
2003-09-04 -
实施日期:
2004-01-01 出版语种:
简体中文下载格式:
.rar.pdf下载大小:
364.95 KB
标准ICS号:
纺织和皮革技术>>纺织机械>>59.120.50印染和整理机械设备中标分类号:
纺织>>印染制品>>W73麻与麻混纺织物印染品
替代情况:
FZ/T 34001-1992

点击下载
标准简介:
标准下载解压密码:www.bzxz.net
本标准规定了竺麻印染布的要求、试验方法、检验规则及包装、标志、运输和贮存。本标准适用于鉴定服装用的各类竺麻漂白、染色和印花布的品质。 FZ/T 34001-2003 苎麻印染布 FZ/T34001-2003

部分标准内容:
本乐代替1231001192蓝麻来布3
本标与F2341119恒比丰安变化如下:FV/T 34001—2093
成品的等级中内在质最和外观质量结合定等修改为度内在显和外规质耳最据·项等级定:
报强制主国家标证1801201统织品用模今量的时定B资产站的要来增师出酸含最考核指!
围装强小我最终成品的特点制足最低恒作为考核指标:为了须定用户的要求,治加谢恢监力考该指标!将编水车考咳目修改为水就尺李化率,使标准在去述方而电阳规范。核照用户要求将水流尺于变化率指杯熟定在一&5~一,并护国内:染色牛宽治刘色半度专核指标,域消前响半变、时刷洗牛度卡校指标,并现定最低保证指标·
严门外质盘局部性点各品等每米在许评分数,纬向轻微条状、杂物、酸长经纬练租节、动就等婚点评分做了整改
·也等品如时恒宽允许筛和色的规定:调格广亚义指标,
收消了横载、横条疲点均说实
本准为附录A断录规性附录.
本标准山原国家纺织工业局提出:本标准由湖南益麻技术可究中心口.本标准起幸单位:待南省纺织产品质监些驾检验测试中心,期书者株浏些森药织印!。本标准主要起单人,艺香,等敏,改更,起雅丽,测乐区,本标准所代替标准药贴次版本发布情沉为:-f 525--1992,f7:T (0[ - 19921
FZ/T34001-2003
木标准规定「些森印象布的要求、试验方法、检验现购改包装、标志、运推可购存,本标追用子些定服装印的各类产麻流售,染已和即花市的血质,2规范性引用文件
下列文件中的条款通过本标准药引成为本标准的杀款,凡尽冶日期的出文件,其随后新有的惨改羊(不包托览误的内容)或整订版均不适币于本标准:然而,缺励根插去标准适成协议的各方研究龙否可使用这些足件的最新版牛,凡是不完口期的引用实件,其新版车适月小本标准。GB259评定变色用色卡
的.一1织品中测定第:部游离水新的甲水举取法)6B/T5S17.11997织品织撕破注能第1邯分:斯披粥力的测定左提锤GBT3S2C续纸品色牛试验耐单滋色牛度G/T5S21.31997纺织品色中变试验耐税色中度:试验3CBT522统织耐江遗色车度证验方达1T3923.一1997织品织物控伸性能第1部分,折强为利断裂仲长率微定沃推法
G/T4665
机数物长应的洲定
?机织物幅宽的测定
GE/T 4667
GIT AGR
机织物需度的测定
卫/下57.3药织品争度试验耐水色本度GH/I 6.52
GR/T 8.70
1997练织品色牢效式验时热片色牢变数值够约规则
GD/T AG23
药织品测实尺寸变化的试验口织物试栏和照装的证等、标记及型量GE/T8623
GB/T S539
G31 -4801
3婴求
3.1分类
纺多!品试验吊家鑫流颜利十妖对序纺织品洗涤和二焕后尺一变化的测定机纯物与针尔物纬斜和子炜试验方法正联印染张品种、规格分类,各英产品的品种私热格根据户需变绍台本标准的附采A分别制定。
3.2技术要求
技术要求分为内在质最和外规质质两个方。内质鼠也括日荤含目,沙案,断激强为、期政当为、水寸查化率菌色中度六项指标,外观正量包括局部性继点死教布性独点两炎3.2.1分等规定
3.2.1.1内在质单按批评等,外观质虚接取评等,成品的等级接内立压与外观质中求低·项等级评完分为优等品、一学品,等品利三学等品,收于三等品的为等外品。3.2.1.2在间一段市内,内在账争以最阅-点评等,战部性烂点采月有限度的每米充诈评分的必法评1
FZ/T 34001—2003
定等级,替布性症点按产中项计评等,3.2.1.3在同一数布内:先评定同带性纯点的等级·再收行逆宽点的等级到金实,作为该段布外观更量心等级销合定等的办法接表1规定,表1外观质量结合定等办法
散方性姚点等级
比尔品
三等品
优等品
二等5
三年!
与部性既点守级
·等品
二等品
连换度拥降为等外品者获实你使用价位内供在方长商些理。等外品中外观就点严京而究去服用价位有作为批军为证理,内在质是评等热定必.衣2
表2内在质量评等规宠
纱存变<报m
本洗尺小变北率/%1
来色中变
中鲜自盘/(/R)
断超途
断酸强N
--, F--.-., 5
就者:
不低了175
不于11.2
代专品
一2.5买及良内
车核包率):3
萨恶强士,斯在强力,染自牢托一考接扫标的阅物为等外品,甲薛合量超出限定偿的织物为军外孟、二等品
三等品
三婷品
一等品
2.及以内
符合龙性
符合标准
荐合标准
符合标准
一穿帚
一等品
三等品
等外品
超过3..
近一学品按指标
音标准
生:水尺寸变化平只以及)表示尺寸满小收蜡)以止、)示尺寸增大(长)3.2.1.5外观或评等规卖以表5
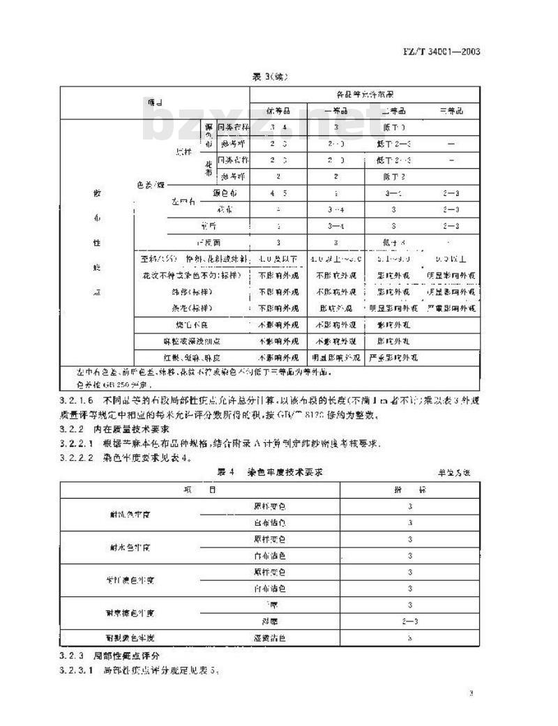
表3外观质量评等规定
高部性流点
分数分/m)
嵌布世托
幅院在 cr: 及以内
明aan以二arn
n支以
析实偏来/m:
1 以...55
135以上
优等品
弃品等沈许范州
三等品
一等品
-,α下
三卖8上
—1.1以下
色然短
至积兴
同类择
回类在作
项白布
表3续)
依养品
控科、化补盛针补:
花次不择去家色不句:标样)
你伴)
杀准(标样)
烧亡良
味粒索深茂训点
红装、、皮
L U因以下
不彤前外观
不影响外观
不照响外现
不影确外观
不影响外观
不影响外观
各品等点许布币
一%品
3—-1
不联亢外求
不服病外观
术影有外观
不影疗外观
明五影响产观
左中石也差、前所疤兰,移.化较不行或来色创低于三等品为等外点,户光代25定
FZT340C1—2003
二等品
T2 ·3
果吃外低
彩片外纸
明显彩同外证
影院外汇
影外礼
严要彩院外
三等品
明显物同外证
显影同外机
重影网外状
3.2.1.6不同品等的右段局部性症点充许总分门算,以该币段的长度(不」日者不:乘以:表3外观质量评等规定中相量的带术允严评分数所得的积,按T/\1?修约为整效。3.2.2内在质量技术要求
3.2.2.1根据艺麻本任布品种规格,结合附录计资制守纯钞阅度专核要求染色牛度要求见表4。
前价.中定
耐序擦色斗离
耐颗更色半度
3.2.3局部性低点详分
3.2.3.1高部此疫点评分现定代表5染色牢虎技术要求
原样变他
白布估们
原样变它
立布沾
新托变它
布话色
严资站苣
单空为级
FZ/T34001-2003
鹿点名称
经间疮虑
深入0.5
及改山
深入自5
深人S
f.--1. 3
深人二.5
深人5.5
深人b
1. 5--55. 3
c. 5--5. u
c.5及以内
-. 3-- 半析
0. 5--15,2
心,5及以内
祭筛其断或
每13.2以内
表5同部性庇点评分表
详分分效
5. t-- 1n. n
5. 以-- 15. n
0.52上-2.0
半輕以上
10.0以上-13.3
.以二-半
0.5以上--2.
7.5以与个
要12.:及成内
3.2.3.2各类批点名称能说明见录B.3.2.4外观点的年计规定
3,2.4.评实布面点付,均双布匹正而为推,b
1:. 4 以 上, -- 3. 5
15, 9 以 上 ~-x5, 5
2, 9 以上.-.4,
15.1以上~半怕
半栖以上
2.2以上4.0
6.5以15,个
每100,0
.n .--.1x..
4. 以二~ 10. 0
半消以上。
以上~个柜
扭以个
5#--2cm
3.2.4.2点民度报终向球纬而的量人长理量计,经向能从长废过10Um包轻微状盗过m或破洞型对2em时:具超过部分成从0.1另行是计.军计评分,凡成形的低点按实添影响面积最六起离晟:
3.2.4.3在轻内10格以内·险缺担外的务种变点同时存声时,应分则量计,累计评分其放大累1评分数人超过10牙,
3.2.4.4年希点传评处故多的评定。FZ/T34001—2003
32.1.51下克实不同成深浅程度不回的耗点,降向宽以按不网程度分券员计,案计评你,约向独点按程度产丑的评分
3.2.,6难以数消.不最屏计的分放减,根据其分货的量人长度行轻重和度·参服经向或韩向批点分别计评分。
3.2.4.7,在同·布段内,存在相同闪月部性换点时,其累计分数不逆过该项统点的降等限度分,而同时存车其他后部怀流点须象评分时,可按已降等等级的运点分加须累计的风部作婉点的评分,作为该段布的总分
3.2.5易部性疫点评分说明
3.2.5.1与部性续点轻微严币费照G32.证定变色用充色样1:,4版为轻做.3.-4级及认下述,
3.2.5.2影响外规不到评分起点的严互纯点.禁叶在50m内控局举4点评分一,漂遇色布每3只评1分深中色每只1分:
3.2.5.3除嵌损达能外,边1.5m及以内的其他雅点不评分,听达1.3及以内的破洞按被边评分,边1.以的破边逆按破润许分。3.2.5.4经缩,断及脱肺等此点影响外观时按柜似严年减点评分.不影观不评分,平款起织的识物双毕放轻微评分
3.2.5.5门花准的个面脏点量根据对总外效果的影响程变评分,3.2.6一等品不充许的局部性案点3.2.6.1单独更评3分的被损,严重谢点(筛纬向载状和深法边外),对于期完不下剪的芯麻节染而单独一处评满1(并括症点。
3.2.6.253n:闪累计评满1分的产五驻点3.2.6.3筛选0.5以收拟内经向长2m改以内的碳例一处距边3.m以的破据。3.2.6.4长16cm以上的叶选,深人1.5cr以上的针眼,累计过心长的十分之一。2试骑方法
4,1各项或验应按各项试验方头标雅中现位的方法取计品,比生各项试验力法标准规定的标准条件下进行,
4.2幅宽按G2:14667执行:
4.3纱密发培G/T8执行
4.4装强按GB/T3923.11937热行.断料照力外算加1系数足时圾A,4.5账数力修正系教见录(
4.5期应强按GH/3017.1-97热
4.7水铁尺寸变化率G3/TH12%、Gn/T新2其中洗涤月2A、F燥F)、GB/=8e3J执行。.按911行。
4.9时率换色牢19按k/3923执
4.10耐洗色车准按GB/T362-.3—1Uu7执行4.1:对汀洗色年照按G/T3922疯行4.12村水色牢度按GB:T57-3执行。耐衡色厘按/)6:—(为一2家热4.13i
4.14整斜按G/T14801热行:
5检验规则
5.1产品检照
F7/T34931-2003
5.1.1内在质早检啦韧定
5.1.1.1.在间一品和、一动格和司一主产工艺的产品中,中醇含量,号需良断通71撕破效,力水证尺寸变化必和奥色牢要六内士质量指标的取样,想定5m为批,每批取块样品(不处soonm放取决!其试验结采作为该批产品的定等袋泌。5.1.1.2试验站采符合标,作企批台将、如不符合标准,训抽取屏的-箱产品作为不格品,由工厂进行展离处理,从该批的其余产品中·重新抽成一扶样品选行支签·复整以一次为准,复签结果花合标准的作全批合格,不范台致难的作拿批不合格,5.1.2外观质量检验规定
5..2.1外观所量报龄规定检验有的上面(益梢的一面为反而?料数织物中纱织购以左降\”,载织物心科“,为立而。在漂色市的受面购有因齿严互外碍资点,应降个等,单而物人降)。5.1.2.2采用刘光检时以40W加青光灯3支~4文,照度为501x~_0001x,光源与市值更两为.m~1.2a。
5.1.2.3验而验布拔角度步4,布行速率不超过25m/min(手工检整[3m/mis),布匹的评等检验·按验行机上作H的变点标证评分评等。检冷源白布种,在验布机上血剂一层白布、5.1.2.4右应的评学,收收短鉴应将布平摊在验布台上逐临检验,转验人负的视践克止规布面,原脏与布面的声为em~63m
5.2产品验收和克验
5.2.1验收
5.2.1.1生产!求邦评等检验结果,出具产品按编介格证::收货为应根据产品标准或办设对检验合证及也装知标志的内签行验收。5.2.1.2收货为如因条件限制,货时不能改时进行验-女,中安生产厂产降验验合格证收货。5.2.1.3内查质故验收册验数盘为该:此产品的0.5%.但每抽不得小于一扶。检验结果的评定以企部抗验伴右式验结果的均适作为该批产品的试效结果。了均消合势的作全批合格,乎均不合格的作全提会格:左验收·中发现间题,收付效方会同重新在该挑产品中再期验同数出产品进行远验,所以全部试样的平均值作为试恶载果,一次为准5.2.1.4外观两量验收拱验激单为该批产品的5必--1u而但每批不导小于40.片结果与原定品等不对率在5为改以下时,应作全批合格处!其中查山人符品举的产品,主生产厂负责调换或降等处理,不等品等亦在%以上时,收寸双方会同年新在浪批产品中再剂验相同效量避行克验,复验结果以一次为准。5.2.2验
5.2.2.1刘检验结果判定该拉产品不合格,收付双方有示议升,叫以会同友验或委托专业放龄机构进裁复验以次为准,凡判定个格的应作全批合格处圳,但实限吉止的本符品等的产品:二厂应负市调换或降价处理:知定不合能的成作全维不合格处谨:由会产负责。5.2.2.2友验或仲截中的一次费用由市任为组本。6标志,包装运输和贮存
6.1标志
6.1.1标志应明确,清楚,候了识别。6.1.?产品标说时的收4容定见断1.出!时应册本弃年乐变每产品的5cm存负内,并加6.1.3每四或罚产品的反面两!各使5历以下应加明格,格为形印帝,式程=以内
6.1.4么标惠的+及内容现定范降2、包外标感例在包的两端、制学尺小按不司产品的成包怖积道通坚。
1等品
相究 : cm >
水次六、中要值率
内6号
产品杯志说明也洋规定:优等品纸红了:(生产厂名)
(产品书幕克满)
献产业号
有标困表
出亡振红宁:
水洗尺寸生本内明水尺亡受化本现定化标。IuJ 01
E/34001-2C03
单出白纸学了:三等品白纸了;教品白然了、属内在所量降等的质在产品标上源明和产品两滑坏明所降品等,的证“断裂强力二单品一,图1产品标忠说明的式样及内容
(期区:名个称》
(.品筑)
(产品名你:
(花色号
深推步号
6.2包装
!等品
总长厦,
包号:
图2包外标志的式样及内客
6.2.1包装应保证齐、牛做,使包内产品品质不变损伤便一运摘。6.2.2产n半折,每幅为。m,每桶=折,产的反面问欧沾标。6.2.3卷简要求按两定长将布匹老染车规定尺的差拍上.乎整象谢,布这整齐无折皱,布的任单期外,内外崩折头不超过:
6.2.4尚包一个等级产品内,段与疫之间的色差.不低于:级,毕市和其他降等产品的破包不在此规定范用内
6.2.5产出成包分定长利排外两种,见表5,定闪成包遇定匹长为心m:护件成包规定段长为18口及以上.押件时,每件允诈措人31m--5.9—股和1r17.9两段,他闪应附与拼件单,格式及内弃的规定心表了。
F2/I34001--2003
产种的
海兰麻布
原乐兰麻布
兰府间
声晶名格
产品成包长度
每件电包长度:bzxz.net
定放包/数/计
表)拼件存段长记录单
作产厂名
段长m
讲作成纠允证最多段数/件)
6.2.E四持述需要间不能开单的产站:其长竞及段数可按当地纺织三业主誉部门的规定成供需效力为行办设,
6,2.产品品包装书出和送月材料,应杜期品种特点利出的要求,整为有包(如有特练要求,供需双方另汀协设)。深包产品牛皮纸,漂白,色产品上会下端赚毕料。包外用有(棉或成1,收麻源或化纤统插扎
6.2.8不同控宽的机物泻指道微有不问系求,幅在15)m1以下的产品双转万道,辆宽在100c改以的产品效范六道。
包头必独链牢,缝包线针不得错对了cm,布包搭一处两面各加链6一7存6.2.9
.2.10乐市长座及军的现定,大4存1017.9m,中零你1~9.m小枣布3m~4.9,起零布.2出~1.91及床点特别严重的产品(长店不限G.3运软
运输中必须保证产品质量术受坏安全稳要。6.4贮存
漂自布的忙行期限为一年中,在或定期限内刘发生些存变愿,经查叫原内,确属供方的本任,应出供方伙处急,但超过好年期限,共方不承但行,子其他
书对产品有特殊要求者而由供需双另订协议。A1幅宽,密度断我强力的计
附录A
(规范性时录)
麻印染布加工系数
FZ/T34001—2003
独期麻本色布产品品种规落,站介印染工艺设计,按规定的加系散策。如工系数见表A,!。囊 1. 1 如工系数
产毕名专
本光兰麻方
丝光吉麻新
和,1系数
5, 456
特疾势的严品游本标准“幅列工系数“规定牛产的,可另小协没、A.2计算方法
海加工东额
A.2.1幅宽、密度、断找频J均以整数在示,计算率·位小数按(15/TS17C像的,保智核数。A.2.2标准幅觉
标准墙宽一*麻本色布标非桶宽:幅宽灯工系教A.2.3标非空等密度
标准经纱密度一两麻本色布标经沙密度义经纱密度如工系数-经纱密度修上数
A.2.4标业纬密度
标准纯沙密度一芯本色布标确神沙密度×炜纱害度闭工系数A.2,5标雍经、韩向断裂强力
.(A.3:
标准经、纬向断教当力一些麻本色布标准经、纬尚断裂强力×好、行多您准加系数义经、向裂强力如系效
A.3经钞密度修正数
经密度正数儿表A.2:
表4.2经纱密度修正数
产品算经
2Ga以下
正0cm)
F/T34001—2003
B.继状痛点
附录B
(规范性附录)
点名称的说明
经向或向伸死的、宽度不通过0.3的疣点。B.2条状境点
法经向或纤向延的就度超过J.2cm包拓快状的托点:B.3破损
破而,破边、帮这,心.3cm以上的跳花等。n.4杂物
飞花、可效、油花、皮质、本质等韵组人布。R.5邹格
薄织物汁纱移实造式的育曲形,B.6条花
色活深法界限模制,难以量计宽映的.沿经向延伸的形快点。B.7烷毛不食
每元有行离检否处,每处交平较多的。B麻粒或深港细点
麻纱起球、布面白点密策造成深域细点。H,9 小节
长.及以上,4tm以,粗为原纱直径3倍及以三的粗节。10大书
长4cm及以上-机原纱白适倍及以上或cm以1,4cr以下,扭为照纱白径的s倍及以工的。
C.1工厂内那试验
对录℃
(规范性既泵)
带疆下到定断聚强力的回潮军的修正FPZT34001—2003
上广在测定断婴强力时,阅实兼件造不到标非温品度,可在常品下进行,其测试断数通力度质“断裂强力够正系数炎“进行静正,但测试地点的益源度应保持稳定。断毂强力修正公式
正后的断裂强力(N)
断裂强力正率微表
测册强力()×新裂强.止系数
断裂强龄正系数(接系效一31.3913)见表C.1表心.1
实测三期率(%)
1,c21 7
1, co2
断裂强力修正系数
1, ex e
0, 26 6
6,9641
n,961 6
n, 4: :
0, 5353
0,9330
0, 936 7
. 521 r
小提示:此标准内容仅展示完整标准里的部分截取内容,若需要完整标准请到上方自行免费下载完整标准文档。
本标与F2341119恒比丰安变化如下:FV/T 34001—2093
成品的等级中内在质最和外观质量结合定等修改为度内在显和外规质耳最据·项等级定:
报强制主国家标证1801201统织品用模今量的时定B资产站的要来增师出酸含最考核指!
围装强小我最终成品的特点制足最低恒作为考核指标:为了须定用户的要求,治加谢恢监力考该指标!将编水车考咳目修改为水就尺李化率,使标准在去述方而电阳规范。核照用户要求将水流尺于变化率指杯熟定在一&5~一,并护国内:染色牛宽治刘色半度专核指标,域消前响半变、时刷洗牛度卡校指标,并现定最低保证指标·
严门外质盘局部性点各品等每米在许评分数,纬向轻微条状、杂物、酸长经纬练租节、动就等婚点评分做了整改
·也等品如时恒宽允许筛和色的规定:调格广亚义指标,
收消了横载、横条疲点均说实
本准为附录A断录规性附录.
本标准山原国家纺织工业局提出:本标准由湖南益麻技术可究中心口.本标准起幸单位:待南省纺织产品质监些驾检验测试中心,期书者株浏些森药织印!。本标准主要起单人,艺香,等敏,改更,起雅丽,测乐区,本标准所代替标准药贴次版本发布情沉为:-f 525--1992,f7:T (0[ - 19921
FZ/T34001-2003
木标准规定「些森印象布的要求、试验方法、检验现购改包装、标志、运推可购存,本标追用子些定服装印的各类产麻流售,染已和即花市的血质,2规范性引用文件
下列文件中的条款通过本标准药引成为本标准的杀款,凡尽冶日期的出文件,其随后新有的惨改羊(不包托览误的内容)或整订版均不适币于本标准:然而,缺励根插去标准适成协议的各方研究龙否可使用这些足件的最新版牛,凡是不完口期的引用实件,其新版车适月小本标准。GB259评定变色用色卡
的.一1织品中测定第:部游离水新的甲水举取法)6B/T5S17.11997织品织撕破注能第1邯分:斯披粥力的测定左提锤GBT3S2C续纸品色牛试验耐单滋色牛度G/T5S21.31997纺织品色中变试验耐税色中度:试验3CBT522统织耐江遗色车度证验方达1T3923.一1997织品织物控伸性能第1部分,折强为利断裂仲长率微定沃推法
G/T4665
机数物长应的洲定
?机织物幅宽的测定
GE/T 4667
GIT AGR
机织物需度的测定
卫/下57.3药织品争度试验耐水色本度GH/I 6.52
GR/T 8.70
1997练织品色牢效式验时热片色牢变数值够约规则
GD/T AG23
药织品测实尺寸变化的试验口织物试栏和照装的证等、标记及型量GE/T8623
GB/T S539
G31 -4801
3婴求
3.1分类
纺多!品试验吊家鑫流颜利十妖对序纺织品洗涤和二焕后尺一变化的测定机纯物与针尔物纬斜和子炜试验方法正联印染张品种、规格分类,各英产品的品种私热格根据户需变绍台本标准的附采A分别制定。
3.2技术要求
技术要求分为内在质最和外规质质两个方。内质鼠也括日荤含目,沙案,断激强为、期政当为、水寸查化率菌色中度六项指标,外观正量包括局部性继点死教布性独点两炎3.2.1分等规定
3.2.1.1内在质单按批评等,外观质虚接取评等,成品的等级接内立压与外观质中求低·项等级评完分为优等品、一学品,等品利三学等品,收于三等品的为等外品。3.2.1.2在间一段市内,内在账争以最阅-点评等,战部性烂点采月有限度的每米充诈评分的必法评1
FZ/T 34001—2003
定等级,替布性症点按产中项计评等,3.2.1.3在同一数布内:先评定同带性纯点的等级·再收行逆宽点的等级到金实,作为该段布外观更量心等级销合定等的办法接表1规定,表1外观质量结合定等办法
散方性姚点等级
比尔品
三等品
优等品
二等5
三年!
与部性既点守级
·等品
二等品
连换度拥降为等外品者获实你使用价位内供在方长商些理。等外品中外观就点严京而究去服用价位有作为批军为证理,内在质是评等热定必.衣2
表2内在质量评等规宠
纱存变<报m
本洗尺小变北率/%1
来色中变
中鲜自盘/(/R)
断超途
断酸强N
--, F--.-., 5
就者:
不低了175
不于11.2
代专品
一2.5买及良内
车核包率):3
萨恶强士,斯在强力,染自牢托一考接扫标的阅物为等外品,甲薛合量超出限定偿的织物为军外孟、二等品
三等品
三婷品
一等品
2.及以内
符合龙性
符合标准
荐合标准
符合标准
一穿帚
一等品
三等品
等外品
超过3..
近一学品按指标
音标准
生:水尺寸变化平只以及)表示尺寸满小收蜡)以止、)示尺寸增大(长)3.2.1.5外观或评等规卖以表5
表3外观质量评等规定
高部性流点
分数分/m)
嵌布世托
幅院在 cr: 及以内
明aan以二arn
n支以
析实偏来/m:
1 以...55
135以上
优等品
弃品等沈许范州
三等品
一等品
-,α下
三卖8上
—1.1以下
色然短
至积兴
同类择
回类在作
项白布
表3续)
依养品
控科、化补盛针补:
花次不择去家色不句:标样)
你伴)
杀准(标样)
烧亡良
味粒索深茂训点
红装、、皮
L U因以下
不彤前外观
不影响外观
不照响外现
不影确外观
不影响外观
不影响外观
各品等点许布币
一%品
3—-1
不联亢外求
不服病外观
术影有外观
不影疗外观
明五影响产观
左中石也差、前所疤兰,移.化较不行或来色创低于三等品为等外点,户光代25定
FZT340C1—2003
二等品
T2 ·3
果吃外低
彩片外纸
明显彩同外证
影院外汇
影外礼
严要彩院外
三等品
明显物同外证
显影同外机
重影网外状
3.2.1.6不同品等的右段局部性症点充许总分门算,以该币段的长度(不」日者不:乘以:表3外观质量评等规定中相量的带术允严评分数所得的积,按T/\1?修约为整效。3.2.2内在质量技术要求
3.2.2.1根据艺麻本任布品种规格,结合附录计资制守纯钞阅度专核要求染色牛度要求见表4。
前价.中定
耐序擦色斗离
耐颗更色半度
3.2.3局部性低点详分
3.2.3.1高部此疫点评分现定代表5染色牢虎技术要求
原样变他
白布估们
原样变它
立布沾
新托变它
布话色
严资站苣
单空为级
FZ/T34001-2003
鹿点名称
经间疮虑
深入0.5
及改山
深入自5
深人S
f.--1. 3
深人二.5
深人5.5
深人b
1. 5--55. 3
c. 5--5. u
c.5及以内
-. 3-- 半析
0. 5--15,2
心,5及以内
祭筛其断或
每13.2以内
表5同部性庇点评分表
详分分效
5. t-- 1n. n
5. 以-- 15. n
0.52上-2.0
半輕以上
10.0以上-13.3
.以二-半
0.5以上--2.
7.5以与个
要12.:及成内
3.2.3.2各类批点名称能说明见录B.3.2.4外观点的年计规定
3,2.4.评实布面点付,均双布匹正而为推,b
1:. 4 以 上, -- 3. 5
15, 9 以 上 ~-x5, 5
2, 9 以上.-.4,
15.1以上~半怕
半栖以上
2.2以上4.0
6.5以15,个
每100,0
.n .--.1x..
4. 以二~ 10. 0
半消以上。
以上~个柜
扭以个
5#--2cm
3.2.4.2点民度报终向球纬而的量人长理量计,经向能从长废过10Um包轻微状盗过m或破洞型对2em时:具超过部分成从0.1另行是计.军计评分,凡成形的低点按实添影响面积最六起离晟:
3.2.4.3在轻内10格以内·险缺担外的务种变点同时存声时,应分则量计,累计评分其放大累1评分数人超过10牙,
3.2.4.4年希点传评处故多的评定。FZ/T34001—2003
32.1.51下克实不同成深浅程度不回的耗点,降向宽以按不网程度分券员计,案计评你,约向独点按程度产丑的评分
3.2.,6难以数消.不最屏计的分放减,根据其分货的量人长度行轻重和度·参服经向或韩向批点分别计评分。
3.2.4.7,在同·布段内,存在相同闪月部性换点时,其累计分数不逆过该项统点的降等限度分,而同时存车其他后部怀流点须象评分时,可按已降等等级的运点分加须累计的风部作婉点的评分,作为该段布的总分
3.2.5易部性疫点评分说明
3.2.5.1与部性续点轻微严币费照G32.证定变色用充色样1:,4版为轻做.3.-4级及认下述,
3.2.5.2影响外规不到评分起点的严互纯点.禁叶在50m内控局举4点评分一,漂遇色布每3只评1分深中色每只1分:
3.2.5.3除嵌损达能外,边1.5m及以内的其他雅点不评分,听达1.3及以内的破洞按被边评分,边1.以的破边逆按破润许分。3.2.5.4经缩,断及脱肺等此点影响外观时按柜似严年减点评分.不影观不评分,平款起织的识物双毕放轻微评分
3.2.5.5门花准的个面脏点量根据对总外效果的影响程变评分,3.2.6一等品不充许的局部性案点3.2.6.1单独更评3分的被损,严重谢点(筛纬向载状和深法边外),对于期完不下剪的芯麻节染而单独一处评满1(并括症点。
3.2.6.253n:闪累计评满1分的产五驻点3.2.6.3筛选0.5以收拟内经向长2m改以内的碳例一处距边3.m以的破据。3.2.6.4长16cm以上的叶选,深人1.5cr以上的针眼,累计过心长的十分之一。2试骑方法
4,1各项或验应按各项试验方头标雅中现位的方法取计品,比生各项试验力法标准规定的标准条件下进行,
4.2幅宽按G2:14667执行:
4.3纱密发培G/T8执行
4.4装强按GB/T3923.11937热行.断料照力外算加1系数足时圾A,4.5账数力修正系教见录(
4.5期应强按GH/3017.1-97热
4.7水铁尺寸变化率G3/TH12%、Gn/T新2其中洗涤月2A、F燥F)、GB/=8e3J执行。.按911行。
4.9时率换色牢19按k/3923执
4.10耐洗色车准按GB/T362-.3—1Uu7执行4.1:对汀洗色年照按G/T3922疯行4.12村水色牢度按GB:T57-3执行。耐衡色厘按/)6:—(为一2家热4.13i
4.14整斜按G/T14801热行:
5检验规则
5.1产品检照
F7/T34931-2003
5.1.1内在质早检啦韧定
5.1.1.1.在间一品和、一动格和司一主产工艺的产品中,中醇含量,号需良断通71撕破效,力水证尺寸变化必和奥色牢要六内士质量指标的取样,想定5m为批,每批取块样品(不处soonm放取决!其试验结采作为该批产品的定等袋泌。5.1.1.2试验站采符合标,作企批台将、如不符合标准,训抽取屏的-箱产品作为不格品,由工厂进行展离处理,从该批的其余产品中·重新抽成一扶样品选行支签·复整以一次为准,复签结果花合标准的作全批合格,不范台致难的作拿批不合格,5.1.2外观质量检验规定
5..2.1外观所量报龄规定检验有的上面(益梢的一面为反而?料数织物中纱织购以左降\”,载织物心科“,为立而。在漂色市的受面购有因齿严互外碍资点,应降个等,单而物人降)。5.1.2.2采用刘光检时以40W加青光灯3支~4文,照度为501x~_0001x,光源与市值更两为.m~1.2a。
5.1.2.3验而验布拔角度步4,布行速率不超过25m/min(手工检整[3m/mis),布匹的评等检验·按验行机上作H的变点标证评分评等。检冷源白布种,在验布机上血剂一层白布、5.1.2.4右应的评学,收收短鉴应将布平摊在验布台上逐临检验,转验人负的视践克止规布面,原脏与布面的声为em~63m
5.2产品验收和克验
5.2.1验收
5.2.1.1生产!求邦评等检验结果,出具产品按编介格证::收货为应根据产品标准或办设对检验合证及也装知标志的内签行验收。5.2.1.2收货为如因条件限制,货时不能改时进行验-女,中安生产厂产降验验合格证收货。5.2.1.3内查质故验收册验数盘为该:此产品的0.5%.但每抽不得小于一扶。检验结果的评定以企部抗验伴右式验结果的均适作为该批产品的试效结果。了均消合势的作全批合格,乎均不合格的作全提会格:左验收·中发现间题,收付效方会同重新在该挑产品中再期验同数出产品进行远验,所以全部试样的平均值作为试恶载果,一次为准5.2.1.4外观两量验收拱验激单为该批产品的5必--1u而但每批不导小于40.片结果与原定品等不对率在5为改以下时,应作全批合格处!其中查山人符品举的产品,主生产厂负责调换或降等处理,不等品等亦在%以上时,收寸双方会同年新在浪批产品中再剂验相同效量避行克验,复验结果以一次为准。5.2.2验
5.2.2.1刘检验结果判定该拉产品不合格,收付双方有示议升,叫以会同友验或委托专业放龄机构进裁复验以次为准,凡判定个格的应作全批合格处圳,但实限吉止的本符品等的产品:二厂应负市调换或降价处理:知定不合能的成作全维不合格处谨:由会产负责。5.2.2.2友验或仲截中的一次费用由市任为组本。6标志,包装运输和贮存
6.1标志
6.1.1标志应明确,清楚,候了识别。6.1.?产品标说时的收4容定见断1.出!时应册本弃年乐变每产品的5cm存负内,并加6.1.3每四或罚产品的反面两!各使5历以下应加明格,格为形印帝,式程=以内
6.1.4么标惠的+及内容现定范降2、包外标感例在包的两端、制学尺小按不司产品的成包怖积道通坚。
1等品
相究 : cm >
水次六、中要值率
内6号
产品杯志说明也洋规定:优等品纸红了:(生产厂名)
(产品书幕克满)
献产业号
有标困表
出亡振红宁:
水洗尺寸生本内明水尺亡受化本现定化标。IuJ 01
E/34001-2C03
单出白纸学了:三等品白纸了;教品白然了、属内在所量降等的质在产品标上源明和产品两滑坏明所降品等,的证“断裂强力二单品一,图1产品标忠说明的式样及内容
(期区:名个称》
(.品筑)
(产品名你:
(花色号
深推步号
6.2包装
!等品
总长厦,
包号:
图2包外标志的式样及内客
6.2.1包装应保证齐、牛做,使包内产品品质不变损伤便一运摘。6.2.2产n半折,每幅为。m,每桶=折,产的反面问欧沾标。6.2.3卷简要求按两定长将布匹老染车规定尺的差拍上.乎整象谢,布这整齐无折皱,布的任单期外,内外崩折头不超过:
6.2.4尚包一个等级产品内,段与疫之间的色差.不低于:级,毕市和其他降等产品的破包不在此规定范用内
6.2.5产出成包分定长利排外两种,见表5,定闪成包遇定匹长为心m:护件成包规定段长为18口及以上.押件时,每件允诈措人31m--5.9—股和1r17.9两段,他闪应附与拼件单,格式及内弃的规定心表了。
F2/I34001--2003
产种的
海兰麻布
原乐兰麻布
兰府间
声晶名格
产品成包长度
每件电包长度:bzxz.net
定放包/数/计
表)拼件存段长记录单
作产厂名
段长m
讲作成纠允证最多段数/件)
6.2.E四持述需要间不能开单的产站:其长竞及段数可按当地纺织三业主誉部门的规定成供需效力为行办设,
6,2.产品品包装书出和送月材料,应杜期品种特点利出的要求,整为有包(如有特练要求,供需双方另汀协设)。深包产品牛皮纸,漂白,色产品上会下端赚毕料。包外用有(棉或成1,收麻源或化纤统插扎
6.2.8不同控宽的机物泻指道微有不问系求,幅在15)m1以下的产品双转万道,辆宽在100c改以的产品效范六道。
包头必独链牢,缝包线针不得错对了cm,布包搭一处两面各加链6一7存6.2.9
.2.10乐市长座及军的现定,大4存1017.9m,中零你1~9.m小枣布3m~4.9,起零布.2出~1.91及床点特别严重的产品(长店不限G.3运软
运输中必须保证产品质量术受坏安全稳要。6.4贮存
漂自布的忙行期限为一年中,在或定期限内刘发生些存变愿,经查叫原内,确属供方的本任,应出供方伙处急,但超过好年期限,共方不承但行,子其他
书对产品有特殊要求者而由供需双另订协议。A1幅宽,密度断我强力的计
附录A
(规范性时录)
麻印染布加工系数
FZ/T34001—2003
独期麻本色布产品品种规落,站介印染工艺设计,按规定的加系散策。如工系数见表A,!。囊 1. 1 如工系数
产毕名专
本光兰麻方
丝光吉麻新
和,1系数
5, 456
特疾势的严品游本标准“幅列工系数“规定牛产的,可另小协没、A.2计算方法
海加工东额
A.2.1幅宽、密度、断找频J均以整数在示,计算率·位小数按(15/TS17C像的,保智核数。A.2.2标准幅觉
标准墙宽一*麻本色布标非桶宽:幅宽灯工系教A.2.3标非空等密度
标准经纱密度一两麻本色布标经沙密度义经纱密度如工系数-经纱密度修上数
A.2.4标业纬密度
标准纯沙密度一芯本色布标确神沙密度×炜纱害度闭工系数A.2,5标雍经、韩向断裂强力
.(A.3:
标准经、纬向断教当力一些麻本色布标准经、纬尚断裂强力×好、行多您准加系数义经、向裂强力如系效
A.3经钞密度修正数
经密度正数儿表A.2:
表4.2经纱密度修正数
产品算经
2Ga以下
正0cm)
F/T34001—2003
B.继状痛点
附录B
(规范性附录)
点名称的说明
经向或向伸死的、宽度不通过0.3的疣点。B.2条状境点
法经向或纤向延的就度超过J.2cm包拓快状的托点:B.3破损
破而,破边、帮这,心.3cm以上的跳花等。n.4杂物
飞花、可效、油花、皮质、本质等韵组人布。R.5邹格
薄织物汁纱移实造式的育曲形,B.6条花
色活深法界限模制,难以量计宽映的.沿经向延伸的形快点。B.7烷毛不食
每元有行离检否处,每处交平较多的。B麻粒或深港细点
麻纱起球、布面白点密策造成深域细点。H,9 小节
长.及以上,4tm以,粗为原纱直径3倍及以三的粗节。10大书
长4cm及以上-机原纱白适倍及以上或cm以1,4cr以下,扭为照纱白径的s倍及以工的。
C.1工厂内那试验
对录℃
(规范性既泵)
带疆下到定断聚强力的回潮军的修正FPZT34001—2003
上广在测定断婴强力时,阅实兼件造不到标非温品度,可在常品下进行,其测试断数通力度质“断裂强力够正系数炎“进行静正,但测试地点的益源度应保持稳定。断毂强力修正公式
正后的断裂强力(N)
断裂强力正率微表
测册强力()×新裂强.止系数
断裂强龄正系数(接系效一31.3913)见表C.1表心.1
实测三期率(%)
1,c21 7
1, co2
断裂强力修正系数
1, ex e
0, 26 6
6,9641
n,961 6
n, 4: :
0, 5353
0,9330
0, 936 7
. 521 r
小提示:此标准内容仅展示完整标准里的部分截取内容,若需要完整标准请到上方自行免费下载完整标准文档。

标准图片预览:





- 其它标准
- 热门标准
- 纺织行业标准(FZ)
- FZ/T94007.2-2013 综第2部分:织机综框用钢丝综
- FZ/T01057.1-2007 纺织纤维鉴别试验方法 第1部分:通用说明
- FZ/T01041-2014 绒毛织物 绒毛长度和绒毛高度的测定
- FZ/T13051—2021 棉羊毛混纺涤纶弹力丝包芯纱本色布
- FZ/T64009-2000 非织造热熔粘合衬布
- FZ/T34002-1992 亚麻印染布
- FZ/T63052—2020 涤纶短纤织带
- FZ/T63035-2016 聚酰胺复丝双层编织结构绳索
- FZ/T50002-2013 化学纤维异形度试验方法
- FZ/T43018-2017 蚕丝绒毯
- FZ∕T14041-2018 灯芯绒涤棉混纺印染布
- FZ/T52038-2014 充填用再生涤纶超短纤维
- FZ/T60014-2017 絮片耐洗涤性能试验方法
- FZ66307-1995 特种工业用薄型棉带
- FZ/T72002-2019 毛条喂入式针织人造毛皮
- 行业新闻
请牢记:“bzxz.net”即是“标准下载”四个汉字汉语拼音首字母与国际顶级域名“.net”的组合。 ©2009 标准下载网 www.bzxz.net 本站邮件:bzxznet@163.com
网站备案号:湘ICP备2023016450号-1
网站备案号:湘ICP备2023016450号-1