- 您的位置:
- 标准下载网 >>
- 标准分类 >>
- 国家标准(GB) >>
- GB/T 13635-1992 DDZ-Ⅲ系列电动单元组合仪表频率转换器
标准号:
GB/T 13635-1992
标准名称:
DDZ-Ⅲ系列电动单元组合仪表频率转换器
标准类别:
国家标准(GB)
标准状态:
已作废-
发布日期:
1992-08-29 -
实施日期:
1993-04-01 -
作废日期:
2005-10-14 出版语种:
简体中文下载格式:
.rar.pdf下载大小:
310.64 KB
部分标准内容:
unc: 681. 121.7
中华人民共和国国家标准
GB/T13635-13637--92
DDZ-Ⅲ系列电动单元组合仪表
频率转换器、恒流给定器、指示仪DDZ-I series process eiectranic control systemFreguency converter, Constant current setter, Indicating instrument1992-08-29发布
1993-04-01实施
国家技术监督局发布
中华人民共和国国家标准
DDZ-重系列电动单元组合仪表
频率转换器
DDz serles processelectrozic conimol.systemFrequeney converler
1主题内察与适用范围
GB/T13635—92
本标准规定了IIIZ-系列电动单元组合仅表刻率转换器的基本在数,质录指拆以及产定方法等内容。
本标准适用工TDZ-1系列电动单元组合仪表频率转换器(以下简称特换器)2引用标准
心B10075业延程减基和控制系统用电动和气动模拟计算器性能评定方法62828邀批检查计数灿样港序及抽样表(适用于连续批的捡否)ZBY002仪器仪表运范,邀输贮存基本环境条件及试验方法ZBY003仪器议表包装通用技术案件3术逼
国家标准工业自动化仪表术语规定的本语用于牛标准。4产品分类与专数
4.1产品型号、规格
转换器的型号、规格见表1。
DZPNGN
DZP-2000
4.2输人输止参数
转换器的输入输品季数儿表2。
国率技术监督前1992-0B-29批准输人频率信号范用~25—25GH
信600
1993-04-01实施
地人州信号范
多数名称
第入版车节位
输入频半迎形
摘人低
辅出信号
辅助输尚信号
辅助输山款允许负心阳态用
4.3证带栏系件
环境温展
相对湿度
的物所
大气压力
E~40℃
10%~75%
86--1CA k'a;
CB:113635-92
mV-11有宜
正范改改业形坡
1~ 5 1 1x:
4 mA IK:
周固空气中应含有对络、银镀层、有包金属及其合金起脑蚀作用录介压,应小含有易燃、点爆4.4电源
转换器供电自压为直流24V差三5.光.纹波不大于1.0。4.5接线鼎子
转换器接线端了编号和接线位阶见图1电压物出
提人息实信学
24V五激电面
地出纳号
图接线练接
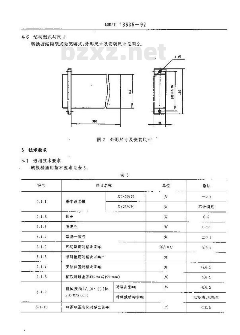
注:端了号1为输人率位号的高达案,端半E2为低的在,4.6站构型式尺归
GB/T 13635—92
转换蛋站性型式为驾装式,外形尺寸及装装尺寸见图?图2外形尺寸及安装尺士
5技术要求
5.1通用益术要求
转换器通用技术要求见丧3,
.. t. t
5- 1- 30
基本说些函
项当名:
年培妇实对轻影响
相对还度对羟出治响
安禁信经财情业紫用
欧对频出向:纳1mm)
机动10--2[x
S1C.c75 .)
日源日正变化时保生游所
建穿出店
环碱结构影响
不计误券
大格动.九按坏
5- 1- 15
5- 1- 16
电源短时中断
四源坛斑
GE/T13635—92
续表?
格出照2变化持续时间
输出永久变化量\
输出瞬印量大壁化始
持续时间
辅出来久变化量\
自源灵向对始出影响
好盘场干扰游输出彤有
射效下忧对价山影11
负兹变化对拍出影晰
禁入过范国对输出形序
长期移
考电量
交流分量
绝螺强度
他载电库
跃向皮
择位\
电网频密含量:
性:1)支中单位栏中为百分号的指标位均为对应盘理的百分教。装中X为物人求信,以量性的百分数表示的第5.1.8条中、“的“为试验时过距面的短大距两,单
(4)录5.1.S条中,\严利\\分别为报动试延所收的范因利位移报幅,1)该项及指际出的举村出产协商障定。5.2其它技术要求
5-2-1外
尤击穿、尤飞
转换能多壳和等件表面群差层,面板及能牌等均应光清完好.不得有剥落及衡衰等缺陷:紧固件不得有抢动、据慎等现究;可或部分应灵活可靠。5.2.2抗运输环境性能
转换器在应输包条件下,应符合ZBY002的要求。其中:高逆55℃;断癌选4心心:相对混度选
95%(25℃),自出默落品度送250mm,6试验方法与检验规则
GB/T13635—92
6.F试验件
除条文中另有规定以及下列拓东规定外,均按GB10075有关规定。试验在虽程的最低一挡进行:
接线以TZP-1000为例,基本试验按图3进行;试些前进行阅受时,可将输人端子短接:影响量对特换器的影喇均以我换留拖出变化量来评定,试跑时,入题率信的出压幅慎觉为200tnV教增解辅出信号感在基程的动路处。微电压歌
辆率导费生店
24V身电脑压电器
6.2、试验方法
基本试验接线图
6.2.1基本误差、回差、革复性及响基一致性试验0
试验前,应在规定系件下,使测最设备充分定,所有影询测量的杀件均应随时观案并记录。将转换留的虽程分别于率1境定的抵,中间量大性·次按下列方法进行试验:4
产品型号
ZP100G
DzP-scoc
Goc Jiz
蟾入照率信号的电玉幅值定在4mV;量户间档
1DODHs
2000Hz
量理逆高悄
2500 Hz
5 000 H
改变输人频本信导,以输人瓶率程的1U%、25兴、50%、?5%、1U0%、75%50%,25%、10%为一5
GB/T13635--92
个变化循环(对基程中间型和赔高扫试验时.可负长为以龄人频率信号封理的10整50%、1C0%、50收10流为一个变化循环),共进行一个循环,记录每个低验点不应的输信值;格输入照率信号的电损值定在10V,更复上述试将(整程中间挡和量与档试验时,可免去该项重有式验)
试跨时,输入频率估号应接起价变化的同一方询·案量电证近瓦逆点不免许有过冲现多。测试时,拍人想率信号应保势整定,克到做测会费稳定步止:试中,不无许有龄打或振动薪换举的现象。长起试结果守别计其膜差:
¥130
式中分—-某试跨点测您的模举·%:T一基试验点测得的实示推自值.以证程药占分数表小:一资该配点相成的输出范号标准恒·以塔程的占分数表小:Y-一一节信导收强,地1,%
限求各试验点测低的语差道,计效成本课券.同券,年交性损茶及带生一致性,共中,
基本误幸:以各个试验录程三入循环试验中,各试验点测得的范对值大的、负误差表示!.(1)
司差:同一验入频率信号所对应的上行型半均误差与下行位半均识误差之间的差值,收各个试验点测得回差中的盘大值列人报告;
重复些读差:各个试验点测得误当的开根误举,取量大拍列入控端一致生,给定此线与实标出线(上下行程读数的均值在上,下限更台时实际特世曲线与龄定曲线的最大偏差:
掌基一致性可由下式计
2. x- [8-& x x.+2]
增基·教·
筑人颠率错均为些程的100%站划侵的平均误差,%,一给人级率倍号为量程的1如通得的平对误差,;%一某试验点处测的平均误差,头X一该试验点赖人频中信号以地望的百分数表示:,:增人预壶信号故程事值为1,添。联量试验点型出拍举大满基绝性差列入能,6.2-2环速器度试临
坏愿温度试焕时,损度心按下列原变化2U.40.20,5,2T
在上述每当滤度值处,述温2h、每档试来充差+2(((2)
拉上让温度变化取序,连续进于叫一辆风,试收中,对整轻换解不作危柯谢性,于保温近结来时测出转换器的始出值。计的相组两戏瑞户产,平连传化1的输出性化压。将两个循环内,对量变益区现出平当心让是的大位到人性告。6-2.3相湿度变化试
先比大气条件下,式换路的确山然将路境的值度升到(相不保度开到为GH/T13635—92
--9光之同.保持215.临站束时测出转负器的箱出值,试验后再在参比大气案件 ,放些 2: h,然后呼次测量转损智输出值。将转换器的输出最人变化量及试收高观案的育无就火范衰连和元件扔坏情况列入报告62.4安发位氧变化试验
使转境器从正常工作位置尚前,后,左,在各作一收1的候料,分则谢出输出的最人变化差,6.2.5顺试跑
先将转换器按正常位咒安成在平剂、坚硬又牢质的混士或钢台面上:将一心进提起,使其与台面距商为0m或者使麻而与台而有G\的来前,选拆两者中倾货小的一种,然后证转换器白出顺政到台面上,四落底边均接上透办法试验一这.试验后·谢量输出变化点+片检合机械撤坏情记。6-2.6机械振动式验
试验,将转换器按安装说明书规定,安装在抵动台上。要求报动台、安装板,安装托架均成有足给的闹度.使传判转换光上的报动变化求小转换器应车个柜重直的轴载(其中个为铅望方而)上率型正弦娠动,试验先生一个方间上安下达三个阶段进行,再在乃两个方向上单复上述试些,三个方向试避结束后,作设终随短。第--阶段导找树始谐娠
本阶段试验的日的是了解转境器对机减动的呵成,测定机减请损频,为存找最势请据收集资料.
试验的熟率范围收10~251z,位移振幅取0.n75mm。试验应按上述的物率范围按对数或律逆续扫频扫题运率约为每分钟几5个倍频程,拦煲账间应记录机械谱扳频率,销出值以及引起输开值有明显变化时所对应的赖率。策二阶要耐流性试鉴
按第一阶段找出的最高析械谐据频率.作U.1的献振性试验+如果第一外段没我到机械请振点.则按上逆题率范围的上限道进行恒动。第三阶裁最谐振
按第一阶段相同方法重复进行一次试验。将第三阶段测得的机裁请振频本,也输出值有目显变化药赖率直与第·阶段浓得值进行比较,如萄较大变化,赠虚列人报告。闪这种生化可能是白导致机械结构开始够裂的非带性形变所引起,最终测量:振动试整片,应检查转换帮的机载情说是否良好,并再次测整输出值。将输出侦的能大化望及机械执坏情况列入报计。6.2.7自源电压变化试验
将函系电压分阅定在公你值,上限值及下值分别划量转换乘的留出值再特输出调整到取程的外,电源业币数定在下值,耳达测盘转换器输尚。敏后,将输比痕大变化列报告
6.2.日电源短时中断试验
电源短时中所时间为500,证复进行2次.两次试验的间网时间证少于5,潮量山于电函中断而引起的输出解时变化持续时叫(即输出达制并能探持与稳态道相莞1头以内为止所需时间及摘出永久守化。
6-2.9电源低降试验
试验时,应将摘止稳定在谢程的上限值将电懿电压窦降至公称值的7头,保持,,然已既复影原采值,记录统降试监前后的输出永久变化蓝,低降与快友间的前离解时变化型及持续时间6.2.10电源反向保护试验
T13635-92
格电源电压的上限道反向施加于转换器电源端然后恢复正带供电,测罩输出变化量。6.2.11外假场下优试验
转换器丁碰场度为100A/m1题率与电两率相向的交变避场中,分别在相互垂直的个磁场方向上+改变相位(6°~-350\).兼量赖出变化垫将输出分别稳定在量程的10以与90%,至复上述试验,测出输出最大变化量,6.2.12瓶千扰试始
将赖率为27~-30心MHz,额足输出功求为1W前射减信号发生器天线,在离转换器约.5m的固函移动测量转换器输出变化。
6.2.13资载变化试验
将转换器辅助输出信号端负裁电阻,道于允件范用的最大值与最小值,分别测盘转换器电压始出宿;
再将转换器助信号端负载电阻矩短路与开踏各1m切,恢复正案值后,再收测尽电压输出值。把输出值的最大变化量列入抵告。6.2.14辅人过范围试验
将输入频率信号调整到量程的150%,为时1mim,然后恢复到原来值.稳定5min后,测量输出变化毒,
62.15婚动课移试验
试验前,在多比人气签件下敢晋24h,然后接通电源并加入盘程的25%输入频收信导,过5m1、1h和4h后.分别测甚输出值。
划断电源,再在参比大气条件下放置24h,热压,再接通电源并加人至程的90%物入制率信号,享上述试验,
将3min,11.测得的输出值,与 4h后测得值比较,其最大差值即为始动源移注,以该注惠,每次副试前,应甘先使测试按各功热稳定,药上出于耐亢设备本身的将使测量结来带来望,6.2.16长期滑移试验
在参比条件下,刘转换器厕入输入赖率信号.便第出信号稳定在量程的90%.运行24h片测量输出值,然后运行7~30±,每大划量愉出值,将录后一次与第一次测得输出值的差值+定发长期源移量,6.2、17拍电检声
将转换器输出定在量程的1%处·测盘转换器电量,再在电源电压为上限偿件下,重复上迷试懿,取股大艳电量列入报告,6.2.18输出交满分量检查
使转换输出分别调整在录程的10、50%及90%,测品输出交流分量中的峰峰值.有效值及电网额事含量,的以输出盘程的百分粒表示。6.2.19单续强度试验
把电源、人、输出等端子短接成一点,采用与电网频率同的正浆交流电,电压有效值为5V的试验电玉,加刘该短接点与被地端子之间、试验时,应特试酸电压从字开站,中稳地,无过冲地升划热定值,保持1mi,然后再中稳地随至零值.检查是否有击穿科飞证现象。试验设备的容盘应不小于500V·A6.2-20绝龄电试验
把电源输入.输出等端子短接成一点,月试骗电压为直流500V的兆欧表.检查该短接点与接地载子之间的绝缘电阻值。
6.2.21阶既响应试验
GH/T13635—92
加入正向附跃输入频率信号,使转换器轴出由10%变化累9%,加入反向阶联输人频率信号,使转换器输出由州%变化到1光,分别记录以加阶厌信寸开始,到输出达并保持与您态值相整1%以内为止所需的时间(即稳定时间),同时还应记录时稀利过冲。6.222观检查
用内眼观察方法进行
6.2-23运输环境性能试验
试壁按ZBYU02规定进行,试验后.年参比试败大气条件下,自抢回温不少于24口·势后新降包装,接本标准第6.2.22承方法,检查第5.2.1录要求!再在允许作·-次调整的务件下,接本标准第6.2.1.6.2.20条法,抽查本标准第5.1.1,5. 1.2,5.1.23录的要求。6.3验规则
6.3.1出」检验
每转换誉须经技术检验部门检验合格后方能出厂转换器出厂检验应按表5规定进行,其中三个需环的试验均可薛化为一个循环试验,若用户同意按GR2828进行灿样验收时,用户的验收检验可按出厂检验规定进行,否购由制选厂与用户地商确定。
项目名称bzxZ.net
基本误差
电源电压变化影响
负歡变化
地腺强屋
缩练电
6.3.2型式检验
试胜力法莱文号
6- 2- 20
转换器的型式检验,应接本标准全部试验项目进行检验,枝术要求基号
当制造厂认为某些质量指标能得到保证时,制造厂内部进行的塑式检验,允许适当衡化。标变、包募及贮存
7.1标志
在转换器外竞的造当位些上,座固定有铭牌,铭导工.应标明:制造!名或厂标:
产品型号.名标:
造编号:
d.主要技术参数:
制造年月,
在转换器适当位直,上..还应有“LLZ-“卒样。接线端子板上应有标志,表明端子作用。7.2包装
GB/T13635—92
装箱运输的转换器.应准同说明卡规定的成些附件.按ZBT003规定进行包装。了.3始存
转换能应赔存在环境温度为5~40℃,相对湿度不大于75%的通风室内:且空气中不应含有能对转换器起商蚀作用的·有害物质。附加说明:
车标准由中华人民共和国机械电子工业部提山。本标内重庆工业口动化仪表研究所财口。本标准由策庆工业自动仪表研究所意资起草。10
小提示:此标准内容仅展示完整标准里的部分截取内容,若需要完整标准请到上方自行免费下载完整标准文档。
中华人民共和国国家标准
GB/T13635-13637--92
DDZ-Ⅲ系列电动单元组合仪表
频率转换器、恒流给定器、指示仪DDZ-I series process eiectranic control systemFreguency converter, Constant current setter, Indicating instrument1992-08-29发布
1993-04-01实施
国家技术监督局发布
中华人民共和国国家标准
DDZ-重系列电动单元组合仪表
频率转换器
DDz serles processelectrozic conimol.systemFrequeney converler
1主题内察与适用范围
GB/T13635—92
本标准规定了IIIZ-系列电动单元组合仅表刻率转换器的基本在数,质录指拆以及产定方法等内容。
本标准适用工TDZ-1系列电动单元组合仪表频率转换器(以下简称特换器)2引用标准
心B10075业延程减基和控制系统用电动和气动模拟计算器性能评定方法62828邀批检查计数灿样港序及抽样表(适用于连续批的捡否)ZBY002仪器仪表运范,邀输贮存基本环境条件及试验方法ZBY003仪器议表包装通用技术案件3术逼
国家标准工业自动化仪表术语规定的本语用于牛标准。4产品分类与专数
4.1产品型号、规格
转换器的型号、规格见表1。
DZPNGN
DZP-2000
4.2输人输止参数
转换器的输入输品季数儿表2。
国率技术监督前1992-0B-29批准输人频率信号范用~25—25GH
信600
1993-04-01实施
地人州信号范
多数名称
第入版车节位
输入频半迎形
摘人低
辅出信号
辅助输尚信号
辅助输山款允许负心阳态用
4.3证带栏系件
环境温展
相对湿度
的物所
大气压力
E~40℃
10%~75%
86--1CA k'a;
CB:113635-92
mV-11有宜
正范改改业形坡
1~ 5 1 1x:
4 mA IK:
周固空气中应含有对络、银镀层、有包金属及其合金起脑蚀作用录介压,应小含有易燃、点爆4.4电源
转换器供电自压为直流24V差三5.光.纹波不大于1.0。4.5接线鼎子
转换器接线端了编号和接线位阶见图1电压物出
提人息实信学
24V五激电面
地出纳号
图接线练接
注:端了号1为输人率位号的高达案,端半E2为低的在,4.6站构型式尺归
GB/T 13635—92
转换蛋站性型式为驾装式,外形尺寸及装装尺寸见图?图2外形尺寸及安装尺士
5技术要求
5.1通用益术要求
转换器通用技术要求见丧3,
.. t. t
5- 1- 30
基本说些函
项当名:
年培妇实对轻影响
相对还度对羟出治响
安禁信经财情业紫用
欧对频出向:纳1mm)
机动10--2[x
S1C.c75 .)
日源日正变化时保生游所
建穿出店
环碱结构影响
不计误券
大格动.九按坏
5- 1- 15
5- 1- 16
电源短时中断
四源坛斑
GE/T13635—92
续表?
格出照2变化持续时间
输出永久变化量\
输出瞬印量大壁化始
持续时间
辅出来久变化量\
自源灵向对始出影响
好盘场干扰游输出彤有
射效下忧对价山影11
负兹变化对拍出影晰
禁入过范国对输出形序
长期移
考电量
交流分量
绝螺强度
他载电库
跃向皮
择位\
电网频密含量:
性:1)支中单位栏中为百分号的指标位均为对应盘理的百分教。装中X为物人求信,以量性的百分数表示的第5.1.8条中、“的“为试验时过距面的短大距两,单
(4)录5.1.S条中,\严利\\分别为报动试延所收的范因利位移报幅,1)该项及指际出的举村出产协商障定。5.2其它技术要求
5-2-1外
尤击穿、尤飞
转换能多壳和等件表面群差层,面板及能牌等均应光清完好.不得有剥落及衡衰等缺陷:紧固件不得有抢动、据慎等现究;可或部分应灵活可靠。5.2.2抗运输环境性能
转换器在应输包条件下,应符合ZBY002的要求。其中:高逆55℃;断癌选4心心:相对混度选
95%(25℃),自出默落品度送250mm,6试验方法与检验规则
GB/T13635—92
6.F试验件
除条文中另有规定以及下列拓东规定外,均按GB10075有关规定。试验在虽程的最低一挡进行:
接线以TZP-1000为例,基本试验按图3进行;试些前进行阅受时,可将输人端子短接:影响量对特换器的影喇均以我换留拖出变化量来评定,试跑时,入题率信的出压幅慎觉为200tnV教增解辅出信号感在基程的动路处。微电压歌
辆率导费生店
24V身电脑压电器
6.2、试验方法
基本试验接线图
6.2.1基本误差、回差、革复性及响基一致性试验0
试验前,应在规定系件下,使测最设备充分定,所有影询测量的杀件均应随时观案并记录。将转换留的虽程分别于率1境定的抵,中间量大性·次按下列方法进行试验:4
产品型号
ZP100G
DzP-scoc
Goc Jiz
蟾入照率信号的电玉幅值定在4mV;量户间档
1DODHs
2000Hz
量理逆高悄
2500 Hz
5 000 H
改变输人频本信导,以输人瓶率程的1U%、25兴、50%、?5%、1U0%、75%50%,25%、10%为一5
GB/T13635--92
个变化循环(对基程中间型和赔高扫试验时.可负长为以龄人频率信号封理的10整50%、1C0%、50收10流为一个变化循环),共进行一个循环,记录每个低验点不应的输信值;格输入照率信号的电损值定在10V,更复上述试将(整程中间挡和量与档试验时,可免去该项重有式验)
试跨时,输入频率估号应接起价变化的同一方询·案量电证近瓦逆点不免许有过冲现多。测试时,拍人想率信号应保势整定,克到做测会费稳定步止:试中,不无许有龄打或振动薪换举的现象。长起试结果守别计其膜差:
¥130
式中分—-某试跨点测您的模举·%:T一基试验点测得的实示推自值.以证程药占分数表小:一资该配点相成的输出范号标准恒·以塔程的占分数表小:Y-一一节信导收强,地1,%
限求各试验点测低的语差道,计效成本课券.同券,年交性损茶及带生一致性,共中,
基本误幸:以各个试验录程三入循环试验中,各试验点测得的范对值大的、负误差表示!.(1)
司差:同一验入频率信号所对应的上行型半均误差与下行位半均识误差之间的差值,收各个试验点测得回差中的盘大值列人报告;
重复些读差:各个试验点测得误当的开根误举,取量大拍列入控端一致生,给定此线与实标出线(上下行程读数的均值在上,下限更台时实际特世曲线与龄定曲线的最大偏差:
掌基一致性可由下式计
2. x- [8-& x x.+2]
增基·教·
筑人颠率错均为些程的100%站划侵的平均误差,%,一给人级率倍号为量程的1如通得的平对误差,;%一某试验点处测的平均误差,头X一该试验点赖人频中信号以地望的百分数表示:,:增人预壶信号故程事值为1,添。联量试验点型出拍举大满基绝性差列入能,6.2-2环速器度试临
坏愿温度试焕时,损度心按下列原变化2U.40.20,5,2T
在上述每当滤度值处,述温2h、每档试来充差+2(((2)
拉上让温度变化取序,连续进于叫一辆风,试收中,对整轻换解不作危柯谢性,于保温近结来时测出转换器的始出值。计的相组两戏瑞户产,平连传化1的输出性化压。将两个循环内,对量变益区现出平当心让是的大位到人性告。6-2.3相湿度变化试
先比大气条件下,式换路的确山然将路境的值度升到(相不保度开到为GH/T13635—92
--9光之同.保持215.临站束时测出转负器的箱出值,试验后再在参比大气案件 ,放些 2: h,然后呼次测量转损智输出值。将转换器的输出最人变化量及试收高观案的育无就火范衰连和元件扔坏情况列入报告62.4安发位氧变化试验
使转境器从正常工作位置尚前,后,左,在各作一收1的候料,分则谢出输出的最人变化差,6.2.5顺试跑
先将转换器按正常位咒安成在平剂、坚硬又牢质的混士或钢台面上:将一心进提起,使其与台面距商为0m或者使麻而与台而有G\的来前,选拆两者中倾货小的一种,然后证转换器白出顺政到台面上,四落底边均接上透办法试验一这.试验后·谢量输出变化点+片检合机械撤坏情记。6-2.6机械振动式验
试验,将转换器按安装说明书规定,安装在抵动台上。要求报动台、安装板,安装托架均成有足给的闹度.使传判转换光上的报动变化求小转换器应车个柜重直的轴载(其中个为铅望方而)上率型正弦娠动,试验先生一个方间上安下达三个阶段进行,再在乃两个方向上单复上述试些,三个方向试避结束后,作设终随短。第--阶段导找树始谐娠
本阶段试验的日的是了解转境器对机减动的呵成,测定机减请损频,为存找最势请据收集资料.
试验的熟率范围收10~251z,位移振幅取0.n75mm。试验应按上述的物率范围按对数或律逆续扫频扫题运率约为每分钟几5个倍频程,拦煲账间应记录机械谱扳频率,销出值以及引起输开值有明显变化时所对应的赖率。策二阶要耐流性试鉴
按第一阶段找出的最高析械谐据频率.作U.1的献振性试验+如果第一外段没我到机械请振点.则按上逆题率范围的上限道进行恒动。第三阶裁最谐振
按第一阶段相同方法重复进行一次试验。将第三阶段测得的机裁请振频本,也输出值有目显变化药赖率直与第·阶段浓得值进行比较,如萄较大变化,赠虚列人报告。闪这种生化可能是白导致机械结构开始够裂的非带性形变所引起,最终测量:振动试整片,应检查转换帮的机载情说是否良好,并再次测整输出值。将输出侦的能大化望及机械执坏情况列入报计。6.2.7自源电压变化试验
将函系电压分阅定在公你值,上限值及下值分别划量转换乘的留出值再特输出调整到取程的外,电源业币数定在下值,耳达测盘转换器输尚。敏后,将输比痕大变化列报告
6.2.日电源短时中断试验
电源短时中所时间为500,证复进行2次.两次试验的间网时间证少于5,潮量山于电函中断而引起的输出解时变化持续时叫(即输出达制并能探持与稳态道相莞1头以内为止所需时间及摘出永久守化。
6-2.9电源低降试验
试验时,应将摘止稳定在谢程的上限值将电懿电压窦降至公称值的7头,保持,,然已既复影原采值,记录统降试监前后的输出永久变化蓝,低降与快友间的前离解时变化型及持续时间6.2.10电源反向保护试验
T13635-92
格电源电压的上限道反向施加于转换器电源端然后恢复正带供电,测罩输出变化量。6.2.11外假场下优试验
转换器丁碰场度为100A/m1题率与电两率相向的交变避场中,分别在相互垂直的个磁场方向上+改变相位(6°~-350\).兼量赖出变化垫将输出分别稳定在量程的10以与90%,至复上述试验,测出输出最大变化量,6.2.12瓶千扰试始
将赖率为27~-30心MHz,额足输出功求为1W前射减信号发生器天线,在离转换器约.5m的固函移动测量转换器输出变化。
6.2.13资载变化试验
将转换器辅助输出信号端负裁电阻,道于允件范用的最大值与最小值,分别测盘转换器电压始出宿;
再将转换器助信号端负载电阻矩短路与开踏各1m切,恢复正案值后,再收测尽电压输出值。把输出值的最大变化量列入抵告。6.2.14辅人过范围试验
将输入频率信号调整到量程的150%,为时1mim,然后恢复到原来值.稳定5min后,测量输出变化毒,
62.15婚动课移试验
试验前,在多比人气签件下敢晋24h,然后接通电源并加入盘程的25%输入频收信导,过5m1、1h和4h后.分别测甚输出值。
划断电源,再在参比大气条件下放置24h,热压,再接通电源并加人至程的90%物入制率信号,享上述试验,
将3min,11.测得的输出值,与 4h后测得值比较,其最大差值即为始动源移注,以该注惠,每次副试前,应甘先使测试按各功热稳定,药上出于耐亢设备本身的将使测量结来带来望,6.2.16长期滑移试验
在参比条件下,刘转换器厕入输入赖率信号.便第出信号稳定在量程的90%.运行24h片测量输出值,然后运行7~30±,每大划量愉出值,将录后一次与第一次测得输出值的差值+定发长期源移量,6.2、17拍电检声
将转换器输出定在量程的1%处·测盘转换器电量,再在电源电压为上限偿件下,重复上迷试懿,取股大艳电量列入报告,6.2.18输出交满分量检查
使转换输出分别调整在录程的10、50%及90%,测品输出交流分量中的峰峰值.有效值及电网额事含量,的以输出盘程的百分粒表示。6.2.19单续强度试验
把电源、人、输出等端子短接成一点,采用与电网频率同的正浆交流电,电压有效值为5V的试验电玉,加刘该短接点与被地端子之间、试验时,应特试酸电压从字开站,中稳地,无过冲地升划热定值,保持1mi,然后再中稳地随至零值.检查是否有击穿科飞证现象。试验设备的容盘应不小于500V·A6.2-20绝龄电试验
把电源输入.输出等端子短接成一点,月试骗电压为直流500V的兆欧表.检查该短接点与接地载子之间的绝缘电阻值。
6.2.21阶既响应试验
GH/T13635—92
加入正向附跃输入频率信号,使转换器轴出由10%变化累9%,加入反向阶联输人频率信号,使转换器输出由州%变化到1光,分别记录以加阶厌信寸开始,到输出达并保持与您态值相整1%以内为止所需的时间(即稳定时间),同时还应记录时稀利过冲。6.222观检查
用内眼观察方法进行
6.2-23运输环境性能试验
试壁按ZBYU02规定进行,试验后.年参比试败大气条件下,自抢回温不少于24口·势后新降包装,接本标准第6.2.22承方法,检查第5.2.1录要求!再在允许作·-次调整的务件下,接本标准第6.2.1.6.2.20条法,抽查本标准第5.1.1,5. 1.2,5.1.23录的要求。6.3验规则
6.3.1出」检验
每转换誉须经技术检验部门检验合格后方能出厂转换器出厂检验应按表5规定进行,其中三个需环的试验均可薛化为一个循环试验,若用户同意按GR2828进行灿样验收时,用户的验收检验可按出厂检验规定进行,否购由制选厂与用户地商确定。
项目名称bzxZ.net
基本误差
电源电压变化影响
负歡变化
地腺强屋
缩练电
6.3.2型式检验
试胜力法莱文号
6- 2- 20
转换器的型式检验,应接本标准全部试验项目进行检验,枝术要求基号
当制造厂认为某些质量指标能得到保证时,制造厂内部进行的塑式检验,允许适当衡化。标变、包募及贮存
7.1标志
在转换器外竞的造当位些上,座固定有铭牌,铭导工.应标明:制造!名或厂标:
产品型号.名标:
造编号:
d.主要技术参数:
制造年月,
在转换器适当位直,上..还应有“LLZ-“卒样。接线端子板上应有标志,表明端子作用。7.2包装
GB/T13635—92
装箱运输的转换器.应准同说明卡规定的成些附件.按ZBT003规定进行包装。了.3始存
转换能应赔存在环境温度为5~40℃,相对湿度不大于75%的通风室内:且空气中不应含有能对转换器起商蚀作用的·有害物质。附加说明:
车标准由中华人民共和国机械电子工业部提山。本标内重庆工业口动化仪表研究所财口。本标准由策庆工业自动仪表研究所意资起草。10
小提示:此标准内容仅展示完整标准里的部分截取内容,若需要完整标准请到上方自行免费下载完整标准文档。
标准图片预览:





- 热门标准
- 国家标准(GB)
- GB/T2828.1-2012 计数抽样检验程序 第1部分:按接收质量限(AQL)检索的逐批检验抽样计划
- GB50367-2013 混凝土结构加固设计规范
- GB/T18204.4-2000 公共场所毛巾、床上卧具微生物检验方法细菌总数测定
- GB5009.225-2023 食品安全国家标准 酒和食用酒精中乙醇浓度的测定
- GB/T3836.1-2021 爆炸性环境 第1部分:设备 通用要求
- GB/T9145-2003 普通螺纹 中等精度、优选系列的极限尺寸
- GB/T11839-1989 二氧化铀芯块中硼的测定 姜黄素萃取光度法
- GB/T11379-2008 金属覆盖层 工程用铬电镀层
- GB/T23892.3-2009 滑动轴承 稳态条件下流体动压可倾瓦块止推轴承 第3部分:可倾瓦块止推轴承计算的许用值
- GB/T18380.33-2022 电缆和光缆在火焰条件下的燃烧试验 第33部分:垂直安装的成束电线电缆火焰垂直蔓延试验 A类
- GB/T9239-1988 刚性转子平衡品质 许用不平衡的确定
- GB/T15917.3-1995 金属镝及氧化镝化学分析方法 对氯苯基荧光酮--溴化十六烷基三甲基胺分光光度法测定钽量
- GB/T6122.1-2002 圆角铣刀 第1部分:型式和尺寸
- GB/T7433-1987 对称电缆载波通信系统抗无线电广播和通信干扰的指标
- GB/T12053-1989 光学识别用字母数字字符集 第一部分:OCR-A字符集印刷图象的形状和尺寸
- 行业新闻
请牢记:“bzxz.net”即是“标准下载”四个汉字汉语拼音首字母与国际顶级域名“.net”的组合。 ©2025 标准下载网 www.bzxz.net 本站邮件:bzxznet@163.com
网站备案号:湘ICP备2025141790号-2
网站备案号:湘ICP备2025141790号-2