- 您的位置:
- 标准下载网 >>
- 标准分类 >>
- 国家标准(GB) >>
- GB/T 13380-1992 交流电风扇和调速器
标准号:
GB/T 13380-1992
标准名称:
交流电风扇和调速器
标准类别:
国家标准(GB)
标准状态:
已作废-
发布日期:
1992-01-03 -
实施日期:
1992-05-01 -
作废日期:
2007-09-01 出版语种:
简体中文下载格式:
.rar.pdf下载大小:
617.77 KB
替代情况:
SG 222-1981 SG 223-1981采标情况:
≈IEC 879-86
点击下载
标准简介:
标准下载解压密码:www.bzxz.net
本标准规定了交流电风扇和调速器的产品分类、技术要求、试验方法、检验规则、标志、包装、运输及贮存。本标准适用于电压不超过250V,由单相交流电动机驱动的台扇、壁扇、台地扇、落地扇和吊扇及其调速器。本标准不适用于其它特殊条件下使用的电风扇。本标准所包含的电风扇和调速器的安全要求,应符合GB4706.27《家用和类似用途电器的安全电风扇和调速器的特殊要求》的规定。 GB/T 13380-1992 交流电风扇和调速器 GB/T13380-1992
部分标准内容:
中华人民共和国国家标准
交流电风扇和调速器
A. C. electric fans and regulators本标准参照采用IEC879(1986)《环流电扇及其调速器的结构和性能》。1主题内容与适用范围
GB/T 1338092
代替 GBn 158-—82
本标准规定了交流电风扇和调速器的产品分类、技术要求、试验方法、检验规则、标志、包装、运输及存。
本标准适用于电压不超过250V,由单相交流电动机驱动的台扇、壁扇、台地扇、落地扇和吊扇及其调速器。
本标准不适用于其它特殊条件下使用的电风扇。本标准所包含的电风扇和调速器的安全要求,应符合GB4706.27《家用和类似用途电器的安全电风扇和调速器的特殊要求》的规定。2引用标准
GB4706.27家用和类似用途电器的安全电风扇和调速器的特殊要求公差与配合未注公差尺寸的极限偏差GB1804
GB2423.3电工电子产品基本环境试验规程试验Ca:恒定湿热试验方法GB 2423. 17
电工电子产品基本环境试验规程试验Ka:盐雾试验方法家用电器噪声声功率级的测定
GB4214
GB4055
GB3667
GB3666
GB1002
GB2099
GB2828
GB2829
电风扇用机械式定时器
交流电动机电容器
琴键开关
单相插头插座型式、基本参数与尺寸单相、三相插头插座技术条件
逐批检查计数抽样程序及抽样表(适用于连续批的检查)周期检查计数抽样程序及抽样表适用于生产过程稳定性的检查)消费品使用说明家用和类似用途电器的使用说明GB5296.2
GB1019
家用电器包装通则
3产品分类
3.1型式
交流电风扇的型式,按驱动的电动机分有电容式和蔽极式二种。3.2规格
交流电风扇的规格,按其扇叶直径划分,如表1所示。国家技术监督局1992-01-28批准1992-05-01实施
台地扇
落地扇
200,
250,
300,
300,
300,
350,
300,
350,
400,
GB/T13380—92
500,
1200,
1500,
注:表1所列的规格尺寸是优选尺寸,其容差可按GB1804规定的JS18级执行。3.3额定参数
3.3.1额定电压
额定频率
4技术要求
4.1使用环境
4.1.1周围空气最高温度+40℃;4.1.2周围空气最大相对湿度90%(温度为+25℃时);4.1.3海拔不超过1000m。
4.2输出风量
电风扇在额定电压、额定频率和最高转速档位运转时,其输出风量应符合表2所规定的值,但允许有一10%的容差(容差上限不作规定)。表2
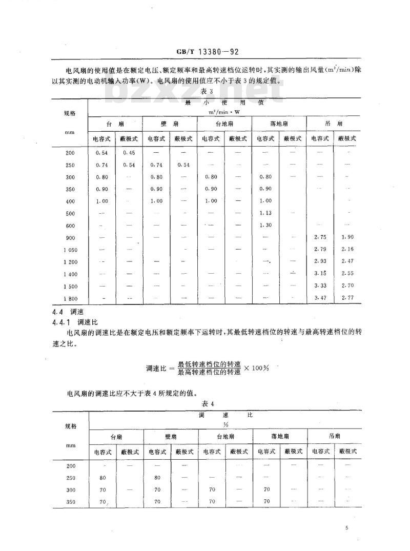
4.3使用值
m2/min
落地扇
GB/T 13380—92
电风扇的使用值是在额定电压、额定频率和最高转速档位运转时,其实测的输出风量(m\/min)除以其实测的电动机输入功率(W)。电风扇的使用值应不小于表3的规定值。表3
4.4调速
电容式
4.4.1调速比
蔽极式
电容式
蔽极式
m'/min·W
台地扇
电容式
蔽极式
落地扇
电容式
蔽极式
电容式
蔽极式
电风扇的调速比是在额定电压和额定频率下运转时,其最低转速档位的转速与最高转速档位的转速之比。
调速比三
最低转速档位的转速
最高转速档位的转速
电风扇的调速比应不大于表4所规定的值。表4
电容式
蔽极式
电容式
蔽极式
台地扇
电容式
X 100%
落地扇
蔽极式
电容式
蔽极式
电容式
蔽极式
电容式
调速器
蔽极式
GB/T13380—92
续表4
电容式
蔽极式
有调速器的电风扇应符合下列要求:a.
台地扇
电容式
各调速档位应能使电风扇连续可靠运转;相邻两个转速档位的转速差应尽可能相近;调速开关应满足电风扇型式检验的要求;操作灵活,不得发生两个操作档位同时接通现象;有电源断开档位;
蔽极式
功率在2W以上的照明灯等应有单独的电源开关。4.5噪声
落地扇
电容式
蔽极式
电容式
蔽极式
电风扇的噪声以A计权声功率级计,按5.6条规定的试验方法测定,其值应不大于表5所规定的值。
台扇、壁扇、台地扇、落地扇
最大噪声声功率级
注:表中带括号者为推荐值。
4.6摇头机构
最大噪声声功率级
GB/T13380—92
4.6.1摇头机构应能使电风扇的风向自动和连续的变动,要求动作平稳,不应有阻滞和振颤现象。4.6.2具有摇头机构的电风扇,不管其摇头角度是否可调,都应该有一个位置,其摇头角度不小于60°
4.6.3摇头机构在电风扇最高转速档位运转时,每分钟摇头次数不少于4次。4.6.4电风扇应有控制摇头机构工作状态的转换装置。4.7仰俯角调节
台扇、壁扇和台地扇应有仰俯角调节装置;落地扇应有俯角调节装置。当电风扇的俯角调到最大角度,且在机头轴线定向装置的任一位置上摇头运转时,其网罩均不应与任何部件相碰。4.8—般结构
4.8.1电风扇使用的机械式定时器、电容器、琴键开关及电源线插头应分别符合GB4055、GB3667GB3666及GB.1002和GB2099的要求,其它通用器件和紧固件等均应符合国家有关标准的相应的规.定,并能满足型式检验的要求;其易损件应便于更换。4.8.2吊扇、壁扇应有易于安装的悬挂装置,其结构应能防止反复冲击而引起的松动或磨损。4.8.3台扇、壁扇应有便于携移的提手。4.8.4叶片组装应牢固可靠、平衡良好,在各速度档位运转时,电风扇不应有明显的振动4.9外观
4.9.1电镀件的镀层应光滑细密,色泽均匀,不应有斑点、针孔、气泡和脱落;有机涂敷件的表面涂膜应平整光滑、色泽均匀、涂层牢固,其主要表面应无明显流漆、纹和脱落等影响外观的缺陷。4.9.2塑料制件的主要表面应光滑、色泽均匀,不应有明显的斑痕、划痕及凹缩。4.9.3电镀件经盐雾试验后,主要表面上的镀层的金属锈点和锈迹,每平方分米不多于2个,非主要表面上每平方分米不多于4个,每个锈点、锈迹的面积均不得大于1mm;当试件表面积小于1dm时,则不充许出现锈点、锈迹。
4.9.4有机涂件经湿热试验后,主要表面上的气泡每平方分米不多4个,非主要表面上每平方分米不多于8个,气泡直径不大于1mm,试件的边缘、角落、小孔处不应出现严重的涂层脱落。注:台扇、壁扇、台地扇和落地扇的电动机轴线处于水平位置,电风扇的出风面与装饰板为前表面,则其主要表面是指从前、上、左、右四个方向看到的表面。吊扇的电动机轴线与水平面垂直,其出风面向下,则其主要表面是指从下、前、后、左、右五个方向看到的表面。4.9.5电风扇的铭牌和装饰板应经久耐用,经型式检验后,不得变形、脱落;其图案与字迹仍应清楚。4.10寿命
4.10.1电风扇的调速开关,在额定电压和额定频率下,接入其控制的电风扇电路中或接模拟电风扇最大负载时的等效电路中进行试验,经5000次操作后,仍应能正常使用。4.10.2摇头机构经2000次操作试验后,其零件不应损坏及调节不应失灵。4.10.3电风扇机头轴线定向装置经250次操作后,其零件不应损坏及调节不应失灵。4.10.4仰俯角调节装置经500次操作后,其零件不应损坏和电源线、电气连接不应损伤。4.10.5高度调节装置经500次操作后,其零件不应损坏和电源线、电气联接不应损伤。4.10.6仰俯角及高度调节装置中的螺旋夹紧件,经500次夹紧试验后不得失灵。4.11质量保证
在用户遵守制造厂规定的保管和使用条件下,从出售日期起12个月内,电风扇如因制造不良而发生损坏不能正常工作时,制造厂应负责免费为用户更换、修理,但以制造厂发货日期起不超过24个月为限。订货方如另有要求时,可在双方合同中另行规定。5试验方法
风量试验应在室内空气温度为20士5℃的风量试验室内进行,其余性能试验都可在温度不高于GB/T 13380-92
:40℃、无外界气流和热辐射作用的室内进行。5.1试验用的仪器仪表
5.1.1用型式检验的电流表、电压表、功率表的准确度不低于0.5级,出厂检验可用1.0级,5.1.2测量风速用的仪表采用标称直径小于或等于100mm叶轮式风速仪,灵敏度不低于0.15m/s,风速的最大量程为1200m/min。
5.1.3测量温度用的仪表,其精度在0.5℃以内(出」检验可用1.0℃)。5.1.4测量时间用的仪表,其精度在0.1s以内。5.1.5测量气压及湿度用的仪表,其准确度为3%。5.1.6测量转速所用测试设备的采样器不应影响被试样机的转速。5.2试验电压和频率
除另有规定外,试验应在额定电压、额定频率下进行,试验电源的电压和频率的波动应不超过其额定值的士1%。
5.3般检查
检查电风扇的有关结构、外观质量等是否符合本标准的有关规定。检查内容如下:5.3.1扇叶直径检查,按本标推3.2的规定用误差不大于1mm的量具,检查扇叶旋转时顶端所作圆的直径。
5.3.2标志检查及电风扇操作指示和定时器时间指示的检查。5.3.3电风扇俯仰机构检查。
5.3.4提手装置检查。
5.3.5电镀层、有机涂敷层和塑料件的外观检查。5.4转速测量及调速比的检查
电风扇在额定电压、额定频率和不摇头状态下运转测定。5.4.1转速测量
5.4.1.1最高转速档位的转速测量电风扇在最高转速档位运转1h后,进行最高转速档位的转速测量5.4.1.2中间各转速档位的转速测量紧接着最高转速档位的转速测量后,进行中间各转速档位的转速测量。5.4.1.3最低转速档位的转速测量接着上二项试验后再在最低转速档位运转1h后,进行最低转速档位的转速测量。5.4.2调速比的检查
按5.4.1.1及5.4.1.3测定的转速值,计算被试电风扇的调速比,其值应符合本标准4.4.1表4的规定。
5.5摇头机构试验
带有摇头机构的台扇、壁扇、台地扇和落地扇应进行下述试验。其方法如下:5.5.1摇头次数测定
在额定电压和额定频率下,被试电风扇在最高转速档位运转,摇头机构处于工作状态下,用秒表计时,测定电风扇每分钟的摇头次数。5.5.2电风扇机头摇摆角度测定
用电风扇电动机轴线在水平面内的摆动角度来决定被测电风扇机头的摆动角度。为了便于记取位置,被测电风扇可在最低转速档位运转。5.5.3转换装置操作试验
电风扇摇头机构的转换装置应在最高转速档位下进行,转换操作的试验,由停止摇头位置转换到最大摇头角度位置,再由其最大摇头角度位置回复到停止摇头位置,如此操作,停-摇-停作为1次转换,并8
GB/T 13380—92
约以每分钟不少于1次的转换速度进行检查。5.5.4电风扇机头轴线定向装置的操作试验将电风扇的电源断开,然后把电风扇的机头从其左侧极限位置转换到其右侧极限位置,而后再由右侧极限位置回复到左侧极限位置,这样称为1次,以每分钟不大于3次的速度进行检查。5.6噪声声功率级测定
电风扇的噪声用GB4214中规定的测试仪器在半消声室内进行测试,以确定A计权声功率级。它是在额定电压、额定频率和处于不摇头状态下,并且在最高转速档位运转时测定的。5.6.1台扇噪声测试
采用半球包络面,测试半径R为1000mm,如图1所示,将被试台扇置于半消声室中间地面上,电风扇电动机轴线成水平,它在地面的投影与乙102的角平分线重合,微音器带风罩并对准电风扇摇头轴心,它的测试位置为图1A中1,2,3,4四点,微音器距离地面的高度对各种规格的台扇均为450mm,摇头轴心在地面的投影和微音器在地面的投影之间的距离是900mm,测试半径R是指摇头轴心在地面的投影至微音器的距离。噪声测试时按上述规定将微音器分别置于上述四点,在试样不摇头状态下,测出各点最大声压级,并按5.6.4算出这四个测试点的平均声压级,最后按5.6.4.1计算出被试电风扇噪声的声功率级。
5.6.2壁扇、台地扇、落地扇噪声测试采用全球包络面,测试半径R为1000mim,将被试电风扇置于半消声室中间地面上或样品架上,电风扇电动机轴线成水平,它在地面的投影与图2中二102的角平分线重合,且距离地面高度为1500mm,微音器的高度亦为1500mm,微音器至电风扇摇头轴心的距离为1000mm。噪声试验时,微音器的位置为图1B中的1,2,3,4四点,其它要求与台扇相同,但其噪声声功率级的计算,应按5.6.4.2的规定进行。
5.6.3吊扇噪声测试
采用全球包络面,测试半径R为1414mm,将被试电风扇悬吊在半消声室内,其扇叶平面距离地面高度大于2300mm,微音器带风罩并对准吊扇叶毂中心,微音器至叶毂中心的距离即为测试半径R。噪声试验时,微音器的测试位置为图3中的1,2,3,4四点,每点声压级的读数应取其示值的中间值,而后按5.6.4算出这四个测试点的平均声压级,最后按5.6.4.3计算出被试吊扇噪声声功率级。5.6.4电风扇噪声声功率级的计算按下式进行:Lw = Lp →+ 1olgs/S。
式中:Lw——声功率级,dB;
Lp平均声压级,dB;
S。——基准面取 S=1m2,
S---包络面的面积,m2。
(1)
每台电风扇的四个测点中,任意两点声压级的差值小于或等于5dB时,平均声压级可用算术平均值计算,如差值大于5dB时,则用对数平均值计算。5.6.4.1台扇的半包络面面积S一2元R2,R=1m时的声功率级。Lw = Lp + 10lg2元R2 - L + 8(dB)5. 6. 4.2
壁扇、台地扇、落地扇的全包络面面积S=4πR2,R=1m时的声功率级。Lw=Lp+10lg4元R2=Lp+11(dB)
5.6.4.3吊扇的全包络面面积S=4斤R2,R一1.414m时的声功率级。Lw = Lp + 10lg4元R2 = Lp + 14(dB)(2)
(4)
图1台扇噪声測试
5.7风量试验
GB/T 13380-
图2壁扇、台地扇、落地扇噪声测试2
图3吊扇噪声测试
应按下列方法,在空气温度为20士5℃的风量试验室内测定电风扇的风量。5.7.1台扇、壁扇、台地扇和落地扇的风量试验在图4所示的风量试验室内进行试验,其试验室尺寸如下:长度:台扇、壁扇、台地扇试验时为4500mm,落地扇试验时为6000mm。注:400mm及其以下的落地扇允许在长度为4500mm的试验室内试验。宽度:4500mm
高度:3000mm
上列试验屏尺寸允许土15mm的误差。10
5.7.1.1风速测定
GB/T13380—92
S—试样,F—风速表;d一测试距离;l—试验屏长度,见5.7.1的规定,h一扇叶中心距地面高度,见5.7.1.1规定被试电风扇扇叶中心距地面高度:台扇、壁扇、台地扇为1200mm,落地扇为1500mm(当400mm及其以下的落地扇在长度为4500mm的试验室测试时,其高度为1200mm)。被试电风扇扇叶中心与前墙墙面的距离:台扇、壁扇、台地扇应不小于1800mm,落地扇应不小于4m(400mm及其以下的落地扇允许为不小于1800mm)。被试电风扇扇叶中心与左右两侧墙墙面的距离:各种类型、规格的电风扇均不小于1800mm。被试电风扇扇叶中心与后墙墙面的距离:各种类型、规格的电风扇均不小于1200mm。当被试电风扇为壁扇时,要安装在一块平板上,其平板尺寸至少为1000mm×1000mm。试验时,在电风扇送风的一边,除了允许放置风速表及其搁架外,在整个试验屏内不应放置其它物品。试验过程中,试验人员可以在电风扇进风一边停留,仅在操作风速表和读取数据时,才进入电风扇的送风一边,并应尽快返回。
风速表的叶片平面与被试电风扇的扇叶平面平行,这两个平行平面之间的距离,为被试电风扇扇叶直径的3倍,风速表在试验平面内,沿着与扇叶轴线成垂直相交的水平直线上,向左右两个方向移动,风速表叶片的轴线应始终与电风扇扇叶的轴线相平行,风速表的架置应对气流的阻碍尽可能小。在试验进行时,试验屏应该合理地没有外来气流。5.7.1.2试验程序
GB/T 13380-92
试验前,应将被试电风扇在额定电压、额定频率下至少运转1h。测量时,电风扇应带有风罩,其电动机轴线成水平位置,摇头机构不工作,并在最高转速档位运转。试验时,应从距离扇叶轴线20mm左右两点处开始测量,以每40mm的增量沿着水平直线逐点向两边移动,直到所测得的平均风速下降到低于24m/min时为止。测量风速的时间不应少于1min,以风速表指示值除以在该点风速表的采样时间,为所测得之风速(m/min)。下载标准就来标准下载网
任何圆环的平均风速应该是该圆环平均半径上左右两个风速读数的平均值。5.7.1.3风量的确定
见附录A。
5.7.2吊扇的风量试验
在图5、图6所示的风量试验室内进行试验,试验室的试验屏和外屏尺寸如下:试验屏长度:4500mm
宽度:4500mm
高度:3000mm
以上的尺寸允许士15mm的误差。试验屏的顶部,除了中心留有圆形孔(顶孔)外,应该均被顶屏盖住,顶孔的直径应该比扇叶直径大10%~~20%,开有顶孔的中央顶屏的隔板厚度应不大于6mm。试验屏底部与地面离开450mm,以提供适当的空气出口。试验屏之外的顶板或任何会干扰气流的凸梁都应该在顶孔之上不小于1000mm的地方,即外屏天花板或者凸梁离地面不小于4000mm。试验屏四周与外屏墙壁之间的距离均等,其尺寸为1000~1250mm。5.7.2.1风速测定
吊扇扇叶平面应处在试验屏顶部圆孔上缘的平面中。除了允许在试验屏内放置风速表及其搁架外,在整个试验屏内及外屏和试验屏之间不应放置其它物品。
风速表的叶片平面与吊扇扇叶平面平行,其距离为1500mm,风速表应在一个水平面内的四个半段对角线上移动,风速表的架置应尽可能地减少对气流的影响。在试验进行时,试验屏内应该合理地没有外来气流。5.7.2.2试验程序
试验前,被试吊扇在额定电压、额定频率下至少运转1h。测量时,使吊扇在最高转速档位连续运转。12
到天花板的量小高度
GB/T 13380—92
剖开外屏露出试验屏的下庭开口图5吊扇风量试验屏和外屏布置图外屏
厂试验屏
1 ~ 1. 25 m
图6吊扇风量试验屏和外屏平面图D一试验屏顶孔直径
试验屏
注:吊扇风量试验间的外屏与其天花板之间的距离应如图3所示,但也允许外屏与天花板相接,其中无间隙。风速应在试验屏内的四个半段对角线上测取,并从距离对角线中心(位于通过扇叶中心的垂线上)40mm处开始测量,随后以每80mm的增量逐点向各边进行,直到所计算的平均风速下降到低于9 m/min时为止。
任何圆环的平均风速,应该是该圆环平均半径处四个半段对角线工读数的平均值。5.7.2.3风量的确定
见附录B。
注:①扇叶平面…一扇叶旋转形成立体的中间平面。②风速表叶片平面-—风速表旋转其叶片形成立体的中间平面。测定风速时风速表叶片平面所处的平面,测定吊扇风速时的试验平面为水平面,测定台扇、壁③试验平面
GB/T 13380-92
扇、台地扇和落地扇风速时的试验平面为垂直平面。5.8使用值的确定
5.8.1电动机输入功率的测定
电风扇在最高转速档位连续运转至少半小时后,在额定电压、额定频率下和最高转速档位运转时,测量电动机的输入功率,此时有摇头机构的电风扇处于摇头状态,台扇、台地扇、落地扇电动机轴线处于水平位置,吊扇、壁扇电动机轴线处于正常使用工作状态,电动机输入功率不包括另有分合装置的指示灯、照明灯及其它器件所消耗的功率。5.8.2使用值的确定
由本标准5.7和5.8.1测得的电风扇风量和电动机输入功率,是按本标准4.3的规定计算而得。其使用值应符合本标准表3的规定。5.9.调速开关分合试验
调速开关接入符合本标准4.10.1规定的电路中进行分合试验,每操作一次是由“断开”档位开始逐档置于各个转速档位,然后再回到断开档位。每分钟操作速度不大于12次,经5000次分合试验后,应符合本标准4.10.1的规定。
5.10仰俯角操作试验
电风扇的仰俯角操作试验,在断开电源下进行,试验开始时把电风扇电动机转轴置于最大仰角位置,而后从最大仰角位置操作到最大俯角位置,再回到最大仰角位置作为一次,每次操作螺旋夹紧件不用锁紧,每分钟操作速度约10次,经500次试验后,应符合本标准第4.10.4的规定。5.11高度调节装置操作试验
台地扇、落地扇的高度调节装置应在断开电源下进行升降操作试验,将被试电风扇的机头部分从其最高位置降到最低位置,再升到最高位置,这样操作作为升降一次,以每分钟不大于10次的升降速度重复500次操作后,试样应符合本标准4.10.5的规定。5.12螺旋夹紧件操作试验
电风扇的升降装置、仰俯角装置的螺旋夹紧件操作试验,反复松紧操作,以松一一紧一一一松为一次,以每分钟不大于10次的速度旋动夹紧件,经500欲操作后,夹紧件仍能可靠工作(夹紧力的大小以夹紧为止),并应符合4.10.6的规定。5.13有机涂敷件湿热试验
电风扇的涂敷件应按GB2423.3规定的程序和试验条件进行试验,时间为4d,试验后试样应符合4.9.4的规定。
试验前,将涂敷件表面去油清洗。5.14电镀件盐雾试验
电镀件应按GB2423.17规定的程序和试验条件进行试验,时间为24h。试验前,将电镀件表面去油清洗。试验结束后取出试样,用蘸有清水的布将残留在表面上的盐分擦净,检查电镀层表面锈点(焊点除外)。试验后应符合4.9.3的规定。6检验规则
6.门电风扇的检验分出厂检验和型式检验。在出厂检验和型式检验中,凡涉及GB4706.27的检验(在表6和表7\不合格类别\栏中用“※”号标出),所检项目均应符合该标准的要求,如出现一台项不符合该标准的要求时,则判该批产品不合格。6.2出厂检验
6.2.1出厂检验即产品交货时需进行的试验。电风扇须经出厂检验合格后方能出厂。出厂检验的试验项目、要求和方法如表6所示。
小提示:此标准内容仅展示完整标准里的部分截取内容,若需要完整标准请到上方自行免费下载完整标准文档。
交流电风扇和调速器
A. C. electric fans and regulators本标准参照采用IEC879(1986)《环流电扇及其调速器的结构和性能》。1主题内容与适用范围
GB/T 1338092
代替 GBn 158-—82
本标准规定了交流电风扇和调速器的产品分类、技术要求、试验方法、检验规则、标志、包装、运输及存。
本标准适用于电压不超过250V,由单相交流电动机驱动的台扇、壁扇、台地扇、落地扇和吊扇及其调速器。
本标准不适用于其它特殊条件下使用的电风扇。本标准所包含的电风扇和调速器的安全要求,应符合GB4706.27《家用和类似用途电器的安全电风扇和调速器的特殊要求》的规定。2引用标准
GB4706.27家用和类似用途电器的安全电风扇和调速器的特殊要求公差与配合未注公差尺寸的极限偏差GB1804
GB2423.3电工电子产品基本环境试验规程试验Ca:恒定湿热试验方法GB 2423. 17
电工电子产品基本环境试验规程试验Ka:盐雾试验方法家用电器噪声声功率级的测定
GB4214
GB4055
GB3667
GB3666
GB1002
GB2099
GB2828
GB2829
电风扇用机械式定时器
交流电动机电容器
琴键开关
单相插头插座型式、基本参数与尺寸单相、三相插头插座技术条件
逐批检查计数抽样程序及抽样表(适用于连续批的检查)周期检查计数抽样程序及抽样表适用于生产过程稳定性的检查)消费品使用说明家用和类似用途电器的使用说明GB5296.2
GB1019
家用电器包装通则
3产品分类
3.1型式
交流电风扇的型式,按驱动的电动机分有电容式和蔽极式二种。3.2规格
交流电风扇的规格,按其扇叶直径划分,如表1所示。国家技术监督局1992-01-28批准1992-05-01实施
台地扇
落地扇
200,
250,
300,
300,
300,
350,
300,
350,
400,
GB/T13380—92
500,
1200,
1500,
注:表1所列的规格尺寸是优选尺寸,其容差可按GB1804规定的JS18级执行。3.3额定参数
3.3.1额定电压
额定频率
4技术要求
4.1使用环境
4.1.1周围空气最高温度+40℃;4.1.2周围空气最大相对湿度90%(温度为+25℃时);4.1.3海拔不超过1000m。
4.2输出风量
电风扇在额定电压、额定频率和最高转速档位运转时,其输出风量应符合表2所规定的值,但允许有一10%的容差(容差上限不作规定)。表2
4.3使用值
m2/min
落地扇
GB/T 13380—92
电风扇的使用值是在额定电压、额定频率和最高转速档位运转时,其实测的输出风量(m\/min)除以其实测的电动机输入功率(W)。电风扇的使用值应不小于表3的规定值。表3
4.4调速
电容式
4.4.1调速比
蔽极式
电容式
蔽极式
m'/min·W
台地扇
电容式
蔽极式
落地扇
电容式
蔽极式
电容式
蔽极式
电风扇的调速比是在额定电压和额定频率下运转时,其最低转速档位的转速与最高转速档位的转速之比。
调速比三
最低转速档位的转速
最高转速档位的转速
电风扇的调速比应不大于表4所规定的值。表4
电容式
蔽极式
电容式
蔽极式
台地扇
电容式
X 100%
落地扇
蔽极式
电容式
蔽极式
电容式
蔽极式
电容式
调速器
蔽极式
GB/T13380—92
续表4
电容式
蔽极式
有调速器的电风扇应符合下列要求:a.
台地扇
电容式
各调速档位应能使电风扇连续可靠运转;相邻两个转速档位的转速差应尽可能相近;调速开关应满足电风扇型式检验的要求;操作灵活,不得发生两个操作档位同时接通现象;有电源断开档位;
蔽极式
功率在2W以上的照明灯等应有单独的电源开关。4.5噪声
落地扇
电容式
蔽极式
电容式
蔽极式
电风扇的噪声以A计权声功率级计,按5.6条规定的试验方法测定,其值应不大于表5所规定的值。
台扇、壁扇、台地扇、落地扇
最大噪声声功率级
注:表中带括号者为推荐值。
4.6摇头机构
最大噪声声功率级
GB/T13380—92
4.6.1摇头机构应能使电风扇的风向自动和连续的变动,要求动作平稳,不应有阻滞和振颤现象。4.6.2具有摇头机构的电风扇,不管其摇头角度是否可调,都应该有一个位置,其摇头角度不小于60°
4.6.3摇头机构在电风扇最高转速档位运转时,每分钟摇头次数不少于4次。4.6.4电风扇应有控制摇头机构工作状态的转换装置。4.7仰俯角调节
台扇、壁扇和台地扇应有仰俯角调节装置;落地扇应有俯角调节装置。当电风扇的俯角调到最大角度,且在机头轴线定向装置的任一位置上摇头运转时,其网罩均不应与任何部件相碰。4.8—般结构
4.8.1电风扇使用的机械式定时器、电容器、琴键开关及电源线插头应分别符合GB4055、GB3667GB3666及GB.1002和GB2099的要求,其它通用器件和紧固件等均应符合国家有关标准的相应的规.定,并能满足型式检验的要求;其易损件应便于更换。4.8.2吊扇、壁扇应有易于安装的悬挂装置,其结构应能防止反复冲击而引起的松动或磨损。4.8.3台扇、壁扇应有便于携移的提手。4.8.4叶片组装应牢固可靠、平衡良好,在各速度档位运转时,电风扇不应有明显的振动4.9外观
4.9.1电镀件的镀层应光滑细密,色泽均匀,不应有斑点、针孔、气泡和脱落;有机涂敷件的表面涂膜应平整光滑、色泽均匀、涂层牢固,其主要表面应无明显流漆、纹和脱落等影响外观的缺陷。4.9.2塑料制件的主要表面应光滑、色泽均匀,不应有明显的斑痕、划痕及凹缩。4.9.3电镀件经盐雾试验后,主要表面上的镀层的金属锈点和锈迹,每平方分米不多于2个,非主要表面上每平方分米不多于4个,每个锈点、锈迹的面积均不得大于1mm;当试件表面积小于1dm时,则不充许出现锈点、锈迹。
4.9.4有机涂件经湿热试验后,主要表面上的气泡每平方分米不多4个,非主要表面上每平方分米不多于8个,气泡直径不大于1mm,试件的边缘、角落、小孔处不应出现严重的涂层脱落。注:台扇、壁扇、台地扇和落地扇的电动机轴线处于水平位置,电风扇的出风面与装饰板为前表面,则其主要表面是指从前、上、左、右四个方向看到的表面。吊扇的电动机轴线与水平面垂直,其出风面向下,则其主要表面是指从下、前、后、左、右五个方向看到的表面。4.9.5电风扇的铭牌和装饰板应经久耐用,经型式检验后,不得变形、脱落;其图案与字迹仍应清楚。4.10寿命
4.10.1电风扇的调速开关,在额定电压和额定频率下,接入其控制的电风扇电路中或接模拟电风扇最大负载时的等效电路中进行试验,经5000次操作后,仍应能正常使用。4.10.2摇头机构经2000次操作试验后,其零件不应损坏及调节不应失灵。4.10.3电风扇机头轴线定向装置经250次操作后,其零件不应损坏及调节不应失灵。4.10.4仰俯角调节装置经500次操作后,其零件不应损坏和电源线、电气连接不应损伤。4.10.5高度调节装置经500次操作后,其零件不应损坏和电源线、电气联接不应损伤。4.10.6仰俯角及高度调节装置中的螺旋夹紧件,经500次夹紧试验后不得失灵。4.11质量保证
在用户遵守制造厂规定的保管和使用条件下,从出售日期起12个月内,电风扇如因制造不良而发生损坏不能正常工作时,制造厂应负责免费为用户更换、修理,但以制造厂发货日期起不超过24个月为限。订货方如另有要求时,可在双方合同中另行规定。5试验方法
风量试验应在室内空气温度为20士5℃的风量试验室内进行,其余性能试验都可在温度不高于GB/T 13380-92
:40℃、无外界气流和热辐射作用的室内进行。5.1试验用的仪器仪表
5.1.1用型式检验的电流表、电压表、功率表的准确度不低于0.5级,出厂检验可用1.0级,5.1.2测量风速用的仪表采用标称直径小于或等于100mm叶轮式风速仪,灵敏度不低于0.15m/s,风速的最大量程为1200m/min。
5.1.3测量温度用的仪表,其精度在0.5℃以内(出」检验可用1.0℃)。5.1.4测量时间用的仪表,其精度在0.1s以内。5.1.5测量气压及湿度用的仪表,其准确度为3%。5.1.6测量转速所用测试设备的采样器不应影响被试样机的转速。5.2试验电压和频率
除另有规定外,试验应在额定电压、额定频率下进行,试验电源的电压和频率的波动应不超过其额定值的士1%。
5.3般检查
检查电风扇的有关结构、外观质量等是否符合本标准的有关规定。检查内容如下:5.3.1扇叶直径检查,按本标推3.2的规定用误差不大于1mm的量具,检查扇叶旋转时顶端所作圆的直径。
5.3.2标志检查及电风扇操作指示和定时器时间指示的检查。5.3.3电风扇俯仰机构检查。
5.3.4提手装置检查。
5.3.5电镀层、有机涂敷层和塑料件的外观检查。5.4转速测量及调速比的检查
电风扇在额定电压、额定频率和不摇头状态下运转测定。5.4.1转速测量
5.4.1.1最高转速档位的转速测量电风扇在最高转速档位运转1h后,进行最高转速档位的转速测量5.4.1.2中间各转速档位的转速测量紧接着最高转速档位的转速测量后,进行中间各转速档位的转速测量。5.4.1.3最低转速档位的转速测量接着上二项试验后再在最低转速档位运转1h后,进行最低转速档位的转速测量。5.4.2调速比的检查
按5.4.1.1及5.4.1.3测定的转速值,计算被试电风扇的调速比,其值应符合本标准4.4.1表4的规定。
5.5摇头机构试验
带有摇头机构的台扇、壁扇、台地扇和落地扇应进行下述试验。其方法如下:5.5.1摇头次数测定
在额定电压和额定频率下,被试电风扇在最高转速档位运转,摇头机构处于工作状态下,用秒表计时,测定电风扇每分钟的摇头次数。5.5.2电风扇机头摇摆角度测定
用电风扇电动机轴线在水平面内的摆动角度来决定被测电风扇机头的摆动角度。为了便于记取位置,被测电风扇可在最低转速档位运转。5.5.3转换装置操作试验
电风扇摇头机构的转换装置应在最高转速档位下进行,转换操作的试验,由停止摇头位置转换到最大摇头角度位置,再由其最大摇头角度位置回复到停止摇头位置,如此操作,停-摇-停作为1次转换,并8
GB/T 13380—92
约以每分钟不少于1次的转换速度进行检查。5.5.4电风扇机头轴线定向装置的操作试验将电风扇的电源断开,然后把电风扇的机头从其左侧极限位置转换到其右侧极限位置,而后再由右侧极限位置回复到左侧极限位置,这样称为1次,以每分钟不大于3次的速度进行检查。5.6噪声声功率级测定
电风扇的噪声用GB4214中规定的测试仪器在半消声室内进行测试,以确定A计权声功率级。它是在额定电压、额定频率和处于不摇头状态下,并且在最高转速档位运转时测定的。5.6.1台扇噪声测试
采用半球包络面,测试半径R为1000mm,如图1所示,将被试台扇置于半消声室中间地面上,电风扇电动机轴线成水平,它在地面的投影与乙102的角平分线重合,微音器带风罩并对准电风扇摇头轴心,它的测试位置为图1A中1,2,3,4四点,微音器距离地面的高度对各种规格的台扇均为450mm,摇头轴心在地面的投影和微音器在地面的投影之间的距离是900mm,测试半径R是指摇头轴心在地面的投影至微音器的距离。噪声测试时按上述规定将微音器分别置于上述四点,在试样不摇头状态下,测出各点最大声压级,并按5.6.4算出这四个测试点的平均声压级,最后按5.6.4.1计算出被试电风扇噪声的声功率级。
5.6.2壁扇、台地扇、落地扇噪声测试采用全球包络面,测试半径R为1000mim,将被试电风扇置于半消声室中间地面上或样品架上,电风扇电动机轴线成水平,它在地面的投影与图2中二102的角平分线重合,且距离地面高度为1500mm,微音器的高度亦为1500mm,微音器至电风扇摇头轴心的距离为1000mm。噪声试验时,微音器的位置为图1B中的1,2,3,4四点,其它要求与台扇相同,但其噪声声功率级的计算,应按5.6.4.2的规定进行。
5.6.3吊扇噪声测试
采用全球包络面,测试半径R为1414mm,将被试电风扇悬吊在半消声室内,其扇叶平面距离地面高度大于2300mm,微音器带风罩并对准吊扇叶毂中心,微音器至叶毂中心的距离即为测试半径R。噪声试验时,微音器的测试位置为图3中的1,2,3,4四点,每点声压级的读数应取其示值的中间值,而后按5.6.4算出这四个测试点的平均声压级,最后按5.6.4.3计算出被试吊扇噪声声功率级。5.6.4电风扇噪声声功率级的计算按下式进行:Lw = Lp →+ 1olgs/S。
式中:Lw——声功率级,dB;
Lp平均声压级,dB;
S。——基准面取 S=1m2,
S---包络面的面积,m2。
(1)
每台电风扇的四个测点中,任意两点声压级的差值小于或等于5dB时,平均声压级可用算术平均值计算,如差值大于5dB时,则用对数平均值计算。5.6.4.1台扇的半包络面面积S一2元R2,R=1m时的声功率级。Lw = Lp + 10lg2元R2 - L + 8(dB)5. 6. 4.2
壁扇、台地扇、落地扇的全包络面面积S=4πR2,R=1m时的声功率级。Lw=Lp+10lg4元R2=Lp+11(dB)
5.6.4.3吊扇的全包络面面积S=4斤R2,R一1.414m时的声功率级。Lw = Lp + 10lg4元R2 = Lp + 14(dB)(2)
(4)
图1台扇噪声測试
5.7风量试验
GB/T 13380-
图2壁扇、台地扇、落地扇噪声测试2
图3吊扇噪声测试
应按下列方法,在空气温度为20士5℃的风量试验室内测定电风扇的风量。5.7.1台扇、壁扇、台地扇和落地扇的风量试验在图4所示的风量试验室内进行试验,其试验室尺寸如下:长度:台扇、壁扇、台地扇试验时为4500mm,落地扇试验时为6000mm。注:400mm及其以下的落地扇允许在长度为4500mm的试验室内试验。宽度:4500mm
高度:3000mm
上列试验屏尺寸允许土15mm的误差。10
5.7.1.1风速测定
GB/T13380—92
S—试样,F—风速表;d一测试距离;l—试验屏长度,见5.7.1的规定,h一扇叶中心距地面高度,见5.7.1.1规定被试电风扇扇叶中心距地面高度:台扇、壁扇、台地扇为1200mm,落地扇为1500mm(当400mm及其以下的落地扇在长度为4500mm的试验室测试时,其高度为1200mm)。被试电风扇扇叶中心与前墙墙面的距离:台扇、壁扇、台地扇应不小于1800mm,落地扇应不小于4m(400mm及其以下的落地扇允许为不小于1800mm)。被试电风扇扇叶中心与左右两侧墙墙面的距离:各种类型、规格的电风扇均不小于1800mm。被试电风扇扇叶中心与后墙墙面的距离:各种类型、规格的电风扇均不小于1200mm。当被试电风扇为壁扇时,要安装在一块平板上,其平板尺寸至少为1000mm×1000mm。试验时,在电风扇送风的一边,除了允许放置风速表及其搁架外,在整个试验屏内不应放置其它物品。试验过程中,试验人员可以在电风扇进风一边停留,仅在操作风速表和读取数据时,才进入电风扇的送风一边,并应尽快返回。
风速表的叶片平面与被试电风扇的扇叶平面平行,这两个平行平面之间的距离,为被试电风扇扇叶直径的3倍,风速表在试验平面内,沿着与扇叶轴线成垂直相交的水平直线上,向左右两个方向移动,风速表叶片的轴线应始终与电风扇扇叶的轴线相平行,风速表的架置应对气流的阻碍尽可能小。在试验进行时,试验屏应该合理地没有外来气流。5.7.1.2试验程序
GB/T 13380-92
试验前,应将被试电风扇在额定电压、额定频率下至少运转1h。测量时,电风扇应带有风罩,其电动机轴线成水平位置,摇头机构不工作,并在最高转速档位运转。试验时,应从距离扇叶轴线20mm左右两点处开始测量,以每40mm的增量沿着水平直线逐点向两边移动,直到所测得的平均风速下降到低于24m/min时为止。测量风速的时间不应少于1min,以风速表指示值除以在该点风速表的采样时间,为所测得之风速(m/min)。下载标准就来标准下载网
任何圆环的平均风速应该是该圆环平均半径上左右两个风速读数的平均值。5.7.1.3风量的确定
见附录A。
5.7.2吊扇的风量试验
在图5、图6所示的风量试验室内进行试验,试验室的试验屏和外屏尺寸如下:试验屏长度:4500mm
宽度:4500mm
高度:3000mm
以上的尺寸允许士15mm的误差。试验屏的顶部,除了中心留有圆形孔(顶孔)外,应该均被顶屏盖住,顶孔的直径应该比扇叶直径大10%~~20%,开有顶孔的中央顶屏的隔板厚度应不大于6mm。试验屏底部与地面离开450mm,以提供适当的空气出口。试验屏之外的顶板或任何会干扰气流的凸梁都应该在顶孔之上不小于1000mm的地方,即外屏天花板或者凸梁离地面不小于4000mm。试验屏四周与外屏墙壁之间的距离均等,其尺寸为1000~1250mm。5.7.2.1风速测定
吊扇扇叶平面应处在试验屏顶部圆孔上缘的平面中。除了允许在试验屏内放置风速表及其搁架外,在整个试验屏内及外屏和试验屏之间不应放置其它物品。
风速表的叶片平面与吊扇扇叶平面平行,其距离为1500mm,风速表应在一个水平面内的四个半段对角线上移动,风速表的架置应尽可能地减少对气流的影响。在试验进行时,试验屏内应该合理地没有外来气流。5.7.2.2试验程序
试验前,被试吊扇在额定电压、额定频率下至少运转1h。测量时,使吊扇在最高转速档位连续运转。12
到天花板的量小高度
GB/T 13380—92
剖开外屏露出试验屏的下庭开口图5吊扇风量试验屏和外屏布置图外屏
厂试验屏
1 ~ 1. 25 m
图6吊扇风量试验屏和外屏平面图D一试验屏顶孔直径
试验屏
注:吊扇风量试验间的外屏与其天花板之间的距离应如图3所示,但也允许外屏与天花板相接,其中无间隙。风速应在试验屏内的四个半段对角线上测取,并从距离对角线中心(位于通过扇叶中心的垂线上)40mm处开始测量,随后以每80mm的增量逐点向各边进行,直到所计算的平均风速下降到低于9 m/min时为止。
任何圆环的平均风速,应该是该圆环平均半径处四个半段对角线工读数的平均值。5.7.2.3风量的确定
见附录B。
注:①扇叶平面…一扇叶旋转形成立体的中间平面。②风速表叶片平面-—风速表旋转其叶片形成立体的中间平面。测定风速时风速表叶片平面所处的平面,测定吊扇风速时的试验平面为水平面,测定台扇、壁③试验平面
GB/T 13380-92
扇、台地扇和落地扇风速时的试验平面为垂直平面。5.8使用值的确定
5.8.1电动机输入功率的测定
电风扇在最高转速档位连续运转至少半小时后,在额定电压、额定频率下和最高转速档位运转时,测量电动机的输入功率,此时有摇头机构的电风扇处于摇头状态,台扇、台地扇、落地扇电动机轴线处于水平位置,吊扇、壁扇电动机轴线处于正常使用工作状态,电动机输入功率不包括另有分合装置的指示灯、照明灯及其它器件所消耗的功率。5.8.2使用值的确定
由本标准5.7和5.8.1测得的电风扇风量和电动机输入功率,是按本标准4.3的规定计算而得。其使用值应符合本标准表3的规定。5.9.调速开关分合试验
调速开关接入符合本标准4.10.1规定的电路中进行分合试验,每操作一次是由“断开”档位开始逐档置于各个转速档位,然后再回到断开档位。每分钟操作速度不大于12次,经5000次分合试验后,应符合本标准4.10.1的规定。
5.10仰俯角操作试验
电风扇的仰俯角操作试验,在断开电源下进行,试验开始时把电风扇电动机转轴置于最大仰角位置,而后从最大仰角位置操作到最大俯角位置,再回到最大仰角位置作为一次,每次操作螺旋夹紧件不用锁紧,每分钟操作速度约10次,经500次试验后,应符合本标准第4.10.4的规定。5.11高度调节装置操作试验
台地扇、落地扇的高度调节装置应在断开电源下进行升降操作试验,将被试电风扇的机头部分从其最高位置降到最低位置,再升到最高位置,这样操作作为升降一次,以每分钟不大于10次的升降速度重复500次操作后,试样应符合本标准4.10.5的规定。5.12螺旋夹紧件操作试验
电风扇的升降装置、仰俯角装置的螺旋夹紧件操作试验,反复松紧操作,以松一一紧一一一松为一次,以每分钟不大于10次的速度旋动夹紧件,经500欲操作后,夹紧件仍能可靠工作(夹紧力的大小以夹紧为止),并应符合4.10.6的规定。5.13有机涂敷件湿热试验
电风扇的涂敷件应按GB2423.3规定的程序和试验条件进行试验,时间为4d,试验后试样应符合4.9.4的规定。
试验前,将涂敷件表面去油清洗。5.14电镀件盐雾试验
电镀件应按GB2423.17规定的程序和试验条件进行试验,时间为24h。试验前,将电镀件表面去油清洗。试验结束后取出试样,用蘸有清水的布将残留在表面上的盐分擦净,检查电镀层表面锈点(焊点除外)。试验后应符合4.9.3的规定。6检验规则
6.门电风扇的检验分出厂检验和型式检验。在出厂检验和型式检验中,凡涉及GB4706.27的检验(在表6和表7\不合格类别\栏中用“※”号标出),所检项目均应符合该标准的要求,如出现一台项不符合该标准的要求时,则判该批产品不合格。6.2出厂检验
6.2.1出厂检验即产品交货时需进行的试验。电风扇须经出厂检验合格后方能出厂。出厂检验的试验项目、要求和方法如表6所示。
小提示:此标准内容仅展示完整标准里的部分截取内容,若需要完整标准请到上方自行免费下载完整标准文档。
标准图片预览:





- 热门标准
- 国家标准(GB)
- GB/T228.1-2021 金属材料 拉伸试验 第1部分:室温试验方法
- GB/T39325-2020 超导回旋质子加速器辐射屏蔽规范
- GB/T2828.1-2012 计数抽样检验程序 第1部分:按接收质量限(AQL)检索的逐批检验抽样计划
- GB/T39677-2020 OFD在政府网站网页归档中的应用指南
- GB/T9124.1-2019 钢制管法兰 第1部分:PN 系列
- GB/T50674-2013 核电厂工程气象技术规范
- GB/T29473-2020 移动实验室分类、代号及标记
- GB/T13920-1992 35mm电影主观检验片(彩色测试图)
- GB2895-1982 不饱和聚脂树脂酸值的测定
- GB/T4138-2004 稀土镁硅铁合金
- GB/T14668-1993 空气质量 氨的测定 纳氏试剂比色法
- GB/T56-1988 六角厚螺母
- GB/T21827-2008 化学品 皮肤变态反应试验 局部淋巴结方法
- GB/T11626-2009 船舶和海上技术 吊放式救生艇降放装置
- GB24155-2009 电动摩托车和电动轻便摩托车安全要求
- 行业新闻
请牢记:“bzxz.net”即是“标准下载”四个汉字汉语拼音首字母与国际顶级域名“.net”的组合。 ©2025 标准下载网 www.bzxz.net 本站邮件:bzxznet@163.com
网站备案号:湘ICP备2025141790号-2
网站备案号:湘ICP备2025141790号-2