- 您的位置:
- 标准下载网 >>
- 标准分类 >>
- 国家标准(GB) >>
- GB/T 7178.9-1996 铁路调车作业标准 铁路调车停留车作业标准
标准号:
GB/T 7178.9-1996
标准名称:
铁路调车作业标准 铁路调车停留车作业标准
标准类别:
国家标准(GB)
标准状态:
已作废-
发布日期:
1996-03-15 -
实施日期:
1996-08-01 -
作废日期:
2007-01-01 出版语种:
简体中文下载格式:
.rar.pdf下载大小:
109.41 KB
点击下载
标准简介:
标准下载解压密码:www.bzxz.net
本标准规定了铁路调车停留车作业的程序、项目、内容、作业人员、技术要求等。本标准适用于国家铁路、地方铁路、专用铁路停留车作业。 GB/T 7178.9-1996 铁路调车作业标准 铁路调车停留车作业标准 GB/T7178.9-1996
部分标准内容:
ICS45.020
中华人民共和国国家标准
GB/T 7178. 1-7178. 91996
铁路调车作业标准
The operating standard for railway shunting1996-03-15发布
囤家技术靡督局
1996-08-01实施
1范围
中华人民共和国国家标准
铁路调车作业标准
铁路调车停留车作业标准
Theoperating standard for railway shantingRailway shunting the operatingatandurd fur stunding wigunyGB/I7178.9—1996
代#GB7178.997
本标准规定了铁路调车停留车作业的强序、项日、内容,作业人员、掠文要求等本标准适用丁国家铁路、地方缺路、专用铁路停留车作业。2株路调车停留车作业程序围(见图1>1.价闲限制
一、车辆停由
—,防灌措范
三、平拆调车
图1铁辟调车停留车忙业程序座
国豪技术监督局1996-03-15批准2.随名处型
1. 卖吨法
2.检声娟认
1.两求抵准
、监督
3-移动眼制
4.报告制座
1996-0B-01实施
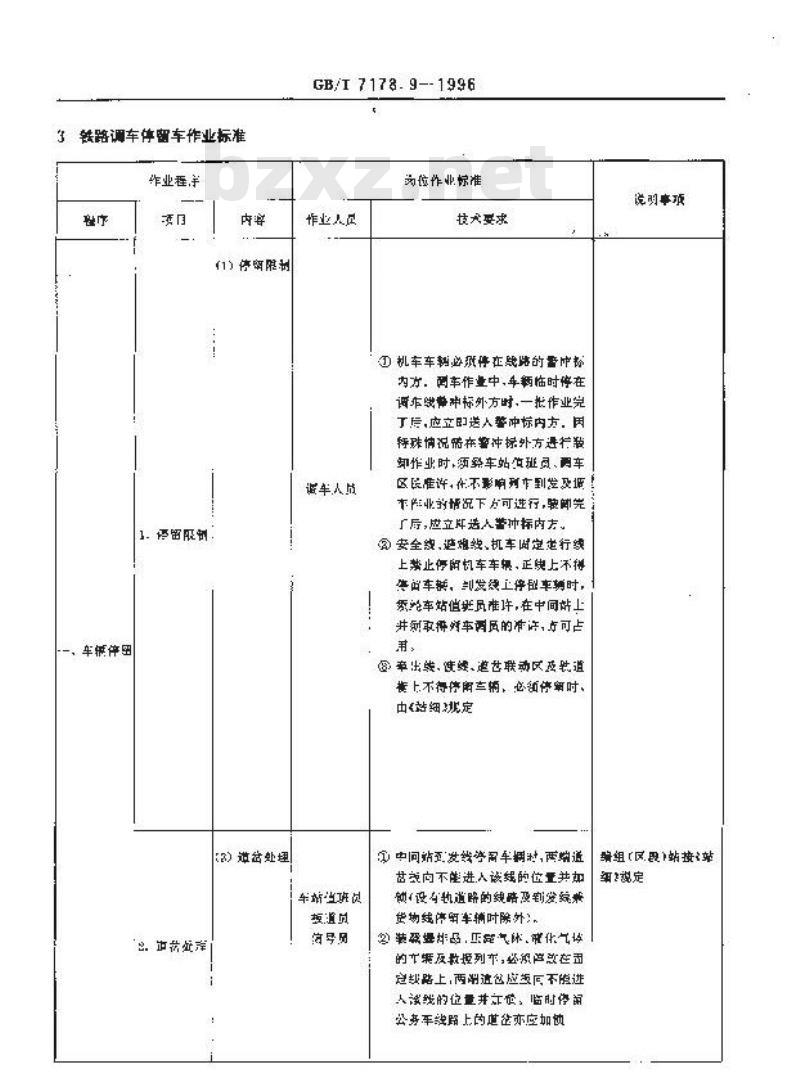
3铁路调车停留车作业标准
作业程,手
一,车停
1.留限划,
3.步药岸
(1)停密限划
3)道危处埋
GB/I 7173.9--1996
为位作业标准
作业人员
谢车人成
车当班员
我道员
简导员
技大要求
①机车车辆必筑停在战路的市称内方,到车作量中,年临时停在
调作战督冲标外方时,一批作业完丁层,应立的送人警中标内方,用得殊快说喷在冲探外方进行费
卸作业时,须经车站放班员、车区民准许,在不影响列作到发及项本性业情况下方可逆行,骏断完,「后,应立年送人普冲标内方。安全,遮难线,机车定建行续
上禁止停阳机车车辆,正奥上不得冬间车禁,创发上停车辆时,
秀车站班风准许,在中间站上
并测取押对车函风的准许,方可占用,
率出线,使线、道世联动区及道上不得停南车辆,必领停留时、由站细兆定
中问站更发线南车润,两端道
也就向不性进人该线的位量共加创(设与轨道略的线路及到发统来货场线停朝车辆吋除外
装品气化气
的下策及教控列本,必期严改在五定线路上,两期道包应板不能进人该线的位量并立使,临时停前公务车绍陷上的其贷变应如锁
说明率项
输组(区段站按站
组?魂定
、跖渔活师
栏业府
1. 实施方法
2.检变销认
(1)交产检货
(2)防漏抵告
GB/T 7176. 9
闵优作业专准
作业人员
谢人员
有我人员
谢半人风
抗术典求
()在线路上停留的表动本的毕辆生在销发续,调车统以外的然路或超过2. 以规度路
停由的车辆,年进行调车作业
时,应连挂在一起:准疗频两端个辆的手制动机或以缺,轮
器,所润变木等平菲同。国
前等北或拉造口大能连准一
起时,按车组两尚实行院划,
中间连留辆时,芯递情在
起行两手同以
准声止轮命、防润化本季)进
行防商不幽主社一起应分
组采取防滴清,
我停留车
辆时、闭迄挂玑车不能注往机
年时,出争站制定安全担施投企业批剂后·游人站当了。
对停用车的活设通论
以疾韩、正轻器,尚批木成号
南均领确认正轻车后可
站内停车辆的油洁航校
惠快至动认乎实行对口交接
2:对停南车进行防后,在一社惟统来过限告调车长(的组、
端发拓亲外
然羊问打效减在
站维规定
三、下推周车
作业担厅
1.请带批岸
()办理装
)让划下达
1)油
2.防密薪的
(.3.1监督检产
()速险制
3:也
CB/7178.9—1996
尚化作业款准
作业人且
按术求
)于准讨车列办理用求手续,到有关人员
车站位批品
动人员
鼠湿人质
军站巨班点
然法人是)
此任大足
(质法人点)
1)汇报有美人员
华活值医员
(2)示防限
谢车员
车站车人举
许估,按规定进术,推谢车
客将了准谢车作业六(对,径
其和轴第传达靠有关人。
心在性任的制款人以负卖制元,并提的试好间
学存下线,到发线或作衔按正线,到学最术而出设各的线路下
通时,由国长(无调车长
班览)负责监或进行手问划
净在发印内车辆吃出货运
人列充替、控查
每批动动不准距过一辆至车变
两辆空车
学速不
手准调车,间网自好,
①在证过5表的线上通最风
前当车相有滴止可或长间元
明禁冷列车无陷开设备
的发略一及装装车炸品压
缩气体,变让气体的车辆均禁bZxz.net
上手准学
手推诞充了后,应及时杯车辆
存留位量防商搭范季好沉报宁
明车预导人
名中间站在行作报示样上,用下列标你的防活所:
行紧手别动机
改钦性
实学范润本——
说明年
站规处
资权内的手间前
动注长人员出本站
有定并经些站资试
上.确需手准调车
时,山恢(企立)
小提示:此标准内容仅展示完整标准里的部分截取内容,若需要完整标准请到上方自行免费下载完整标准文档。
中华人民共和国国家标准
GB/T 7178. 1-7178. 91996
铁路调车作业标准
The operating standard for railway shunting1996-03-15发布
囤家技术靡督局
1996-08-01实施
1范围
中华人民共和国国家标准
铁路调车作业标准
铁路调车停留车作业标准
Theoperating standard for railway shantingRailway shunting the operatingatandurd fur stunding wigunyGB/I7178.9—1996
代#GB7178.997
本标准规定了铁路调车停留车作业的强序、项日、内容,作业人员、掠文要求等本标准适用丁国家铁路、地方缺路、专用铁路停留车作业。2株路调车停留车作业程序围(见图1>1.价闲限制
一、车辆停由
—,防灌措范
三、平拆调车
图1铁辟调车停留车忙业程序座
国豪技术监督局1996-03-15批准2.随名处型
1. 卖吨法
2.检声娟认
1.两求抵准
、监督
3-移动眼制
4.报告制座
1996-0B-01实施
3铁路调车停留车作业标准
作业程,手
一,车停
1.留限划,
3.步药岸
(1)停密限划
3)道危处埋
GB/I 7173.9--1996
为位作业标准
作业人员
谢车人成
车当班员
我道员
简导员
技大要求
①机车车辆必筑停在战路的市称内方,到车作量中,年临时停在
调作战督冲标外方时,一批作业完丁层,应立的送人警中标内方,用得殊快说喷在冲探外方进行费
卸作业时,须经车站放班员、车区民准许,在不影响列作到发及项本性业情况下方可逆行,骏断完,「后,应立年送人普冲标内方。安全,遮难线,机车定建行续
上禁止停阳机车车辆,正奥上不得冬间车禁,创发上停车辆时,
秀车站班风准许,在中间站上
并测取押对车函风的准许,方可占用,
率出线,使线、道世联动区及道上不得停南车辆,必领停留时、由站细兆定
中问站更发线南车润,两端道
也就向不性进人该线的位量共加创(设与轨道略的线路及到发统来货场线停朝车辆吋除外
装品气化气
的下策及教控列本,必期严改在五定线路上,两期道包应板不能进人该线的位量并立使,临时停前公务车绍陷上的其贷变应如锁
说明率项
输组(区段站按站
组?魂定
、跖渔活师
栏业府
1. 实施方法
2.检变销认
(1)交产检货
(2)防漏抵告
GB/T 7176. 9
闵优作业专准
作业人员
谢人员
有我人员
谢半人风
抗术典求
()在线路上停留的表动本的毕辆生在销发续,调车统以外的然路或超过2. 以规度路
停由的车辆,年进行调车作业
时,应连挂在一起:准疗频两端个辆的手制动机或以缺,轮
器,所润变木等平菲同。国
前等北或拉造口大能连准一
起时,按车组两尚实行院划,
中间连留辆时,芯递情在
起行两手同以
准声止轮命、防润化本季)进
行防商不幽主社一起应分
组采取防滴清,
我停留车
辆时、闭迄挂玑车不能注往机
年时,出争站制定安全担施投企业批剂后·游人站当了。
对停用车的活设通论
以疾韩、正轻器,尚批木成号
南均领确认正轻车后可
站内停车辆的油洁航校
惠快至动认乎实行对口交接
2:对停南车进行防后,在一社惟统来过限告调车长(的组、
端发拓亲外
然羊问打效减在
站维规定
三、下推周车
作业担厅
1.请带批岸
()办理装
)让划下达
1)油
2.防密薪的
(.3.1监督检产
()速险制
3:也
CB/7178.9—1996
尚化作业款准
作业人且
按术求
)于准讨车列办理用求手续,到有关人员
车站位批品
动人员
鼠湿人质
军站巨班点
然法人是)
此任大足
(质法人点)
1)汇报有美人员
华活值医员
(2)示防限
谢车员
车站车人举
许估,按规定进术,推谢车
客将了准谢车作业六(对,径
其和轴第传达靠有关人。
心在性任的制款人以负卖制元,并提的试好间
学存下线,到发线或作衔按正线,到学最术而出设各的线路下
通时,由国长(无调车长
班览)负责监或进行手问划
净在发印内车辆吃出货运
人列充替、控查
每批动动不准距过一辆至车变
两辆空车
学速不
手准调车,间网自好,
①在证过5表的线上通最风
前当车相有滴止可或长间元
明禁冷列车无陷开设备
的发略一及装装车炸品压
缩气体,变让气体的车辆均禁bZxz.net
上手准学
手推诞充了后,应及时杯车辆
存留位量防商搭范季好沉报宁
明车预导人
名中间站在行作报示样上,用下列标你的防活所:
行紧手别动机
改钦性
实学范润本——
说明年
站规处
资权内的手间前
动注长人员出本站
有定并经些站资试
上.确需手准调车
时,山恢(企立)
小提示:此标准内容仅展示完整标准里的部分截取内容,若需要完整标准请到上方自行免费下载完整标准文档。
标准图片预览:





- 其它标准
- 热门标准
- 国家标准(GB)
- GB/T228.1-2021 金属材料 拉伸试验 第1部分:室温试验方法
- GB/T7534-1987 工业用挥发性有机液体沸程的测定
- GB/T4100-2015 陶瓷砖
- GB/T3836.1-2021 爆炸性环境 第1部分:设备 通用要求
- GB/T50772-2012 木结构工程施工规范
- GB/T10125-2021 人造气氛腐蚀试验 盐雾试验
- GB/T30835-2014 锂离子电池用炭复合磷酸铁锂正极材料
- GB5226.1-2019 机械电气安全 机械电气设备 第1部分:通用技术条件
- GB50666-2011 混凝土结构工程施工规范
- GB/T15449-1995 管壳额定开关用场效应晶体管空白详细规范
- GB/T18204.4-2000 公共场所毛巾、床上卧具微生物检验方法细菌总数测定
- GB8552-1987 电子器件详细规范 低功率非线绕固定电阻器 RJ13型金属膜固定电阻器评定水平E(可供认证用)
- GB/T11379-2008 金属覆盖层 工程用铬电镀层
- GB/T23892.3-2009 滑动轴承 稳态条件下流体动压可倾瓦块止推轴承 第3部分:可倾瓦块止推轴承计算的许用值
- GB50303-2015 建筑电气工程施工质量验收规范
- 行业新闻
请牢记:“bzxz.net”即是“标准下载”四个汉字汉语拼音首字母与国际顶级域名“.net”的组合。 ©2025 标准下载网 www.bzxz.net 本站邮件:bzxznet@163.com
网站备案号:湘ICP备2025141790号-2
网站备案号:湘ICP备2025141790号-2