- 您的位置:
- 标准下载网 >>
- 标准分类 >>
- 国家标准(GB) >>
- GB 2938-1997 低热微膨胀水泥
标准号:
GB 2938-1997
标准名称:
低热微膨胀水泥
标准类别:
国家标准(GB)
标准状态:
已作废-
发布日期:
1997-07-02 -
实施日期:
1998-02-01 -
作废日期:
2008-08-01 出版语种:
简体中文下载格式:
.rar.pdf下载大小:
139.42 KB
点击下载
标准简介:
标准下载解压密码:www.bzxz.net
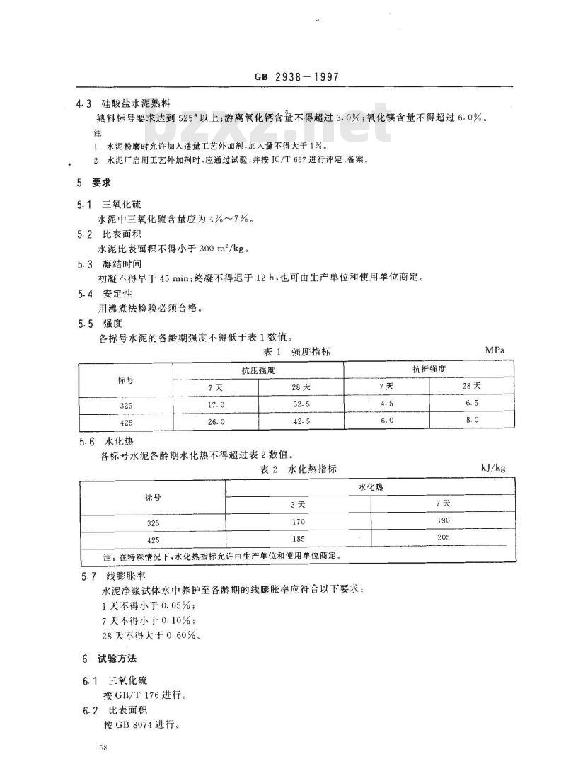
本标准规定了低热微膨胀水泥的定义、组分材料、要求、试验方法和检验规则等。本标准适用于低热微膨胀水泥的生产、检验和验收。 GB 2938-1997 低热微膨胀水泥 GB2938-1997
标准图片预览:





- 其它标准
- 上一篇: GB 50183-2004 石油天然气工程设计防火规范
- 下一篇: GB 2945-1989 硝酸铵
- 热门标准
- 国家标准(GB)
- GB/T30917—2014 /ISo 29941:2010 天然胶乳橡胶避孕套中可迁移亚硝胺的测定
- GB/T12777-1999 金属波纹管膨胀节通用技术条件
- GB15193.5-2003 骨髓细胞微核试验
- GB/T29633.4-2020 南极地名 第4部分:罗马字母拼写
- GB/T39964-2021 造纸行业能源管理体系实施指南
- GB/T43929-2024 空间用纤维光学器件测试指南
- GB/T43225-2023 空间物体登记要求
- GB15985-1995 丝虫病诊断标准及处理原则
- GB19159-2003 车用液化石油气
- GB/T7407-1997 中国及世界主要海运贸易港口代码
- GB1913.2-1990 漂白浸渍绝缘纸
- GB14287.4-2014 电气火灾监控系统 第4部分:故障电弧探测器
- GB5237.3-2008 铝合金建筑型材 第3部分:电泳涂漆型材
- GB/T9771.6-2020 通信用单模光纤 第6部分:宽波长段 光传输用非零色散单模光纤特性
- GB29140-2024 纯碱单位产品能源消耗限额
- 行业新闻
请牢记:“bzxz.net”即是“标准下载”四个汉字汉语拼音首字母与国际顶级域名“.net”的组合。 ©2025 标准下载网 www.bzxz.net 本站邮件:bzxznet@163.com
网站备案号:湘ICP备2025141790号-2
网站备案号:湘ICP备2025141790号-2