- 您的位置:
- 标准下载网 >>
- 标准分类 >>
- 国家标准(GB) >>
- GB/T 1914-1993 化学分析滤纸
标准号:
GB/T 1914-1993
标准名称:
化学分析滤纸
标准类别:
国家标准(GB)
标准状态:
已作废-
发布日期:
1993-02-15 -
实施日期:
1993-10-01 -
作废日期:
2008-09-01 出版语种:
简体中文下载格式:
.rar.pdf下载大小:
147.56 KB
标准ICS号:
造纸技术>>85.060纸和纸板中标分类号:
轻工、文化与生活用品>>造纸>>Y32纸
替代情况:
替代GB 1914-1980;GB 1915-1980;被GB/T 1914-2007代替采标情况:
≈ASTM E832-1981
点击下载
标准简介:
标准下载解压密码:www.bzxz.net
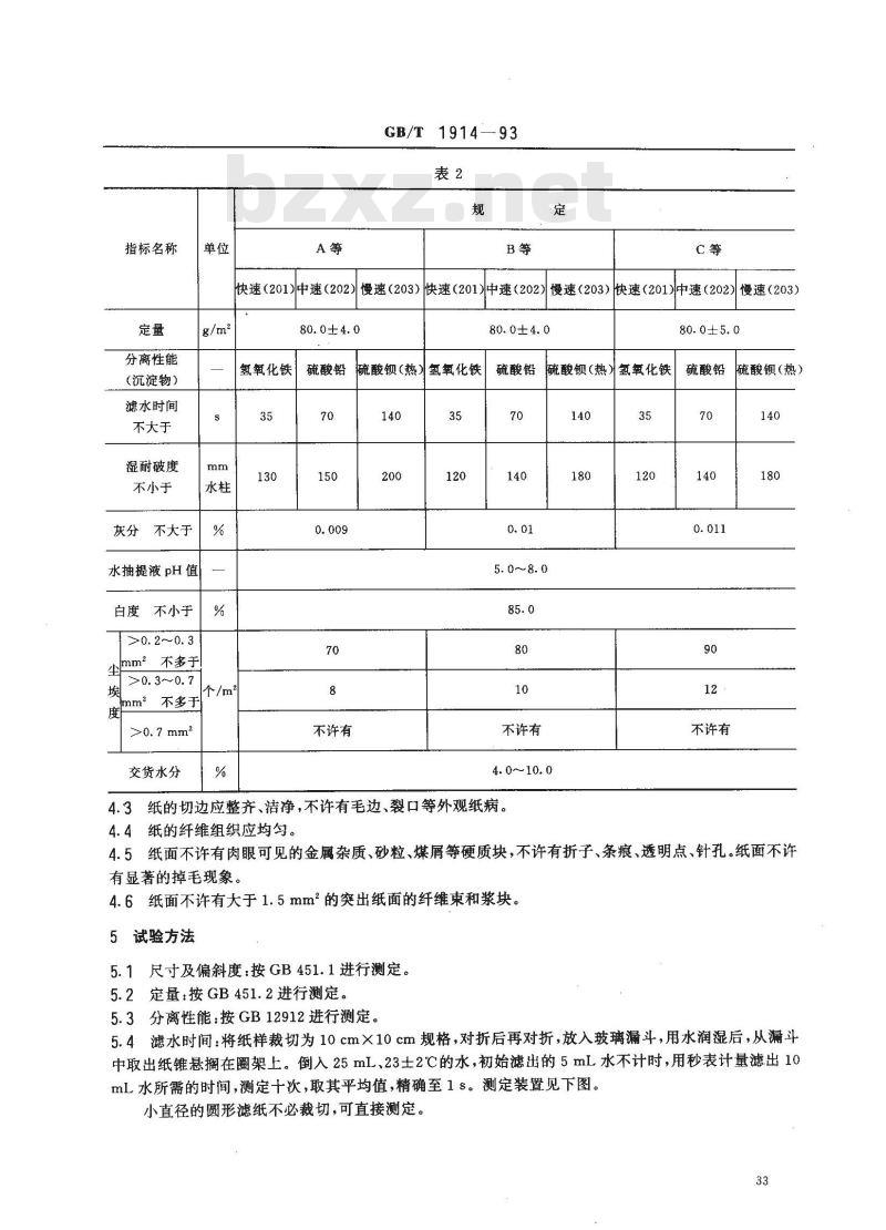
本标准规定了化学分析用的定性滤纸和定量滤纸产品分类、技术要求、试验方法、检验规则等要求。本标准适用于定性分析和定量分析用纸。 GB/T 1914-1993 化学分析滤纸 GB/T1914-1993
标准图片预览:





- 其它标准
- 热门标准
- 国家标准(GB)
- GB/T30917—2014 /ISo 29941:2010 天然胶乳橡胶避孕套中可迁移亚硝胺的测定
- GB15193.5-2003 骨髓细胞微核试验
- GB/T29633.4-2020 南极地名 第4部分:罗马字母拼写
- GB29140-2024 纯碱单位产品能源消耗限额
- GB/T43929-2024 空间用纤维光学器件测试指南
- GB/T31301.8-2020 制鞋机械安全要求 第8部分:定型机
- GB/T42970-2023 半导体集成电路 视频编解码电路测试方法
- GB/T43225-2023 空间物体登记要求
- GB/T4074.3-1999 绕组线试验方法 第3部分:机械性能
- GB15985-1995 丝虫病诊断标准及处理原则
- GB19159-2003 车用液化石油气
- GB/T5515-1985 粮食、油料检验 粗纤维素测定法
- GB/T7407-1997 中国及世界主要海运贸易港口代码
- GB/T10599-1998 多绳摩擦式提升机
- GB1913.2-1990 漂白浸渍绝缘纸
- 行业新闻
请牢记:“bzxz.net”即是“标准下载”四个汉字汉语拼音首字母与国际顶级域名“.net”的组合。 ©2025 标准下载网 www.bzxz.net 本站邮件:bzxznet@163.com
网站备案号:湘ICP备2025141790号-2
网站备案号:湘ICP备2025141790号-2