- 您的位置:
- 标准下载网 >>
- 标准分类 >>
- 国家标准(GB) >>
- GB 1912-1989 字典纸
标准号:
GB 1912-1989
标准名称:
字典纸
标准类别:
国家标准(GB)
标准状态:
已作废-
发布日期:
1989-12-27 -
实施日期:
1990-10-01 -
作废日期:
2008-09-01 出版语种:
简体中文下载格式:
.rar.pdf下载大小:
94.42 KB
标准ICS号:
造纸技术>>85.060纸和纸板中标分类号:
轻工、文化与生活用品>>造纸>>Y32纸
替代情况:
替代GB 1912-1980;被GB/T 1912-2007代替采标情况:
≈ГОСТ 7311-1978
复审日期:
2004-10-14起草人:
袁志中、张玉芬起草单位:
山东高级薄页纸厂提出单位:
中华人民共和国轻工业部发布部门:
国家技术监督局主管部门:
中国轻工业联合会相关标签:
字典
点击下载
标准简介:
标准下载解压密码:www.bzxz.net
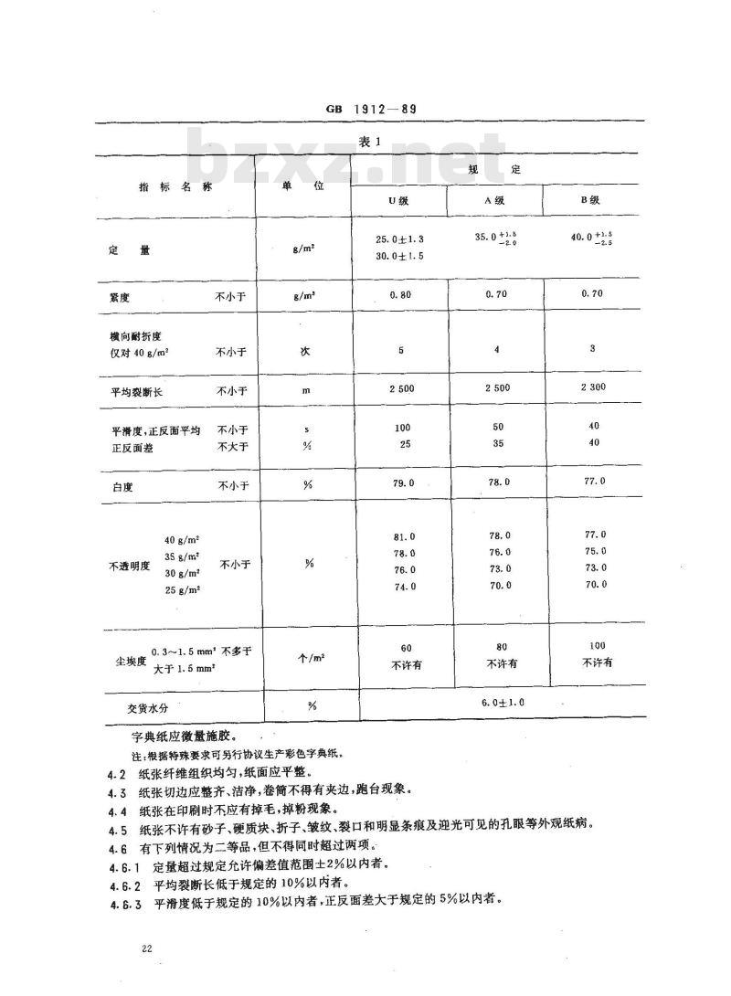
本标准规定了字典纸的技术规范。本标准适用于供凸版、轮转和平版印刷的袖珍手册、工具书、科技刊物等高级印刷用纸。 GB 1912-1989 字典纸 GB1912-1989
标准图片预览:




- 其它标准
- 上一篇: GB 1911-1991 拷贝纸
- 下一篇: GB/T 1913.2-2002 印制板用漂白木浆纸
- 热门标准
- 国家标准(GB)
- GB/T30917—2014 /ISo 29941:2010 天然胶乳橡胶避孕套中可迁移亚硝胺的测定
- GB15193.5-2003 骨髓细胞微核试验
- GB/T29633.4-2020 南极地名 第4部分:罗马字母拼写
- GB29140-2024 纯碱单位产品能源消耗限额
- GB/T43929-2024 空间用纤维光学器件测试指南
- GB/T31301.8-2020 制鞋机械安全要求 第8部分:定型机
- GB/T42970-2023 半导体集成电路 视频编解码电路测试方法
- GB/T43225-2023 空间物体登记要求
- GB/T4074.3-1999 绕组线试验方法 第3部分:机械性能
- GB15985-1995 丝虫病诊断标准及处理原则
- GB19159-2003 车用液化石油气
- GB/T5515-1985 粮食、油料检验 粗纤维素测定法
- GB/T7407-1997 中国及世界主要海运贸易港口代码
- GB/T10599-1998 多绳摩擦式提升机
- GB1913.2-1990 漂白浸渍绝缘纸
- 行业新闻
请牢记:“bzxz.net”即是“标准下载”四个汉字汉语拼音首字母与国际顶级域名“.net”的组合。 ©2025 标准下载网 www.bzxz.net 本站邮件:bzxznet@163.com
网站备案号:湘ICP备2025141790号-2
网站备案号:湘ICP备2025141790号-2