- 您的位置:
- 标准下载网 >>
- 标准分类 >>
- 国家标准(GB) >>
- GB 4134-1994 金锭
标准号:
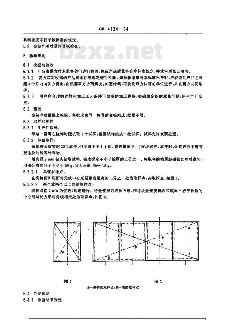
GB 4134-1994
标准名称:
金锭
标准类别:
国家标准(GB)
标准状态:
已作废-
发布日期:
1994-02-20 -
实施日期:
1994-01-02 -
作废日期:
2004-05-01 出版语种:
简体中文下载格式:
.rar.pdf下载大小:
90.53 KB

标准图片预览:



- 热门标准
- 国家标准(GB)
- GB/T34077.3-2021 基于云计算的电子政务公共平台管理规范第3部分:运行保障管理
- GB/T3289.25-1982 可锻铸铁管路连接件型式尺寸 偏心异径外接头
- GB/T11132-2008 液体石油产品烃类的测定 荧光指示剂吸附法
- GB/T3289.26-1982 可锻铸铁管路连接件型式尺寸 内接头
- GB/T21666-2008 尿吸收辅助器具 评价的一般指南
- GB8550.3-1987 白铜化学分析方法 硫酸亚铵滴定法测定锰量
- GB/T24984-2010 日用塑料袋
- GB/T33049-2016 偏光片用光学薄膜 涂层附着力的测定方法
- GB/T14929.2-1994 花生仁、棉籽油、花生油中涕灭威残留量测定方法
- GB50508-2010 涤纶工厂设计规范
- GB/T11982.2-1996 聚氯乙烯卷材地板 第2部分:有基材有背涂层聚氯乙烯卷材地板
- GB/T22807-2008 皮革和毛皮 化学试验 六价铬含量的测定
- GB10133-2014 食品安全国家标准 水产调味品
- GB29987-2014 食品安全国家标准 食品添加剂 胶基及其配料
- GB/T37649-2019 化妆品中硫柳汞和苯基汞的测定高效液相色谱-电感耦合等离子体质谱法
- 行业新闻
请牢记:“bzxz.net”即是“标准下载”四个汉字汉语拼音首字母与国际顶级域名“.net”的组合。 ©2009 标准下载网 www.bzxz.net 本站邮件:bzxznet@163.com
网站备案号:湘ICP备2023016450号-1
网站备案号:湘ICP备2023016450号-1