- 您的位置:
- 标准下载网 >>
- 标准分类 >>
- 国家标准(GB) >>
- GB 1560-1979 船用通风系统管路和附件的公称通径
标准号:
GB 1560-1979
标准名称:
船用通风系统管路和附件的公称通径
标准类别:
国家标准(GB)
标准状态:
已作废-
发布日期:
1979-06-23 -
实施日期:
1980-05-01 -
作废日期:
2005-10-14 出版语种:
简体中文下载格式:
.rar.pdf下载大小:
117.06 KB
替代情况:
CB 30-64
部分标准内容:
中华人民共和国
国家标准
船用通风系统管路和附件的公称通径GB1560-79
中华人民共和国
国家标准
船用通风系统管路和附件的公称通径CB 1560 79
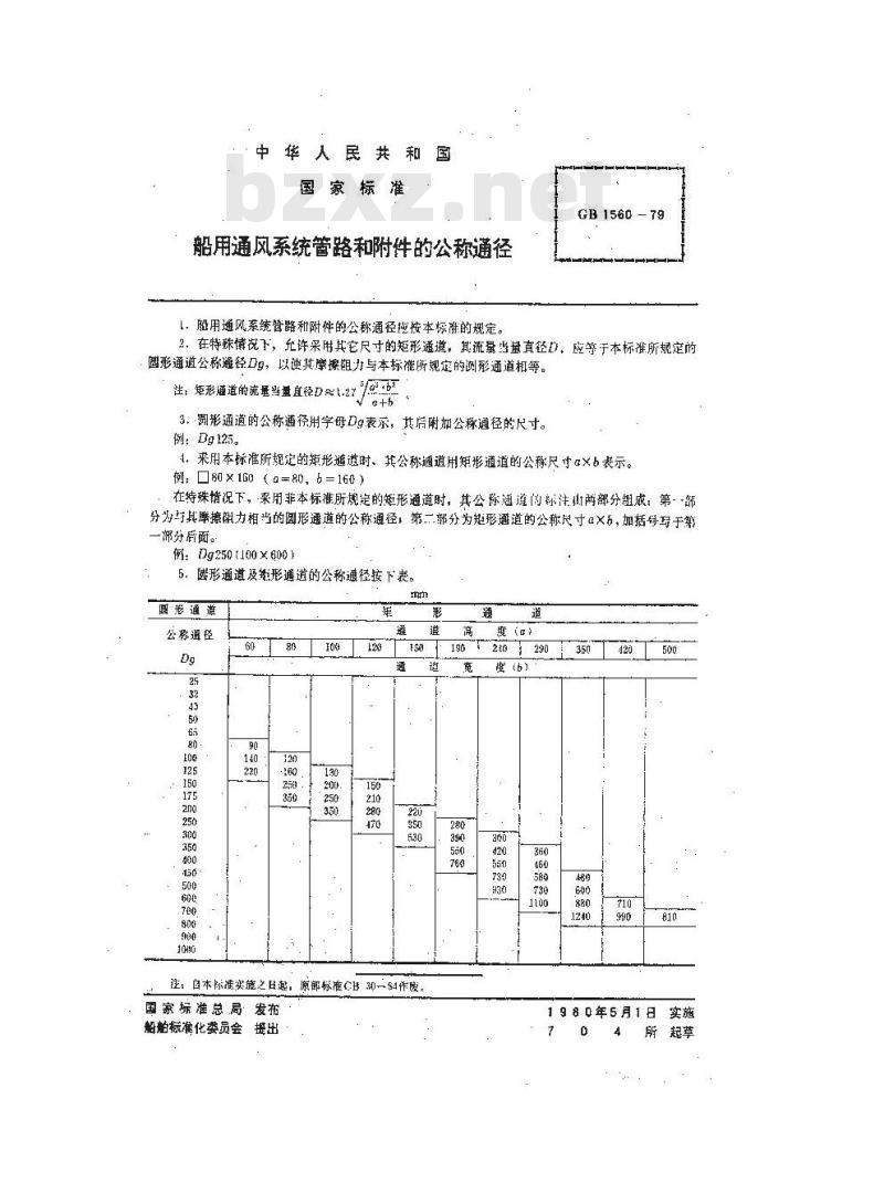
1.船用通风系统管路和附件的公称通径燃按本标谢的规定2.在特殊情说下,允许采用其它尺寸的矩形通道,其流量当量直径D,应等于本标准所规定的圆形通道公称通径D9,以使其摩擦阻力与本标催所规定的测形通道相等。注,矩形通道的流量当量直径Dt.27e+h
3、形通道的公称通径用字母Dg表示,其后附加公称道径的尺寸。例:Dg125。
4.来用本标准所规定的矩形遍道时、其公称通道用矩形通道的公称尺寸×b表示。例:80×160(0=80,6=160)
在特殊情况下,来用非本标准所规定的短形通道时,其公弥通進的标注山两部分组成:第-部分为与其摩擦阴力相当的阅形通道的公称通径,第二部分为矩形適道的公称尺寸×6,加括号写于第一分后面。
例g250(100×600)bzxZ.net
5.隧形通道及短形通道的公称通径按下表。圆形通避
公称通径
加如的#
注:自本标准实族之日起,原部标准C30-64作度团家标准总局发布
船舶标准化委员会提出
虚 (b)
1980年5月1日实施
:起草
小提示:此标准内容仅展示完整标准里的部分截取内容,若需要完整标准请到上方自行免费下载完整标准文档。
国家标准
船用通风系统管路和附件的公称通径GB1560-79
中华人民共和国
国家标准
船用通风系统管路和附件的公称通径CB 1560 79
1.船用通风系统管路和附件的公称通径燃按本标谢的规定2.在特殊情说下,允许采用其它尺寸的矩形通道,其流量当量直径D,应等于本标准所规定的圆形通道公称通径D9,以使其摩擦阻力与本标催所规定的测形通道相等。注,矩形通道的流量当量直径Dt.27e+h
3、形通道的公称通径用字母Dg表示,其后附加公称道径的尺寸。例:Dg125。
4.来用本标准所规定的矩形遍道时、其公称通道用矩形通道的公称尺寸×b表示。例:80×160(0=80,6=160)
在特殊情况下,来用非本标准所规定的短形通道时,其公弥通進的标注山两部分组成:第-部分为与其摩擦阴力相当的阅形通道的公称通径,第二部分为矩形適道的公称尺寸×6,加括号写于第一分后面。
例g250(100×600)bzxZ.net
5.隧形通道及短形通道的公称通径按下表。圆形通避
公称通径
加如的#
注:自本标准实族之日起,原部标准C30-64作度团家标准总局发布
船舶标准化委员会提出
虚 (b)
1980年5月1日实施
:起草
小提示:此标准内容仅展示完整标准里的部分截取内容,若需要完整标准请到上方自行免费下载完整标准文档。
标准图片预览:


- 热门标准
- 国家标准(GB)
- GB/T2828.1-2012 计数抽样检验程序 第1部分:按接收质量限(AQL)检索的逐批检验抽样计划
- GB/T29863-2023 服装制图
- GB/T3836.1-2021 爆炸性环境 第1部分:设备 通用要求
- GB50367-2013 混凝土结构加固设计规范
- GB/T228.1-2021 金属材料 拉伸试验 第1部分:室温试验方法
- GB5009.225-2023 食品安全国家标准 酒和食用酒精中乙醇浓度的测定
- GB/T18204.4-2000 公共场所毛巾、床上卧具微生物检验方法细菌总数测定
- GB/T23892.3-2009 滑动轴承 稳态条件下流体动压可倾瓦块止推轴承 第3部分:可倾瓦块止推轴承计算的许用值
- GB/T9145-2003 普通螺纹 中等精度、优选系列的极限尺寸
- GB/T11839-1989 二氧化铀芯块中硼的测定 姜黄素萃取光度法
- GB/T12053-1989 光学识别用字母数字字符集 第一部分:OCR-A字符集印刷图象的形状和尺寸
- GB5725-2009 安全网
- GB/T18380.33-2022 电缆和光缆在火焰条件下的燃烧试验 第33部分:垂直安装的成束电线电缆火焰垂直蔓延试验 A类
- GB/T9239-1988 刚性转子平衡品质 许用不平衡的确定
- GB/T15917.3-1995 金属镝及氧化镝化学分析方法 对氯苯基荧光酮--溴化十六烷基三甲基胺分光光度法测定钽量
- 行业新闻
请牢记:“bzxz.net”即是“标准下载”四个汉字汉语拼音首字母与国际顶级域名“.net”的组合。 ©2025 标准下载网 www.bzxz.net 本站邮件:bzxznet@163.com
网站备案号:湘ICP备2025141790号-2
网站备案号:湘ICP备2025141790号-2