- 您的位置:
- 标准下载网 >>
- 标准分类 >>
- 建筑材料行业标准(JC) >>
- JC/T 855-1999 蒸压加气混凝土板钢筋涂层防锈性能试验方法
标准号:
JC/T 855-1999
标准名称:
蒸压加气混凝土板钢筋涂层防锈性能试验方法
标准类别:
建筑材料行业标准(JC)
标准状态:
现行-
发布日期:
1999-06-15 -
实施日期:
2000-01-01 出版语种:
简体中文下载格式:
.rar.pdf下载大小:
76.42 KB
标准ICS号:
建筑材料和建筑物>>建筑材料>>91.100.30混凝土和混凝土制品中标分类号:
建材>>建材产品>>Q25绝热、吸声、轻质与防火材料
点击下载
标准简介:
标准下载解压密码:www.bzxz.net
本标准规定了测定蒸压加气混凝土板中钢筋徐层防锈性能的试验设备、试件、试验步骤和试验结果评定等。本标准适用于测定燕压加气混凝土板中钢筋涂层的防锈性能。 JC/T 855-1999 蒸压加气混凝土板钢筋涂层防锈性能试验方法 JC/T855-1999
部分标准内容:
JC/T8551999
为了检验蒸压加气混凝土板中钢筋涂层的防锈性能,特制订本标准。本标准非等效采用瑞典、德国和日本等三个国家有关标准中的钢筋涂层防锈性能试验方法。本标准与GB15762一1995相比,在技术内容上的主要差异为:评定钢筋涂层的防锈性能不用锈蚀等级图,而以锈蚀面积率表示。本标准由甘肃省建筑科学研究院、中国加气混凝土协会负责起草。本标准参加起草单位:北京市加气混凝土厂、北京市现代建筑材料公司。本标准主要起草人:周嘉祥、齐子刚。本标准委托甘肃省建筑科学研究院解释。本标准为首次发布。
1范围
中华人民共和国建材行业标准
蒸压加气混凝土板钢筋涂层
防锈性能试验方法
Test method of anti-corrosion performance for thecoated reinforcement in autoclaved aerated concrete slabsJC/T 855-1999
本标准规定了测定蒸压加气混凝土板中钢筋涂层防锈性能的试验设备、试件、试验步骤和试验结果评定等。
本标准适用于测定蒸压加气混凝土板中钢筋涂层的防锈性能。2方法原理
本方法是通过交变湿热试验环境加速钢筋锈蚀,测定钢筋表面的锈蚀面积,计算锈蚀面积率,判定钢筋涂层防锈性能是否合格。
3仪器设备
交变湿热试验箱:www.bzxz.net
规格:工作室容积≥200L,温度20~~80℃,温度均匀度士2℃,相对湿度45%~98%,湿度均勾度3%。工作室内应装有监控温度、湿度条件的传感器。工作室的温度和湿度应均匀,并尽可能与温湿度传感器的条件一致。
锤子和单面刀片;
千分尺或游标卡尺,分度值≤0.02mm;求积仪,精度为0.5%;
薄型无色玻璃纸;
标准计算纸1mm2方格。
4试件
4.1试件尺寸为40mm×40mm×160mm。4.2由蒸压加气混凝土板中纵向顺筋锯取中心带钢筋的试件,一组为三块。4.3试验前用环氧树脂或其他密封性好的材料涂刷试件两个端部,使试件端部完全封闭。5试验步骤
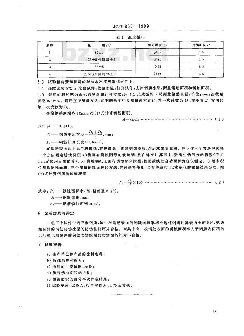
5.1将试件悬挂或放在支架上,同一组试件置于同一高度,试件之间距离>10mm。5.2按表1中的试验步骤进行温度循环变化试验。国家建筑材料工业局1999-06-15批准620
2000-01-01实施
度,℃
JC/T855—1999
由25±5升到55±5
由55±5降到25士5
温度循环
相对湿度,%
试验箱内壁和顶部的凝结水不应滴落到试件上。5.3
持续时间,h
5.4连续试验672h,取出试件,放至室温,打开试件,去掉钢筋涂层,测量钢筋面积和锈蚀面积。5.5钢筋面积和锈蚀面积的测量和计算方法:用千分尺或游标卡尺测量钢筋直径,单位:mm,读数精确至0.1mm。钢筋直径测量方法:在钢筋长度中央测量两次直径,第一次读数为Di,在垂直D1方向的第二次读数为 D2。
去除钢筋两端各10mm,按(1)式计算钢筋面积。A- 元DL
式中;#——3.1416;
一钢筋平均直径
L。—钢筋计算长度(140mm)。(1)
在钢筋表面贴上无色玻璃纸,在玻璃纸上画出锈蚀图形,然后求出其面积。在下述三个方法中选择一个方法测定锈蚀面积:a)将画有锈蚀图形的玻璃纸,放在标准计算纸上,数出生锈部分的格数(不足1mm?的用自测估算)。b)将玻璃纸上画有锈蚀部分涂黑,使用浓淡差自动面积测定仪测定。c)用求积仪测量锈蚀面积。三个测量锈蚀面积的方法,并列选择使用,当有争议时,以求积仪的测量结果为准。按(2)式计算钢筋锈蚀面积率。
式中:P.—-锈蚀面积率,%,精确至0.1%;A—钢筋面积,mm\;
A,—钢筋锈蚀面积,mm。
6试验结果与评定
一组三个试件中的三根钢筋,每一一根钢筋表面的锈蚀面积率均不超过钢筋计算表面积的5%,则该组试件的钢筋防锈涂层的防锈性能评为合格。当其中有一根钢筋表面的锈蚀面积率大于钢筋表面积的5%,则该组试件的钢筋防锈涂层的防锈性能评为不合格。7试验报告
a)生产单位和产品的涂料名称;b)标准名称和编号;
c)所用的主要仪器、设备;
d)测定锈蚀面积的方法;
e)锈蚀面积的百分率及评定结果;f)试验单位、试验人、报告审核人、日期及其他。621
小提示:此标准内容仅展示完整标准里的部分截取内容,若需要完整标准请到上方自行免费下载完整标准文档。
为了检验蒸压加气混凝土板中钢筋涂层的防锈性能,特制订本标准。本标准非等效采用瑞典、德国和日本等三个国家有关标准中的钢筋涂层防锈性能试验方法。本标准与GB15762一1995相比,在技术内容上的主要差异为:评定钢筋涂层的防锈性能不用锈蚀等级图,而以锈蚀面积率表示。本标准由甘肃省建筑科学研究院、中国加气混凝土协会负责起草。本标准参加起草单位:北京市加气混凝土厂、北京市现代建筑材料公司。本标准主要起草人:周嘉祥、齐子刚。本标准委托甘肃省建筑科学研究院解释。本标准为首次发布。
1范围
中华人民共和国建材行业标准
蒸压加气混凝土板钢筋涂层
防锈性能试验方法
Test method of anti-corrosion performance for thecoated reinforcement in autoclaved aerated concrete slabsJC/T 855-1999
本标准规定了测定蒸压加气混凝土板中钢筋涂层防锈性能的试验设备、试件、试验步骤和试验结果评定等。
本标准适用于测定蒸压加气混凝土板中钢筋涂层的防锈性能。2方法原理
本方法是通过交变湿热试验环境加速钢筋锈蚀,测定钢筋表面的锈蚀面积,计算锈蚀面积率,判定钢筋涂层防锈性能是否合格。
3仪器设备
交变湿热试验箱:www.bzxz.net
规格:工作室容积≥200L,温度20~~80℃,温度均匀度士2℃,相对湿度45%~98%,湿度均勾度3%。工作室内应装有监控温度、湿度条件的传感器。工作室的温度和湿度应均匀,并尽可能与温湿度传感器的条件一致。
锤子和单面刀片;
千分尺或游标卡尺,分度值≤0.02mm;求积仪,精度为0.5%;
薄型无色玻璃纸;
标准计算纸1mm2方格。
4试件
4.1试件尺寸为40mm×40mm×160mm。4.2由蒸压加气混凝土板中纵向顺筋锯取中心带钢筋的试件,一组为三块。4.3试验前用环氧树脂或其他密封性好的材料涂刷试件两个端部,使试件端部完全封闭。5试验步骤
5.1将试件悬挂或放在支架上,同一组试件置于同一高度,试件之间距离>10mm。5.2按表1中的试验步骤进行温度循环变化试验。国家建筑材料工业局1999-06-15批准620
2000-01-01实施
度,℃
JC/T855—1999
由25±5升到55±5
由55±5降到25士5
温度循环
相对湿度,%
试验箱内壁和顶部的凝结水不应滴落到试件上。5.3
持续时间,h
5.4连续试验672h,取出试件,放至室温,打开试件,去掉钢筋涂层,测量钢筋面积和锈蚀面积。5.5钢筋面积和锈蚀面积的测量和计算方法:用千分尺或游标卡尺测量钢筋直径,单位:mm,读数精确至0.1mm。钢筋直径测量方法:在钢筋长度中央测量两次直径,第一次读数为Di,在垂直D1方向的第二次读数为 D2。
去除钢筋两端各10mm,按(1)式计算钢筋面积。A- 元DL
式中;#——3.1416;
一钢筋平均直径
L。—钢筋计算长度(140mm)。(1)
在钢筋表面贴上无色玻璃纸,在玻璃纸上画出锈蚀图形,然后求出其面积。在下述三个方法中选择一个方法测定锈蚀面积:a)将画有锈蚀图形的玻璃纸,放在标准计算纸上,数出生锈部分的格数(不足1mm?的用自测估算)。b)将玻璃纸上画有锈蚀部分涂黑,使用浓淡差自动面积测定仪测定。c)用求积仪测量锈蚀面积。三个测量锈蚀面积的方法,并列选择使用,当有争议时,以求积仪的测量结果为准。按(2)式计算钢筋锈蚀面积率。
式中:P.—-锈蚀面积率,%,精确至0.1%;A—钢筋面积,mm\;
A,—钢筋锈蚀面积,mm。
6试验结果与评定
一组三个试件中的三根钢筋,每一一根钢筋表面的锈蚀面积率均不超过钢筋计算表面积的5%,则该组试件的钢筋防锈涂层的防锈性能评为合格。当其中有一根钢筋表面的锈蚀面积率大于钢筋表面积的5%,则该组试件的钢筋防锈涂层的防锈性能评为不合格。7试验报告
a)生产单位和产品的涂料名称;b)标准名称和编号;
c)所用的主要仪器、设备;
d)测定锈蚀面积的方法;
e)锈蚀面积的百分率及评定结果;f)试验单位、试验人、报告审核人、日期及其他。621
小提示:此标准内容仅展示完整标准里的部分截取内容,若需要完整标准请到上方自行免费下载完整标准文档。
标准图片预览:



- 其它标准
- 上一篇: JC/T 853-1999 硅酸盐水泥熟料
- 下一篇: JC/T 857-2000 平板玻璃用长石
- 热门标准
- 建筑材料行业标准(JC)
- JC/T613-2005 混凝土和钢筋混凝土排水管钢模
- JC248-1981 水力旋流器铸石衬里
- JC/T2548-2019 建筑固废再生砂粉
- JC/T1013-2006 盘转式压砖机
- JC251-1981 混砂机铸石衬里
- JC255-1981 铸石粉中游离铁的试验方法
- JC253-1981 铸石制品检验、验收、标志、包装、运输规则
- JC/T460.1-2006 水泥工业用胶带斗式提升机 第1部分:型式与基本参数
- JC/T872-2000 建筑装饰用微晶玻璃
- JC/T2044-2011 墙材工业用出口拉引机
- JC/T620-2009 石灰取样方法
- JC/T833-2011 水泥工业用堆取料机
- JC/T2045-2011 墙材工业用液压顶车机
- JC/T2209-2014 氧化铝陶瓷衬板耐磨管件
- JC/T863-2011 高分子防水卷材胶粘剂
- 行业新闻
请牢记:“bzxz.net”即是“标准下载”四个汉字汉语拼音首字母与国际顶级域名“.net”的组合。 ©2025 标准下载网 www.bzxz.net 本站邮件:bzxznet@163.com
网站备案号:湘ICP备2025141790号-2
网站备案号:湘ICP备2025141790号-2