- 您的位置:
- 标准下载网 >>
- 标准分类 >>
- 建筑材料行业标准(JC) >>
- JC/T 662-1997 双轴搅拌挤出机
标准号:
JC/T 662-1997
标准名称:
双轴搅拌挤出机
标准类别:
建筑材料行业标准(JC)
标准状态:
现行-
发布日期:
1997-02-24 -
实施日期:
1997-06-01 出版语种:
简体中文下载格式:
.rar.pdf下载大小:
168.93 KB
点击下载
标准简介:
标准下载解压密码:www.bzxz.net
本标准规定了双轴搅拌挤出机的产品分类、技术要求、试验方法、检验规则及标志、包装、运输和贮存。本标准适用于搅拌经过粉碎的粘土、页岩、煤歼石、粉煤灰等原料,并可加水和蒸汽的双轴搅拌挤出机。 JC/T 662-1997 双轴搅拌挤出机 JC/T662-1997
部分标准内容:
中华人民共和国建材行业标准
JC/T662-1997
双轴搅拌挤出机
1997-02-24发布
国家建筑材料工业局
各美掘准行业资料免普下掌
1997-06-01实施
本标准由国家建筑材料工业局建材机械标准化技术委员会提出并归口。本标准由哈尔滨市建材机械厂负责起草,武汉建材机械厂、南京建材机械厂、陕西宝深建材机械制造有限公司、四川乐山市机械厂参加起草。本标准主要起草人:靳革,周长胜高正茂
蒋榴芬
客然标准行资
1范围
中华人民共和国建材行业标准
双轴搅拌挤出机
JC/T662-1997
本标准规定了双轴搅拌挤出机的产品分类、技术要求、试验方法、检验规则及标志、包装、运输和贮存。
本标准适用于搅拌经过粉碎的粘土、页岩、煤码石、粉煤灰等原料,并可加水和蒸汽的双轴搅拌挤出机。
2引用标准
下列标准包含的条文,通过在本标准中引用而构成为本标准的条文。在本标准出版时,所示版本均为有效。所有标准都会被修订,使用本标准的各方应探讨使用下列标准最新版本的可能性。GB230-83金属洛氏硬度试验方法GB699-88
GB700-88
优质碳素结构钢技术条件
碳素结构钢
3表面粗糙度参数及其数值
GB1031-83
GB1184一80形状和位置公差未注公差的规定GB18001802-79公差与配合
GB/T 1804—92
一般公差线性尺寸的未注公差
形状和位置公差检测规定
GB1958-80
噪声源声功率级的测定
简易法
GB3768-83
GB 9439-88
灰铸铁件
GB10095-88渐开线圆柱齿轮精度GB/T13306-91标牌
JC/T343.2-91(1996)真空挤砖机技术条件建材机械用碳钢和低合金钢铸件技术条件JC/T401.2-91(1996)3
JC.T402-91水泥机械涂漆防锈技术条件JC/T406-91水泥机械包装技术条件JC532-94建材机械钢焊接件通用技术条件2BJ19004—88圆柱齿轮减速器
3定义
本标准采用下列定义:
有效搅拌挤出长度:指进料口中心至出料口端面的距离,4产品分类
国家建筑材料工业局1997-02-24批准标连园ashan
m资张抚准行业资轻免需下载
1997-06-01实施
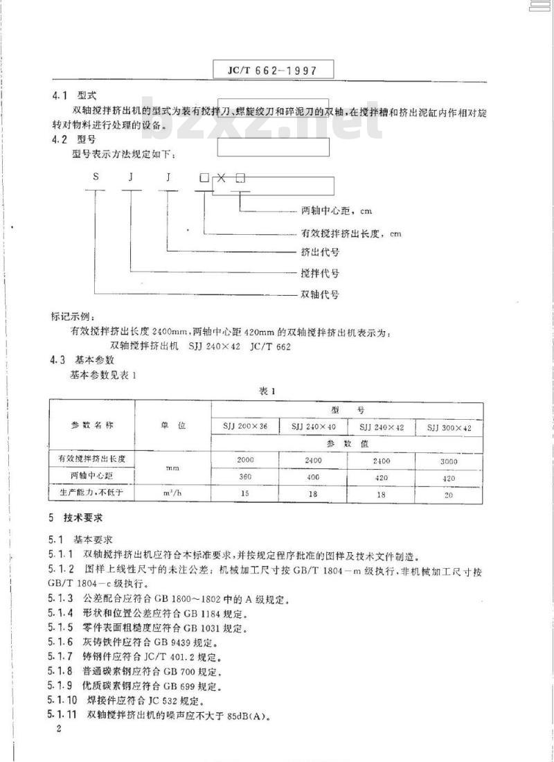
4.1型式
JC/T662-1997
双轴搅拌挤出机的型式为装有搅拌刀、螺旋绞刀和碎泥刀的双轴,在搅拌槽和挤出泥缸内作相对旋转对物料进行处理的设备。
4.2型号
型号表示方法规定如下:
标记示例:
两轴中心距,cm
有效搅拌挤出长度,cm
挤出代号
一搅拌代号
双轴代号
有效搅拌挤出长度2400mm,两轴中心距420mm的双轴搅拌挤出机表示为:双轴搅拌挤出机SJJ240×42JC/T6624.3基本参数
基本参数见表1
参数名称
有效搅揽拌挤出长度
两轴中心距免费标准下载网bzxz
生产能力,不低于
5技术要求
5.1基本要求
SJJ200×36
SJJ240×40
SJ240×42
参数值
5.1.1双轴搅拌挤出机应符合本标准要求,并按规定程序批准的图样及技术文件制造。SJJ300X42
5.1.2图样上线性尺寸的未注公差:机械加工尺寸按GB/T1804一m级执行,非机械加工尺寸按GB/T1804-c级执行。
5.1.3公差配合应符合GB1800~1802中的A级规定。5.1.4形状和位置公差应符合GB1184规定。5.1.5零件表面粗糙度应符合GB1031规定。5.1.6灰铸铁件应符合GB9439规定。5.1.7
铸钢件应符合JC/T401.2规定。
普通碳素钢应符合GB700规定。
优质碳素钢应符合GB699规定。
焊接件应符合JC532规定。
双轴搅拌挤出机的噪声应不大于85dB(A)。JC/T662-1997
5.1.12双轴搅拌挤出机应有良好的接地装置和明显的接地标志,设备安装完毕检测,接地电阻值应不大于40。
5.113绝缘电阻值不小于1MQ。
5.1.14双轴搅拌挤出机构造应满足下列要求:a)搅拌槽的横截面成型;
b)操纵机构便于实现远距离控制c)有便于起吊的装置;
d)有安全防护和过载保护装置。5.2主要零部件要求
5.2.1三角带轮材质应不低于GB9439中HT200的规定,并进行时效处理,大三角带轮径向圆跳动应不低于GB1184中9级。
5.2.2轴承座和挤出泥缸等主要铸件材质应不低于GB9439中HT200的规定,并进行时效处理。5.2.3轴类件的材质应不低于GB699有关45钢的规定,并调质处理。5.2.4搅拌刀片头部不少于全长1/3的工作表面,硬度不低于HRC505.2.5绞刀叶片由外缘向内不少于宽度1/3的工作表面,硬度不低于HRC50。5.2.6揽拌轴上挤出段的锥套锥面、切泥刀工作硬度不低于HRC50。5.2.7非减速器齿轮的材料,应不低于JC401.2中ZG310~570的规定,齿轮精度不低于GB10095中的8级,齿面硬度不低于HB200~230。5.2.8离合器须做静平衡试验,许用静不平衡力矩应符合JC/T343.2中附录A的规定。5.2.9圆柱齿轮减速器应符合ZBJ19004的规定。5.3装配与安装要求
5.3.1所有零部件需经检验合格,外购件需有合格证方可进行装配。5.3.2非减速器齿轮副的接触斑点沿齿高不小于40%.沿齿长不小于50%,侧隙按GB10095中的8级规定执行。
5.3.3绞刀外缘与挤出泥缸衬套内壁的最大间隙应不大于绞刀直径的1.5%。5.3.4绞刀叶片接合处缝隙应不大于2mm,相互错位应不大于2mm。5.3.5搅拌刀与搅拌槽衬板内壁的间隙应不大于10mm。并无碰擦现象。5.3.6大、小三角带轮安装后,轮宽对称平面相对位移应不大于中心距的2/1000,轴线平行度不大于6/1000。
5.4空载试车要求
5.4.1运转时应无异常声响和振动。5.4.2离合器应接合平稳,分离彻底,灵活可靠。5.4.3噪声应符合5.1.11的规定。5.4.4润滑部位应不漏油。
5.4.5轴承温升应不大于35℃,最高温度应不大于70C。5.5负载试车要求
5.5.1负载试车应符合5.4.1~5.4.4的要求。5.5.2电气控制装置应安全可靠。5.5.3生产能力应符合4.3的规定。5.5.4轴承温升应不大于45℃,最高温度应不大于80℃。5.6外观要求
双轴搅拌挤出机机体表面应平整、光洁,不得有明显碰伤、划伤、锈蚀等缺陷。5.7涂漆防锈要求
武准区
各类标准行业洗料免营下车
涂漆防锈应符合JC/T402的规定
6试验方法
JC/T662-1997
6.1接地电阻(5.1.12)用双臂电桥检测6.2绝缘电阻值(5.1.13)用500V兆欧表测量6.3大皮带轮的径向圆跳动(5.2.1)按GB1958中圆跳动检查方法(4.3)测量,不少于3个截面取其最大值。
6.4零件硬度(5.2.4~5.2.7)按GB230的规定用硬度计检测6.5非齿轮减速器齿轮副侧隙(5.2.7)按GB10095中8级齿轮精度计算,用塞尺测量。6.6静不平衡力矩(5.2.8)在平衡架上检测。6.7齿轮副的接触斑点(5.3.2)用光泽法检测。6.8绞刀外缘与挤出泥缸衬套内壁的问隙(5.3.3)用塞规和塞尺检测。6.9搅拌刀与搅拌槽衬板内壁的间隙(5.3.5)用塞规检测。6.10大小三角带轮的轮宽对称平面的相对位移和轴线平行度(5.3.6)用直尺和水准仪检测。6.11空载试车
6.11.1试车条件:
a)整机组装检验合格:
b)润滑部位注入润滑剂:
c)接地电阻、绝缘电阻符合规定要求。6.11.2试车方法:
a)连续运转4h;
b)噪声(5.4.3)按GB3768规定检测;c)轴承温升(5.4.5)用半导体点温计检测。6.12负载试车
6.12.1试车条件:
a)空载试车合格后进行负载试车,负载试车可在用户进行:b)电器控制装置,气、水、管路等检验合格:C)负载试车的原料应符合规定要求:d)有均匀喂料装置。
6.12.2试车方法:
a)连续运转4h;
b)生产能力(5.5.3)在连续正常供料条件下.用秒表计时测搅拌物料体积,每次测1min.取3次平均值换算出生产能力。
c)轴承温升(5.5.4)用半导体点温计检测。7检验规则
产品应经制造厂检验部门检验合格,并签发合格证后方可出厂。7.1检验分类
产品检验分出厂检验和型式检验。7.2出厂检验
出厂前完成5.1~5.4,5.6~5.7.8.1~8.2的检验。7.3型式检验
型式检验应检验本标准规定的全部项目。有下列情况之一时,应进行型式检验:4
标准行业
JC/T662-1997
a)新产品或老产品转厂生产的试制定型鉴定;b)正式生产后,如结构、材料、工艺有较大改变,可能影响产品性能时:c)出厂检验结果与上次型式检验有较大差异时;d)正常生产每两年不少于一次。7.4抽样与判定规则
7.4.1批量生产的搅拌刀片与绞刀叶片,其表面硬度允许抽样检验,以每个下料批为一批,每批随机抽样10%,但不少于10件,当有一件坏合格时,应加倍抽样,全部合格,判检验批合格,否则判检验批不合格。
7.4.2型式检验的样机应在检验批中随机抽取一台,检验合格,判检验批合格。如不合格,再随机抽取一台,检验不合格,判检验批不合格。若合格,再随机抽取一台,全部合格,可判检验批合格,否则判检验批不合格。
8标志、包装、运输和贮存
8.1产品在明显位置固定一产品标牌,标牌应符合GB/T13306的规定.并标明下列内容:a)制造厂名:
b)产品名称:
c)商标:
d)产品型号:
e)主要参数:
)制造日期:
g)产品标准号;
h)出厂编号:
i)制造厂址。
8.2产品包装、运输和贮存应符合JC/T406的规定。5
武淮搜区
各类标连行业料免置
中华人民共和国建材
行业标准
双轴搅拌挤出机
JC/T662-1997
国家建筑材料工业局标准化研究所出版发行地址:北京朝阳区管庄
邮政编码:100024
电话:65755125
机械科学研究院标准出版中心印剧版权专有不得翻印
开本880×12301/16
印张1/2字数10.000
1997年5月第一次印别刷
1997年5月第一版
编号1051
准费接图m各来标准行业资料急费下教
小提示:此标准内容仅展示完整标准里的部分截取内容,若需要完整标准请到上方自行免费下载完整标准文档。
JC/T662-1997
双轴搅拌挤出机
1997-02-24发布
国家建筑材料工业局
各美掘准行业资料免普下掌
1997-06-01实施
本标准由国家建筑材料工业局建材机械标准化技术委员会提出并归口。本标准由哈尔滨市建材机械厂负责起草,武汉建材机械厂、南京建材机械厂、陕西宝深建材机械制造有限公司、四川乐山市机械厂参加起草。本标准主要起草人:靳革,周长胜高正茂
蒋榴芬
客然标准行资
1范围
中华人民共和国建材行业标准
双轴搅拌挤出机
JC/T662-1997
本标准规定了双轴搅拌挤出机的产品分类、技术要求、试验方法、检验规则及标志、包装、运输和贮存。
本标准适用于搅拌经过粉碎的粘土、页岩、煤码石、粉煤灰等原料,并可加水和蒸汽的双轴搅拌挤出机。
2引用标准
下列标准包含的条文,通过在本标准中引用而构成为本标准的条文。在本标准出版时,所示版本均为有效。所有标准都会被修订,使用本标准的各方应探讨使用下列标准最新版本的可能性。GB230-83金属洛氏硬度试验方法GB699-88
GB700-88
优质碳素结构钢技术条件
碳素结构钢
3表面粗糙度参数及其数值
GB1031-83
GB1184一80形状和位置公差未注公差的规定GB18001802-79公差与配合
GB/T 1804—92
一般公差线性尺寸的未注公差
形状和位置公差检测规定
GB1958-80
噪声源声功率级的测定
简易法
GB3768-83
GB 9439-88
灰铸铁件
GB10095-88渐开线圆柱齿轮精度GB/T13306-91标牌
JC/T343.2-91(1996)真空挤砖机技术条件建材机械用碳钢和低合金钢铸件技术条件JC/T401.2-91(1996)3
JC.T402-91水泥机械涂漆防锈技术条件JC/T406-91水泥机械包装技术条件JC532-94建材机械钢焊接件通用技术条件2BJ19004—88圆柱齿轮减速器
3定义
本标准采用下列定义:
有效搅拌挤出长度:指进料口中心至出料口端面的距离,4产品分类
国家建筑材料工业局1997-02-24批准标连园ashan
m资张抚准行业资轻免需下载
1997-06-01实施
4.1型式
JC/T662-1997
双轴搅拌挤出机的型式为装有搅拌刀、螺旋绞刀和碎泥刀的双轴,在搅拌槽和挤出泥缸内作相对旋转对物料进行处理的设备。
4.2型号
型号表示方法规定如下:
标记示例:
两轴中心距,cm
有效搅拌挤出长度,cm
挤出代号
一搅拌代号
双轴代号
有效搅拌挤出长度2400mm,两轴中心距420mm的双轴搅拌挤出机表示为:双轴搅拌挤出机SJJ240×42JC/T6624.3基本参数
基本参数见表1
参数名称
有效搅揽拌挤出长度
两轴中心距免费标准下载网bzxz
生产能力,不低于
5技术要求
5.1基本要求
SJJ200×36
SJJ240×40
SJ240×42
参数值
5.1.1双轴搅拌挤出机应符合本标准要求,并按规定程序批准的图样及技术文件制造。SJJ300X42
5.1.2图样上线性尺寸的未注公差:机械加工尺寸按GB/T1804一m级执行,非机械加工尺寸按GB/T1804-c级执行。
5.1.3公差配合应符合GB1800~1802中的A级规定。5.1.4形状和位置公差应符合GB1184规定。5.1.5零件表面粗糙度应符合GB1031规定。5.1.6灰铸铁件应符合GB9439规定。5.1.7
铸钢件应符合JC/T401.2规定。
普通碳素钢应符合GB700规定。
优质碳素钢应符合GB699规定。
焊接件应符合JC532规定。
双轴搅拌挤出机的噪声应不大于85dB(A)。JC/T662-1997
5.1.12双轴搅拌挤出机应有良好的接地装置和明显的接地标志,设备安装完毕检测,接地电阻值应不大于40。
5.113绝缘电阻值不小于1MQ。
5.1.14双轴搅拌挤出机构造应满足下列要求:a)搅拌槽的横截面成型;
b)操纵机构便于实现远距离控制c)有便于起吊的装置;
d)有安全防护和过载保护装置。5.2主要零部件要求
5.2.1三角带轮材质应不低于GB9439中HT200的规定,并进行时效处理,大三角带轮径向圆跳动应不低于GB1184中9级。
5.2.2轴承座和挤出泥缸等主要铸件材质应不低于GB9439中HT200的规定,并进行时效处理。5.2.3轴类件的材质应不低于GB699有关45钢的规定,并调质处理。5.2.4搅拌刀片头部不少于全长1/3的工作表面,硬度不低于HRC505.2.5绞刀叶片由外缘向内不少于宽度1/3的工作表面,硬度不低于HRC50。5.2.6揽拌轴上挤出段的锥套锥面、切泥刀工作硬度不低于HRC50。5.2.7非减速器齿轮的材料,应不低于JC401.2中ZG310~570的规定,齿轮精度不低于GB10095中的8级,齿面硬度不低于HB200~230。5.2.8离合器须做静平衡试验,许用静不平衡力矩应符合JC/T343.2中附录A的规定。5.2.9圆柱齿轮减速器应符合ZBJ19004的规定。5.3装配与安装要求
5.3.1所有零部件需经检验合格,外购件需有合格证方可进行装配。5.3.2非减速器齿轮副的接触斑点沿齿高不小于40%.沿齿长不小于50%,侧隙按GB10095中的8级规定执行。
5.3.3绞刀外缘与挤出泥缸衬套内壁的最大间隙应不大于绞刀直径的1.5%。5.3.4绞刀叶片接合处缝隙应不大于2mm,相互错位应不大于2mm。5.3.5搅拌刀与搅拌槽衬板内壁的间隙应不大于10mm。并无碰擦现象。5.3.6大、小三角带轮安装后,轮宽对称平面相对位移应不大于中心距的2/1000,轴线平行度不大于6/1000。
5.4空载试车要求
5.4.1运转时应无异常声响和振动。5.4.2离合器应接合平稳,分离彻底,灵活可靠。5.4.3噪声应符合5.1.11的规定。5.4.4润滑部位应不漏油。
5.4.5轴承温升应不大于35℃,最高温度应不大于70C。5.5负载试车要求
5.5.1负载试车应符合5.4.1~5.4.4的要求。5.5.2电气控制装置应安全可靠。5.5.3生产能力应符合4.3的规定。5.5.4轴承温升应不大于45℃,最高温度应不大于80℃。5.6外观要求
双轴搅拌挤出机机体表面应平整、光洁,不得有明显碰伤、划伤、锈蚀等缺陷。5.7涂漆防锈要求
武准区
各类标准行业洗料免营下车
涂漆防锈应符合JC/T402的规定
6试验方法
JC/T662-1997
6.1接地电阻(5.1.12)用双臂电桥检测6.2绝缘电阻值(5.1.13)用500V兆欧表测量6.3大皮带轮的径向圆跳动(5.2.1)按GB1958中圆跳动检查方法(4.3)测量,不少于3个截面取其最大值。
6.4零件硬度(5.2.4~5.2.7)按GB230的规定用硬度计检测6.5非齿轮减速器齿轮副侧隙(5.2.7)按GB10095中8级齿轮精度计算,用塞尺测量。6.6静不平衡力矩(5.2.8)在平衡架上检测。6.7齿轮副的接触斑点(5.3.2)用光泽法检测。6.8绞刀外缘与挤出泥缸衬套内壁的问隙(5.3.3)用塞规和塞尺检测。6.9搅拌刀与搅拌槽衬板内壁的间隙(5.3.5)用塞规检测。6.10大小三角带轮的轮宽对称平面的相对位移和轴线平行度(5.3.6)用直尺和水准仪检测。6.11空载试车
6.11.1试车条件:
a)整机组装检验合格:
b)润滑部位注入润滑剂:
c)接地电阻、绝缘电阻符合规定要求。6.11.2试车方法:
a)连续运转4h;
b)噪声(5.4.3)按GB3768规定检测;c)轴承温升(5.4.5)用半导体点温计检测。6.12负载试车
6.12.1试车条件:
a)空载试车合格后进行负载试车,负载试车可在用户进行:b)电器控制装置,气、水、管路等检验合格:C)负载试车的原料应符合规定要求:d)有均匀喂料装置。
6.12.2试车方法:
a)连续运转4h;
b)生产能力(5.5.3)在连续正常供料条件下.用秒表计时测搅拌物料体积,每次测1min.取3次平均值换算出生产能力。
c)轴承温升(5.5.4)用半导体点温计检测。7检验规则
产品应经制造厂检验部门检验合格,并签发合格证后方可出厂。7.1检验分类
产品检验分出厂检验和型式检验。7.2出厂检验
出厂前完成5.1~5.4,5.6~5.7.8.1~8.2的检验。7.3型式检验
型式检验应检验本标准规定的全部项目。有下列情况之一时,应进行型式检验:4
标准行业
JC/T662-1997
a)新产品或老产品转厂生产的试制定型鉴定;b)正式生产后,如结构、材料、工艺有较大改变,可能影响产品性能时:c)出厂检验结果与上次型式检验有较大差异时;d)正常生产每两年不少于一次。7.4抽样与判定规则
7.4.1批量生产的搅拌刀片与绞刀叶片,其表面硬度允许抽样检验,以每个下料批为一批,每批随机抽样10%,但不少于10件,当有一件坏合格时,应加倍抽样,全部合格,判检验批合格,否则判检验批不合格。
7.4.2型式检验的样机应在检验批中随机抽取一台,检验合格,判检验批合格。如不合格,再随机抽取一台,检验不合格,判检验批不合格。若合格,再随机抽取一台,全部合格,可判检验批合格,否则判检验批不合格。
8标志、包装、运输和贮存
8.1产品在明显位置固定一产品标牌,标牌应符合GB/T13306的规定.并标明下列内容:a)制造厂名:
b)产品名称:
c)商标:
d)产品型号:
e)主要参数:
)制造日期:
g)产品标准号;
h)出厂编号:
i)制造厂址。
8.2产品包装、运输和贮存应符合JC/T406的规定。5
武淮搜区
各类标连行业料免置
中华人民共和国建材
行业标准
双轴搅拌挤出机
JC/T662-1997
国家建筑材料工业局标准化研究所出版发行地址:北京朝阳区管庄
邮政编码:100024
电话:65755125
机械科学研究院标准出版中心印剧版权专有不得翻印
开本880×12301/16
印张1/2字数10.000
1997年5月第一次印别刷
1997年5月第一版
编号1051
准费接图m各来标准行业资料急费下教
小提示:此标准内容仅展示完整标准里的部分截取内容,若需要完整标准请到上方自行免费下载完整标准文档。
标准图片预览:





- 其它标准
- 热门标准
- 建筑材料行业标准(JC)
- JC/T613-2005 混凝土和钢筋混凝土排水管钢模
- JC248-1981 水力旋流器铸石衬里
- JC/T2548-2019 建筑固废再生砂粉
- JC/T1013-2006 盘转式压砖机
- JC251-1981 混砂机铸石衬里
- JC255-1981 铸石粉中游离铁的试验方法
- JC253-1981 铸石制品检验、验收、标志、包装、运输规则
- JC/T460.1-2006 水泥工业用胶带斗式提升机 第1部分:型式与基本参数
- JC/T872-2000 建筑装饰用微晶玻璃
- JC/T2044-2011 墙材工业用出口拉引机
- JC/T620-2009 石灰取样方法
- JC/T833-2011 水泥工业用堆取料机
- JC/T2045-2011 墙材工业用液压顶车机
- JC/T2209-2014 氧化铝陶瓷衬板耐磨管件
- JC/T863-2011 高分子防水卷材胶粘剂
- 行业新闻
请牢记:“bzxz.net”即是“标准下载”四个汉字汉语拼音首字母与国际顶级域名“.net”的组合。 ©2025 标准下载网 www.bzxz.net 本站邮件:bzxznet@163.com
网站备案号:湘ICP备2025141790号-2
网站备案号:湘ICP备2025141790号-2