- 您的位置:
- 标准下载网 >>
- 标准分类 >>
- 建筑材料行业标准(JC) >>
- JC/T 512-1993 汽车安全玻璃包装
标准号:
JC/T 512-1993
标准名称:
汽车安全玻璃包装
标准类别:
建筑材料行业标准(JC)
标准状态:
现行-
发布日期:
1993-07-05 -
实施日期:
1994-01-01 出版语种:
简体中文下载格式:
.rar.pdf下载大小:
87.73 KB
点击下载
标准简介:
标准下载解压密码:www.bzxz.net
本标准规定了汽车安全玻璃产品包装的基本要求。本标准适用于汽车用安全玻璃(以下简称安全玻璃)的包装,也适用于其他道路车辆用安全玻璃的包装。 JC/T 512-1993 汽车安全玻璃包装 JC/T512-1993
部分标准内容:
中华人民共和国建材行业标准
汽车安全玻璃包装
1主题内容与适用范围
本标准规定了汽车安全玻璃产品包装的基本要求。JC/T 512---93
本标准适用于汽车用安全玻璃(以下简称安全玻璃)的包装,也适用于其他道路车辆用安全玻璃的包装。
2 引用标准
GB191包装储运图示标志
GB4122包装通用术语
GB4857.7运输包装件基本试验正弦振动(定频)试验方法GB9656汽车用安全玻璃
3包装技术要求
3.1产品包装的准备
3.1.1产品
产品经检验符合GB9656的要求,方可包装。3.1.2包装材料
3.1.2.1包装箱所用材料应具有足够强度,不易损坏,并保证在正常运输贮存过程中不致影响产品质量。
3.1.2.2每片玻璃应用塑料袋包装或每片玻璃之间采用其他措施防止玻璃表面划伤。3.1.2.3玻璃与包装箱内表面之间用轻软材料填实或使用紧固装置。3.1.3包装容器此内容来自标准下载网
安全玻璃的包装方式为箱式包装,形状一般为直角平行六面体,一种规格的包装箱内只允许装同一类型规格的玻璃,箱体的尺寸应根据玻璃面积的大小确定,外形结构要便于运输、装卸。3.2产品包装
3.2.1包装要求
3.2.1.1包装计量值
安全玻璃使用集装箱包装时,包装计量值应以玻璃不易破损和运输方便为原则。采用其他包装箱包装时,总质量一般不超过500kg。3.2.1.2包装方法
安全玻璃在包装箱中应立式摆放,每片玻璃靠紧;若采用间隔包装,则每片玻璃间隙使用轻软材料间隔。
3.2.1.3包装防护
在包装箱中应有衬垫、支撑物或缓冲装置等防护措施,以保证在正常运输情况下玻璃不致损伤。3.2.1.4随货文件
国家建筑材料工业局1993-07-05批准50
1994-01-01实施
JC/T 512—93
3.2.1.4.1装箱单:注明产品数量及装箱日期。3.2.1.4.2经厂检验部门盖章的检验合格证,其上标明:a。制造厂的厂名或注册商标;
b.产品名称、种类、型号、规格、等级、生产批号;c.检验者和包装工的代号。
3.2.1.5封箱
根据箱体大小,采用适当的方式封箱。封箱后箱内玻璃不应松动。3.2.2包装标志
产品包装箱外表面应有醒目、不易擦掉的标志:a.
制造厂的厂名或注册商标;
产品种类、规格、数量、等级;收货单位和地址,
发货单位和地址;
“向上、玻璃制品、小心轻放、严禁潮湿”等字样及垂直放置标志,并应符合GB191的规定,e.
出厂日期。
4包装件运输
4.1运输方式
可采用铁路运输、公路运输、水运、空运等方式。4.2在装卸、运输时应注意:
a.具有防雨设施;
b。包装件摆放时,应严格按箱上“向上”标志放置,不得平放或斜放,运输时,包装件的摆放位置应使玻璃长度方向与车辆运行方向相同,箱与箱之间应靠紧,并应C.
采取防止倾倒的措施;
包装箱的堆码以重不压轻、大不压小的原则,堆码高度一般不多于3层,d.
装卸时应爱护货物,按章装卸。5包装件贮存
5.1必须严格按箱上“向上”标志放置。5.2包装箱应存放在干燥的室内或棚内,箱底加以垫高。6试验方法
6.1试验设备
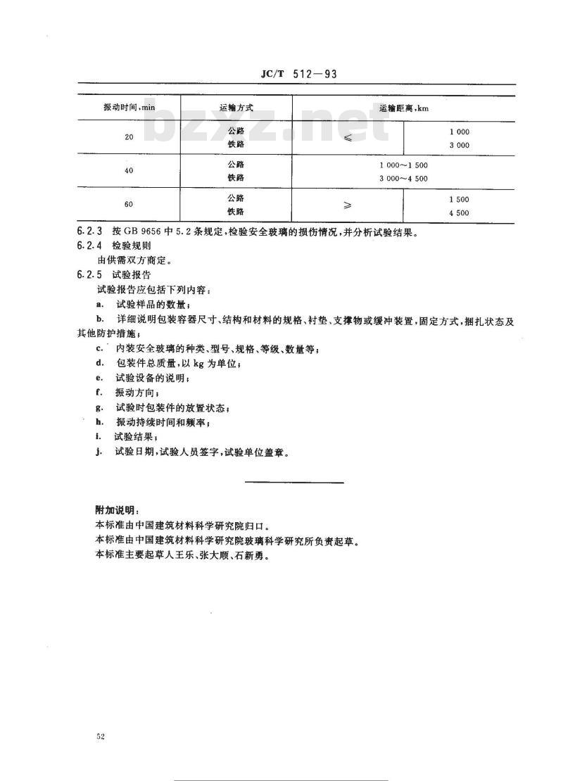
6.1.1振动台应具有合适的尺寸、足够的强度、刚度和承载能力。当装有试验样品时整个试验台面上的振动应基本均匀一一致,台面在振动时能够保持水平状态。静止时台面上任何两点的水平差不应超过2mm。振动台应配备防止试验样品移动的固定装置。6.1.2振动台应能在垂直方向振动,振动波形应是正弦波,振动频率为45~50Hz。6.2试验程序
6.2.1将试验样品按正常运输状态置于振动台台面上,试验样品的底面中心与振动台台面中心的水平距离在10mm以内,并将试验样品牢固地固定在振动台上。6.2.2根据包装箱的运输方式与路程长短,按下表选择相应的振动时间:51
标准搜零网邮
各义标准行业资科免费下载
振动时间,min
运输方式
JC/T 512—93
运输距离,km
1 000~~1 500
3 000~4500
6.2.3按GB9656中5.2条规定,检验安全玻璃的损伤情况,并分析试验结果。6.2.4检验规则
由供需双方商定。
6.2.5试验报告
试验报告应包括下列内容:
试验样品的数量,
详细说明包装容器尺寸、结构和材料的规格、衬垫、支撑物或缓冲装置,固定方式,捆扎状态及b.
其他防护措施;
内装安全玻璃的种类、型号、规格、等级、数量等,包装件总质量,以kg为单位;
试验设备的说明;
振动方向,
试验时包装件的放置状态,
振动持续时间和频率;
试验结果,
试验日期,试验人员签字,试验单位盖章。附加说明:
本标准由中国建筑材料科学研究院归口。本标准由中国建筑材料科学研究院玻璃科学研究所负责起草。本标准主要起草人王乐、张大顺、石新勇。52
标准搜零网
各义标准行业资科免费下载
小提示:此标准内容仅展示完整标准里的部分截取内容,若需要完整标准请到上方自行免费下载完整标准文档。
汽车安全玻璃包装
1主题内容与适用范围
本标准规定了汽车安全玻璃产品包装的基本要求。JC/T 512---93
本标准适用于汽车用安全玻璃(以下简称安全玻璃)的包装,也适用于其他道路车辆用安全玻璃的包装。
2 引用标准
GB191包装储运图示标志
GB4122包装通用术语
GB4857.7运输包装件基本试验正弦振动(定频)试验方法GB9656汽车用安全玻璃
3包装技术要求
3.1产品包装的准备
3.1.1产品
产品经检验符合GB9656的要求,方可包装。3.1.2包装材料
3.1.2.1包装箱所用材料应具有足够强度,不易损坏,并保证在正常运输贮存过程中不致影响产品质量。
3.1.2.2每片玻璃应用塑料袋包装或每片玻璃之间采用其他措施防止玻璃表面划伤。3.1.2.3玻璃与包装箱内表面之间用轻软材料填实或使用紧固装置。3.1.3包装容器此内容来自标准下载网
安全玻璃的包装方式为箱式包装,形状一般为直角平行六面体,一种规格的包装箱内只允许装同一类型规格的玻璃,箱体的尺寸应根据玻璃面积的大小确定,外形结构要便于运输、装卸。3.2产品包装
3.2.1包装要求
3.2.1.1包装计量值
安全玻璃使用集装箱包装时,包装计量值应以玻璃不易破损和运输方便为原则。采用其他包装箱包装时,总质量一般不超过500kg。3.2.1.2包装方法
安全玻璃在包装箱中应立式摆放,每片玻璃靠紧;若采用间隔包装,则每片玻璃间隙使用轻软材料间隔。
3.2.1.3包装防护
在包装箱中应有衬垫、支撑物或缓冲装置等防护措施,以保证在正常运输情况下玻璃不致损伤。3.2.1.4随货文件
国家建筑材料工业局1993-07-05批准50
1994-01-01实施
JC/T 512—93
3.2.1.4.1装箱单:注明产品数量及装箱日期。3.2.1.4.2经厂检验部门盖章的检验合格证,其上标明:a。制造厂的厂名或注册商标;
b.产品名称、种类、型号、规格、等级、生产批号;c.检验者和包装工的代号。
3.2.1.5封箱
根据箱体大小,采用适当的方式封箱。封箱后箱内玻璃不应松动。3.2.2包装标志
产品包装箱外表面应有醒目、不易擦掉的标志:a.
制造厂的厂名或注册商标;
产品种类、规格、数量、等级;收货单位和地址,
发货单位和地址;
“向上、玻璃制品、小心轻放、严禁潮湿”等字样及垂直放置标志,并应符合GB191的规定,e.
出厂日期。
4包装件运输
4.1运输方式
可采用铁路运输、公路运输、水运、空运等方式。4.2在装卸、运输时应注意:
a.具有防雨设施;
b。包装件摆放时,应严格按箱上“向上”标志放置,不得平放或斜放,运输时,包装件的摆放位置应使玻璃长度方向与车辆运行方向相同,箱与箱之间应靠紧,并应C.
采取防止倾倒的措施;
包装箱的堆码以重不压轻、大不压小的原则,堆码高度一般不多于3层,d.
装卸时应爱护货物,按章装卸。5包装件贮存
5.1必须严格按箱上“向上”标志放置。5.2包装箱应存放在干燥的室内或棚内,箱底加以垫高。6试验方法
6.1试验设备
6.1.1振动台应具有合适的尺寸、足够的强度、刚度和承载能力。当装有试验样品时整个试验台面上的振动应基本均匀一一致,台面在振动时能够保持水平状态。静止时台面上任何两点的水平差不应超过2mm。振动台应配备防止试验样品移动的固定装置。6.1.2振动台应能在垂直方向振动,振动波形应是正弦波,振动频率为45~50Hz。6.2试验程序
6.2.1将试验样品按正常运输状态置于振动台台面上,试验样品的底面中心与振动台台面中心的水平距离在10mm以内,并将试验样品牢固地固定在振动台上。6.2.2根据包装箱的运输方式与路程长短,按下表选择相应的振动时间:51
标准搜零网邮
各义标准行业资科免费下载
振动时间,min
运输方式
JC/T 512—93
运输距离,km
1 000~~1 500
3 000~4500
6.2.3按GB9656中5.2条规定,检验安全玻璃的损伤情况,并分析试验结果。6.2.4检验规则
由供需双方商定。
6.2.5试验报告
试验报告应包括下列内容:
试验样品的数量,
详细说明包装容器尺寸、结构和材料的规格、衬垫、支撑物或缓冲装置,固定方式,捆扎状态及b.
其他防护措施;
内装安全玻璃的种类、型号、规格、等级、数量等,包装件总质量,以kg为单位;
试验设备的说明;
振动方向,
试验时包装件的放置状态,
振动持续时间和频率;
试验结果,
试验日期,试验人员签字,试验单位盖章。附加说明:
本标准由中国建筑材料科学研究院归口。本标准由中国建筑材料科学研究院玻璃科学研究所负责起草。本标准主要起草人王乐、张大顺、石新勇。52
标准搜零网
各义标准行业资科免费下载
小提示:此标准内容仅展示完整标准里的部分截取内容,若需要完整标准请到上方自行免费下载完整标准文档。
标准图片预览:



- 其它标准
- 上一篇: JC/T 511-2002 压花玻璃
- 下一篇: JC 493-2001 玻璃熔窑用熔铸锆刚玉耐火制品
- 热门标准
- 建筑材料行业标准(JC)
- JC248-1981 水力旋流器铸石衬里
- JC/T1013-2006 盘转式压砖机
- JC253-1981 铸石制品检验、验收、标志、包装、运输规则
- JC250-1981 水膜除尘器铸石衬里
- JC/T925-2003 玻璃窑用烧结AZS砖
- JC/T620-2009 石灰取样方法
- JC/T863-2011 高分子防水卷材胶粘剂
- JC/T806-1988(1996) 玻璃熔窑用耐火材料静态下抗玻璃液侵蚀试验方法
- JC/T2045-2011 墙材工业用液压顶车机
- JC/T834-2011 水泥工业用堆料机 技术条件
- JC/T835-2011 水泥工业用取料机 技术条件
- JC220-1979(1996) 天然金刚石
- JC/T2167-2013 玻璃釉料
- JC/T1026-2007 玻璃纤维增强热固性树脂承载型格栅
- JC/T989-2006 非结构承载用石材胶粘剂
- 行业新闻
请牢记:“bzxz.net”即是“标准下载”四个汉字汉语拼音首字母与国际顶级域名“.net”的组合。 ©2025 标准下载网 www.bzxz.net 本站邮件:bzxznet@163.com
网站备案号:湘ICP备2025141790号-2
网站备案号:湘ICP备2025141790号-2