- 您的位置:
- 标准下载网 >>
- 标准分类 >>
- 建筑材料行业标准(JC) >>
- JC/T 450.3-1995 辊式细碎机产品质量分等
标准号:
JC/T 450.3-1995
标准名称:
辊式细碎机产品质量分等
标准类别:
建筑材料行业标准(JC)
标准状态:
现行-
发布日期:
1995-11-23 -
实施日期:
1996-03-01 出版语种:
简体中文下载格式:
.rar.pdf下载大小:
207.53 KB
标准ICS号:
91.110中标分类号:
建材>>建材机械与设备>>Q92水泥与水泥制品设备
点击下载
标准简介:
标准下载解压密码:www.bzxz.net
本标准规定了辊式细碎机产品质量(合格品、一等品、优等品)的评定项目、指标及方法。本标准适用于辊式细碎机的产品质量分等及评定。 JC/T 450.3-1995 辊式细碎机产品质量分等 JC/T450.3-1995
部分标准内容:
中华人民共和国建材行业标准
JC/T450.3-1995
辊式细碎机
产品质量分等
1995-11-23发布
国家建筑材料工业局发布
盗限控图
1996-03-01实施
中华人民共和国建材行业标准
辊式细碎机
产品质量分等
JC/T450.3—1995
制定本标准的依据是JC450.1《辊式细碎机型式与基本参数》、JC450.2《辊式细碎机技术条件》。主题内容与适应范围
本标准规定了辑式细碎机产品质量(合格品、一等品、优等品)的评定项目、指标及方法。本标准适用于辊式细碎机的产品质量分等及评定。2引用标准
GB/T230金属洛氏硬度试验方法
GB699优质碳素结构钢技术条件
GB/T1184形状和位置公差未注公差的规定GB/T1801
GB/T1958
GB3768
GB9439
公差与配合尺寸至500mm孔、轴公差带与配合形状和位置公差检测规定
噪声源声功率级的测定简易法
灰铁铸件
GB/T13306标牌
真空挤砖机技术条件
JC401.2建材机械用碳钢和低合金钢铸件技术条件JC/T402水泥机械涂漆防锈技术条件JC/T406水泥机械包装技术条件
JC450.1辊式细碎机型式与基本参数:辊式细碎机技术条件
建材机械钢焊件接通用技术条件JC532
3产品质量分等
3.1整机质量
整机质量应符合表1的规定。
整机性能
项目名称
国家建筑材料工业局1995-11-23批准相关标准
合格品
技术指标或要求
优等品
运转灵活,无碰擦,无异常声响和振动,紧固件无松动
检测方法
现场观测
用户评议
1996-03-01实施
多类标准指业
整机性能
结构合理性
配套完整性
安全卫生
项目名称
b.轴承温升
GS70X50
GS80X60
GS90X70
GS100X80
GS120X90免费标准下载网bzxz
a.第一次大修期\
b.辊园寿命
c.主要配套
件无故障工
作时间
整机构造
滚动轴承
电动机
a.保证设备正常工作的配
套设备及配套件(电机滑
道、皮带等)
b.随机技术文件
a.防护装置
e.润滑部位
JC/T450.3—1995
续表1
相关标准
合格品
技术指标或要求
一等品
空载≤35
负载≤45
≥7000
≥12.000
优等品
检测方法
用测量范围
0~100C误
差为士1℃
的半导体点
温计测定
在工作间
隙,进料粒
度满足要
求,给料正
常时,用秒
表测定
1min的破
碎物料的体
[不少于2个
≥12000
用户的评议
证明材料
有调整辊子工作间隙的装置
有修整辊面的装置
有过载保护装置
配套齐全,保证整机正带工作
使用说明书、合格证装箱单等齐全
旋转部分安全装置
确有防护作用,机体的构造便于品装
不渗油
应符合JC/T406的规定
检查实物
检查实物及
技术资料
现场观测
用户评议
按GB3768
简易法空载
检查实物或
技术资料
注:1)指机器在额定生产能力时正常工作状况下应达到的最少工作时间。辑圈的寿命是指20毫米硬层深度所能达2
标准接授图m各类标准行业添料免费下载到的使用时间。
JC/T 450.3-1995
2)在正常使用情况下,凡设备需全部解体并需要更换或修复大部主要零件使其恢复原有使用性能称为大修(不包括易损件)。
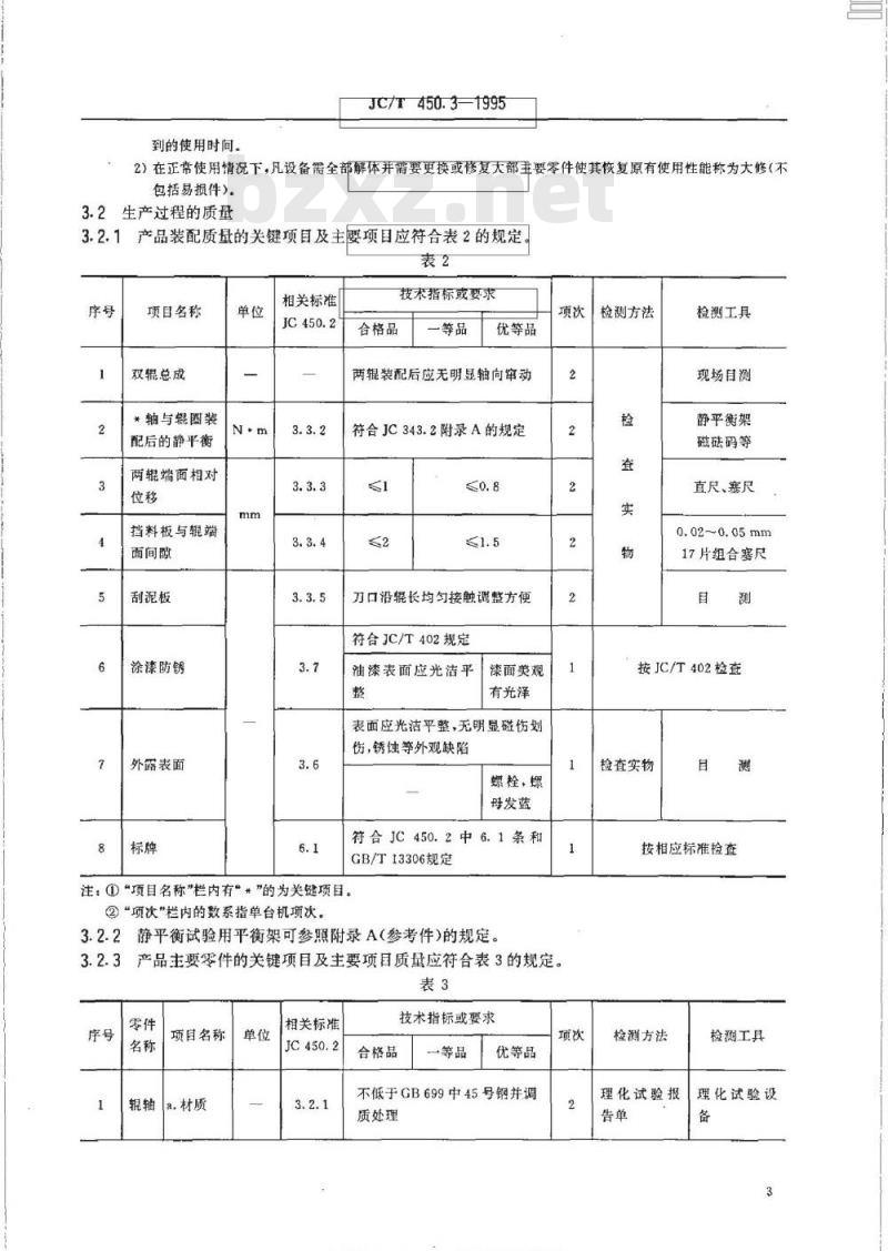
3.2生产过程的质量
产品装配质量的关键项目及主要项目应符合表2的规定3.2.1
项目名称
双辑总成
*轴与辊圈装
配后的静平衡
两辊端面相对
挡料板与辊端
面间隙
刮泥板
涂漆防锈
外露表面
相关标准
合格品
技术指标或要求
一等品
优等品
两辊装配后应无明显轴向牢动
符合JC343.2附录A的规定
刀口沿辑长均匀接触调整方便
符合JC/T402规定
油漆表面应光洁平
漆面美观
有光泽
表面应光洁平整,无明显磁伤划伤,锈蚀等外观缺陷
螺栓,螺
母发蓝
符合JC450.2中6.1条和
GB/T13306规定
注:①“项目名称”栏内有”*”的为关键项目。②“项次\栏内的数系指单台机项次。3.2.2
静平衡试验用平衡架可参照附录A(参考件)的规定。3.2.3
检测方法
产品主要零件的关键项目及主要项目质量应符合表3的规定。表3
项目名称
相关标准
技术指标或要求
合格品
一等品
优等品
不低于GB699中45号钢并调
质处理
准搜授购
各类标准行业浴免费
检测工具
现场目测
静平衡架
磁磁码等
直尺、赛尺
0.02~0.05mm
17片组合塞尺
按JC/T402检查
检查实物
按相应标准检查
检测方法
理化试验报
检测工具
理化试验设
项目名称
b.轴承位
尺寸精度
c.轴承位
表面粗糙
*d.带轮
轴颈、辊支
承轴颈与
轴承位轴
预同轴度
*a.表面
b.表面硬
度值差
c.深层硬
度降低值
d.硬层深
e.径向圆
工作表面
圆跳动
相关标准
JC/T450.3-1995
续表3
技术指标或要求
会格品
一等品
不低于GB/T1801中
优等品
不低于GB/T1184附表4中
不低于GB/T1184附表4中
由力口向内不少于50mm范
围内硬度不低于45,最高硬度
不大于面录小硬度值
不低于GB/T1184附表4中
符合JC343.2中附录A规定
标准提投图点m各类标准行业资料免费下动项次
检测方法
二点法四截
分析法
检测工具
分度值为
0.01mm的
千分尺
粗糙度检测
按GB/T1958同轴度检测
3-2检测
按GB230的规定检测
硬度计
取样试验或
实物检测
分度值为
0.5mm的直
按GB/T1958中圆跳动检
测方法4—3检测,测量不少
于3个截面,取其最大值
在规定的长
宽范围内取
均布点
硬度计
按GB/T1958中跳动检
测方法4—3检测,测量不少
于3个截面,取其最大值
静平衡架
检测实物
磁磁码等
项目名称
相关标准
注:①“项目名称”栏内有“*”的为关键项目。②“项次”栏内的数系指单台机项饮。JC/T450.3-1995
续表3
技术指标或要求
合格品
一等品
优等品
钢焊接件应符合JC532的有
关规定,焊接接头的表面质量
应不低于I级并消除内应力
铸钢件应符合JC401.2规定
灰铁铸件应不低于GB9439
中HT200并时效处理
检测方法
按相应标准检查
理化试验报
3.2.4检测所用量具和V型铁等精度不得低于一级,平板的精度不得低于二级。3.3质量等级的判定
3.3.1辊式细碎机质量等级的判定应符合表4的规定。检测工具
理化试验设
3.3.2对装配质量的项目(表2)与主要零件质量的项目(表3)的检验结果分别统计,按表4的规定判定。
3.3.3对主要零件除考核主要项目外,还应考核非主要项目,抽查项次为主要项次的20%,但不少于10项次,其合格率不低于70%。如低于70%时,对产品质量等级作降-一级处理。3.4用户服务及信息反馈
应有用户对产品质量的评价证明材料或其他证明材料以作为评定质量的依据。表4
生产过程质量
质量等级
合格品
一等品
优等品
4试验方法与检验规则
4.1整机试验
整机质量
全部符合
本标准
(装配质量和主要零件质量)
关键项次合格率
4.1.1试车条件及试车方法应符合JC450.2中4.6条、4.7条要求。4.1.2整机性能试验允许在用户现场进行。主要项次合格率
4.2出厂检验与型式检验应按JC450.2和本标准的有关规定。出厂前应完成的检验项目为除本标准3.1条表1中的序号1内a,b二项的负载检验内容、序号1内c项,序号2内各项及序号5内b项之外的所有项目。型式检验时应检验本标准规定的全部项目。5
JC/T450.3-1995
4.3抽样与判定规则
4.3.1抽样与判定规则一般情况应符合JC450.2中5.4条规定4.3.2以抽查方式评定企业产品质基时,整机抽样从其合格大库的产品中抽取一台,零件抽样从其合格人库的零件中抽取一台份。
4.3.3辊图“硬层深度”和“深层硬度降低值”首台必检,在材质,热处理工艺、辊圈厚度没有改变的前提下,每两年检测不少于一次。
标准控授园玉各类标准行业盗科鱼费下制JC/T450.3-1995
附录A
静平衡架的设计选用
(参考件)
本附录规定了旋转件静平衡架的基本构造型式,制造精度和设计选用原则。A1静平衡架的构造如图A1所示:T7777
TTTTTTT
G转子重.Ntd一转子心轴支承处的轴径,mmb一静平衡架支承面的宽度,mm;L一静平衡架支承面的长度(L≥3xd),mm图A1静平衡架的基本构造示意图A2静平衡架支承面宽度6的选用与转子重量G的关系应符合图A2规定。18
48121620
图A26与G的关系
A3静平衡架的制造精度:
静平衡架两支承面平行度应不低于GB/T1184附表3中8级规定。静平衡架两支承面的平面度应不低于GB/T1184中附表1中7级规定。静平衡架两支承面与水平面的平行度应不低于GB/T1184附表3中7级规定。静平衡架两支承面表面粗糙度R.值应不大于1.6μm。静平衡架两支承面的表面硬度不低于HRC45。JC/T450.3-1995
附加说明:
本标准由国家建材局建材机械标准化技术委员会提出并归口。本标准由南京建材机械厂负责起草、武汉建材机械厂参加。本标准主要起草人谢益恒、陈丽纯、罗碗萍、杨其坚。8
标准授搜国m.ha品eign各类标准行业资养免ho
中华人民共和国建材
行业标准
产品质量分等
JC/T450.3-1995
中国标准出版社出版
北京复兴门外三里河北街16号
邮政编码:100045
话:8522112
中国标准出版社秦皇岛印刷厂印刷新华书店北京发行所发行各地新华书店经售版权专有不得翻印
开本880×12301/16印张3/4字数15千字1996年8月第一版1996年8月第一次印刷印数1--1500
标目289-178
各类标准行业资料免器
小提示:此标准内容仅展示完整标准里的部分截取内容,若需要完整标准请到上方自行免费下载完整标准文档。
JC/T450.3-1995
辊式细碎机
产品质量分等
1995-11-23发布
国家建筑材料工业局发布
盗限控图
1996-03-01实施
中华人民共和国建材行业标准
辊式细碎机
产品质量分等
JC/T450.3—1995
制定本标准的依据是JC450.1《辊式细碎机型式与基本参数》、JC450.2《辊式细碎机技术条件》。主题内容与适应范围
本标准规定了辑式细碎机产品质量(合格品、一等品、优等品)的评定项目、指标及方法。本标准适用于辊式细碎机的产品质量分等及评定。2引用标准
GB/T230金属洛氏硬度试验方法
GB699优质碳素结构钢技术条件
GB/T1184形状和位置公差未注公差的规定GB/T1801
GB/T1958
GB3768
GB9439
公差与配合尺寸至500mm孔、轴公差带与配合形状和位置公差检测规定
噪声源声功率级的测定简易法
灰铁铸件
GB/T13306标牌
真空挤砖机技术条件
JC401.2建材机械用碳钢和低合金钢铸件技术条件JC/T402水泥机械涂漆防锈技术条件JC/T406水泥机械包装技术条件
JC450.1辊式细碎机型式与基本参数:辊式细碎机技术条件
建材机械钢焊件接通用技术条件JC532
3产品质量分等
3.1整机质量
整机质量应符合表1的规定。
整机性能
项目名称
国家建筑材料工业局1995-11-23批准相关标准
合格品
技术指标或要求
优等品
运转灵活,无碰擦,无异常声响和振动,紧固件无松动
检测方法
现场观测
用户评议
1996-03-01实施
多类标准指业
整机性能
结构合理性
配套完整性
安全卫生
项目名称
b.轴承温升
GS70X50
GS80X60
GS90X70
GS100X80
GS120X90免费标准下载网bzxz
a.第一次大修期\
b.辊园寿命
c.主要配套
件无故障工
作时间
整机构造
滚动轴承
电动机
a.保证设备正常工作的配
套设备及配套件(电机滑
道、皮带等)
b.随机技术文件
a.防护装置
e.润滑部位
JC/T450.3—1995
续表1
相关标准
合格品
技术指标或要求
一等品
空载≤35
负载≤45
≥7000
≥12.000
优等品
检测方法
用测量范围
0~100C误
差为士1℃
的半导体点
温计测定
在工作间
隙,进料粒
度满足要
求,给料正
常时,用秒
表测定
1min的破
碎物料的体
[不少于2个
≥12000
用户的评议
证明材料
有调整辊子工作间隙的装置
有修整辊面的装置
有过载保护装置
配套齐全,保证整机正带工作
使用说明书、合格证装箱单等齐全
旋转部分安全装置
确有防护作用,机体的构造便于品装
不渗油
应符合JC/T406的规定
检查实物
检查实物及
技术资料
现场观测
用户评议
按GB3768
简易法空载
检查实物或
技术资料
注:1)指机器在额定生产能力时正常工作状况下应达到的最少工作时间。辑圈的寿命是指20毫米硬层深度所能达2
标准接授图m各类标准行业添料免费下载到的使用时间。
JC/T 450.3-1995
2)在正常使用情况下,凡设备需全部解体并需要更换或修复大部主要零件使其恢复原有使用性能称为大修(不包括易损件)。
3.2生产过程的质量
产品装配质量的关键项目及主要项目应符合表2的规定3.2.1
项目名称
双辑总成
*轴与辊圈装
配后的静平衡
两辊端面相对
挡料板与辊端
面间隙
刮泥板
涂漆防锈
外露表面
相关标准
合格品
技术指标或要求
一等品
优等品
两辊装配后应无明显轴向牢动
符合JC343.2附录A的规定
刀口沿辑长均匀接触调整方便
符合JC/T402规定
油漆表面应光洁平
漆面美观
有光泽
表面应光洁平整,无明显磁伤划伤,锈蚀等外观缺陷
螺栓,螺
母发蓝
符合JC450.2中6.1条和
GB/T13306规定
注:①“项目名称”栏内有”*”的为关键项目。②“项次\栏内的数系指单台机项次。3.2.2
静平衡试验用平衡架可参照附录A(参考件)的规定。3.2.3
检测方法
产品主要零件的关键项目及主要项目质量应符合表3的规定。表3
项目名称
相关标准
技术指标或要求
合格品
一等品
优等品
不低于GB699中45号钢并调
质处理
准搜授购
各类标准行业浴免费
检测工具
现场目测
静平衡架
磁磁码等
直尺、赛尺
0.02~0.05mm
17片组合塞尺
按JC/T402检查
检查实物
按相应标准检查
检测方法
理化试验报
检测工具
理化试验设
项目名称
b.轴承位
尺寸精度
c.轴承位
表面粗糙
*d.带轮
轴颈、辊支
承轴颈与
轴承位轴
预同轴度
*a.表面
b.表面硬
度值差
c.深层硬
度降低值
d.硬层深
e.径向圆
工作表面
圆跳动
相关标准
JC/T450.3-1995
续表3
技术指标或要求
会格品
一等品
不低于GB/T1801中
优等品
不低于GB/T1184附表4中
不低于GB/T1184附表4中
由力口向内不少于50mm范
围内硬度不低于45,最高硬度
不大于面录小硬度值
不低于GB/T1184附表4中
符合JC343.2中附录A规定
标准提投图点m各类标准行业资料免费下动项次
检测方法
二点法四截
分析法
检测工具
分度值为
0.01mm的
千分尺
粗糙度检测
按GB/T1958同轴度检测
3-2检测
按GB230的规定检测
硬度计
取样试验或
实物检测
分度值为
0.5mm的直
按GB/T1958中圆跳动检
测方法4—3检测,测量不少
于3个截面,取其最大值
在规定的长
宽范围内取
均布点
硬度计
按GB/T1958中跳动检
测方法4—3检测,测量不少
于3个截面,取其最大值
静平衡架
检测实物
磁磁码等
项目名称
相关标准
注:①“项目名称”栏内有“*”的为关键项目。②“项次”栏内的数系指单台机项饮。JC/T450.3-1995
续表3
技术指标或要求
合格品
一等品
优等品
钢焊接件应符合JC532的有
关规定,焊接接头的表面质量
应不低于I级并消除内应力
铸钢件应符合JC401.2规定
灰铁铸件应不低于GB9439
中HT200并时效处理
检测方法
按相应标准检查
理化试验报
3.2.4检测所用量具和V型铁等精度不得低于一级,平板的精度不得低于二级。3.3质量等级的判定
3.3.1辊式细碎机质量等级的判定应符合表4的规定。检测工具
理化试验设
3.3.2对装配质量的项目(表2)与主要零件质量的项目(表3)的检验结果分别统计,按表4的规定判定。
3.3.3对主要零件除考核主要项目外,还应考核非主要项目,抽查项次为主要项次的20%,但不少于10项次,其合格率不低于70%。如低于70%时,对产品质量等级作降-一级处理。3.4用户服务及信息反馈
应有用户对产品质量的评价证明材料或其他证明材料以作为评定质量的依据。表4
生产过程质量
质量等级
合格品
一等品
优等品
4试验方法与检验规则
4.1整机试验
整机质量
全部符合
本标准
(装配质量和主要零件质量)
关键项次合格率
4.1.1试车条件及试车方法应符合JC450.2中4.6条、4.7条要求。4.1.2整机性能试验允许在用户现场进行。主要项次合格率
4.2出厂检验与型式检验应按JC450.2和本标准的有关规定。出厂前应完成的检验项目为除本标准3.1条表1中的序号1内a,b二项的负载检验内容、序号1内c项,序号2内各项及序号5内b项之外的所有项目。型式检验时应检验本标准规定的全部项目。5
JC/T450.3-1995
4.3抽样与判定规则
4.3.1抽样与判定规则一般情况应符合JC450.2中5.4条规定4.3.2以抽查方式评定企业产品质基时,整机抽样从其合格大库的产品中抽取一台,零件抽样从其合格人库的零件中抽取一台份。
4.3.3辊图“硬层深度”和“深层硬度降低值”首台必检,在材质,热处理工艺、辊圈厚度没有改变的前提下,每两年检测不少于一次。
标准控授园玉各类标准行业盗科鱼费下制JC/T450.3-1995
附录A
静平衡架的设计选用
(参考件)
本附录规定了旋转件静平衡架的基本构造型式,制造精度和设计选用原则。A1静平衡架的构造如图A1所示:T7777
TTTTTTT
G转子重.Ntd一转子心轴支承处的轴径,mmb一静平衡架支承面的宽度,mm;L一静平衡架支承面的长度(L≥3xd),mm图A1静平衡架的基本构造示意图A2静平衡架支承面宽度6的选用与转子重量G的关系应符合图A2规定。18
48121620
图A26与G的关系
A3静平衡架的制造精度:
静平衡架两支承面平行度应不低于GB/T1184附表3中8级规定。静平衡架两支承面的平面度应不低于GB/T1184中附表1中7级规定。静平衡架两支承面与水平面的平行度应不低于GB/T1184附表3中7级规定。静平衡架两支承面表面粗糙度R.值应不大于1.6μm。静平衡架两支承面的表面硬度不低于HRC45。JC/T450.3-1995
附加说明:
本标准由国家建材局建材机械标准化技术委员会提出并归口。本标准由南京建材机械厂负责起草、武汉建材机械厂参加。本标准主要起草人谢益恒、陈丽纯、罗碗萍、杨其坚。8
标准授搜国m.ha品eign各类标准行业资养免ho
中华人民共和国建材
行业标准
产品质量分等
JC/T450.3-1995
中国标准出版社出版
北京复兴门外三里河北街16号
邮政编码:100045
话:8522112
中国标准出版社秦皇岛印刷厂印刷新华书店北京发行所发行各地新华书店经售版权专有不得翻印
开本880×12301/16印张3/4字数15千字1996年8月第一版1996年8月第一次印刷印数1--1500
标目289-178
各类标准行业资料免器
小提示:此标准内容仅展示完整标准里的部分截取内容,若需要完整标准请到上方自行免费下载完整标准文档。
标准图片预览:





- 其它标准
- 热门标准
- 建筑材料行业标准(JC)
- JC/T613-2005 混凝土和钢筋混凝土排水管钢模
- JC248-1981 水力旋流器铸石衬里
- JC/T2548-2019 建筑固废再生砂粉
- JC/T1013-2006 盘转式压砖机
- JC251-1981 混砂机铸石衬里
- JC255-1981 铸石粉中游离铁的试验方法
- JC253-1981 铸石制品检验、验收、标志、包装、运输规则
- JC/T460.1-2006 水泥工业用胶带斗式提升机 第1部分:型式与基本参数
- JC/T872-2000 建筑装饰用微晶玻璃
- JC/T2044-2011 墙材工业用出口拉引机
- JC/T620-2009 石灰取样方法
- JC/T833-2011 水泥工业用堆取料机
- JC/T2045-2011 墙材工业用液压顶车机
- JC/T2209-2014 氧化铝陶瓷衬板耐磨管件
- JC/T863-2011 高分子防水卷材胶粘剂
- 行业新闻
请牢记:“bzxz.net”即是“标准下载”四个汉字汉语拼音首字母与国际顶级域名“.net”的组合。 ©2025 标准下载网 www.bzxz.net 本站邮件:bzxznet@163.com
网站备案号:湘ICP备2025141790号-2
网站备案号:湘ICP备2025141790号-2