- 您的位置:
- 标准下载网 >>
- 标准分类 >>
- 建筑材料行业标准(JC) >>
- JC/T 449-2000 镁质胶凝材料用原料
标准号:
JC/T 449-2000
标准名称:
镁质胶凝材料用原料
标准类别:
建筑材料行业标准(JC)
标准状态:
已作废-
发布日期:
2000-06-16 -
实施日期:
2000-10-01 -
作废日期:
2008-12-01 出版语种:
简体中文下载格式:
.rar.pdf下载大小:
456.64 KB
替代情况:
替代JC/T 449-1991;被JC/T 449-2008代替采标情况:
JIS A6905-1993 NEQ
点击下载
标准简介:
标准下载解压密码:www.bzxz.net
本标准规定了镁质胶凝材料所用的原料轻烧氧化镁、工业氯化镁的分级、技术要求、试验方法、检验规则、产品质量证明书、包装、运输与贮存。本标准适用于镁质胶凝材料所用的由菱镁矿(M9CO3)经轻烧、粉磨而成的轻烧氧化镁以及由盐卤液经干燥处理制得的工业抓化镁。 JC/T 449-2000 镁质胶凝材料用原料 JC/T449-2000
部分标准内容:
中华人民共和国建材行业标
JC/T 449-2 0 0 0
镁质胶凝材料用原料
Raw materials. for magnesia cement2 000-06—26发布
国案建辖材料下亚写
2000-10—01实施
准搜搜网Ww.bzsoso.cOmJC/T449-2000免费标准下载网bzxz
本标准非等效采用日本工业标准JISA69051993《镁氧水泥(菱镁土水泥)\,在总结贯御实施JC/T449-1991《建筑材料用菱苦土》标准经验基础上结合我国国情修订的。非等效采用JISA6905-1993时,保留和补充以下内容:保留子轻烧氧化镁及其配制的胶凝材料的技术要求。补充了工业氧化镁的质量要求、试验方法、包装要求。与JC/T449-1991相比,修订了如下内容:一将轻烧氧化镁的试验方法由酸溶性试验改为测定氧化镁总显的碱熔性试验。同时相应提高了轻烧氧化镁按氧化镁含昼分等级的指标。一将工业氯化镁的质量要求列入标准正文,并增列其试验方法、检验、包装要求。本标准自实施之日起,同时代替JC/T449-1991。本标准负责起草单位,国家建筑材料工业局合服水泥研究设计院。本标准参加起草单位:上海邦达新型建材有限公司、辽宁海城镁矿宁通轻烧镁广、北京国铁泛绿建材有限公司。
本标准主要起草人:余学飞陈传诗张志明陈永华蔡坤瑜杜建忠张忠明包建国刘文满舒玲本标准委托国家建筑材料工业局合肥水泥研究设计院负贡解释。本标准首次发布于1991年12月,本标准2000年第一次修订。1范围
中华人民共和国建材行业标准
镁质胶凝材料用原料
Raw materials for magnesia cementJC/T 449-.20 00
代善 JC/T 449—1991
本标准规定了镁质胶凝材料所用的源料轻烧氧化镁、工业氣化镁的分级、技术要求、试验方法、检验规则,产品质基证明书及包装、运输与存。本标准适用于镁质胶凝材料所用的由菱镁矿(MgCO)经轻烧、粉磨而成的轻烧氧化镁以及由盐卤液经于燥处理制得的工业氯化镁。2引用标准
下列标推所包含的条文,通过在本标准中引用而构成为本标准的条文。本标准出版时,所示版本均为有效。所有标准都会被修订,使用本标准的各方应探讨使用下列标准最新版本的可能性。GB/T176-1896水泥化学分析方洁GB/T1771985水泥胶砂强度检验方法GB178-1977水泥强度试验用标推砂GB/T1345—1991:水泥细度检验方法(80um筛析法)GB/T 13461989水泥标准稠度用水最、凝结时间、安全性检验方法CB/T2419-1994水泥胶砂流动度测定方法GB8453-1987工业氟化镁
GB12573-1990水泥取样方法
JC/T726-1996水泥胶砂试模
JC/T728-1982(1996)水泥物理检验仪器标准筛3技术要求
3.1轻烧氧化镁
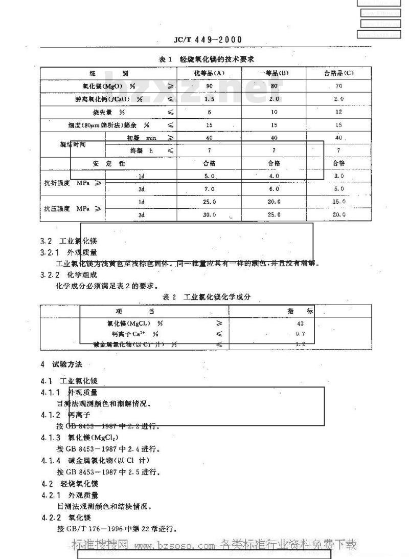
3.1.1等级
接烧氧化镁化学成分及其配制的镁质胶凝材料的物理性能将产品分为优等品(A)等晶(B)和
合格品(C),见表1。
3.1.2外观质量
在同一编号的轻烧氧化镁中,应具有一样的颜色,不允许有杂质和结块的现象,31.3化学成分、细度、凝结时间、安定性和强度应符合表1的要求。
900A06
21-n1实旅
m.级
氧化镁(Mg0)%
游离氧化钙(fCaO)%
烧失量%
细度(80μm 筛析法)筛余%
麓纬时间
抗折强度
抗压强度
初疑min
终凝h
安定性
3.2工业斜化镁
3.2.1外观质量
JC/T 44 9-2 00 0
轻绕氧化的技术要求
优等品(A)
等品(B)
工业氧化镁为浅贯色至浅棕色固体。同一批量应具有一样的题色,并且没有潮。3.2.2化学组成
化学成分必须满足表2的要求。
表2工业氟化镁化学成分
氯化镁(MgCl)%
钙高子 Ca*+%
碱金属氧化物(以 C1 讨)
试验方法
4.1工业氟化镁
4.1.1外观质量
自测法观测颜色和潮解情况。
钙离子
按 GD 8453 1987 中 2. 2 进行:4. 1.3氯化镁(MgCl,)
按 GB 8453- 1987 中 2. 4 进行4.1.4碱金属氣化物以C1计)
按 GB 8453 - 1987 中 2. 5 进行,4.2轻烧氧化镁
4.2.1外观质量
目测法观测颜色和结块情况,
4.2.2氧化镁
按GB/T176—1996中第22章避行。指
合格品(C)
.4.2.3游离氧化钙
按GB/T176-1996中28.2进行。
4.2.4烧失量
按GB/T176—1996中第7章进行。4.2.5细度
按GB/T1345进行。
4.2.6胶砂强度
4.2.6.1材料
轻烧氧化镁试样应充分拌匀。
标准砂应符合 GB 178 的质量要求。IC/T.449-2000
氧化镁溶液:必须用洁净的谈水将工业氧化镁配制戒密度为1.2kg/L的溶液4. 2. 6. 2 胶砂流动度
胶砂流动度测定是为了确定镁质胶凝材料中氯化镁溶液和轻烧氧化镁的比值N4. 2. 6. 2. 1 胶砂制备
一次试验称取的材料及数量如下:轻烧氧化镁:280g
砂:840g
氯化镁落液:按估计量加入。
4.2.6.2.2流动避的测定
按GB/T2419进行,当胶砂底部扩散直径达120~135mm时,胶砂中氟化镁溶液和轻烧氧化镁的质量比即为N。
4.2.6.3试体的制备
4. 2. 6. 3. 1
每成型
巨条试体需称量的材料及用量如下:轻烧氧化镁:480g
砂:1440g
氯化镁溶液:480×N(g)
4.2.6.3.2试体成型
按GB/T177一1985中第4章进行,成型40mm×40mm×160mm试体二组。4.2.6.3.3试体养护
在温度20℃士3℃,相对湿度(70士5)%的条件下养护1天后脱模。并在此条件下继续养护。4.2. 6. 4强度试验
按QB/T177-1985中第6章进行1天、3天抗折、抗压强度的测定。4. 2. 7 疑结时间和安定性
4.2.7.1材料
见 4. 2. 6. 1 。
4.2.7.2配比
轻烧氧化镁:500g
氯化镁溶液:500×N(g)
4.2.7.3养护
同 4. 2. 6. 3. 3。
4.2.7.4凝结时间的测定
城36-100出筑7薪行
p
4.2.7.5安定性的测定
JC/T 4 4 9--20 0 0
按GB/T1346一1989中第8章试饼法进行试饼成型。养护(24士2>h脱模,继续养护3天后用肉眼观察无裂纹,用直尺检测无弯曲,划安定性合格,5检验规则
5.1检验分类
5.1.1出厂检验
轻烧氧化镁:外观质量、氧化镁、CaO、烧失量、细度、凝结时问、安定性、强度。工业氟化镁·外观质置、氧化镁、钙离手、碱金属氟化物5.1.2型式检验
5. 1. 2. 1
型式检验的规定
当有下列情况之一时,应进行型式检验:a)新矿区投产及生产工艺有重大的改变时;b)停产半年以上,恢复生产时;c)出厂检验结果与上次型式检验有较大差异;d)正常生产情况下,每年进行一次e)国家质量监督机构提出要求时。5.1.2.2型式检验项目
按5. 1. 1进行。
5.2编号
同一等级的产品以100t为一编号,不足100t而超过40t时,也作为一个编号。5.3取样、留样和制样
轻烧氧化镁:每一编号为一取样单位。按GB12573进行取样和留样,每一编号共取样10kg。将样品充分混合,份成二等份,一份由生产厂接第4草规定的方法进行检验,另一份则密封保存三个月。进行化学成分检验的试样按GB/T176-1996中第6章进行制备。工业氟化镁,按GB 8453—1987中 3.3进行。5.4判定
试验结果符合第3章相应等级时,判定为该等级,若一项及一项以上技术指标不合格时,加倍取样进行试验,若仍有项技术指标不合格,则该编号产品判为该等级不合格。
5.5复验
产品出厂后三个月内,如购货单位对产品质量提出疑问或使用过程中出现与产品质有关的问题需要质量监督检验机构复验、仲裁时,用生产厂同一编号的封存样进行。若用户对产品质量有异议要求现场取样复验时,在正常运输贮存条件下,应在到货1天内提出,生产厂在接到用户要求7天内应会同用户共同取样,送质量监督检验机构检验,生产厂在规定时间内不去现场,用户可单独取样送检,结果同等有效。仲裁检验由国家指定的省级以上质量监督检验机构进行。6产品质量证明书与包装
6.1产品质量证明书
产品出厂时应向用户提供产品质量证明书其内容如下:a)产品名称:
b)标准编号;
d)等级:
e)数量:
f)试验结果:
g)注册商标;
h)生产厂名:
i)出厂日期。
6.2包装与标志
JC/T 449-200 D
6.2.1包装
轻烧氧化镁用内层塑料袋和外层编织袋的双层包装或用涂塑编织袋包装,以防止轻烧鼠化镁受潮。每包净重4kg士0.8kg或50kg士1kg,20包总重量不得少于800kg或1000kg工业氟化镁内层用塑料袋,外层用塑料编织袋或麻袋进行包装。每袋净重50kg士1kg20袋总重量不得少于1000kg。袋应结实,封口要牢固。6.2.2标志
轻烧氧化镁包装袋上必须标明:产品名称、编号、产品等级、重量、包装年月日、生产厂名。工业氯化镁包装袋上必须标明:产品名称、编号、重量、包装年月日、生产厂名。7运输与贮布
运辖中应采取防潮、防雨措施,不同等级产品应分别忙运,不得相互混杂,搬运中不应抛扔。贮存场地必须具备防潮、防雨、干焕的条件准搜搜网
w
华人民共和国建材
行业标准
镀画胶凝材料用原料
Raw materials for magnesia cementJC7T449-2000
国家建筑材料工业局标准化研究所出版发行地址:北京朝阳区管庄
邮政编码:100024
电话:657.55125
机械科学研究院标准出版中心印剧版权专有不得翻印
开本880×12301/16印张1/2字数12,0002000年9月第一版2000年9月第一-次印到印数1-500定价6.0元
窥号1150
小提示:此标准内容仅展示完整标准里的部分截取内容,若需要完整标准请到上方自行免费下载完整标准文档。
JC/T 449-2 0 0 0
镁质胶凝材料用原料
Raw materials. for magnesia cement2 000-06—26发布
国案建辖材料下亚写
2000-10—01实施
准搜搜网Ww.bzsoso.cOmJC/T449-2000免费标准下载网bzxz
本标准非等效采用日本工业标准JISA69051993《镁氧水泥(菱镁土水泥)\,在总结贯御实施JC/T449-1991《建筑材料用菱苦土》标准经验基础上结合我国国情修订的。非等效采用JISA6905-1993时,保留和补充以下内容:保留子轻烧氧化镁及其配制的胶凝材料的技术要求。补充了工业氧化镁的质量要求、试验方法、包装要求。与JC/T449-1991相比,修订了如下内容:一将轻烧氧化镁的试验方法由酸溶性试验改为测定氧化镁总显的碱熔性试验。同时相应提高了轻烧氧化镁按氧化镁含昼分等级的指标。一将工业氯化镁的质量要求列入标准正文,并增列其试验方法、检验、包装要求。本标准自实施之日起,同时代替JC/T449-1991。本标准负责起草单位,国家建筑材料工业局合服水泥研究设计院。本标准参加起草单位:上海邦达新型建材有限公司、辽宁海城镁矿宁通轻烧镁广、北京国铁泛绿建材有限公司。
本标准主要起草人:余学飞陈传诗张志明陈永华蔡坤瑜杜建忠张忠明包建国刘文满舒玲本标准委托国家建筑材料工业局合肥水泥研究设计院负贡解释。本标准首次发布于1991年12月,本标准2000年第一次修订。1范围
中华人民共和国建材行业标准
镁质胶凝材料用原料
Raw materials for magnesia cementJC/T 449-.20 00
代善 JC/T 449—1991
本标准规定了镁质胶凝材料所用的源料轻烧氧化镁、工业氣化镁的分级、技术要求、试验方法、检验规则,产品质基证明书及包装、运输与存。本标准适用于镁质胶凝材料所用的由菱镁矿(MgCO)经轻烧、粉磨而成的轻烧氧化镁以及由盐卤液经于燥处理制得的工业氯化镁。2引用标准
下列标推所包含的条文,通过在本标准中引用而构成为本标准的条文。本标准出版时,所示版本均为有效。所有标准都会被修订,使用本标准的各方应探讨使用下列标准最新版本的可能性。GB/T176-1896水泥化学分析方洁GB/T1771985水泥胶砂强度检验方法GB178-1977水泥强度试验用标推砂GB/T1345—1991:水泥细度检验方法(80um筛析法)GB/T 13461989水泥标准稠度用水最、凝结时间、安全性检验方法CB/T2419-1994水泥胶砂流动度测定方法GB8453-1987工业氟化镁
GB12573-1990水泥取样方法
JC/T726-1996水泥胶砂试模
JC/T728-1982(1996)水泥物理检验仪器标准筛3技术要求
3.1轻烧氧化镁
3.1.1等级
接烧氧化镁化学成分及其配制的镁质胶凝材料的物理性能将产品分为优等品(A)等晶(B)和
合格品(C),见表1。
3.1.2外观质量
在同一编号的轻烧氧化镁中,应具有一样的颜色,不允许有杂质和结块的现象,31.3化学成分、细度、凝结时间、安定性和强度应符合表1的要求。
900A06
21-n1实旅
m.级
氧化镁(Mg0)%
游离氧化钙(fCaO)%
烧失量%
细度(80μm 筛析法)筛余%
麓纬时间
抗折强度
抗压强度
初疑min
终凝h
安定性
3.2工业斜化镁
3.2.1外观质量
JC/T 44 9-2 00 0
轻绕氧化的技术要求
优等品(A)
等品(B)
工业氧化镁为浅贯色至浅棕色固体。同一批量应具有一样的题色,并且没有潮。3.2.2化学组成
化学成分必须满足表2的要求。
表2工业氟化镁化学成分
氯化镁(MgCl)%
钙高子 Ca*+%
碱金属氧化物(以 C1 讨)
试验方法
4.1工业氟化镁
4.1.1外观质量
自测法观测颜色和潮解情况。
钙离子
按 GD 8453 1987 中 2. 2 进行:4. 1.3氯化镁(MgCl,)
按 GB 8453- 1987 中 2. 4 进行4.1.4碱金属氣化物以C1计)
按 GB 8453 - 1987 中 2. 5 进行,4.2轻烧氧化镁
4.2.1外观质量
目测法观测颜色和结块情况,
4.2.2氧化镁
按GB/T176—1996中第22章避行。指
合格品(C)
.4.2.3游离氧化钙
按GB/T176-1996中28.2进行。
4.2.4烧失量
按GB/T176—1996中第7章进行。4.2.5细度
按GB/T1345进行。
4.2.6胶砂强度
4.2.6.1材料
轻烧氧化镁试样应充分拌匀。
标准砂应符合 GB 178 的质量要求。IC/T.449-2000
氧化镁溶液:必须用洁净的谈水将工业氧化镁配制戒密度为1.2kg/L的溶液4. 2. 6. 2 胶砂流动度
胶砂流动度测定是为了确定镁质胶凝材料中氯化镁溶液和轻烧氧化镁的比值N4. 2. 6. 2. 1 胶砂制备
一次试验称取的材料及数量如下:轻烧氧化镁:280g
砂:840g
氯化镁落液:按估计量加入。
4.2.6.2.2流动避的测定
按GB/T2419进行,当胶砂底部扩散直径达120~135mm时,胶砂中氟化镁溶液和轻烧氧化镁的质量比即为N。
4.2.6.3试体的制备
4. 2. 6. 3. 1
每成型
巨条试体需称量的材料及用量如下:轻烧氧化镁:480g
砂:1440g
氯化镁溶液:480×N(g)
4.2.6.3.2试体成型
按GB/T177一1985中第4章进行,成型40mm×40mm×160mm试体二组。4.2.6.3.3试体养护
在温度20℃士3℃,相对湿度(70士5)%的条件下养护1天后脱模。并在此条件下继续养护。4.2. 6. 4强度试验
按QB/T177-1985中第6章进行1天、3天抗折、抗压强度的测定。4. 2. 7 疑结时间和安定性
4.2.7.1材料
见 4. 2. 6. 1 。
4.2.7.2配比
轻烧氧化镁:500g
氯化镁溶液:500×N(g)
4.2.7.3养护
同 4. 2. 6. 3. 3。
4.2.7.4凝结时间的测定
城36-100出筑7薪行
p
4.2.7.5安定性的测定
JC/T 4 4 9--20 0 0
按GB/T1346一1989中第8章试饼法进行试饼成型。养护(24士2>h脱模,继续养护3天后用肉眼观察无裂纹,用直尺检测无弯曲,划安定性合格,5检验规则
5.1检验分类
5.1.1出厂检验
轻烧氧化镁:外观质量、氧化镁、CaO、烧失量、细度、凝结时问、安定性、强度。工业氟化镁·外观质置、氧化镁、钙离手、碱金属氟化物5.1.2型式检验
5. 1. 2. 1
型式检验的规定
当有下列情况之一时,应进行型式检验:a)新矿区投产及生产工艺有重大的改变时;b)停产半年以上,恢复生产时;c)出厂检验结果与上次型式检验有较大差异;d)正常生产情况下,每年进行一次e)国家质量监督机构提出要求时。5.1.2.2型式检验项目
按5. 1. 1进行。
5.2编号
同一等级的产品以100t为一编号,不足100t而超过40t时,也作为一个编号。5.3取样、留样和制样
轻烧氧化镁:每一编号为一取样单位。按GB12573进行取样和留样,每一编号共取样10kg。将样品充分混合,份成二等份,一份由生产厂接第4草规定的方法进行检验,另一份则密封保存三个月。进行化学成分检验的试样按GB/T176-1996中第6章进行制备。工业氟化镁,按GB 8453—1987中 3.3进行。5.4判定
试验结果符合第3章相应等级时,判定为该等级,若一项及一项以上技术指标不合格时,加倍取样进行试验,若仍有项技术指标不合格,则该编号产品判为该等级不合格。
5.5复验
产品出厂后三个月内,如购货单位对产品质量提出疑问或使用过程中出现与产品质有关的问题需要质量监督检验机构复验、仲裁时,用生产厂同一编号的封存样进行。若用户对产品质量有异议要求现场取样复验时,在正常运输贮存条件下,应在到货1天内提出,生产厂在接到用户要求7天内应会同用户共同取样,送质量监督检验机构检验,生产厂在规定时间内不去现场,用户可单独取样送检,结果同等有效。仲裁检验由国家指定的省级以上质量监督检验机构进行。6产品质量证明书与包装
6.1产品质量证明书
产品出厂时应向用户提供产品质量证明书其内容如下:a)产品名称:
b)标准编号;
d)等级:
e)数量:
f)试验结果:
g)注册商标;
h)生产厂名:
i)出厂日期。
6.2包装与标志
JC/T 449-200 D
6.2.1包装
轻烧氧化镁用内层塑料袋和外层编织袋的双层包装或用涂塑编织袋包装,以防止轻烧鼠化镁受潮。每包净重4kg士0.8kg或50kg士1kg,20包总重量不得少于800kg或1000kg工业氟化镁内层用塑料袋,外层用塑料编织袋或麻袋进行包装。每袋净重50kg士1kg20袋总重量不得少于1000kg。袋应结实,封口要牢固。6.2.2标志
轻烧氧化镁包装袋上必须标明:产品名称、编号、产品等级、重量、包装年月日、生产厂名。工业氯化镁包装袋上必须标明:产品名称、编号、重量、包装年月日、生产厂名。7运输与贮布
运辖中应采取防潮、防雨措施,不同等级产品应分别忙运,不得相互混杂,搬运中不应抛扔。贮存场地必须具备防潮、防雨、干焕的条件准搜搜网
w
华人民共和国建材
行业标准
镀画胶凝材料用原料
Raw materials for magnesia cementJC7T449-2000
国家建筑材料工业局标准化研究所出版发行地址:北京朝阳区管庄
邮政编码:100024
电话:657.55125
机械科学研究院标准出版中心印剧版权专有不得翻印
开本880×12301/16印张1/2字数12,0002000年9月第一版2000年9月第一-次印到印数1-500定价6.0元
窥号1150
小提示:此标准内容仅展示完整标准里的部分截取内容,若需要完整标准请到上方自行免费下载完整标准文档。
标准图片预览:





- 其它标准
- 热门标准
- 建筑材料行业标准(JC)
- JC/T613-2005 混凝土和钢筋混凝土排水管钢模
- JC248-1981 水力旋流器铸石衬里
- JC/T2548-2019 建筑固废再生砂粉
- JC/T1013-2006 盘转式压砖机
- JC255-1981 铸石粉中游离铁的试验方法
- JC253-1981 铸石制品检验、验收、标志、包装、运输规则
- JC/T460.1-2006 水泥工业用胶带斗式提升机 第1部分:型式与基本参数
- JC/T872-2000 建筑装饰用微晶玻璃
- JC/T2044-2011 墙材工业用出口拉引机
- JC/T620-2009 石灰取样方法
- JC/T833-2011 水泥工业用堆取料机
- JC/T2045-2011 墙材工业用液压顶车机
- JC250-1981 水膜除尘器铸石衬里
- JC/T863-2011 高分子防水卷材胶粘剂
- JC/T2209-2014 氧化铝陶瓷衬板耐磨管件
- 行业新闻
请牢记:“bzxz.net”即是“标准下载”四个汉字汉语拼音首字母与国际顶级域名“.net”的组合。 ©2025 标准下载网 www.bzxz.net 本站邮件:bzxznet@163.com
网站备案号:湘ICP备2025141790号-2
网站备案号:湘ICP备2025141790号-2