- 您的位置:
- 标准下载网 >>
- 标准分类 >>
- 建筑材料行业标准(JC) >>
- JC/T 225-1997 液位计用透明石英玻璃管
标准号:
JC/T 225-1997
标准名称:
液位计用透明石英玻璃管
标准类别:
建筑材料行业标准(JC)
标准状态:
现行-
发布日期:
1997-11-10 -
实施日期:
1998-04-01 出版语种:
简体中文下载格式:
.rar.pdf下载大小:
178.18 KB
替代情况:
JC/T 225-1981(1996)

点击下载
标准简介:
标准下载解压密码:www.bzxz.net
本标准规定了液位计用透明石英玻璃管的分类,要求,试验方法,检验规则及标志、包装、运输、贮存。适用于工作压力不大于6.4 M Pa且工作温度为一40^-450℃ 的低、中、高压锅护单色、多色水位表用透明石英玻璃管,也适用于石化行业相同工作条件的各种油品和非碱性物质贮液罐单色、多色液位计用透明石英玻璃管。 JC/T 225-1997 液位计用透明石英玻璃管 JC/T225-1997

部分标准内容:
原JC/T225—1981(1996)《DTS3透明石英玻璃管》已实施多年,目前这种产品的种类增加,用途扩大,原标准已不适应实际生产和使用要求,因此必须进行修订。首先本标准根据产品用途分类,将标准名称改为“液位计用透明石英玻璃管”因为这种厚壁透明石英玻璃管已不仅用于锅炉水位表,而且用于石油、化工行业贮液髓液位计上。同时,修订原标准中不适宜的各项指标,并增订多色液位计用透明石英玻璃管的指标要求,使标准提出的技术要求更科学,更全面。此外,根据GB/T1.3《产品标准编写规定》,本标准增订了液位计用透明石英玻璃管的产品分类、检验方法、检验规则、产品标志、包装、运输、贮存等条款,更好地规范液位管的生产,并为其质量检验提供依据。
本标准从实施之日起,原JC/T225—-1981(1996)作废。本标准由中国建筑材料科学研究院石英玻璃研究所提出并归口。本标准起草单位:中国建筑材料科学研究院石英玻璃研究所。本标准主要起草人:吴洁、朱明缔。487
标准授搜网
1范围
中华人民共和国建材行业标准
液位计用透明石英玻璃管
Transparent quartz glass tubes for liquid gaugeJC225-1997
代替JC/T225--1981(1996)
本标准规定了液位计用透明石英玻璃管的分类,要求,试验方法,检验规则及标志、包装、运输、贮存。适用于工作压力不大于6.4MPa且工作温度为一40~450C的低、中、高压锅炉单色、多色水位表用透明石英玻璃管,也适用于石化行业相同工作条件的各种油品和非碱性物质贮液罐单色、多色液位计用透明石英玻璃管。
2引用标准
下列标准所包含的条文,通过在本标准中引用而构成为本标准的条文。本标准出版时,所示版本均为有效。所有标准都会被修订,使用本标准的各方应探讨使用下列标准最新版本的可能性。GB/T3284-1993石英玻璃化学成份分析方法GB/T5949—1986透明石英玻璃气泡、气线检验方法GB/T10701—1989石英玻璃热稳定性检验方法JC/T230—1993石英玻璃管耐内压力检验方法3定义
本标准采用下列定义。
3.1杂质:石英玻璃组成中SiO,以外的组分。3.2炸裂:石英玻璃管经急冷急热而产生破裂或裂纹。3.3水迹:石英玻璃管加工中,管壁的水蒸发后残留的半透明白色固体痕迹。3.4云雾:石英玻璃管加工中,所产生的SiO,挥发物,冷凝后附着在表壁上的白色不透明物。3.5沟棱:石英玻璃管表面沿长度方向形成凹凸不平的沟槽和凸棱。3.6晶纹:电熔透明石英玻璃管外壁上在拉制过程中形成的人”字和”字形微小炸纹。3.7气线:石英玻璃管壁内或表面的线状梭形空穴。3.8破皮气线:暴露在石英玻璃管内外表面的开口气线,其边缘锋利。3.9色线:原料中的杂质熔化后在石英玻璃管上形成的有颜色的线条。3.10麻点:粒状杂质粘附在石英玻璃管壁上,经清除后残留的小斑痕。4产品分类
产品分类见表1。
国家建筑材料工业局1997-11-10批准488
标准搜零网
义标准行业餐科免费下载
1998-04-01实施
5要求
分类方法
按承受的
工作压力分
按成像
原理分
JC 225—1997
表1产品分类
产品名称
低压液位管
中、高压液位管
单色液位管
多色液位管
简要说明
工作压力P<25MPa
工作压力为2.5MPa≤P≤6.4MPa
内孔为圆形,只能显示液位
内孔为异形,利用边、角成像,气液界面显示清晰
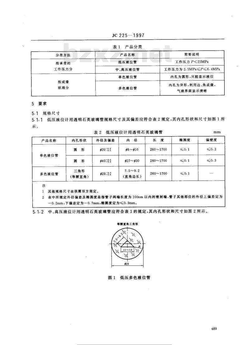
5.1规格尺寸
5.1.1低压液位计用透明石英玻璃管规格尺寸及其偏差应符合表2规定,其内孔形状和尺寸如图1所示。
产品名称
单色液位管
多色液位管
内孔形状
三角形
(等腰直角)
低压液位计用透明石英玻璃管
外径及偏差
$20=8:7
29=8:2
$27$30
(直角边长)
260~1700
260~1700
260~1700
椭圆度
偏壁度
其他规格尺寸由供需双方商定。表中所规定外径偏差及椭圆度是指管子两端长度为100nm以内的密封端,管子其他部位的外径上偏差定为2
一0.2mm,下偏差定为一0.7mm,圆度定为≤0.3mm。5.1.2中、高压液位计用透明石英玻璃管应符合表3的规定,其内孔形状和尺寸如图2所示。等腰直角三角形
低压多色液位管
标准搜零网bzxZ.net
证低行带
产品名称
单色液位管
等腰直角三角形
内孔形状
正方形
(直角)
三角形
(等腰直角)
正方形
(直角)
正方形
JC225—1997
正方形
未注圆角为 R1~2
直角扇形
图2中、高压多色液位管
表3中、高压液位计用透明石英玻璃管外径及偏差
$24二8:3
$24=8:2
424=8:
29二8:1
$24二8:2
$29=81
1其他规格尺寸由供需双方商定。内径
$8~10
(边长)
(边长)
(直角边长)
(边长)
8~10
(边长)
260~1000
260~~1700
260~1700
260~1300
260~1300
260~1300
直角嘲形
椭圆度
偏壁度
2表中所规定外径偏差及圆度是指管子两增长度为100mm以内的密封端,管子其他部位的外径上偏差定为一0.2mm,下偏差定为一0.7mm,椭圆度定为<0.3mm。5.1.3弯曲度:不得超过管长的千分之一。5.2外观指标
5.2.1管子内外壁要光滑清洁,不允许有水迹、云雾。表面沟棱手感、视觉不明显。5.2.2不充允许有晶纹、裂纹,允许有一条轻微色线。4.90
示准造零
水免费
5.2.3不允许有穿透性气线、破皮气线。5.2.4管子端面应当平整,倒角0.5mm。JC 225—1997
管子的气线、麻点应不大于表4规定。表4液位计用透明石英玻璃管气线、麻点指标产品名称
气线、麻点
气线密度
长气线
最大气线密度,条/cm2
其中长度大于5mn的气线密度,条/cm长度范围.mm
允许条数/m
气线允许最大宽度,mm
麻点,个/100cm2
5.3化学性能
铁、镁、钙、铝、钛五种杂质含量≤100×10-6。5.4物理性能
5.4.1热稳定性
低压液位管
30~100
中、高压液位管
试样在650C至20C士2℃温度急变条件下试验3次,不产生炸裂。取两组试样(每组三个,分别从三支管子上截取),一组试验,一组备用。若有一个试样出现裂纹、缺口,应取另一组重新试验。若一组中有两个试样产生上述缺陷,则不允许重检。5.4.2耐内压力
液位计用透明石英玻璃管的耐内压力应为实际工作压力的2倍。5.4.3应力
管材在应力仪中观察,正面中部只允许呈现紫红色。6检验方法
6.1规格尺寸
对管材的规格尺寸及偏差如外径、内径、椭圆度、偏壁度等的测量采用分度值不大于0.02mm的游标卡尺等量具进行测量;管材长度采用分度值为1mm的直尺测量。6.1.1长度
用分度值为1mm的直尺沿管长方向测量。6.1.2外径与椭圆度
测量管材两端及中部的外径,同一截面上测量点不少于3个,取最大值减基本尺寸所得代数差为外径上偏差,最小值减基本尺寸所得代数差为外径下偏差,最大值减最小值所得代数差为椭圆度值。6.1.3内径及内孔边长
测量管材两端内径,同一截面上测量点不小于3个,取平均值。测量多色液位管两端内孔每边的长度。6.1.4壁厚与偏壁度
测量管材两端壁厚,同一截面上测量点不小于3个,取最大值减最小值所得代数差为偏壁度值。6.1.5弯曲度
将管材平放在平台上,使两端紧贴平台平面,转动管子,用塞尺测量管子拱起部位与平面之间的最大间隙。
标准搜麦网.bz80
0.00m冬标准行业餐科免费下载
6.2外观检验
年观缺陷用目测检查。
气线按GB/T5949检验。
6.3理化性能
JC2251997
6.3.1杂质含量按GB/T3284规定进行分析。6.3.2热稳定性按GB/T10701规定检验。6.3.3耐内压力按JC/T230检验。6.3.4应力:将整支管材平放在应力仪台面中心位置,反复旋转试样,使视场中出现亮度最大的于涉色,观察管子正同中部呈现的颜色。7检验规则
7.1检验分类
7.1.1出厂检验:检验项目包括外观指标、规格尺寸及偏差、应力和耐内压力。7.1.2型式检验:检验项目包括出厂检验各项目以及杂质含量、热稳定性。有下列情况之一时,应进行型式检验:a)新产品开发或老产品转厂生产的试制定型鉴定;b)正式生产后,如结构、原材料或工艺有较大改变时;c)正常生产时,每年至少1次型式检验;d)产品停产3个月后,恢复生产时,e)出厂检验结果与上次型式检验有较大差异时;f)国家质量监督机构提出进行型式检验要求时。7.2抽样与组批规则
7.2.1组批:同种原料、同种工艺生产的产品,以100kg为一批,不足100kg仍以一批计算。7.2.2抽样:采取随机取样,每批石英玻璃管任意抽取10支进行外观指标、规格尺寸及偏差检验,从符合要求的管子中任意抽取2~4支进行理化性能检验(出厂检验时抽取2支,型式检验时抽取4支)。7.3判定规则
7.3.1外观指标、规格尺寸及偏差有2支不符合要求,判该批产品外观指标、规格尺寸及偏差不合格。7.3.24项理化性能指标有1项不符合要求,判该批产品理化性能为不合格。7.3.3外观指标、规格尺寸及偏差、4项理化性能均符合要求,判该批产品为合格。8标志、包装、运输和贮存
8.1每批石英玻璃管出厂应附有合格证,合格证上注明产品名称、生产厂名、商标、产品规格、生产日期(或生产批号)、出厂日期(或编号)及检验员编号。8.2每批石英玻璃管出厂应附有产品使用说明书,写明产品理化性能指标、注意事项。8.3每支石英玻璃管应用塑料薄膜封装,然后装人木箱或纸箱,必要时应填充泡沫塑料。两支以上包装的必须避免运输中的碰撞。产品包装随带产品合格证、产品说明书、装箱单。装箱单应注明数量或重量、装箱日期等。包装箱上应贴有储运图示标志如“玻璃制品”“小心轻放”、“请勿倒置”、“防潮”等字样和图形,并注明产品名称。
8.4产品装、卸、运都要轻拿轻放,不能扔摔、碰撞。8.5产品应贮存在无有害气体、干燥清洁的室内,按规格分类存放,防压损。492
代得搜网
注行业资料克费下载
小提示:此标准内容仅展示完整标准里的部分截取内容,若需要完整标准请到上方自行免费下载完整标准文档。
本标准从实施之日起,原JC/T225—-1981(1996)作废。本标准由中国建筑材料科学研究院石英玻璃研究所提出并归口。本标准起草单位:中国建筑材料科学研究院石英玻璃研究所。本标准主要起草人:吴洁、朱明缔。487
标准授搜网
1范围
中华人民共和国建材行业标准
液位计用透明石英玻璃管
Transparent quartz glass tubes for liquid gaugeJC225-1997
代替JC/T225--1981(1996)
本标准规定了液位计用透明石英玻璃管的分类,要求,试验方法,检验规则及标志、包装、运输、贮存。适用于工作压力不大于6.4MPa且工作温度为一40~450C的低、中、高压锅炉单色、多色水位表用透明石英玻璃管,也适用于石化行业相同工作条件的各种油品和非碱性物质贮液罐单色、多色液位计用透明石英玻璃管。
2引用标准
下列标准所包含的条文,通过在本标准中引用而构成为本标准的条文。本标准出版时,所示版本均为有效。所有标准都会被修订,使用本标准的各方应探讨使用下列标准最新版本的可能性。GB/T3284-1993石英玻璃化学成份分析方法GB/T5949—1986透明石英玻璃气泡、气线检验方法GB/T10701—1989石英玻璃热稳定性检验方法JC/T230—1993石英玻璃管耐内压力检验方法3定义
本标准采用下列定义。
3.1杂质:石英玻璃组成中SiO,以外的组分。3.2炸裂:石英玻璃管经急冷急热而产生破裂或裂纹。3.3水迹:石英玻璃管加工中,管壁的水蒸发后残留的半透明白色固体痕迹。3.4云雾:石英玻璃管加工中,所产生的SiO,挥发物,冷凝后附着在表壁上的白色不透明物。3.5沟棱:石英玻璃管表面沿长度方向形成凹凸不平的沟槽和凸棱。3.6晶纹:电熔透明石英玻璃管外壁上在拉制过程中形成的人”字和”字形微小炸纹。3.7气线:石英玻璃管壁内或表面的线状梭形空穴。3.8破皮气线:暴露在石英玻璃管内外表面的开口气线,其边缘锋利。3.9色线:原料中的杂质熔化后在石英玻璃管上形成的有颜色的线条。3.10麻点:粒状杂质粘附在石英玻璃管壁上,经清除后残留的小斑痕。4产品分类
产品分类见表1。
国家建筑材料工业局1997-11-10批准488
标准搜零网
义标准行业餐科免费下载
1998-04-01实施
5要求
分类方法
按承受的
工作压力分
按成像
原理分
JC 225—1997
表1产品分类
产品名称
低压液位管
中、高压液位管
单色液位管
多色液位管
简要说明
工作压力P<25MPa
工作压力为2.5MPa≤P≤6.4MPa
内孔为圆形,只能显示液位
内孔为异形,利用边、角成像,气液界面显示清晰
5.1规格尺寸
5.1.1低压液位计用透明石英玻璃管规格尺寸及其偏差应符合表2规定,其内孔形状和尺寸如图1所示。
产品名称
单色液位管
多色液位管
内孔形状
三角形
(等腰直角)
低压液位计用透明石英玻璃管
外径及偏差
$20=8:7
29=8:2
$27$30
(直角边长)
260~1700
260~1700
260~1700
椭圆度
偏壁度
其他规格尺寸由供需双方商定。表中所规定外径偏差及椭圆度是指管子两端长度为100nm以内的密封端,管子其他部位的外径上偏差定为2
一0.2mm,下偏差定为一0.7mm,圆度定为≤0.3mm。5.1.2中、高压液位计用透明石英玻璃管应符合表3的规定,其内孔形状和尺寸如图2所示。等腰直角三角形
低压多色液位管
标准搜零网bzxZ.net
证低行带
产品名称
单色液位管
等腰直角三角形
内孔形状
正方形
(直角)
三角形
(等腰直角)
正方形
(直角)
正方形
JC225—1997
正方形
未注圆角为 R1~2
直角扇形
图2中、高压多色液位管
表3中、高压液位计用透明石英玻璃管外径及偏差
$24二8:3
$24=8:2
424=8:
29二8:1
$24二8:2
$29=81
1其他规格尺寸由供需双方商定。内径
$8~10
(边长)
(边长)
(直角边长)
(边长)
8~10
(边长)
260~1000
260~~1700
260~1700
260~1300
260~1300
260~1300
直角嘲形
椭圆度
偏壁度
2表中所规定外径偏差及圆度是指管子两增长度为100mm以内的密封端,管子其他部位的外径上偏差定为一0.2mm,下偏差定为一0.7mm,椭圆度定为<0.3mm。5.1.3弯曲度:不得超过管长的千分之一。5.2外观指标
5.2.1管子内外壁要光滑清洁,不允许有水迹、云雾。表面沟棱手感、视觉不明显。5.2.2不充允许有晶纹、裂纹,允许有一条轻微色线。4.90
示准造零
水免费
5.2.3不允许有穿透性气线、破皮气线。5.2.4管子端面应当平整,倒角0.5mm。JC 225—1997
管子的气线、麻点应不大于表4规定。表4液位计用透明石英玻璃管气线、麻点指标产品名称
气线、麻点
气线密度
长气线
最大气线密度,条/cm2
其中长度大于5mn的气线密度,条/cm长度范围.mm
允许条数/m
气线允许最大宽度,mm
麻点,个/100cm2
5.3化学性能
铁、镁、钙、铝、钛五种杂质含量≤100×10-6。5.4物理性能
5.4.1热稳定性
低压液位管
30~100
中、高压液位管
试样在650C至20C士2℃温度急变条件下试验3次,不产生炸裂。取两组试样(每组三个,分别从三支管子上截取),一组试验,一组备用。若有一个试样出现裂纹、缺口,应取另一组重新试验。若一组中有两个试样产生上述缺陷,则不允许重检。5.4.2耐内压力
液位计用透明石英玻璃管的耐内压力应为实际工作压力的2倍。5.4.3应力
管材在应力仪中观察,正面中部只允许呈现紫红色。6检验方法
6.1规格尺寸
对管材的规格尺寸及偏差如外径、内径、椭圆度、偏壁度等的测量采用分度值不大于0.02mm的游标卡尺等量具进行测量;管材长度采用分度值为1mm的直尺测量。6.1.1长度
用分度值为1mm的直尺沿管长方向测量。6.1.2外径与椭圆度
测量管材两端及中部的外径,同一截面上测量点不少于3个,取最大值减基本尺寸所得代数差为外径上偏差,最小值减基本尺寸所得代数差为外径下偏差,最大值减最小值所得代数差为椭圆度值。6.1.3内径及内孔边长
测量管材两端内径,同一截面上测量点不小于3个,取平均值。测量多色液位管两端内孔每边的长度。6.1.4壁厚与偏壁度
测量管材两端壁厚,同一截面上测量点不小于3个,取最大值减最小值所得代数差为偏壁度值。6.1.5弯曲度
将管材平放在平台上,使两端紧贴平台平面,转动管子,用塞尺测量管子拱起部位与平面之间的最大间隙。
标准搜麦网.bz80
0.00m冬标准行业餐科免费下载
6.2外观检验
年观缺陷用目测检查。
气线按GB/T5949检验。
6.3理化性能
JC2251997
6.3.1杂质含量按GB/T3284规定进行分析。6.3.2热稳定性按GB/T10701规定检验。6.3.3耐内压力按JC/T230检验。6.3.4应力:将整支管材平放在应力仪台面中心位置,反复旋转试样,使视场中出现亮度最大的于涉色,观察管子正同中部呈现的颜色。7检验规则
7.1检验分类
7.1.1出厂检验:检验项目包括外观指标、规格尺寸及偏差、应力和耐内压力。7.1.2型式检验:检验项目包括出厂检验各项目以及杂质含量、热稳定性。有下列情况之一时,应进行型式检验:a)新产品开发或老产品转厂生产的试制定型鉴定;b)正式生产后,如结构、原材料或工艺有较大改变时;c)正常生产时,每年至少1次型式检验;d)产品停产3个月后,恢复生产时,e)出厂检验结果与上次型式检验有较大差异时;f)国家质量监督机构提出进行型式检验要求时。7.2抽样与组批规则
7.2.1组批:同种原料、同种工艺生产的产品,以100kg为一批,不足100kg仍以一批计算。7.2.2抽样:采取随机取样,每批石英玻璃管任意抽取10支进行外观指标、规格尺寸及偏差检验,从符合要求的管子中任意抽取2~4支进行理化性能检验(出厂检验时抽取2支,型式检验时抽取4支)。7.3判定规则
7.3.1外观指标、规格尺寸及偏差有2支不符合要求,判该批产品外观指标、规格尺寸及偏差不合格。7.3.24项理化性能指标有1项不符合要求,判该批产品理化性能为不合格。7.3.3外观指标、规格尺寸及偏差、4项理化性能均符合要求,判该批产品为合格。8标志、包装、运输和贮存
8.1每批石英玻璃管出厂应附有合格证,合格证上注明产品名称、生产厂名、商标、产品规格、生产日期(或生产批号)、出厂日期(或编号)及检验员编号。8.2每批石英玻璃管出厂应附有产品使用说明书,写明产品理化性能指标、注意事项。8.3每支石英玻璃管应用塑料薄膜封装,然后装人木箱或纸箱,必要时应填充泡沫塑料。两支以上包装的必须避免运输中的碰撞。产品包装随带产品合格证、产品说明书、装箱单。装箱单应注明数量或重量、装箱日期等。包装箱上应贴有储运图示标志如“玻璃制品”“小心轻放”、“请勿倒置”、“防潮”等字样和图形,并注明产品名称。
8.4产品装、卸、运都要轻拿轻放,不能扔摔、碰撞。8.5产品应贮存在无有害气体、干燥清洁的室内,按规格分类存放,防压损。492
代得搜网
注行业资料克费下载
小提示:此标准内容仅展示完整标准里的部分截取内容,若需要完整标准请到上方自行免费下载完整标准文档。

标准图片预览:





- 其它标准
- 热门标准
- 建筑材料行业标准(JC)
- JC/T972-2005 天然花岗石墓碑石
- JC934-2004 预制钢筋混凝土方桩
- JC/T862-2008 粉煤灰混凝土小型空心砌块
- JC/T209-2012 膨胀珍珠岩
- JC/T869-2000 金属面岩棉 矿渣棉夹芯板
- JC/T2078-2011 石膏装饰条
- JC/T976-2005 道桥接缝用密封胶
- JC/T588-1995 玻璃纤维导风筒基布
- JC/T1023-2007 石膏基自流平砂浆
- JC/T835-2011 水泥工业用取料机 技术条件
- JC/T639-1996 玻璃熔窑用耐火材料气泡析出率试验方法
- JC/T670-2005 矿物棉装饰吸声板
- JC/T170-2002 无碱玻璃纤维布
- JC/T335-2006 水泥工业用回转烘干机
- JC663-1997 陶瓷片密封水嘴
- 行业新闻
请牢记:“bzxz.net”即是“标准下载”四个汉字汉语拼音首字母与国际顶级域名“.net”的组合。 ©2009 标准下载网 www.bzxz.net 本站邮件:bzxznet@163.com
网站备案号:湘ICP备2023016450号-1
网站备案号:湘ICP备2023016450号-1