- 您的位置:
- 标准下载网 >>
- 标准分类 >>
- 轻工行业标准(QB) >>
- QB/T 2046-1994 工业用缝纫机 单针直线平缝缝纫机线迹收紧率的测试方法
标准号:
QB/T 2046-1994
标准名称:
工业用缝纫机 单针直线平缝缝纫机线迹收紧率的测试方法
标准类别:
轻工行业标准(QB)
标准状态:
现行-
发布日期:
1995-01-05 -
实施日期:
1995-08-01 出版语种:
简体中文下载格式:
.rar.pdf下载大小:
90.09 KB
中标分类号:
轻工、文化与生活用品>>钟表、自行车、缝纫机>>Y17缝纫机

点击下载
标准简介:
标准下载解压密码:www.bzxz.net
本标准规定了工业用单针直线平缝缝纫机(简称“平缝机”》所缝制的线迹— 301线迹的线迹收紧率的测试方法中的术语、侧试器具、测试条件和测试程序。本标准适用于平缝机的线迹收紧率的测试方法。 QB/T 2046-1994 工业用缝纫机 单针直线平缝缝纫机线迹收紧率的测试方法 QB/T2046-1994

部分标准内容:
中华人民共和国轻工行业标准
工业用缝纫机
单针直线平缝缝纫机线迹收紧率的测试方法主题内容与适用范围
QB/T2046-1994
本标准规定了工业用单针直线平缝缝纫机(简称“平缝机”1))所缝制的线迹紧率的测试方法中的术语、测试器具、测试条件和测试程序。本标准适用于平缝机的线迹收紧率的测试方法。注:1)平缝机是指机头外,还具有台板、机架及装有电动机、线架和绕线器等的整套机器。2引用标准
GB/T4515线迹的分类和术语
3术语
线迹收紧率:线迹(图1)的针线和梭线的收紧程度。针线
一缝料
4测试器具
精度为0.5mm的钢直尺;
b,精度为0.02mm的游标卡尺。
5测试方法
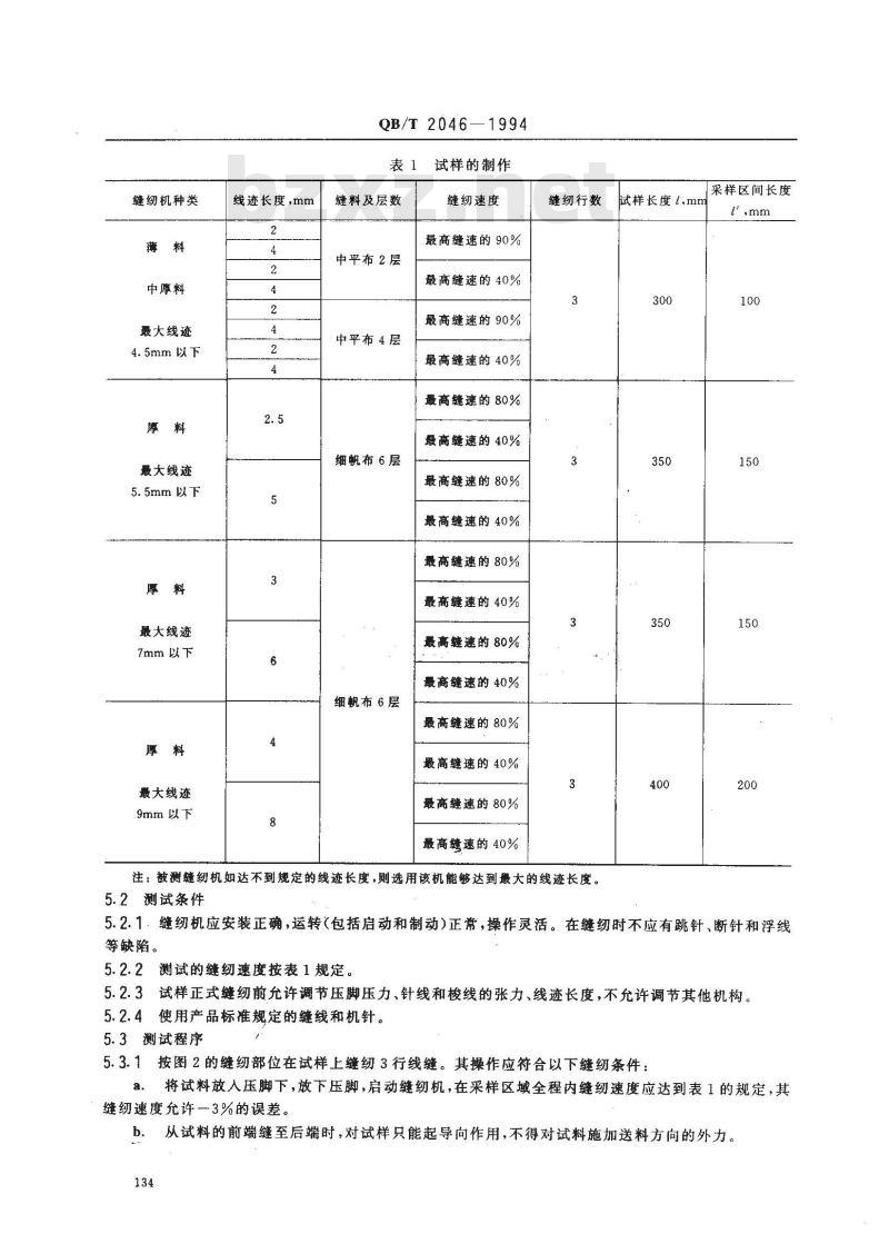
5.1试料的制作
试料的制作按图2和表1的规定。特殊缝料的缝纫机按产品标准规定。缝纫位
中国轻工总会1995-01-05批准
301线迹的线迹收
1995-08-01实施
缝纫机种类
中厚料
最大线迹
4.5mm以下
最大线迹
5.5mm以下
最大线迹
7mm 以下
最大线迹
9mm 以下
线迹长度,mm
QB/T 2046—1994
缝料及层数
中平布2层
中平布4层
试样的制作
缝纫速度
最高缝速的90%
最高缝速的40%
最高缝速的 90%
最高缝速的 40%
最高续速的 80%
最高缝速的 40%
细帆布 6层
最高缝速的80%
最高鐘速的40%
最高缝速的 80%
最高缝速的 40%
最高继速的 80%
最高缝速的 40%
细帆布 6层
最高缝速的80%
最高缝速的40%
最高键速的 80%
最高缝速的40%
缝纫行数
注:被测缝纫机如达不到规定的线迹长度,则选用该机能够达到最大的线迹长度。5.2测试条件
试样长度1,mm
采样区间长度
5.2.1:缝纫机应安装正确,运转(包括启动和制动)正常,操作灵活。在缝纫时不应有跳针、断针和浮线等缺陷。
5.2.2测试的缝纫速度按表1规定。试样正式缝纫前允许调节压脚压力、针线和梭线的张力、线迹长度,不允许调节其他机构。5.2.3
使用产品标准规定的缝线和机针。5.2.4
5.3测试程序
5.3.1按图2的缝纫部位在试样上缝纫3行线缝。其操作应符合以下缝纫条件:将试料放人压脚下,放下压脚,启动缝纫机,在采样区域全程内缝纫速度应达到表1的规定,其a.
缝纫速度充许3%的误差。
从试料的前端缝至后端时,对试样只能起导向作用,不得对试料施加送料方向的外力。b.
5.4测量及计算方法
5.4.1试样厚度的测定
QB/T 2046--1994
在图2的~组试样上在采样区间内测量5个部位的厚度,求取它的平均值(取到小数点后2位)。5.4.2针线和梭线长度的测定
a.把按照5.3.1条缝纫后的试样放在平台上,在自然状态下在图2的采样区内选取20个线迹,在确定选取的部位上划二条线,第一条线划在第1针孔与第2针孔中间,第二条线划在第21针孔与第22针孔中间,然后如图3所示将试样剪成被测样本。按上述方法每种规格做3件。选取20个线迹
b,为了容易地拆下缝线,应在缝纫部位附近剪去多余缝料,但注意不要损伤缝线,然后,从试样上轻轻地取出针线和梭线。
用手指轻轻地按着缝线,使缝线笔直但不要拉伸它,然后用0.5mm精度的钢直尺测量针线和c.此内容来自标准下载网
梭线的长度。
5.4.3计算方法
a。按式(1)计算线耗率,并取3块试料线耗率的平均值(到整数位为止)。La
式中:α——线耗率,%;
La—-针线的长度,mm;
Lu-—梭线的长度,mm。
(1)
b.按式(2)、式(3)和式(4)计算针线、梭线以及试料的收紧率,并求出3块试料的平均值(到整数位为止)。
式中:S.采样长度,mm,
n—针数;
一组试料的平均厚度,mm;
β针线的收紧率,%;
β-梭线的收紧率,% ;
β.-试料的收紧率,%。
5.5测试记录
测试记录应包括下列内容:
本标准的编号:
被测缝纫机的型号及编号;
La+L—2S
β.+β—100
(2)
(3)
QB/T2046--1994
试料、缝线和机针的规格,试料层数;縫纫机测试速度;
针线、梭线的张力,挑线簧强度,压脚压力,线迹长度;线耗率,针线、梭线和试料收紧率;制造广厂名;
测试年、月、日;
测试者姓名。
附加说明:
本标准由中国轻工总会质量标准部提出。本标准由全国缝纫机标准化中心归口。本标准由上海市缝纫机研究所负资起草。本标准主要起草人周鹤鸣、宋尔为。本标准非等效采用日本工业标准JISB9056—1986《工业用缝纫机136
线紧率测试方法》。
小提示:此标准内容仅展示完整标准里的部分截取内容,若需要完整标准请到上方自行免费下载完整标准文档。
工业用缝纫机
单针直线平缝缝纫机线迹收紧率的测试方法主题内容与适用范围
QB/T2046-1994
本标准规定了工业用单针直线平缝缝纫机(简称“平缝机”1))所缝制的线迹紧率的测试方法中的术语、测试器具、测试条件和测试程序。本标准适用于平缝机的线迹收紧率的测试方法。注:1)平缝机是指机头外,还具有台板、机架及装有电动机、线架和绕线器等的整套机器。2引用标准
GB/T4515线迹的分类和术语
3术语
线迹收紧率:线迹(图1)的针线和梭线的收紧程度。针线
一缝料
4测试器具
精度为0.5mm的钢直尺;
b,精度为0.02mm的游标卡尺。
5测试方法
5.1试料的制作
试料的制作按图2和表1的规定。特殊缝料的缝纫机按产品标准规定。缝纫位
中国轻工总会1995-01-05批准
301线迹的线迹收
1995-08-01实施
缝纫机种类
中厚料
最大线迹
4.5mm以下
最大线迹
5.5mm以下
最大线迹
7mm 以下
最大线迹
9mm 以下
线迹长度,mm
QB/T 2046—1994
缝料及层数
中平布2层
中平布4层
试样的制作
缝纫速度
最高缝速的90%
最高缝速的40%
最高缝速的 90%
最高缝速的 40%
最高续速的 80%
最高缝速的 40%
细帆布 6层
最高缝速的80%
最高鐘速的40%
最高缝速的 80%
最高缝速的 40%
最高继速的 80%
最高缝速的 40%
细帆布 6层
最高缝速的80%
最高缝速的40%
最高键速的 80%
最高缝速的40%
缝纫行数
注:被测缝纫机如达不到规定的线迹长度,则选用该机能够达到最大的线迹长度。5.2测试条件
试样长度1,mm
采样区间长度
5.2.1:缝纫机应安装正确,运转(包括启动和制动)正常,操作灵活。在缝纫时不应有跳针、断针和浮线等缺陷。
5.2.2测试的缝纫速度按表1规定。试样正式缝纫前允许调节压脚压力、针线和梭线的张力、线迹长度,不允许调节其他机构。5.2.3
使用产品标准规定的缝线和机针。5.2.4
5.3测试程序
5.3.1按图2的缝纫部位在试样上缝纫3行线缝。其操作应符合以下缝纫条件:将试料放人压脚下,放下压脚,启动缝纫机,在采样区域全程内缝纫速度应达到表1的规定,其a.
缝纫速度充许3%的误差。
从试料的前端缝至后端时,对试样只能起导向作用,不得对试料施加送料方向的外力。b.
5.4测量及计算方法
5.4.1试样厚度的测定
QB/T 2046--1994
在图2的~组试样上在采样区间内测量5个部位的厚度,求取它的平均值(取到小数点后2位)。5.4.2针线和梭线长度的测定
a.把按照5.3.1条缝纫后的试样放在平台上,在自然状态下在图2的采样区内选取20个线迹,在确定选取的部位上划二条线,第一条线划在第1针孔与第2针孔中间,第二条线划在第21针孔与第22针孔中间,然后如图3所示将试样剪成被测样本。按上述方法每种规格做3件。选取20个线迹
b,为了容易地拆下缝线,应在缝纫部位附近剪去多余缝料,但注意不要损伤缝线,然后,从试样上轻轻地取出针线和梭线。
用手指轻轻地按着缝线,使缝线笔直但不要拉伸它,然后用0.5mm精度的钢直尺测量针线和c.此内容来自标准下载网
梭线的长度。
5.4.3计算方法
a。按式(1)计算线耗率,并取3块试料线耗率的平均值(到整数位为止)。La
式中:α——线耗率,%;
La—-针线的长度,mm;
Lu-—梭线的长度,mm。
(1)
b.按式(2)、式(3)和式(4)计算针线、梭线以及试料的收紧率,并求出3块试料的平均值(到整数位为止)。
式中:S.采样长度,mm,
n—针数;
一组试料的平均厚度,mm;
β针线的收紧率,%;
β-梭线的收紧率,% ;
β.-试料的收紧率,%。
5.5测试记录
测试记录应包括下列内容:
本标准的编号:
被测缝纫机的型号及编号;
La+L—2S
β.+β—100
(2)
(3)
QB/T2046--1994
试料、缝线和机针的规格,试料层数;縫纫机测试速度;
针线、梭线的张力,挑线簧强度,压脚压力,线迹长度;线耗率,针线、梭线和试料收紧率;制造广厂名;
测试年、月、日;
测试者姓名。
附加说明:
本标准由中国轻工总会质量标准部提出。本标准由全国缝纫机标准化中心归口。本标准由上海市缝纫机研究所负资起草。本标准主要起草人周鹤鸣、宋尔为。本标准非等效采用日本工业标准JISB9056—1986《工业用缝纫机136
线紧率测试方法》。
小提示:此标准内容仅展示完整标准里的部分截取内容,若需要完整标准请到上方自行免费下载完整标准文档。

标准图片预览:




- 其它标准
- 热门标准
- 轻工行业标准(QB)
- QB/T2485-2000 香皂
- QB/T5396-2019 水晶自动研磨机
- QB/T1558.3-2017 台虎钳多用台虎钳
- QB/T2686-2005 马铃薯片
- QB/T1975—2004 护发素
- QB/T2894-2007 丙烯腈-丁二烯-苯乙烯(ABS)色母料
- QB/T2896-2007 纸和纸板湿拉毛和湿排 斥的测定
- QB/T5287一2018 口腔清洁护理用品牙膏用美洲大蠊提取物
- QB/T5201-2017 冰衬疫苗保存箱
- QB/T2961-2017 美工刀
- QB/T4428-2012 电动自行车用锂离子电池产品规格尺寸
- QB/T5281-2018 数显花洒
- QB/T5033-2017 藤椅
- QB/T4328-2012 电子鼓用音箱通用技术条件
- QB/T2601-2013 体育场馆公共座椅
- 行业新闻
请牢记:“bzxz.net”即是“标准下载”四个汉字汉语拼音首字母与国际顶级域名“.net”的组合。 ©2009 标准下载网 www.bzxz.net 本站邮件:bzxznet@163.com
网站备案号:湘ICP备2023016450号-1
网站备案号:湘ICP备2023016450号-1