- 您的位置:
- 标准下载网 >>
- 标准分类 >>
- 轻工行业标准(QB) >>
- QB/T 3737.1-1999 民用、建筑灯具玻璃罩口径尺寸
- 标准号: - QB/T 3737.1-1999
- 标准名称: - 民用、建筑灯具玻璃罩口径尺寸
- 标准类别: - 轻工行业标准(QB)
- 标准状态: 已作废
- 
          	发布日期: 1999-04-21
- 
		 实施日期: 1999-04-21
- 
          	作废日期: 2008-01-23
- 出版语种: 简体中文
- 下载格式: .rar.pdf
- 下载大小: 73.18 KB
 标准简介/下载
标准简介/下载点击下载
标准简介:
										 标准下载解压密码:www.bzxz.net
					 					 
						 
	        
	      其他材质制成的民用、建筑灯具透明罩可参照本标准执行。本标准图未注尺寸按设计要求具体确定。尺寸单位 :mm QB/T 3737.1-1999 民用、建筑灯具玻璃罩口径尺寸 QB/T3737.1-1999
 标准内容
标准内容部分标准内容:
					
					中华人民共和国轻工行业标准
民用、建筑灯具玻璃罩口径尺寸Glass lampshadefor civil useand building calibre size
QB/T 3737.11999
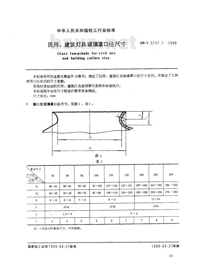
本标准采用优选数化整值R10数列,确定了民用、建筑灯具玻璃罩口径尺寸系列。并规定了几种常用口径形式的尺寸参数。
其他材质制成的民用、建筑灯具透明罩可参照本标准执行。本标准图中未注尺寸按设计要求具体确定。尺寸单位:mm
翻口型玻璃罩口径尺寸,见图1、表1。d 2
基本尺寸
尺寸范
代享圈
注:「为设计时参考尺寸,不作检验。国家轻工业局1999-04-21发布
97~101
117 ~ 121
106~110
147~151
134~139
197~202
182-188
247~252
230~236
11 ~ 14
~302
278~285
1999-04-21实施
QB/T3737.1
直口型玻璃罩口径尺寸,见图2、表2。d,
基本尺寸
尺寸范围
α60°
α>60°
58~ 61
注:当灯具玻璃罩为直筒形时,无d2、1尺寸。322
>d, + 10
117~121
147~151
QB/T3737.1-—1999
割口型玻璃罩口径尺寸,见图3、表3。d.
基本尺寸
尺守范围
98 ~ 101
117~121
QB/T3737.11999
翻边型玻璃翼口径尺寸,见图4、表4。图4
基本尺寸
尺寸范圃
di(arbr)
dz (az、b2)
197 ~201
175~181
246 ~251
224 ~231
注:①rirz为设计时参考尺寸,不作检验。300
295~301
273~281
394~402
370~379
3~~10
a, ×b
492~502
468~478bzxZ.net
②矩形口径尺寸a,和a2,b,和b2应分别在同一基本尺寸所对应的d,和d2尺寸系列中选取。324
592~602
568~578
QB/T3737.1-.1999
凸缘型玻璃翼口径尺寸,见图5、表5。d.
基本尺寸
尺寸范围
d, (aj,b)
dz (o2,b2)
97~101
117~121
105~107
注:①ri,r2,3,r4均为设计时参考尺寸,不作检验。150
147~151
133~135
7~10
a2×62
196~201
183~185
8~12
246~251
228~230
②矩形口径尺寸a,和a2,b,和bz应分别在同一基本尺寸所对应的d,和d2尺寸系列中选取。300
295~301
278~280
QB/T3737.1
附加说明:
本标准由中华人民共和国轻工业部提出,上海灯具研究所归口。本标准主要由上海市灯具研究所,上海市长虹灯具厂起草。326
小提示:此标准内容仅展示完整标准里的部分截取内容,若需要完整标准请到上方自行免费下载完整标准文档。
	 
	        
	      民用、建筑灯具玻璃罩口径尺寸Glass lampshadefor civil useand building calibre size
QB/T 3737.11999
本标准采用优选数化整值R10数列,确定了民用、建筑灯具玻璃罩口径尺寸系列。并规定了几种常用口径形式的尺寸参数。
其他材质制成的民用、建筑灯具透明罩可参照本标准执行。本标准图中未注尺寸按设计要求具体确定。尺寸单位:mm
翻口型玻璃罩口径尺寸,见图1、表1。d 2
基本尺寸
尺寸范
代享圈
注:「为设计时参考尺寸,不作检验。国家轻工业局1999-04-21发布
97~101
117 ~ 121
106~110
147~151
134~139
197~202
182-188
247~252
230~236
11 ~ 14
~302
278~285
1999-04-21实施
QB/T3737.1
直口型玻璃罩口径尺寸,见图2、表2。d,
基本尺寸
尺寸范围
α60°
α>60°
58~ 61
注:当灯具玻璃罩为直筒形时,无d2、1尺寸。322
>d, + 10
117~121
147~151
QB/T3737.1-—1999
割口型玻璃罩口径尺寸,见图3、表3。d.
基本尺寸
尺守范围
98 ~ 101
117~121
QB/T3737.11999
翻边型玻璃翼口径尺寸,见图4、表4。图4
基本尺寸
尺寸范圃
di(arbr)
dz (az、b2)
197 ~201
175~181
246 ~251
224 ~231
注:①rirz为设计时参考尺寸,不作检验。300
295~301
273~281
394~402
370~379
3~~10
a, ×b
492~502
468~478bzxZ.net
②矩形口径尺寸a,和a2,b,和b2应分别在同一基本尺寸所对应的d,和d2尺寸系列中选取。324
592~602
568~578
QB/T3737.1-.1999
凸缘型玻璃翼口径尺寸,见图5、表5。d.
基本尺寸
尺寸范围
d, (aj,b)
dz (o2,b2)
97~101
117~121
105~107
注:①ri,r2,3,r4均为设计时参考尺寸,不作检验。150
147~151
133~135
7~10
a2×62
196~201
183~185
8~12
246~251
228~230
②矩形口径尺寸a,和a2,b,和bz应分别在同一基本尺寸所对应的d,和d2尺寸系列中选取。300
295~301
278~280
QB/T3737.1
附加说明:
本标准由中华人民共和国轻工业部提出,上海灯具研究所归口。本标准主要由上海市灯具研究所,上海市长虹灯具厂起草。326
小提示:此标准内容仅展示完整标准里的部分截取内容,若需要完整标准请到上方自行免费下载完整标准文档。
 标准图片预览
标准图片预览 标准图片预览:





- 其它标准
- 热门标准
- 轻工行业标准(QB)
- QB/T1924-1993 菜刀
- QB/T5302-2018 生活用干纸巾流延聚乙烯(CPE) 包装膜
- QB/T2058-1994 照相灯泡
- QB/T1334-2013 水嘴通用技术条件
- QB/T3737.1-1999 民用、建筑灯具玻璃罩口径尺寸
- QB/T1949-2004 扬琴
- QB/T2609-2003 工业缝纫机漏油的测试方法 第1部分:平缝纫机漏油的测试方法
- QB/T2049.5-1994 电光源玻壳K型玻壳尺寸系列
- QB1872-1993 服装用皮革
- QB/T2758.2-2005 羽毛球网柱
- QB/T2858-2007 学生书袋
- QB/T2816-2006 工业用缝纫机单(双)针下送料立柱式平缝机机头
- QB/T4702-2014 稀土厚膜电路电热元件
- QB/T2530-2001 木制柜
- QB∕T2920-2018 箱包行走试验方法
- 行业新闻
请牢记:“bzxz.net”即是“标准下载”四个汉字汉语拼音首字母与国际顶级域名“.net”的组合。 ©2025 标准下载网 www.bzxz.net 本站邮件:bzxznet@163.com
网站备案号:湘ICP备2025141790号-2
网站备案号:湘ICP备2025141790号-2
