- 您的位置:
- 标准下载网 >>
- 标准分类 >>
- 国家标准(GB) >>
- GB/T 17382-1998 系列1集装箱 装卸和拴固
标准号:
GB/T 17382-1998
标准名称:
系列1集装箱 装卸和拴固
标准类别:
国家标准(GB)
英文名称:
Series 1 freight containers--Handling and securing标准状态:
已作废-
发布日期:
1998-05-18 -
实施日期:
1999-02-01 -
作废日期:
2008-10-01 出版语种:
简体中文下载格式:
.rar.pdf下载大小:
766.44 KB
标准ICS号:
货物的包装和调运>>货运调运>>55.180.01货运调运综合中标分类号:
综合>>标志、包装、运输、贮存>>A80标志、包装、运输、贮存综合
替代情况:
被GB/T 17382-2008代替采标情况:
=ISO 3874-88
点击下载
标准简介:
标准下载解压密码:www.bzxz.net
本标准规定了按最新颁布的ISO1496-1~1496-5制造和试验的系列1:集装箱的装卸和拴固方法。本标准适用于各种地表运输中集装箱重箱和空箱。 GB/T 17382-1998 系列1集装箱 装卸和拴固 GB/T17382-1998
本标准规定了按最新颁布的ISO1496-1~1496-5制造和试验的系列1:集装箱的装卸和拴固方法。本标准适用于各种地表运输中集装箱重箱和空箱。
部分标准内容:
GB/T17382
电:1998
本标准等效采用国际标准ISO3874:1988&系列1集装箱—装卸和拴固》,并根据近年来额发的IS()3874修正案以及引用标准的最新版本,在内容上作了如下的补充和改:1.根据1990年颁布的ISO3874像正案(Amendment1),补充了1AAA和1BBB箱型的内容:2.报据1990年颁布的TS()3874修正案(Amcndment2),补充了附录A“双头转锁”;3.根据TS()6346:1995的版本,替代了原来的巢装箱代码:4.根据1S0/TC104第17次大会关于\在ISO1496-1~1496-5的技术条件和试验方法中取消抓举作业的有关条款\的决议.取消广原标准“6.1拆举作业\的内容。本标准的附崇A见标准的附录。
本标准由中华人民共和国交通部提出。本标准由全国集装箱标准化技术委员会归口。本标准起草单位;上海港务局、交通部标准计望研究所。本标准主要起草人:朱福、张敬轩、毛慧苏、林教清、付逸圣、唐展东。611
GB/门17382—1998
ISO前言
国际标准化组织(IS())是各国标准团体(ISO成员团体)的世界性联合机构。国际标准的制定T作由IS各技术委员会进行的。每一成员团体都有权褥代表参加其所关心课题的技术委员会。各政府性或非政府性的国际组织,凡与1SO 有联系的+也都参加这项,].作。所有电.1.标准化方面的内容,JS()将与国际理「委员会紧密合作。
术委员会证过的国际标准,在ISC理事会采纳为国际称准以前,先分发给各成员团体征求意。按 IS()程序,至少应有75%成员团体投票通过。IS()3874国际标准是由1SO/TC104技术委员会(货运集装箱)制定的。此第四版取消和替代了第兰版(ISO3874:1984)其中形成了一种技术性懿止版使用者必须注意所有国际标准均经过反复修订,标准所引用的其他国际标准均为标准的最新版本,除非另有说明。
1范围
中华人民共和国国家标准
系列1集装箱
装卸和固
Serles 1 Freight containcrs--Handling and securingGB/T 17382—1998
eqv 1s 3874:1988
4标准规定了按最新颁布的IS0)1496-1~1496-5制造和试验的系列1:集装箱的装卸和择固方法。本标准适用于各种地妆运摘中集装箱重箱和空箱。让国际标准 1S() 1496,系列 1 :巢发箱枝术要求和试验方选包括以下几个部分:第1部分:一般货物通用巢装箱
第2.部分:保温象装箱
第3部分,装运潼体和气体的遵式集装箱第4部分:尤玉十散货集装箱
第5部分:平台式和台架式策装箱报1S(>1496老版本制造的兼装箱可能不,县有接新版本制道的相性能。2引用标准
下列标准所包含的条文·通过在本标准中引用而成为本标准的条文。本标准出版时,所示版本均为有效、所有标准都会被修订,使用本标准的各方应探讨使用下列标准最新版本的可能性。GR/T1836--1997集装籍代码、识别和标记1S0141961:1990系列1:货物集装箱技术要求和试验方法第1部分一般贷物通用集装箱3定义
本标准采用下列定义。
3.1签箱emptycontainer
只有自守质盘的集装箱,
3.2重箱loadedcontainer
除箱体自身质盘外,还装人货物的集装箱,3.3重心偏心率eccentricity of the cenire of gravity各种集装箱(空箱或重箱,有或无附件装登)的再心,与集装粘四个底角件对角线交点的儿何中心,在纵向或横向上的水平偏心率。3.4移动重心mabileentre of gravity内装有流体,干散货、最挂物,或装有在动态情况下易于移动的类似货物的集装箱的重心。4藻本要求
4.1总则
4.1.1应与所有相关的国家和国际法规的要求相一致。4.1.2对集装箱和作业中使用的任何机其、均应经过良好的维护。国象质量技术监督高1998-05-18批准1999-02-01实施
GB/T173821998
4.1.3箱门,罩布、箱盖板、树锁件、可活动可折叠的零件和任何可拆卸的装置均应予以正确地固定。4.1.4所有从事装卸和择固的人员均应接受相应的培训,特别是安全方面的培训。4.1.5明确这分策装箱是重箱还摄空箱,如无法变明,必须按重箱处理。4..6在竭风和其他外界因案影到集装箱装机械作业时,应摘外小心地装部操作。4.2箱内货物装载与卸载
4.2.1在货物装载和卸载时,应按良好的作业方式进行·使作用在集装箱上的力不超过设计的受力限度和符合4.2.2登4.2.4规定的基本要求。4. 2. 2用于装御的设备所施加给箱体的力,不应超过箱体设计的受力限度。4.2. 3装人箱内的货物和其外包装等所有物件(包搭箱内的衬垫、择固装受等)的总质垂,应不超过箱球录大的充读载货世(郎等子最大充许您版量减去空箱质量),4.2.4销内的货物应均匀分布,应便量心尽可能低且靠近箱纵横所的中心位量:一避免集装箱吊运时的过分倾斜;一避免集装销或装卸机具趣载:一避免车辆的轴载超限
—避免车辆的稳定性不够;
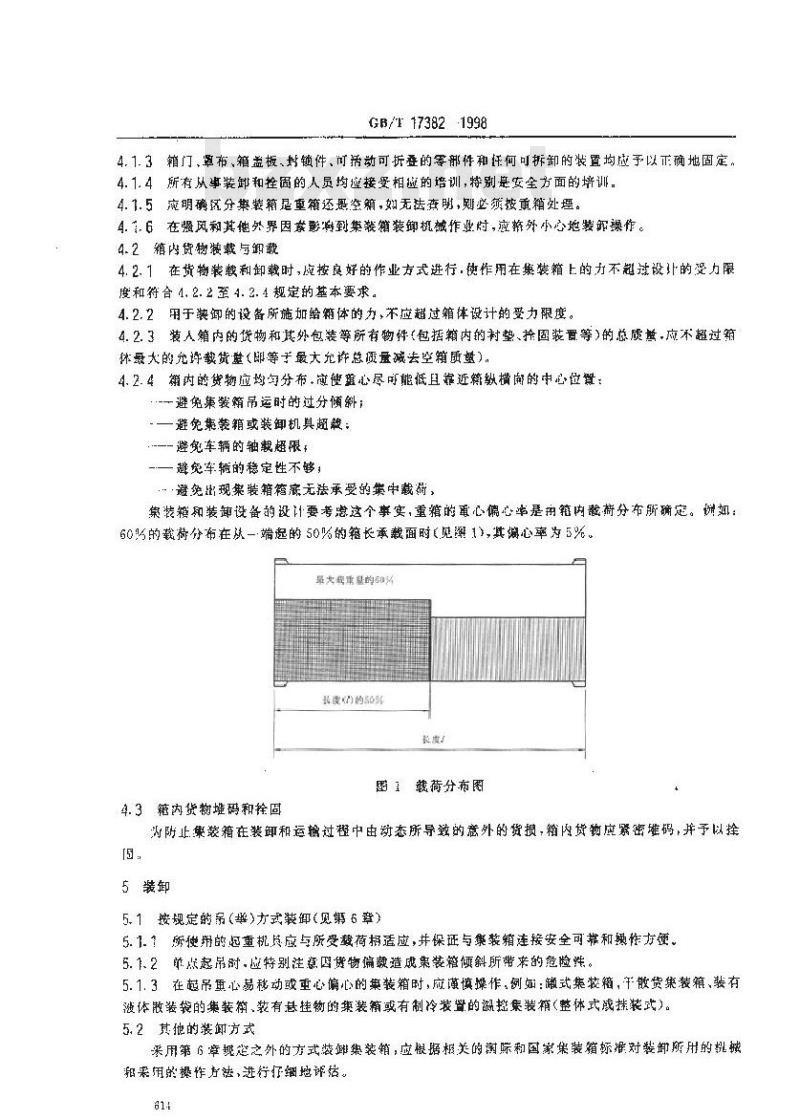
避免出现巢装箱箱底无法承受的集中裁葡,集装箱和装设备的设计要考这个事实,重箱的重心情心牢是再箱内裁分布所确定。训如:60号的载待分布在从一端起的50%的箱长承载面时(见1),其偏心率为5%。最大费量量的50%
最度<的50%
圈1莪荷分布图
4.3箱内货树堆码和徐固
为防止集装箱在装卸和运输过程中由动态所导致的意外的货损,箱内货物应紧密堆码,并予以择[5.
5装卸
5.1按规定的吊()方式装卸(见第6章)5.1.1所使册的起重机负应与所受鼓荷捐适应,并保证与集装箱连接安全可靠和操作方便。5.1、2单点起吊时.应特别注意因货物信裁造成集装箱倾斜所带来的危险性。5.1.3在起吊重心易移动或重心偏心的巢装箱时,应读慎操作,例如:懒式集装箱,货集装箱,装有波体傲装袋的集装箱、装有甚挂物的集装箱或有制冷装置的湖集装箱(整体式或抹装式)。5.2其他的装卸方式
采用第6章规定之外的方式装卸集装箱,应根据根关的国际和国家集装箱娠推对装卸所用的机械和来用的作存法,进行们细地评后。61
6规定的吊(举)方式
6.1总则
GB/T 17382—1998
6.1.16.2至6.10中所述的各种规定的吊(举)方式,见表7表1
规定的吊【举)方式汇总表
吊架项吊作业
据索顶吊作业
吊案底吊作业
测举作业(方式1)
测举作业(方2)
侧毕作业(方式 3)
端举作业(方式1)
端举作业(方式2)
叉举作业
GB/T17382—1998
6.1.2在表3至表5利丧7至表12中,“允许\和不允许”标记表示各种规定的吊(举)方式对不两觉型,尺寸的集装箱的适用性,适用性号虑了集装箱的强度、载荷、环境和操作安全等方而,注:在表3轻表和表7率表12中对集装箱美型、片寸、载荷、改计和作业条件组合时的例外情况.妆有子以考虑。在这种情况下,应群的所使用的为法是否能够确保安全和符合作业要求。表3至表12中所涉及的尺寸代码,见表2.表 2表 3 至表 12 涉及的尺寸代码公称长度
2 896 rmm(9 ft6 in)
2591n(8it6in)
注:所有集装籍公称宽度均为 2 438 mm(8 ftl ins);6.2吊架项吊作业(见图2)
2 438 mm(8 fto in)
2438mm(8fom)
6.2.1使用策装箱专用吊架由四个顶角件的顶孔起吊集装箱,起吊力应保持竖直。6.2.2起常装置必须与箱体正确连接,转锁装置仅与角件紧密接触。图2吊架顶吊作业
6.2.3尿架项吊作业适用范围:见表3。6.3吊素顶吊作业(见图3)
6. 3. 1使用非竖直力从个顾角件的顶孔起吊集装箱。6. 3.2起吊装置应与箱体正确连接。吊钩应由里向外勾挂。6.3.3吊素项昂作业适用范围见表4.注意事项:装有流体、1散货或慧挂物等集装箱重心可能会移动图3吊索顶尿作业
[!允许
A不允许
AAAjAAAAXIBB BBBBX
cxD|DX
表3吊架顶作业适用范圈
先装循类型
-般货物颂用案装箱
散顶式集装拍
千做货策装箱,无压/箱型
保温集装箱下载标准就来标准下载网
装减体和气体植式业装拍
干散货巢装箱:无压/编斗型
平台式集装箱
有完整的固定
能固定的可拆卸式角柱
1部架
有究整的可折准式端望
(竖起时)
有可折叠的角柱
(竖起时)
有完整的可折登式端壁
(折叠时)
有可折叠的角柱
(折叠时)
部结势齐全及收谢壁台塑式集装箱1)页吊:没允许使用具有延伸件(如孕宽,高形而架的集装箱品架。ISO6346
TN,TD,T
AAAIAA:AIAX
GB/T 17382
门统许
A东充许
AAAIAAM
AXBaRRBiFX
1心所会的愿病心。
吊作让造用筑
集装养类戏
各货物酒岛奥装药
验预试集装荐
一您货装箱,无压确
保服谢装箱
装液生润气体蝶式紫发精
:教货案载范:无压/器4源
平台就集装辩
有荒想的研定谢医
国定的可式社
AAAA!A
育完妞的所新查式
(轻起时)
在河齿优的角熊
(整起时)
有究将的过折姚死数整
新受)
结构生并假紫奇我量状箱
231和来起是作力药平据不小0见断。1506346
TN,TD,TG
热电电
GB/T 17382-1998
【·充许
A不允许
AAAIAA A IAX BIE BBI B
1)更心可能会出现确心
表5品素底吊作业适用范围
华装箱类型
:八一般货物通用策装箱
散顶式集装据
十散货巢装菊.光压/箱型
保温莱装箱
装液体和气体催式集装箱
下做货集装箱:无压/漏斗型
平台式集装箱
有完整的固定端确
能固定的可拆卸式角柱
有完整的可折叠的端室
(竖起时)
有呼折歪叠的角柱
(竖起时)
不装有完整的可折受式端学
(折叠时)
齐着:有可析叠的角柱
(折叠时)
上部结构齐全并散测医台柴式巢装箱2)装有流体、下放货、总其物的集装,重心可能山现移动的情况,ISt) 6346
AAA AAiA|AX|
BBB Bx cclciex D lx
2/2)
424124
GB/T17382
6.4屈索底吊作业(见图5)
GB/T 17382-1998
6n°)
m数大》
图4起吊力的适用范囤
(1D 和1DX 集装箱)
6.4.1,用吊索从四个底角件的侧孔起吊集装箱。底角件吊索连接装置必须挂在四个底角件的谢孔上、起吊作用力离底角件外侧面的距离应不大干38mml见图6)
6.4.2起吊连接装置应与箱体正确连接,6.4.3吊索底吊作业的适用范围见表 5。注意事琐:起吊杆央角么应不小于表6所示的最小值。图5吊素底吊作业
集装箱尺寸代码
TAAA+IAA:1A:IAX
BBHRBHEX
6.5侧举作业(法1)(见7)
表6箱的起吊水平夹角
图6底角件吊索装置
起吊最小水平尖角
6. 5.1使用侧举专用框架起举时,提升力作用在一侧的两个底角件上,间时还要对同侧的两个项角件予以约束
6.5.2提升和约束装置必须正确连接。6.5.3谢举作业(方法1)的适用范用见表7。6.6侧举作业(方法2)(见图8)
图7侧举作业(方法1)
GB/T 17382—1998
图8侧举作业(方法2)
6.6.1使用侧举专用框架起举时提升力作用在一侧的两个顶角件上,同时还对同侧的底角件或其上方的角柱区域施加反力(见图)。6. 6.2提升装蛋必须正确连接。6.6.3侧举作业(方法2)的适用范围见表8。注意事项:在使用该方法时,必须避免因动态效应而导致集装箱过度倾斜或受损。6.7举作业(方法3见图10)
注:尺止以表示两个反力承面的高度应接近或相等。图9底角件和角柱作用力区城分布图10侧举作业(方法3)
6.7.1使用侧举专用框架起举时,握升力作用在一侧的两个项角件上,同时间同一侧的下侧凝施加反力,为避免集装箱受换变形,所施加的反力要有一快足够尺寸的垫板进行传递。势板不应放在集装箱侧整处,
6.7. 2提升装置必须正确连接。6.7.3侧举作业(方法3)的适用范围见表9。6. 8端举作业(方法1)见图11)
6.8.1使用端举专用框果起举时,提升力作用在·端的两个底角件上,同时还要对同一端的两个顶角件予以约束,
6.8.2提升和约束装暨必须正确连接。6.8.3端举作业(方法1)的适用范用死表t0。注意中项:使用此方法时,应避免四动态效应而导致集装箱过度颜斜受损。6.9端举作业(方法2(见图12)
图11端举作业(方法1)
端带作业(方法2)
6.9.1使用端举专用框架起举时,提升力作用在一端的两个项角件中,同时还对同侧的个底角件或底角作上方的角柱城施加反力(见图13),6.9.2提升装置必须止确连接。
GB/T 173821998
6.9.3端谢举作业(方法2)的适用范用见表11。注意事项:在使用该方法时·必须避免因动态效应而导致集装箱过度须斜或受撤。6.10叉举(见图14)
注:尺寸,表示两个反力承教面的高度应接近或相等。图13底角件和角柱的作用力区域分布密14货支叉运
6.10.1使用叉车货义提升作业,仅限于按ISO1496-1规定的带有叉槽的集装箱。注意事项:在任何情况下,无论集装箱有无叉格,均禁止从集装箱箱底直接插人货叉进行叉举作业。6.10.2货叉描入叉格理想的深度应为策装箱的全部宽度,但无论如何其插人叉槽深度应不小 825 mm。
在1CC、1C和ICX集装箱上设置两套叉槽时.内侧叉植只能用于空箱装卸。6.10.3艾举作业的适用范围见表12。7著地和支承
7.1为防止集装箱册坏.集装箱在着地时要注意轻敢,严禁在狂何表面上拖推集装箱。7.2集装箱场地必须坚实乎坦,排水健好,无障碍物和突出物。在堆场上,集装箱应仅由四个底角作支承。
7.3在运输车辆上,集装箱只能由四个底角件或底部结构的中间载荷传递区支承。8场地堆码
8.1堆码对、上下集装箱的底角件与预角件必须充分接触。8.2特别要注意风的气象形势,集装箱在受风力影响时易导致其滑移和倾翻。对尺码较大策装箱和空箱虫是如此,临界风力对多排箱垛的影响比单排箱垛小。可以过下列方式,磁小风力对巢装箱的影响。—…降低码垛高度;
—·多排雕码:
. 将集装箱固定在地面上:
重箱堆码在最.1.层;
一·单独或外留集装箱可采用紧链装置或绳索固。案装箱堆码应使集装箱纵轴线和该地区主要风问线一致。在暴风警抵的情况下,码垛四角的集装箱应于抢固,
根据当地的强风预报,在风速超过15nl/s(15m/s一29km=7翻痛风级)时,应采取相成的防范推施。
对同类型多排集装筑货垛,在一定的风速下很可能出现如图15所示的顺序移动,622
小提示:此标准内容仅展示完整标准里的部分截取内容,若需要完整标准请到上方自行免费下载完整标准文档。
电:1998
本标准等效采用国际标准ISO3874:1988&系列1集装箱—装卸和拴固》,并根据近年来额发的IS()3874修正案以及引用标准的最新版本,在内容上作了如下的补充和改:1.根据1990年颁布的ISO3874像正案(Amendment1),补充了1AAA和1BBB箱型的内容:2.报据1990年颁布的TS()3874修正案(Amcndment2),补充了附录A“双头转锁”;3.根据TS()6346:1995的版本,替代了原来的巢装箱代码:4.根据1S0/TC104第17次大会关于\在ISO1496-1~1496-5的技术条件和试验方法中取消抓举作业的有关条款\的决议.取消广原标准“6.1拆举作业\的内容。本标准的附崇A见标准的附录。
本标准由中华人民共和国交通部提出。本标准由全国集装箱标准化技术委员会归口。本标准起草单位;上海港务局、交通部标准计望研究所。本标准主要起草人:朱福、张敬轩、毛慧苏、林教清、付逸圣、唐展东。611
GB/门17382—1998
ISO前言
国际标准化组织(IS())是各国标准团体(ISO成员团体)的世界性联合机构。国际标准的制定T作由IS各技术委员会进行的。每一成员团体都有权褥代表参加其所关心课题的技术委员会。各政府性或非政府性的国际组织,凡与1SO 有联系的+也都参加这项,].作。所有电.1.标准化方面的内容,JS()将与国际理「委员会紧密合作。
术委员会证过的国际标准,在ISC理事会采纳为国际称准以前,先分发给各成员团体征求意。按 IS()程序,至少应有75%成员团体投票通过。IS()3874国际标准是由1SO/TC104技术委员会(货运集装箱)制定的。此第四版取消和替代了第兰版(ISO3874:1984)其中形成了一种技术性懿止版使用者必须注意所有国际标准均经过反复修订,标准所引用的其他国际标准均为标准的最新版本,除非另有说明。
1范围
中华人民共和国国家标准
系列1集装箱
装卸和固
Serles 1 Freight containcrs--Handling and securingGB/T 17382—1998
eqv 1s 3874:1988
4标准规定了按最新颁布的IS0)1496-1~1496-5制造和试验的系列1:集装箱的装卸和择固方法。本标准适用于各种地妆运摘中集装箱重箱和空箱。让国际标准 1S() 1496,系列 1 :巢发箱枝术要求和试验方选包括以下几个部分:第1部分:一般货物通用巢装箱
第2.部分:保温象装箱
第3部分,装运潼体和气体的遵式集装箱第4部分:尤玉十散货集装箱
第5部分:平台式和台架式策装箱报1S(>1496老版本制造的兼装箱可能不,县有接新版本制道的相性能。2引用标准
下列标准所包含的条文·通过在本标准中引用而成为本标准的条文。本标准出版时,所示版本均为有效、所有标准都会被修订,使用本标准的各方应探讨使用下列标准最新版本的可能性。GR/T1836--1997集装籍代码、识别和标记1S0141961:1990系列1:货物集装箱技术要求和试验方法第1部分一般贷物通用集装箱3定义
本标准采用下列定义。
3.1签箱emptycontainer
只有自守质盘的集装箱,
3.2重箱loadedcontainer
除箱体自身质盘外,还装人货物的集装箱,3.3重心偏心率eccentricity of the cenire of gravity各种集装箱(空箱或重箱,有或无附件装登)的再心,与集装粘四个底角件对角线交点的儿何中心,在纵向或横向上的水平偏心率。3.4移动重心mabileentre of gravity内装有流体,干散货、最挂物,或装有在动态情况下易于移动的类似货物的集装箱的重心。4藻本要求
4.1总则
4.1.1应与所有相关的国家和国际法规的要求相一致。4.1.2对集装箱和作业中使用的任何机其、均应经过良好的维护。国象质量技术监督高1998-05-18批准1999-02-01实施
GB/T173821998
4.1.3箱门,罩布、箱盖板、树锁件、可活动可折叠的零件和任何可拆卸的装置均应予以正确地固定。4.1.4所有从事装卸和择固的人员均应接受相应的培训,特别是安全方面的培训。4.1.5明确这分策装箱是重箱还摄空箱,如无法变明,必须按重箱处理。4..6在竭风和其他外界因案影到集装箱装机械作业时,应摘外小心地装部操作。4.2箱内货物装载与卸载
4.2.1在货物装载和卸载时,应按良好的作业方式进行·使作用在集装箱上的力不超过设计的受力限度和符合4.2.2登4.2.4规定的基本要求。4. 2. 2用于装御的设备所施加给箱体的力,不应超过箱体设计的受力限度。4.2. 3装人箱内的货物和其外包装等所有物件(包搭箱内的衬垫、择固装受等)的总质垂,应不超过箱球录大的充读载货世(郎等子最大充许您版量减去空箱质量),4.2.4销内的货物应均匀分布,应便量心尽可能低且靠近箱纵横所的中心位量:一避免集装箱吊运时的过分倾斜;一避免集装销或装卸机具趣载:一避免车辆的轴载超限
—避免车辆的稳定性不够;
避免出现巢装箱箱底无法承受的集中裁葡,集装箱和装设备的设计要考这个事实,重箱的重心情心牢是再箱内裁分布所确定。训如:60号的载待分布在从一端起的50%的箱长承载面时(见1),其偏心率为5%。最大费量量的50%
最度<的50%
圈1莪荷分布图
4.3箱内货树堆码和徐固
为防止集装箱在装卸和运输过程中由动态所导致的意外的货损,箱内货物应紧密堆码,并予以择[5.
5装卸
5.1按规定的吊()方式装卸(见第6章)5.1.1所使册的起重机负应与所受鼓荷捐适应,并保证与集装箱连接安全可靠和操作方便。5.1、2单点起吊时.应特别注意因货物信裁造成集装箱倾斜所带来的危险性。5.1.3在起吊重心易移动或重心偏心的巢装箱时,应读慎操作,例如:懒式集装箱,货集装箱,装有波体傲装袋的集装箱、装有甚挂物的集装箱或有制冷装置的湖集装箱(整体式或抹装式)。5.2其他的装卸方式
采用第6章规定之外的方式装卸集装箱,应根据根关的国际和国家集装箱娠推对装卸所用的机械和来用的作存法,进行们细地评后。61
6规定的吊(举)方式
6.1总则
GB/T 17382—1998
6.1.16.2至6.10中所述的各种规定的吊(举)方式,见表7表1
规定的吊【举)方式汇总表
吊架项吊作业
据索顶吊作业
吊案底吊作业
测举作业(方式1)
测举作业(方2)
侧毕作业(方式 3)
端举作业(方式1)
端举作业(方式2)
叉举作业
GB/T17382—1998
6.1.2在表3至表5利丧7至表12中,“允许\和不允许”标记表示各种规定的吊(举)方式对不两觉型,尺寸的集装箱的适用性,适用性号虑了集装箱的强度、载荷、环境和操作安全等方而,注:在表3轻表和表7率表12中对集装箱美型、片寸、载荷、改计和作业条件组合时的例外情况.妆有子以考虑。在这种情况下,应群的所使用的为法是否能够确保安全和符合作业要求。表3至表12中所涉及的尺寸代码,见表2.表 2表 3 至表 12 涉及的尺寸代码公称长度
2 896 rmm(9 ft6 in)
2591n(8it6in)
注:所有集装籍公称宽度均为 2 438 mm(8 ftl ins);6.2吊架项吊作业(见图2)
2 438 mm(8 fto in)
2438mm(8fom)
6.2.1使用策装箱专用吊架由四个顶角件的顶孔起吊集装箱,起吊力应保持竖直。6.2.2起常装置必须与箱体正确连接,转锁装置仅与角件紧密接触。图2吊架顶吊作业
6.2.3尿架项吊作业适用范围:见表3。6.3吊素顶吊作业(见图3)
6. 3. 1使用非竖直力从个顾角件的顶孔起吊集装箱。6. 3.2起吊装置应与箱体正确连接。吊钩应由里向外勾挂。6.3.3吊素项昂作业适用范围见表4.注意事项:装有流体、1散货或慧挂物等集装箱重心可能会移动图3吊索顶尿作业
[!允许
A不允许
AAAjAAAAXIBB BBBBX
cxD|DX
表3吊架顶作业适用范圈
先装循类型
-般货物颂用案装箱
散顶式集装拍
千做货策装箱,无压/箱型
保温集装箱下载标准就来标准下载网
装减体和气体植式业装拍
干散货巢装箱:无压/编斗型
平台式集装箱
有完整的固定
能固定的可拆卸式角柱
1部架
有究整的可折准式端望
(竖起时)
有可折叠的角柱
(竖起时)
有完整的可折登式端壁
(折叠时)
有可折叠的角柱
(折叠时)
部结势齐全及收谢壁台塑式集装箱1)页吊:没允许使用具有延伸件(如孕宽,高形而架的集装箱品架。ISO6346
TN,TD,T
AAAIAA:AIAX
GB/T 17382
门统许
A东充许
AAAIAAM
AXBaRRBiFX
1心所会的愿病心。
吊作让造用筑
集装养类戏
各货物酒岛奥装药
验预试集装荐
一您货装箱,无压确
保服谢装箱
装液生润气体蝶式紫发精
:教货案载范:无压/器4源
平台就集装辩
有荒想的研定谢医
国定的可式社
AAAA!A
育完妞的所新查式
(轻起时)
在河齿优的角熊
(整起时)
有究将的过折姚死数整
新受)
结构生并假紫奇我量状箱
231和来起是作力药平据不小0见断。1506346
TN,TD,TG
热电电
GB/T 17382-1998
【·充许
A不允许
AAAIAA A IAX BIE BBI B
1)更心可能会出现确心
表5品素底吊作业适用范围
华装箱类型
:八一般货物通用策装箱
散顶式集装据
十散货巢装菊.光压/箱型
保温莱装箱
装液体和气体催式集装箱
下做货集装箱:无压/漏斗型
平台式集装箱
有完整的固定端确
能固定的可拆卸式角柱
有完整的可折叠的端室
(竖起时)
有呼折歪叠的角柱
(竖起时)
不装有完整的可折受式端学
(折叠时)
齐着:有可析叠的角柱
(折叠时)
上部结构齐全并散测医台柴式巢装箱2)装有流体、下放货、总其物的集装,重心可能山现移动的情况,ISt) 6346
AAA AAiA|AX|
BBB Bx cclciex D lx
2/2)
424124
GB/T17382
6.4屈索底吊作业(见图5)
GB/T 17382-1998
6n°)
m数大》
图4起吊力的适用范囤
(1D 和1DX 集装箱)
6.4.1,用吊索从四个底角件的侧孔起吊集装箱。底角件吊索连接装置必须挂在四个底角件的谢孔上、起吊作用力离底角件外侧面的距离应不大干38mml见图6)
6.4.2起吊连接装置应与箱体正确连接,6.4.3吊索底吊作业的适用范围见表 5。注意事琐:起吊杆央角么应不小于表6所示的最小值。图5吊素底吊作业
集装箱尺寸代码
TAAA+IAA:1A:IAX
BBHRBHEX
6.5侧举作业(法1)(见7)
表6箱的起吊水平夹角
图6底角件吊索装置
起吊最小水平尖角
6. 5.1使用侧举专用框架起举时,提升力作用在一侧的两个底角件上,间时还要对同侧的两个项角件予以约束
6.5.2提升和约束装置必须正确连接。6.5.3谢举作业(方法1)的适用范用见表7。6.6侧举作业(方法2)(见图8)
图7侧举作业(方法1)
GB/T 17382—1998
图8侧举作业(方法2)
6.6.1使用侧举专用框架起举时提升力作用在一侧的两个顶角件上,同时还对同侧的底角件或其上方的角柱区域施加反力(见图)。6. 6.2提升装蛋必须正确连接。6.6.3侧举作业(方法2)的适用范围见表8。注意事项:在使用该方法时,必须避免因动态效应而导致集装箱过度倾斜或受损。6.7举作业(方法3见图10)
注:尺止以表示两个反力承面的高度应接近或相等。图9底角件和角柱作用力区城分布图10侧举作业(方法3)
6.7.1使用侧举专用框架起举时,握升力作用在一侧的两个项角件上,同时间同一侧的下侧凝施加反力,为避免集装箱受换变形,所施加的反力要有一快足够尺寸的垫板进行传递。势板不应放在集装箱侧整处,
6.7. 2提升装置必须正确连接。6.7.3侧举作业(方法3)的适用范围见表9。6. 8端举作业(方法1)见图11)
6.8.1使用端举专用框果起举时,提升力作用在·端的两个底角件上,同时还要对同一端的两个顶角件予以约束,
6.8.2提升和约束装暨必须正确连接。6.8.3端举作业(方法1)的适用范用死表t0。注意中项:使用此方法时,应避免四动态效应而导致集装箱过度颜斜受损。6.9端举作业(方法2(见图12)
图11端举作业(方法1)
端带作业(方法2)
6.9.1使用端举专用框架起举时,提升力作用在一端的两个项角件中,同时还对同侧的个底角件或底角作上方的角柱城施加反力(见图13),6.9.2提升装置必须止确连接。
GB/T 173821998
6.9.3端谢举作业(方法2)的适用范用见表11。注意事项:在使用该方法时·必须避免因动态效应而导致集装箱过度须斜或受撤。6.10叉举(见图14)
注:尺寸,表示两个反力承教面的高度应接近或相等。图13底角件和角柱的作用力区域分布密14货支叉运
6.10.1使用叉车货义提升作业,仅限于按ISO1496-1规定的带有叉槽的集装箱。注意事项:在任何情况下,无论集装箱有无叉格,均禁止从集装箱箱底直接插人货叉进行叉举作业。6.10.2货叉描入叉格理想的深度应为策装箱的全部宽度,但无论如何其插人叉槽深度应不小 825 mm。
在1CC、1C和ICX集装箱上设置两套叉槽时.内侧叉植只能用于空箱装卸。6.10.3艾举作业的适用范围见表12。7著地和支承
7.1为防止集装箱册坏.集装箱在着地时要注意轻敢,严禁在狂何表面上拖推集装箱。7.2集装箱场地必须坚实乎坦,排水健好,无障碍物和突出物。在堆场上,集装箱应仅由四个底角作支承。
7.3在运输车辆上,集装箱只能由四个底角件或底部结构的中间载荷传递区支承。8场地堆码
8.1堆码对、上下集装箱的底角件与预角件必须充分接触。8.2特别要注意风的气象形势,集装箱在受风力影响时易导致其滑移和倾翻。对尺码较大策装箱和空箱虫是如此,临界风力对多排箱垛的影响比单排箱垛小。可以过下列方式,磁小风力对巢装箱的影响。—…降低码垛高度;
—·多排雕码:
. 将集装箱固定在地面上:
重箱堆码在最.1.层;
一·单独或外留集装箱可采用紧链装置或绳索固。案装箱堆码应使集装箱纵轴线和该地区主要风问线一致。在暴风警抵的情况下,码垛四角的集装箱应于抢固,
根据当地的强风预报,在风速超过15nl/s(15m/s一29km=7翻痛风级)时,应采取相成的防范推施。
对同类型多排集装筑货垛,在一定的风速下很可能出现如图15所示的顺序移动,622
小提示:此标准内容仅展示完整标准里的部分截取内容,若需要完整标准请到上方自行免费下载完整标准文档。
标准图片预览:





- 其它标准
- 热门标准
- 国家标准(GB)
- GB/T30917—2014 /ISo 29941:2010 天然胶乳橡胶避孕套中可迁移亚硝胺的测定
- GB/T12777-1999 金属波纹管膨胀节通用技术条件
- GB/T29633.4-2020 南极地名 第4部分:罗马字母拼写
- GB15193.5-2003 骨髓细胞微核试验
- GB30530-2024 二甲基硅氧烷单位产品能源消耗限额
- GB/T43225-2023 空间物体登记要求
- GB4706.3-1986 家用和类似用途电器的安全食物搅碎器及类似用途电器的特殊要求
- GB15985-1995 丝虫病诊断标准及处理原则
- GB19159-2003 车用液化石油气
- GB/T7407-1997 中国及世界主要海运贸易港口代码
- GB1913.2-1990 漂白浸渍绝缘纸
- GB/T15425-1994 贸易单128条码
- GB5237.3-2008 铝合金建筑型材 第3部分:电泳涂漆型材
- GB/T39964-2021 造纸行业能源管理体系实施指南
- GB/T9771.6-2020 通信用单模光纤 第6部分:宽波长段 光传输用非零色散单模光纤特性
- 行业新闻
请牢记:“bzxz.net”即是“标准下载”四个汉字汉语拼音首字母与国际顶级域名“.net”的组合。 ©2025 标准下载网 www.bzxz.net 本站邮件:bzxznet@163.com
网站备案号:湘ICP备2025141790号-2
网站备案号:湘ICP备2025141790号-2