- 您的位置:
- 标准下载网 >>
- 标准分类 >>
- 国家标准(GB) >>
- GB 13395-1992 电力设备带电水冲洗规程
标准号:
GB 13395-1992
标准名称:
电力设备带电水冲洗规程
标准类别:
国家标准(GB)
标准状态:
已作废-
发布日期:
1992-02-19 -
实施日期:
1992-10-01 -
作废日期:
2009-08-01 出版语种:
简体中文下载格式:
.rar.pdf下载大小:
745.20 KB
替代情况:
被GB/T 13395-2008代替
点击下载
标准简介:
标准下载解压密码:www.bzxz.net
本标准规定了带电水冲洗作业时应遵守的技术条件、安全措施和冲洗方法。本标准适用于海拔高度1000m及以下地区、交流额定电压10~220kV电力设备的带电水冲洗作业(不包括固定式水冲洗)。 GB 13395-1992 电力设备带电水冲洗规程 GB13395-1992
部分标准内容:
中华人民共和国国家标准
电力设备带电水冲洗规程
Regulation of hot washing for electric power apparatus1主题内容与适用范围
GB13395—92
本标准规定了带电水冲洗作业时应避守的技术条件、安全措施和冲洗方法。本标准适用于海拔高度1000m及以下地区、交流额定电压10~220kV电力设备的带电水冲洗作业(不包括固定式水冲洗)。
2名词、术语
2.1带电水冲洗hot washing
用压力水柱洗电力设备电瓷外绝缘的一种带电作业方式。2.2 水电阻率 water resistivity 个单位立方体内20℃水的体积电阻。2.3水柱长度length of water stream水柱从水枪喷口到带电设备上水柱落点之间的长度。2.4 组合绝缘 combination insulation在带电体与人体之间由水柱、绝缘杆和引水管的有效绝缘部分组成的绝缘体。2.5 引水管有效绝缘部分effictive insulated part of water pipe引水管承受电压的部分。
2. 6 临界盐密 critical salt deporsit density使设备电瓷外绝缘冲洗闪络概率低于万分之一的最大等价附盐密度。2.7 小水冲 washing way with smaller nozzle diameter水枪喷口直径为3mm及以下的水冲洗方式。2.8 中水冲 washing way with middle nozzle diameter水枪喷口直径在 4 ~8mm之间的水冲洗方式。2.9 大水冲 washing way with larger nozzle diameter水枪喷口直径为9mm及以上的水冲洗方式。2. 10双枪跟踪法 doubble jet following method一枪为主,一枪为辅,分别在绝缘子两侧冲洗的方法。主水枪先将污秽冲下,辅水枪跟踪,把主水枪冲下的污水及时冲走,使不致连成污水线,从而使绝缘很快恢复,有效地提高冲闪电压。2.11垂直冲洗角度washing vertical angle水柱与地面的夹角。
2.12水平冲洗角度washing horizontal angle被冲洗的绝缘子和邻近绝缘子的连线与水柱之间所夹的水平锐角。国家技术监督局1992-02-19批准1992-10-01实施
3带电水冲洗应遵守的条件
GB 13395 -92
3.1气象条件
带电水冲洗一般应在良好天气下,即风力不大于4级、气温不低于零度时进行,雨天、雪天、雾天及雷电天气不宜进行。
3.2冲洗用水电阻率
由水枪口处取出的水的电阻率-般不应低于15002·cm,冲洗220kV电力设备时水电阻率不应低于30002·cm,同时还应满足表2的规定。3.3安全距离
3.3.1保持一定的水柱长度是保证带电水冲洗时人身安全的必要条件。以水柱为主要绝缘的大水冲、中水冲及小水冲,其永柱长度应不小于表1的规定。表1喷口与带电体之间的安全距离喷口直径,mm
喷口接地方式
接地或不接地
用组合绝缘冲洗工具时,水柱长度不得低于下列数值:35kV及以下:0.5m;
110kV:
220kV:
不接地
3.4安全临界盐密
发电厂及变电站的支柱绝缘子只有在不超过图1及表2所给出的临界盐密值时,站内绝缘子及3.4.1
其他设备方可进行带电水冲洗。276
爬电比距
水电阻率
n· cm
临界盐密
mg/cm2
GB 13395-92
=20--31mm/kV
12581995316256117942
-14-16mm/kv
1000 15842511 3981630910000
100000
水电阻率p(a·cm)
图1电站支柱绝缘子临界盐密值
曲线①一耐污型支柱绝缘子曲线②一普通型支柱绝缘子,入一爬电比距电站支柱绝缘子水冲洗临界盐密值表2
通型绝缘子
(14~16)
50001000030000
及以上
耐污型绝缘
(20~31)
1000030000
及以上
0. 080. 12
注:(D)爬电比距指电力设备外绝缘的爬电距离与设备最高电压之比。②水电阻率如介于衰中两数之间时,临界盐密应采用较低数值。 0. 14
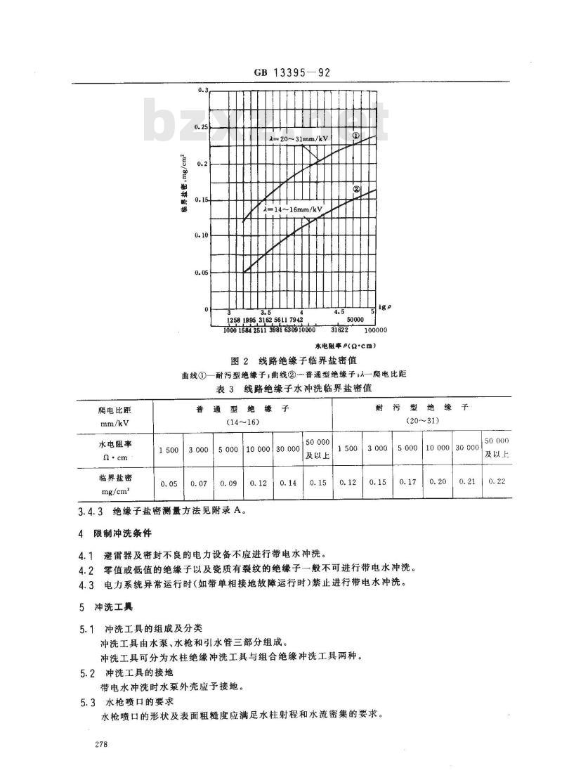
?密裙绝缘子应按普通型绝缘子看待。3.4.2电力线路的绝缘子,只有在不超过图2及表3所给出的临界盐密值时方可进行带电水冲洗。277
爬电比距
水电阻率
临界盐密
mg/cm2
GB13395
-20-31mm/kV
x=14~16mm/kV
12581995316256117942
1000 1584 2511 3981 6309100004.5
100000
水电阻率P(Q+cm)
图2线路绝缘子临界盐密值
曲线①一耐污型绝缘子;曲线②一普通型绝缘子;入一爬电比距表3线路绝缘子水冲洗临界盐密值普
通型绝缘子
(14~16)
150000
3000500010000|30000
及以上
3.4.3绝缘子盐密测量方法见附录A。4限制冲洗条件
耐污型绝缘子
(20~31)
3 0005 000
4.1避雷器及密封不良的电力设备不应进行带电水冲洗。4.2零值或低值的绝缘子以及瓷质有裂纹的绝缘子一般不可进行带电水冲洗。4.3电力系统异常运行时(如带单相接地故障运行时)禁止进行带电水冲洗。5冲洗工具
5.1冲洗工具的组成及分类
冲洗工具由水泵、水枪和引水管三部分组成。冲洗工具可分为水柱绝缘冲洗工具与组合绝缘冲洗工具两种。5.2冲洗工具的接地
带电水冲洗时水泵外壳应予接地。5.3水枪喷口的要求
水枪喷口的形状及表面粗糙度应满足水柱射程和水流密集的要求。278
10 00030 000
及以上
水枪喷口内表面的表面粗糙度为。GB13395--92
水枪喷口直径可根据需要自行选择。但应按喷口直径的变化相应地调整水泵压强。5.4组合绝缘冲洗工具的绝缘杆前部应加防雨罩,握手部分应有明显标志。5.5组合绝缘冲洗工具的试验
组合绝缘冲洗工具除应进行型式试验和出厂试验外,在使用中还应进行定期试验,试验的有效期为半年。试验项目包括外观检查及电气试验。5.5.1外观检查
绝缘杆及引水管表面应光滑、平整、无气泡和无裂纹。连接应牢靠、无松动和无漏水现象。5.5.2电气试验
5.5.2.1电气试验时电压波形、试验设备(包括测量装置)、试验条件及程序应符合GB311—83《高压输变电设备的绝缘配合高电压试验技术》的规定。5.5.2.2电气试验包括在工作状态下进行工频耐压试验及工频泄漏电流试验两个项目。5.5.2.3工频耐压试验时水枪与地面的夹角为45°。水柱应击中高压电极,水柱长度按3.3.2中规定。水电阻率应为15002·cm。
试验时在操作杆握手部分及引水管有效绝缘部分末端接地。试验电压值如表4所示。
组合绝缘水冲洗工具工频耐压试验电压表4:
额定电压
型式、出厂试验电压
定期试验电压
加压时间为1min。
试品应无击穿、无闪络及无可见灼伤和局部过热现象。5.5.2.4工频泄漏电流试验
试验条件同5.5.2.3。
试验电压值如表5所示。
表5组合绝缘水冲洗工具工频泄漏电流试验施加电压额定电压
试验电压
加压时间5min。
泄漏电流测量应使用屏蔽线。毫安表也应屏蔽。以泄陋电流小于1mA及无可见灼伤和局部过热为合格。6冲洗方法
6.1带电水冲洗应选择合适的冲洗方法。为防止被冲洗设备表面出现污水连线造成设备闪络,电站设备推荐使用双枪跟踪法。如用双枪跟踪法还不能避免大直径设备形成污水连线时,应采取较低-一级临界盐密值或用其他方法解决。
6.2垂直安装的设备应自下而上冲洗,水平安装的设备应自导线向接地侧冲洗,倾斜安装的设备,与地面夹角大于45°时,其冲洗方法与垂直安装的设备相同;与地面夹角小于45°时,其冲洗方法与水平安装的设备相同。应逐层、逐片冲洗干净。无可见的污水线及污水滴时可视为冲洗干净。279
5—92
GB 13395
3双串绝缘子或隔离开关的并立式绝缘子应同步、交替进行冲洗(悬式绝缘子逐片、针式绝缘子逐个、棒式绝缘子为每节的1/4)。不宜冲完一串后再冲另一串。6.4带电水冲洗时,洗冲洗处于下风侧的设备再冲洗处于上风侧的设备。上、下两层布置的设备应先冲洗下层设备,再冲洗上层设备。6.5垂直冲洗角度应小于45°水平冲洗角度应大于45°6.6当已冲洗部分占被冲洗瓷件2/3(高度)以上,被冲瓷件顶部出现局部电弧时,水柱应指向局部电弧,迫使电弧熄灭。当开始冲洗时在瓷件顶部即产生局部电孤时,应立即停止冲洗。7安全措施
7.1带电水冲洗人员必须经专门训练,并考试合格后才可进行操作。7.2大、中水量冲洗时,操作人员应采取穿绝缘鞋、戴绝缘手套、戴防护镜等辅助安全措施。7.3带电水冲洗属于带电作业的一种方式,除执行本规程外,还应遵循《电业安全工作规程》等其他有关规定。
7.4当情况紧急必须进行带电水冲洗作业,但有关条件又不能完全满足本标准的要求时,须经发电厂或供电局总工程师综合考虑批准后方可进行。280
A1洗污
GB13395--92
附录A
支柱绝缘子盐密测量方法
(补充件)
用蒸馏水清洗绝缘子表面污移物。选支柱绝缘子上、中、下各一层瓷裙或悬式绝缘子串上、中、下各-一片,用300mL蒸馏水分2~3次清洗瓷瓶上的污物,洗时宜用纱布沾湿擦净,污水不要流失。A2测污
A2.1将污水充分搅拌后,用电导仪测量其电导率,同时记录溶液的温度。并将tC下测得的电导率换算到20C时的值。
d20 K.· d.
式中:220℃下的电导率(μS/cm);o,--tC下的电导率(uS/cm);
K,---·换算系数,由表A1查出。表Al
清洗液电导率温度换算系数
A2.2将温度换算后的电导率由含盐量-电导率曲线(见图A1)查出相应的等值含盐量N(g/100ml.)。再根据下式计算绝缘表面单位面积的附盐密度(简称盐密)。Y=-1 000NM/100S
式中:Y——绝缘表面的盐密,mg/cm;M-——洗污用的蒸馅水量,mL;
绝缘子瓷件表面面积,cm2,见表A2及表A3;溶液中的含盐量,g/100mL。
也可用盐量表直接测量100mL污液中的含盐量N,再根据上式计算盐密Y。281
式(厂家)
35kV摔形支柱
(抚顺电瓷厂)
66kV棒形支柱
(抚顺电瓷厂)
110kV棒形支柱
(抚顺电瓷厂)
110kV 耐污支柱
(抚顺电瓷厂)
棒形支柱
220kV耐污型
GB13395—92
0. 02 0. 04 0. 06 0. 08 0.10NaC1含量,g/100mL水
爬电距离
2X2770
式(厂家)
X-4.5(大连电瓷厂)
X-4.5(西安电瓷厂)
NaCl含量,g/100mL水
盐量与电导率的关系曲线
支柱绝缘子爬电距离和表面积数据表面积
14 167
2×14 167
一个伞的面积
大伞 715
小伞397
大伞715
盘形悬式绝缘子爬电距离和表面积数据爬电距离
表面积
西安电瓷厂数据
抚顺电瓷厂数据
抚顺电瓷厂数据此内容来自标准下载网
西安电瓷厂数据
抚顺电瓷厂数据
东北电力试验研究院数据
西安电瓷厂数据
武(厂家)
X-4.5(西安电瓷厂)
XP-6(苏州电瓷厂\)
XP-6(西安电瓷广)
XP-10(西安电瓷厂)
XP-16(大连电瓷厂)
XW-4.5(苏州电瓷厂)
XW2-4.5(苏州电瓷厂)
XWP-7(大连电瓷厂)
XWP-16
XWP-6(西安电瓷厂)
GB 13395--92
续表A3
爬电距离
表面积
西安电瓷厂数据
东北电力试验研究院数据
西安电瓷研究所数据
西安电瓷研究所数据
东北电力试验研究院数据
东北电力试验研究院数据
电力科学研究院数据
东北电力试验研究院数据
东北电力试验研究院数据
东北电力试验研究院数据
《高电压技术》1976.4
注:本附录中表A2、表A3的数据是由能源部电力科学研究院收集的各厂家的数据,其他部分选自第一机械工业部标准 JB 2596-79。
珊录B
水柱安全距离的确定
(参考件)
水柱安全距离主要取决于水柱的操作波放电特性和泄漏电流特性,而水柱的工频放电特性不起决定性作用。
水柱的操作波特性
水柱的长度、水枪喷口的直径、水电阻率等因素直接影响水柱的操作波放电电压值,其中水柱长度与操作波放电电压几乎呈线性关系,图B1、图B2示出当水电阻率β为23002·cm时,各种不同喷口直径下水柱长度L与操作波50%放电电压Uso的曲线关系。由此看出,保持一定的水柱长度是保证在操作过电压下水柱不闪络的关键。
p=23000·cm
水柱长度,m
GB13395—92
图B1操作波放电电压与水柱长度的关系(小水冲范围)
2水柱的泄漏电流特性
p=23000: em
水柱长度,m
图B2操作波放电电压与水柱长度的关系(中、大水冲范围)
水柱的泄漏电流与施加的工频电压几乎呈线性关系,在一定的电压下水柱的泄漏电流随着水柱长度的增加而减小随着水枪喷口直径的增大而增大;而水电阻率的变化对泄漏电流影响较小,这是因为具有较高压力的水柱中有很多空气间隙,它成为限制泄漏电流的主要因素。图B3a、图B3b示出水电阻率p为23002·cm,电压U为127kV时泄漏电流与喷口直径的关系。图B4a、图B4b示出相同条件下泄漏电流与水柱长度的关系。
VE·诚制
p=23000·cm
U=127kV
图B3a泄漏电流与喷口直径
的关系(大水冲)
喷口直径mm
U=127kv
p-23000cm
喷口直径.mm
图B3b泄漏电流与喷口直径
的关系(小水冲)
·电刺
U=127kv
p = 23 00 Q-cm
GB 13395--92
②喷口直径2.0mm
①喷口直径1. 5mm
图B4a
水柱长度,㎡
泄漏电流与水柱长度
的关系(小水冲)
B3安全距离的确定
500/50
图B4b
p=2300n.cm
U=127kv
③#13
用纵座标
内侧标度
水柱长度,m
泄漏电流与水柱长度
的关系(大水冲)
从保证人身安全的角度出发,要求水柱绝缘能满足以下两个条件:①当系统中出现操作过电压时水柱不发生闪络;②在最大工作电压下流经人体的电流不超过1mA。B3.1按操作过电压确定的水柱最小距离根据试验得到的不同喷口直径下不同水柱长度时的操作波放电电压(U5。)及标准偏差(α),推算出水柱的操作波耐受电压(Uw)。
Uw-U5o ·(1--3a)
其中Us.取正、负极性操作波试验得到的放电电压数据中偏低者,o取试验所得的标准偏差中的最大值。
这样,可以得出操作波耐受电压与水柱长度的关系曲线。其图形与图B1、图B2相似,只是曲线向下平移Uso·3α(图形略)。再根据系统中不同电压等级操作过电压幅值(中性点有效接地系统中按3倍最大运行相电压考虑,中性点非有效接地系统按4倍最大运行相电压考患)确定水柱最小长度5smin!,列于表B1。
小水冲
中水冲
大水冲
根据操作过电压提出的Smin1值
水电阻率,Q·cm
定额电压,kv
喷口真径,mm
B3.2由泄漏电流确定的水柱最小长度根据通过人体的泄漏电流应小于1mA的要求及泄漏电流与水柱长度的关系曲线。就可以提出不同电压等级、不同喷口直径下水柱的最小长度。例如由图B4a、图B4b可提出水电阻率β为23002·cm285
GB13395---92
时,220kV的不同喷口直径所对应的最小火柱长度。由于水枪喷口接地状况不同,流经人体的电流不间(其示意图及等值电路见图B5),可分别提出喷口不接地与喷口接地时水柱的最小长度Smin2与Siuin3·列J表B2及表B3。
带电导体
(a)喷口不接地
带电导体
(b)喷口接地
(c)等值电路
带电水冲洗时流经人体的泄漏电流喷口不接地流过人体电流小于1mA时的smin2值表B2
水型電
中水冲
水电阻率,n·cm
额定电压,kv
喷口直径,mm
表B3喷口接地流过人体电流小于1mA时的Smin3值水电阻率,Q·cm
中水冲
大水冲
喷口直径、mm
额定电压,kV
B3.3喷口至带电体安全距离的确定综合表B1、表B2及表B3,可以提出既满足系统发生操作过电压时水柱不闪络的条件,又满足流过人体的泄漏电流小于1mA条件的水柱最小长度,定为喷口与带电体之间的安全距离。图B6表示了220kV电压等级下,水电阻率为2300Q·cm时喷口直径与安全距离的关系曲线。可以看出,对于喷口直径小于3mm的小水冲,由操作过电压提出的最小水柱长度起了主要作用,对于喷口直径大于4mm286
小提示:此标准内容仅展示完整标准里的部分截取内容,若需要完整标准请到上方自行免费下载完整标准文档。
电力设备带电水冲洗规程
Regulation of hot washing for electric power apparatus1主题内容与适用范围
GB13395—92
本标准规定了带电水冲洗作业时应避守的技术条件、安全措施和冲洗方法。本标准适用于海拔高度1000m及以下地区、交流额定电压10~220kV电力设备的带电水冲洗作业(不包括固定式水冲洗)。
2名词、术语
2.1带电水冲洗hot washing
用压力水柱洗电力设备电瓷外绝缘的一种带电作业方式。2.2 水电阻率 water resistivity 个单位立方体内20℃水的体积电阻。2.3水柱长度length of water stream水柱从水枪喷口到带电设备上水柱落点之间的长度。2.4 组合绝缘 combination insulation在带电体与人体之间由水柱、绝缘杆和引水管的有效绝缘部分组成的绝缘体。2.5 引水管有效绝缘部分effictive insulated part of water pipe引水管承受电压的部分。
2. 6 临界盐密 critical salt deporsit density使设备电瓷外绝缘冲洗闪络概率低于万分之一的最大等价附盐密度。2.7 小水冲 washing way with smaller nozzle diameter水枪喷口直径为3mm及以下的水冲洗方式。2.8 中水冲 washing way with middle nozzle diameter水枪喷口直径在 4 ~8mm之间的水冲洗方式。2.9 大水冲 washing way with larger nozzle diameter水枪喷口直径为9mm及以上的水冲洗方式。2. 10双枪跟踪法 doubble jet following method一枪为主,一枪为辅,分别在绝缘子两侧冲洗的方法。主水枪先将污秽冲下,辅水枪跟踪,把主水枪冲下的污水及时冲走,使不致连成污水线,从而使绝缘很快恢复,有效地提高冲闪电压。2.11垂直冲洗角度washing vertical angle水柱与地面的夹角。
2.12水平冲洗角度washing horizontal angle被冲洗的绝缘子和邻近绝缘子的连线与水柱之间所夹的水平锐角。国家技术监督局1992-02-19批准1992-10-01实施
3带电水冲洗应遵守的条件
GB 13395 -92
3.1气象条件
带电水冲洗一般应在良好天气下,即风力不大于4级、气温不低于零度时进行,雨天、雪天、雾天及雷电天气不宜进行。
3.2冲洗用水电阻率
由水枪口处取出的水的电阻率-般不应低于15002·cm,冲洗220kV电力设备时水电阻率不应低于30002·cm,同时还应满足表2的规定。3.3安全距离
3.3.1保持一定的水柱长度是保证带电水冲洗时人身安全的必要条件。以水柱为主要绝缘的大水冲、中水冲及小水冲,其永柱长度应不小于表1的规定。表1喷口与带电体之间的安全距离喷口直径,mm
喷口接地方式
接地或不接地
用组合绝缘冲洗工具时,水柱长度不得低于下列数值:35kV及以下:0.5m;
110kV:
220kV:
不接地
3.4安全临界盐密
发电厂及变电站的支柱绝缘子只有在不超过图1及表2所给出的临界盐密值时,站内绝缘子及3.4.1
其他设备方可进行带电水冲洗。276
爬电比距
水电阻率
n· cm
临界盐密
mg/cm2
GB 13395-92
=20--31mm/kV
12581995316256117942
-14-16mm/kv
1000 15842511 3981630910000
100000
水电阻率p(a·cm)
图1电站支柱绝缘子临界盐密值
曲线①一耐污型支柱绝缘子曲线②一普通型支柱绝缘子,入一爬电比距电站支柱绝缘子水冲洗临界盐密值表2
通型绝缘子
(14~16)
50001000030000
及以上
耐污型绝缘
(20~31)
1000030000
及以上
0. 080. 12
注:(D)爬电比距指电力设备外绝缘的爬电距离与设备最高电压之比。②水电阻率如介于衰中两数之间时,临界盐密应采用较低数值。 0. 14
?密裙绝缘子应按普通型绝缘子看待。3.4.2电力线路的绝缘子,只有在不超过图2及表3所给出的临界盐密值时方可进行带电水冲洗。277
爬电比距
水电阻率
临界盐密
mg/cm2
GB13395
-20-31mm/kV
x=14~16mm/kV
12581995316256117942
1000 1584 2511 3981 6309100004.5
100000
水电阻率P(Q+cm)
图2线路绝缘子临界盐密值
曲线①一耐污型绝缘子;曲线②一普通型绝缘子;入一爬电比距表3线路绝缘子水冲洗临界盐密值普
通型绝缘子
(14~16)
150000
3000500010000|30000
及以上
3.4.3绝缘子盐密测量方法见附录A。4限制冲洗条件
耐污型绝缘子
(20~31)
3 0005 000
4.1避雷器及密封不良的电力设备不应进行带电水冲洗。4.2零值或低值的绝缘子以及瓷质有裂纹的绝缘子一般不可进行带电水冲洗。4.3电力系统异常运行时(如带单相接地故障运行时)禁止进行带电水冲洗。5冲洗工具
5.1冲洗工具的组成及分类
冲洗工具由水泵、水枪和引水管三部分组成。冲洗工具可分为水柱绝缘冲洗工具与组合绝缘冲洗工具两种。5.2冲洗工具的接地
带电水冲洗时水泵外壳应予接地。5.3水枪喷口的要求
水枪喷口的形状及表面粗糙度应满足水柱射程和水流密集的要求。278
10 00030 000
及以上
水枪喷口内表面的表面粗糙度为。GB13395--92
水枪喷口直径可根据需要自行选择。但应按喷口直径的变化相应地调整水泵压强。5.4组合绝缘冲洗工具的绝缘杆前部应加防雨罩,握手部分应有明显标志。5.5组合绝缘冲洗工具的试验
组合绝缘冲洗工具除应进行型式试验和出厂试验外,在使用中还应进行定期试验,试验的有效期为半年。试验项目包括外观检查及电气试验。5.5.1外观检查
绝缘杆及引水管表面应光滑、平整、无气泡和无裂纹。连接应牢靠、无松动和无漏水现象。5.5.2电气试验
5.5.2.1电气试验时电压波形、试验设备(包括测量装置)、试验条件及程序应符合GB311—83《高压输变电设备的绝缘配合高电压试验技术》的规定。5.5.2.2电气试验包括在工作状态下进行工频耐压试验及工频泄漏电流试验两个项目。5.5.2.3工频耐压试验时水枪与地面的夹角为45°。水柱应击中高压电极,水柱长度按3.3.2中规定。水电阻率应为15002·cm。
试验时在操作杆握手部分及引水管有效绝缘部分末端接地。试验电压值如表4所示。
组合绝缘水冲洗工具工频耐压试验电压表4:
额定电压
型式、出厂试验电压
定期试验电压
加压时间为1min。
试品应无击穿、无闪络及无可见灼伤和局部过热现象。5.5.2.4工频泄漏电流试验
试验条件同5.5.2.3。
试验电压值如表5所示。
表5组合绝缘水冲洗工具工频泄漏电流试验施加电压额定电压
试验电压
加压时间5min。
泄漏电流测量应使用屏蔽线。毫安表也应屏蔽。以泄陋电流小于1mA及无可见灼伤和局部过热为合格。6冲洗方法
6.1带电水冲洗应选择合适的冲洗方法。为防止被冲洗设备表面出现污水连线造成设备闪络,电站设备推荐使用双枪跟踪法。如用双枪跟踪法还不能避免大直径设备形成污水连线时,应采取较低-一级临界盐密值或用其他方法解决。
6.2垂直安装的设备应自下而上冲洗,水平安装的设备应自导线向接地侧冲洗,倾斜安装的设备,与地面夹角大于45°时,其冲洗方法与垂直安装的设备相同;与地面夹角小于45°时,其冲洗方法与水平安装的设备相同。应逐层、逐片冲洗干净。无可见的污水线及污水滴时可视为冲洗干净。279
5—92
GB 13395
3双串绝缘子或隔离开关的并立式绝缘子应同步、交替进行冲洗(悬式绝缘子逐片、针式绝缘子逐个、棒式绝缘子为每节的1/4)。不宜冲完一串后再冲另一串。6.4带电水冲洗时,洗冲洗处于下风侧的设备再冲洗处于上风侧的设备。上、下两层布置的设备应先冲洗下层设备,再冲洗上层设备。6.5垂直冲洗角度应小于45°水平冲洗角度应大于45°6.6当已冲洗部分占被冲洗瓷件2/3(高度)以上,被冲瓷件顶部出现局部电弧时,水柱应指向局部电弧,迫使电弧熄灭。当开始冲洗时在瓷件顶部即产生局部电孤时,应立即停止冲洗。7安全措施
7.1带电水冲洗人员必须经专门训练,并考试合格后才可进行操作。7.2大、中水量冲洗时,操作人员应采取穿绝缘鞋、戴绝缘手套、戴防护镜等辅助安全措施。7.3带电水冲洗属于带电作业的一种方式,除执行本规程外,还应遵循《电业安全工作规程》等其他有关规定。
7.4当情况紧急必须进行带电水冲洗作业,但有关条件又不能完全满足本标准的要求时,须经发电厂或供电局总工程师综合考虑批准后方可进行。280
A1洗污
GB13395--92
附录A
支柱绝缘子盐密测量方法
(补充件)
用蒸馏水清洗绝缘子表面污移物。选支柱绝缘子上、中、下各一层瓷裙或悬式绝缘子串上、中、下各-一片,用300mL蒸馏水分2~3次清洗瓷瓶上的污物,洗时宜用纱布沾湿擦净,污水不要流失。A2测污
A2.1将污水充分搅拌后,用电导仪测量其电导率,同时记录溶液的温度。并将tC下测得的电导率换算到20C时的值。
d20 K.· d.
式中:220℃下的电导率(μS/cm);o,--tC下的电导率(uS/cm);
K,---·换算系数,由表A1查出。表Al
清洗液电导率温度换算系数
A2.2将温度换算后的电导率由含盐量-电导率曲线(见图A1)查出相应的等值含盐量N(g/100ml.)。再根据下式计算绝缘表面单位面积的附盐密度(简称盐密)。Y=-1 000NM/100S
式中:Y——绝缘表面的盐密,mg/cm;M-——洗污用的蒸馅水量,mL;
绝缘子瓷件表面面积,cm2,见表A2及表A3;溶液中的含盐量,g/100mL。
也可用盐量表直接测量100mL污液中的含盐量N,再根据上式计算盐密Y。281
式(厂家)
35kV摔形支柱
(抚顺电瓷厂)
66kV棒形支柱
(抚顺电瓷厂)
110kV棒形支柱
(抚顺电瓷厂)
110kV 耐污支柱
(抚顺电瓷厂)
棒形支柱
220kV耐污型
GB13395—92
0. 02 0. 04 0. 06 0. 08 0.10NaC1含量,g/100mL水
爬电距离
2X2770
式(厂家)
X-4.5(大连电瓷厂)
X-4.5(西安电瓷厂)
NaCl含量,g/100mL水
盐量与电导率的关系曲线
支柱绝缘子爬电距离和表面积数据表面积
14 167
2×14 167
一个伞的面积
大伞 715
小伞397
大伞715
盘形悬式绝缘子爬电距离和表面积数据爬电距离
表面积
西安电瓷厂数据
抚顺电瓷厂数据
抚顺电瓷厂数据此内容来自标准下载网
西安电瓷厂数据
抚顺电瓷厂数据
东北电力试验研究院数据
西安电瓷厂数据
武(厂家)
X-4.5(西安电瓷厂)
XP-6(苏州电瓷厂\)
XP-6(西安电瓷广)
XP-10(西安电瓷厂)
XP-16(大连电瓷厂)
XW-4.5(苏州电瓷厂)
XW2-4.5(苏州电瓷厂)
XWP-7(大连电瓷厂)
XWP-16
XWP-6(西安电瓷厂)
GB 13395--92
续表A3
爬电距离
表面积
西安电瓷厂数据
东北电力试验研究院数据
西安电瓷研究所数据
西安电瓷研究所数据
东北电力试验研究院数据
东北电力试验研究院数据
电力科学研究院数据
东北电力试验研究院数据
东北电力试验研究院数据
东北电力试验研究院数据
《高电压技术》1976.4
注:本附录中表A2、表A3的数据是由能源部电力科学研究院收集的各厂家的数据,其他部分选自第一机械工业部标准 JB 2596-79。
珊录B
水柱安全距离的确定
(参考件)
水柱安全距离主要取决于水柱的操作波放电特性和泄漏电流特性,而水柱的工频放电特性不起决定性作用。
水柱的操作波特性
水柱的长度、水枪喷口的直径、水电阻率等因素直接影响水柱的操作波放电电压值,其中水柱长度与操作波放电电压几乎呈线性关系,图B1、图B2示出当水电阻率β为23002·cm时,各种不同喷口直径下水柱长度L与操作波50%放电电压Uso的曲线关系。由此看出,保持一定的水柱长度是保证在操作过电压下水柱不闪络的关键。
p=23000·cm
水柱长度,m
GB13395—92
图B1操作波放电电压与水柱长度的关系(小水冲范围)
2水柱的泄漏电流特性
p=23000: em
水柱长度,m
图B2操作波放电电压与水柱长度的关系(中、大水冲范围)
水柱的泄漏电流与施加的工频电压几乎呈线性关系,在一定的电压下水柱的泄漏电流随着水柱长度的增加而减小随着水枪喷口直径的增大而增大;而水电阻率的变化对泄漏电流影响较小,这是因为具有较高压力的水柱中有很多空气间隙,它成为限制泄漏电流的主要因素。图B3a、图B3b示出水电阻率p为23002·cm,电压U为127kV时泄漏电流与喷口直径的关系。图B4a、图B4b示出相同条件下泄漏电流与水柱长度的关系。
VE·诚制
p=23000·cm
U=127kV
图B3a泄漏电流与喷口直径
的关系(大水冲)
喷口直径mm
U=127kv
p-23000cm
喷口直径.mm
图B3b泄漏电流与喷口直径
的关系(小水冲)
·电刺
U=127kv
p = 23 00 Q-cm
GB 13395--92
②喷口直径2.0mm
①喷口直径1. 5mm
图B4a
水柱长度,㎡
泄漏电流与水柱长度
的关系(小水冲)
B3安全距离的确定
500/50
图B4b
p=2300n.cm
U=127kv
③#13
用纵座标
内侧标度
水柱长度,m
泄漏电流与水柱长度
的关系(大水冲)
从保证人身安全的角度出发,要求水柱绝缘能满足以下两个条件:①当系统中出现操作过电压时水柱不发生闪络;②在最大工作电压下流经人体的电流不超过1mA。B3.1按操作过电压确定的水柱最小距离根据试验得到的不同喷口直径下不同水柱长度时的操作波放电电压(U5。)及标准偏差(α),推算出水柱的操作波耐受电压(Uw)。
Uw-U5o ·(1--3a)
其中Us.取正、负极性操作波试验得到的放电电压数据中偏低者,o取试验所得的标准偏差中的最大值。
这样,可以得出操作波耐受电压与水柱长度的关系曲线。其图形与图B1、图B2相似,只是曲线向下平移Uso·3α(图形略)。再根据系统中不同电压等级操作过电压幅值(中性点有效接地系统中按3倍最大运行相电压考虑,中性点非有效接地系统按4倍最大运行相电压考患)确定水柱最小长度5smin!,列于表B1。
小水冲
中水冲
大水冲
根据操作过电压提出的Smin1值
水电阻率,Q·cm
定额电压,kv
喷口真径,mm
B3.2由泄漏电流确定的水柱最小长度根据通过人体的泄漏电流应小于1mA的要求及泄漏电流与水柱长度的关系曲线。就可以提出不同电压等级、不同喷口直径下水柱的最小长度。例如由图B4a、图B4b可提出水电阻率β为23002·cm285
GB13395---92
时,220kV的不同喷口直径所对应的最小火柱长度。由于水枪喷口接地状况不同,流经人体的电流不间(其示意图及等值电路见图B5),可分别提出喷口不接地与喷口接地时水柱的最小长度Smin2与Siuin3·列J表B2及表B3。
带电导体
(a)喷口不接地
带电导体
(b)喷口接地
(c)等值电路
带电水冲洗时流经人体的泄漏电流喷口不接地流过人体电流小于1mA时的smin2值表B2
水型電
中水冲
水电阻率,n·cm
额定电压,kv
喷口直径,mm
表B3喷口接地流过人体电流小于1mA时的Smin3值水电阻率,Q·cm
中水冲
大水冲
喷口直径、mm
额定电压,kV
B3.3喷口至带电体安全距离的确定综合表B1、表B2及表B3,可以提出既满足系统发生操作过电压时水柱不闪络的条件,又满足流过人体的泄漏电流小于1mA条件的水柱最小长度,定为喷口与带电体之间的安全距离。图B6表示了220kV电压等级下,水电阻率为2300Q·cm时喷口直径与安全距离的关系曲线。可以看出,对于喷口直径小于3mm的小水冲,由操作过电压提出的最小水柱长度起了主要作用,对于喷口直径大于4mm286
小提示:此标准内容仅展示完整标准里的部分截取内容,若需要完整标准请到上方自行免费下载完整标准文档。
标准图片预览:





- 其它标准
- 热门标准
- 国家标准(GB)
- GB/T18204.4-2000 公共场所毛巾、床上卧具微生物检验方法细菌总数测定
- GB/T11839-1989 二氧化铀芯块中硼的测定 姜黄素萃取光度法
- GB/T5738-1995 瓶装酒、饮料塑料周转箱
- GB/T28809-2012 轨道交通 通信、信号和处理系统 信号用安全相关电子系统
- GB/T9124.1-2019 钢制管法兰 第1部分:PN 系列
- GB/T21238-2007 玻璃纤维增强塑料夹砂管
- GB/T38780-2020 竹席
- GB/T14652.2-2001 小艇﹐非耐火燃油软管
- GB/T15917.3-1995 金属镝及氧化镝化学分析方法 对氯苯基荧光酮--溴化十六烷基三甲基胺分光光度法测定钽量
- GB5793-1986 字鼓式行式打印机色带卷轴基本尺寸
- GB/T11813-2008 压水堆燃料棒氦质谱检漏
- GB12951-2009 离子感烟火灾探测器用镅241α放射源
- GBZ/T248-2014 放射工作人员职业健康检查外周血淋巴细胞染色体畸变检测与评价
- GB∕T38227-2019 投资项目建设审批代办服务规范
- GB/T40094.2-2021 电子商务数据交易第2部分:数据描述规范
- 行业新闻
请牢记:“bzxz.net”即是“标准下载”四个汉字汉语拼音首字母与国际顶级域名“.net”的组合。 ©2025 标准下载网 www.bzxz.net 本站邮件:bzxznet@163.com
网站备案号:湘ICP备2025141790号-2
网站备案号:湘ICP备2025141790号-2