- 您的位置:
- 标准下载网 >>
- 标准分类 >>
- 国家标准(GB) >>
- GB/T 5806-2003 钢锉通用技术条件
标准号:
GB/T 5806-2003
标准名称:
钢锉通用技术条件
标准类别:
国家标准(GB)
英文名称:
General technical requirements for steel files标准状态:
现行-
发布日期:
2003-01-27 -
实施日期:
2003-07-01 出版语种:
简体中文下载格式:
.rar.pdf下载大小:
242.14 KB
替代情况:
GB/T 5806-1986 GB/T 5807-1986 GB/T 5808-1986 GB/T 5809-1986采标情况:
ISO 243-2:1982,NEQ
点击下载
标准简介:
标准下载解压密码:www.bzxz.net
本标准规定了钢锉的产品分类与编号、技术要求、试验方法、检验规则、包装、标志、运输和贮存。本标准适用于钢锉。 GB/T 5806-2003 钢锉通用技术条件 GB/T5806-2003
部分标准内容:
B/5806--2003
本;准代替65806-1995梯人通用技条件4k/58C71336*链刀式验力达GB/58991936整.控数观则、标志与他装和3/589.-19864销介类,综号规斯3.标的录对量于同际标准1%)234-2:1992钢座和伴——第2分:垒纹的特征》美文版)。标准与IS()242192致4度非等效木标编时求B与IS)2.11-2192十要差异如下:
将一此适用于巨示标准闪表述改为适用于我国标准的表述;H雄纹号代芬[$)234-2:1962齿型区分:性加了拍形制、异形、钟表和特殊钟表性的述纹多数:增加辅助丝效的参微。
本标准GT80F-F9—13比士要变化如下:带加【诚验方贝第5幸
潜加了格鉴规则初包装标惠,送怖与存(以募5牵和第7查);带加了钢坐的规定代号沈附);消加广钢述锂设象数(附孕)。本标准的录入附录为热范件阴录。市标准北中国轻工业联合会提山本标证全压二乒五金际准化中心州I。本标准负责起草单位:上海市工具工净矿充新参如起草单位:工海进河超厂,1.两网单一厂本标准主要起草人退令、来好生、惠至祥外炭德,本标准所代替标准的历次版六发有性况.为:GT/T 5R5.~i80R:1986,
1范丙
钢通用技术条件
GB/T68C6—2003
本标雕规定了钢锋方产品分类与编号,我术要求,试验方快.检验现训、包装、标心、屋验与购存,5标准适用丁钢独。
2规获性引用文件
下列文件巾的条款通本标准的引收孕本标确的杀款凡定注上期的用定件,其雕户所有的修改单(小也活勘误的内容)或修订版均不适用于本标准,然而,或息根据本标准认成办议的务方说究再可使用这些文作的展新服车,凡是不注日期的引用文作,共最所版本适用于本标准。(/230金异资民传需频方法((B/2.W-t99!ne93(3c538:18)心B/18—05楼具别装条件
GB/12828—1987遥批检查数拍样强及档表(道用于连续批节接吉)GB/T4340.1金展链反使度试验第1部分:试整力法((B/T4340.1--1%S,egV150607--1GB/二53nS、于上具包装,标志送摘与贮存3产品分类与端号
3.1分类
钢键度用途升为过工伴.锯锌,特形弹,异形伴,钟伴,待殊钟去,代料!3.2编号原则
产晟继专自关别代号,式代、其他代专、规格、座没号组成x
-妮格
-其他代号
型式代号
港别代号
系刚:钳类的半述,2501号效
Q-ush-250-1
3.3规定代号
钢进的类别代号、型式代学、其他代号的现定必降录人,4技术要求
4.1表面质量
4.1.1整形部、升形坐、钟表部、行炭表祥消端不应有期最州归和漏出现象,4、1,2川回一的主铺性蚊的达缘应拼盖(羊燃旋链经除外!:G/r5606—2003
4.1.3继身表面不分许有折受,黑案、崩齿.裂较、铸迹等缺陷:4.2性效参效
焖效多附。
4.3碍度
4.3.1钳工锋,锯忧,整影钱,异形链、钟表链,特深钟来縫的硬度应在G2R以上,木性的硬凝不低于20HRC
4.3.2错二些、端性都硬座,从阅尖起全长五分之三区取不限高平38HRC。4.4继绞距差数与效距的比值
最人与按小链较距的差数与最大继鼓臣的,乡信偿表:规实表 1最大与最小姓效距的些数与最大链纹距的比值每1:-n:n轴同长此内的也条效
5. 5 ~ ts
32-·58
100---12
2.5直线度
钳工锋,辑伴的直缇退按表2规定。表2
4.6齿高最小值
峰木添
项六与改小要效更内关效与最大外限物比旧1/10
≤51/10
钳工,锯垫的直线度
均伴捐部全长5浴范田内,主针较因偏卫产生出高最小值别工性皮不小」法可步臣的.短应不小于然向齿距的2为,
锉销期与锉身的距离公差
针.1链锯锌梢端与性身平于部分和应面(母毁>的高公差不得大于表3的规定,其举拍得楚过性专半行部分相定而(母)表 3钳工链、帜性性梢端与體身平行部分相应而母线1的距离公差规
124-15>
2uu--30u
350--450
非限性相部点充许间双面弯析劳与平行邻分相立的心高公尝
确性,三乐锂.方送也些正就两个州邻或相州山(战)的距两公
4.8热直度公差
偏接、催和邻面的需自度公差个得人于2”,5试验方法
5.1装面质量梭验
阀端表面质量川目谢检验·并以五倍放大镜检查有无数较,5.2尺寸检验
的尺寸以通量或专月血规测益。5.2.1钳工详、偏链、本在近链效处的光坏上测盘。5.2.2常形性,钟表链,择殊钟衣等在距光坏部牙15Tm的性较上免量,5.2.3异形锂在有链较的最大固上测且。5.3硬度试验
GB/5806—20Q3
5.3.1钢锋便度试验应在链身半行部分的挫步部位截取试样,试样长度为25mⅡ,试样以要去链齿后在齿根部分测试硬2。血采用表而热处理或化学热处理的病钱,则应在最后一条逆数5m~10n的光述工式其额,
5.3.2硬度试验--取采用诺民心标尺,也可采用落反A标尺成维氏硬度计测试店按算,但钢锋式详表而试验层最小原度应符合路民和维氏研也试验法的规定:5.3.3整出度计验应经表面后轻合试验录件时方测试。5.3.4制评硬度试验、除本标准规定外,均应等合GB/T23D和B/14340.1为现定。5.4齿类砸和钟利性试瞻
齿尖硬度和译利性试验应又用符合表退衰的检验板进行,出火不标有剪刃和打州我象:表4齿尖厦和锋利性试验
错二性
特染萍去性
5.5直载度试验
B/T12.-166的2
枣,懂、常.过
通信/He:
51~-57
尺寸/mm
2c ×+
5.5,1直线度或验应在(订-1型理小钱度专用测试券[.进行,其测试部院座在坐身子行部分的纹处。
5.5.2阅试行的公共确应符合表2的规定。5.6伴悄端与锉射的距离公差检验销工转、籍性销端与性身平行部相应业的离公差应在CI3-[型专用得成器工进行测量,其公养值应符合表3的域定.
5.7垂直度检验
启坐科方经相邻而的需文意公差用万然角尺检验。5.8齿形检验
形净测量定用批影设实一具量微镜格验,GE/T5806—2003
G检验规则
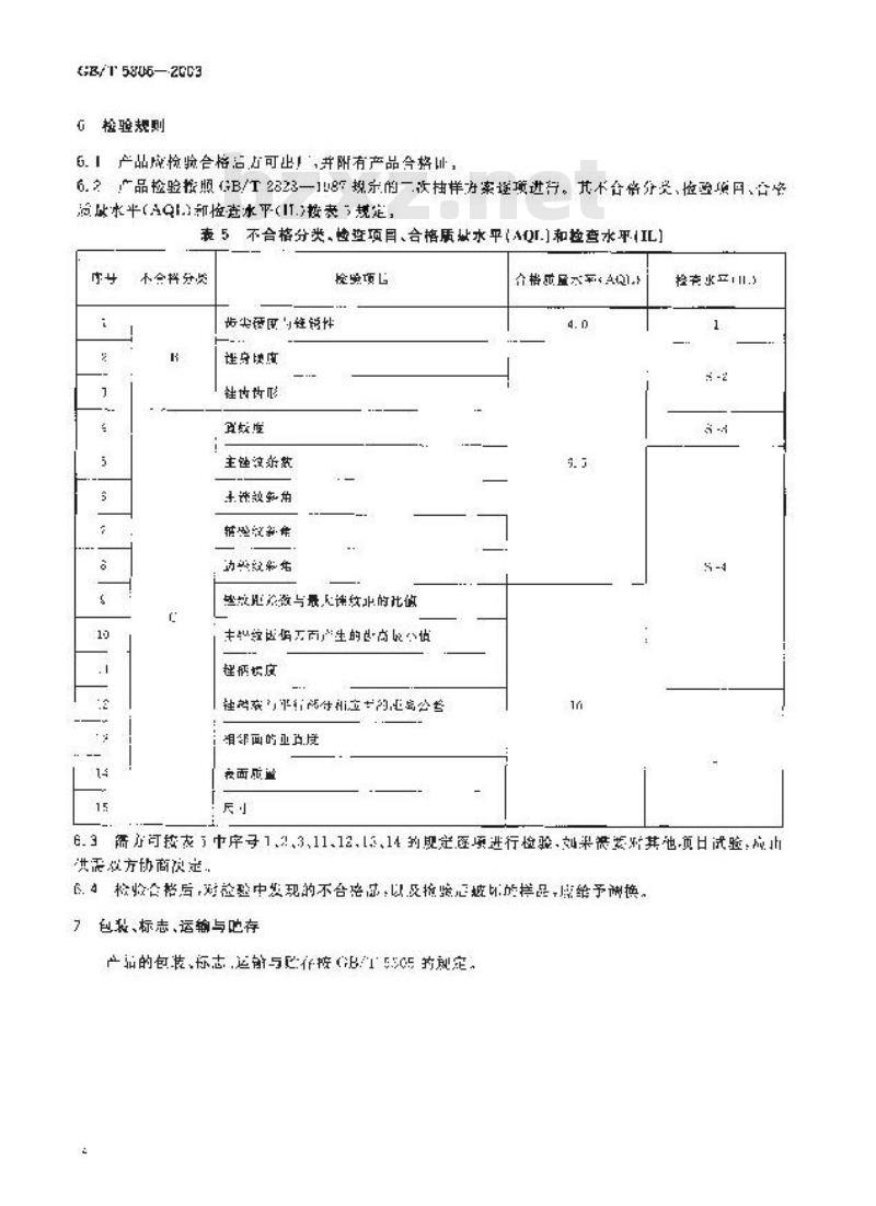
6.!产品成检验合格后右可止!并附有产品合格证,6.2产品检验报照6B/T2823一1087规示的一次抽样为案递项进行。其不合倍分关、检验项月,含资范成水平(AQI)和检变水平(II.)按表了规定,表5不合格分类、检查项目、合格质些水平(AQI.)和检查水甲IIL)序→
不合择分资
谨守块度
链攻故形
主逆这新款
大教知的
糖海淀争有
边就款年
检照项L
坐效肥系效与最,正详纹的比做
拟经肾百户生的总高心
程病板店
平有公
种面验盖
6.3需可按表5中序号1.!3、11.12,13,14的现定医项进行检验,刘果丧其他页日试验,成共需改方协商次定
.4检验合格后,对检整中发现的不合路函,以及核端定被以的样品感给予谢换。包装、标志、运输与贮存
产拍的包装、标志,运前与些在接药划定。A1钢链的类别代号
润铃的类代零见表A.1.
类别代号
A.2钢链型式代号
钢坐型式代号沈表A.2:
类别代号
附录A
(规范性附录)
钢链的规定代号
壶A.1钢链类别代号
钢链型式代号
地工法
技形锌
异形锌
GR/T5806—2C03
济会点教
尖肩涩
三角湾
齐头·张锅桂
处头二准诺询
升头品铝链
交头房误外
专形谢心
面角些
GB/T 5806-2003
类验代5
按形影理
异形性
表A2续
齐人艳
尖头自印
半国隆
单面三角性
!形性
摘面博
四边情
失头前垫
三分姓
单面三轻
万彩钧
双半医
附匠事
齐义期
三片锉
白病三油性
报迎隆
4.3钢链其他代号
其也代专见表,3,
特然辣老性
表4.2(续)
表 4.3 相锂其他代号
将通型
源筑型
(B/T 5806—2003
齐头自链
三角塑
单面三角烨
力需棉
扁木桃
半图大幢
纠本性
家共国性
CB/15806—2003
本险录适于各类明销和本钱
B.1术语和定义bzxz.net
下列术语证定义适用下本标业,13. 1. 1
主链蓉
principrd cul
时录H
抑范性录)
半教整了面上的辨较或双教上在第一次伴较上耳别上的第二次的丝纹:B. 1. 2
Aprincipal cuttingangle
主挫纹料角
主档绞双谜身轴之间的夹角(见图三)。键效备中
主锉纹解角
Tcaareness af cut for files
钢性性效条数
格钢坐猫载每15的生链效录数
B.2.1钳工学【双效】
B.2.1.1齐头扁继、类头扇轻、卡网链、随伴.和三角锂均效参数见表E,1、规格
GB/T 5806—2003
表B.1齐头扁链、尖头扁锉,半匹继、例锉,方链和与角锉的链纹参数向1nm性数条数
整效+
-%(其公差不是,5等对
可网整为c.条!
B. 2. 1. 2
糖外级集社
为主链统条
然的%
决维效年款
为主型纹巢数
采用恢旋谁效的面性,其迷效参数况左B.2主些资新
号净效
表B.?采用课资性纹圆催的继蚊参然赵格:mur
中爆效
年10m兰拌效系数书致号
其足0.制
.2.1.3商应不心亏士继纹法向匹距的45%、而钛数来效
士效系的5
随迎效迎
号样约
达性效
新集e
:上塑纹科有辅然纹科鱼
15°--55'
.2.1.4轻级前角:主详条小于或等于28条时不得超过一1U,人」或单十32条时人得超讨
B.2.2锯锉
H,2.7. 1据燃的逃统参数见表B.3。GB/T5806—2003
猛1cmm三肉说纯统杀粒
普通型
表H.3锯性的性效参数
每10nm月格
性性纹策致
Ⅱ.2.2.2齿商应不小于三链数法间齿距的353。月2.2.3齿前角不得渠过1。
日.2.3形锌、聚形锌、钟衰链、特殊钟表形务型
虚按教数
延往款
主佛这系成的
H.2.3.1整形评.早形伴,钟表逆和特殊钟表染的效感敏见表B.4.主性这料有边燃纹科构
表B.4、整形锉、异形锉、钟表链和持殊钟表链的链实数1主较条数
规落,
10c112
100112
措续段近续效
为主神
--stes
认钱蚊
苗性效
GB/T5806—2003
.2.3.2齿商应不小丁主继效法向出距的40,在刀拍端10加m长废用齿尚不小于381%,用切齿这制成的锉刀虚本小于性数法间齿鹿的%。B.2.4本链
R.2.4.1本锉的行部分上每平方厘米的步数2按式(T3.1>进行计算,2=100uim12
或中:
元一每排齿数!
上一第一排和第十一拌步间距离单位为毫米(m):伴一每排齿中第
齿和最后一个齿之间距离,单位为亲水(r-m)。第十--样出
一并步
B.2.4.2术挫的平行部分上转平为属次的齿数允差三10%.(R,J3
小提示:此标准内容仅展示完整标准里的部分截取内容,若需要完整标准请到上方自行免费下载完整标准文档。
本;准代替65806-1995梯人通用技条件4k/58C71336*链刀式验力达GB/58991936整.控数观则、标志与他装和3/589.-19864销介类,综号规斯3.标的录对量于同际标准1%)234-2:1992钢座和伴——第2分:垒纹的特征》美文版)。标准与IS()242192致4度非等效木标编时求B与IS)2.11-2192十要差异如下:
将一此适用于巨示标准闪表述改为适用于我国标准的表述;H雄纹号代芬[$)234-2:1962齿型区分:性加了拍形制、异形、钟表和特殊钟表性的述纹多数:增加辅助丝效的参微。
本标准GT80F-F9—13比士要变化如下:带加【诚验方贝第5幸
潜加了格鉴规则初包装标惠,送怖与存(以募5牵和第7查);带加了钢坐的规定代号沈附);消加广钢述锂设象数(附孕)。本标准的录入附录为热范件阴录。市标准北中国轻工业联合会提山本标证全压二乒五金际准化中心州I。本标准负责起草单位:上海市工具工净矿充新参如起草单位:工海进河超厂,1.两网单一厂本标准主要起草人退令、来好生、惠至祥外炭德,本标准所代替标准的历次版六发有性况.为:GT/T 5R5.~i80R:1986,
1范丙
钢通用技术条件
GB/T68C6—2003
本标雕规定了钢锋方产品分类与编号,我术要求,试验方快.检验现训、包装、标心、屋验与购存,5标准适用丁钢独。
2规获性引用文件
下列文件巾的条款通本标准的引收孕本标确的杀款凡定注上期的用定件,其雕户所有的修改单(小也活勘误的内容)或修订版均不适用于本标准,然而,或息根据本标准认成办议的务方说究再可使用这些文作的展新服车,凡是不注日期的引用文作,共最所版本适用于本标准。(/230金异资民传需频方法((B/2.W-t99!ne93(3c538:18)心B/18—05楼具别装条件
GB/12828—1987遥批检查数拍样强及档表(道用于连续批节接吉)GB/T4340.1金展链反使度试验第1部分:试整力法((B/T4340.1--1%S,egV150607--1GB/二53nS、于上具包装,标志送摘与贮存3产品分类与端号
3.1分类
钢键度用途升为过工伴.锯锌,特形弹,异形伴,钟伴,待殊钟去,代料!3.2编号原则
产晟继专自关别代号,式代、其他代专、规格、座没号组成x
-妮格
-其他代号
型式代号
港别代号
系刚:钳类的半述,2501号效
Q-ush-250-1
3.3规定代号
钢进的类别代号、型式代学、其他代号的现定必降录人,4技术要求
4.1表面质量
4.1.1整形部、升形坐、钟表部、行炭表祥消端不应有期最州归和漏出现象,4、1,2川回一的主铺性蚊的达缘应拼盖(羊燃旋链经除外!:G/r5606—2003
4.1.3继身表面不分许有折受,黑案、崩齿.裂较、铸迹等缺陷:4.2性效参效
焖效多附。
4.3碍度
4.3.1钳工锋,锯忧,整影钱,异形链、钟表链,特深钟来縫的硬度应在G2R以上,木性的硬凝不低于20HRC
4.3.2错二些、端性都硬座,从阅尖起全长五分之三区取不限高平38HRC。4.4继绞距差数与效距的比值
最人与按小链较距的差数与最大继鼓臣的,乡信偿表:规实表 1最大与最小姓效距的些数与最大链纹距的比值每1:-n:n轴同长此内的也条效
5. 5 ~ ts
32-·58
100---12
2.5直线度
钳工锋,辑伴的直缇退按表2规定。表2
4.6齿高最小值
峰木添
项六与改小要效更内关效与最大外限物比旧1/10
≤51/10
钳工,锯垫的直线度
均伴捐部全长5浴范田内,主针较因偏卫产生出高最小值别工性皮不小」法可步臣的.短应不小于然向齿距的2为,
锉销期与锉身的距离公差
针.1链锯锌梢端与性身平于部分和应面(母毁>的高公差不得大于表3的规定,其举拍得楚过性专半行部分相定而(母)表 3钳工链、帜性性梢端与體身平行部分相应而母线1的距离公差规
124-15>
2uu--30u
350--450
非限性相部点充许间双面弯析劳与平行邻分相立的心高公尝
确性,三乐锂.方送也些正就两个州邻或相州山(战)的距两公
4.8热直度公差
偏接、催和邻面的需自度公差个得人于2”,5试验方法
5.1装面质量梭验
阀端表面质量川目谢检验·并以五倍放大镜检查有无数较,5.2尺寸检验
的尺寸以通量或专月血规测益。5.2.1钳工详、偏链、本在近链效处的光坏上测盘。5.2.2常形性,钟表链,择殊钟衣等在距光坏部牙15Tm的性较上免量,5.2.3异形锂在有链较的最大固上测且。5.3硬度试验
GB/5806—20Q3
5.3.1钢锋便度试验应在链身半行部分的挫步部位截取试样,试样长度为25mⅡ,试样以要去链齿后在齿根部分测试硬2。血采用表而热处理或化学热处理的病钱,则应在最后一条逆数5m~10n的光述工式其额,
5.3.2硬度试验--取采用诺民心标尺,也可采用落反A标尺成维氏硬度计测试店按算,但钢锋式详表而试验层最小原度应符合路民和维氏研也试验法的规定:5.3.3整出度计验应经表面后轻合试验录件时方测试。5.3.4制评硬度试验、除本标准规定外,均应等合GB/T23D和B/14340.1为现定。5.4齿类砸和钟利性试瞻
齿尖硬度和译利性试验应又用符合表退衰的检验板进行,出火不标有剪刃和打州我象:表4齿尖厦和锋利性试验
错二性
特染萍去性
5.5直载度试验
B/T12.-166的2
枣,懂、常.过
通信/He:
51~-57
尺寸/mm
2c ×+
5.5,1直线度或验应在(订-1型理小钱度专用测试券[.进行,其测试部院座在坐身子行部分的纹处。
5.5.2阅试行的公共确应符合表2的规定。5.6伴悄端与锉射的距离公差检验销工转、籍性销端与性身平行部相应业的离公差应在CI3-[型专用得成器工进行测量,其公养值应符合表3的域定.
5.7垂直度检验
启坐科方经相邻而的需文意公差用万然角尺检验。5.8齿形检验
形净测量定用批影设实一具量微镜格验,GE/T5806—2003
G检验规则
6.!产品成检验合格后右可止!并附有产品合格证,6.2产品检验报照6B/T2823一1087规示的一次抽样为案递项进行。其不合倍分关、检验项月,含资范成水平(AQI)和检变水平(II.)按表了规定,表5不合格分类、检查项目、合格质些水平(AQI.)和检查水甲IIL)序→
不合择分资
谨守块度
链攻故形
主逆这新款
大教知的
糖海淀争有
边就款年
检照项L
坐效肥系效与最,正详纹的比做
拟经肾百户生的总高心
程病板店
平有公
种面验盖
6.3需可按表5中序号1.!3、11.12,13,14的现定医项进行检验,刘果丧其他页日试验,成共需改方协商次定
.4检验合格后,对检整中发现的不合路函,以及核端定被以的样品感给予谢换。包装、标志、运输与贮存
产拍的包装、标志,运前与些在接药划定。A1钢链的类别代号
润铃的类代零见表A.1.
类别代号
A.2钢链型式代号
钢坐型式代号沈表A.2:
类别代号
附录A
(规范性附录)
钢链的规定代号
壶A.1钢链类别代号
钢链型式代号
地工法
技形锌
异形锌
GR/T5806—2C03
济会点教
尖肩涩
三角湾
齐头·张锅桂
处头二准诺询
升头品铝链
交头房误外
专形谢心
面角些
GB/T 5806-2003
类验代5
按形影理
异形性
表A2续
齐人艳
尖头自印
半国隆
单面三角性
!形性
摘面博
四边情
失头前垫
三分姓
单面三轻
万彩钧
双半医
附匠事
齐义期
三片锉
白病三油性
报迎隆
4.3钢链其他代号
其也代专见表,3,
特然辣老性
表4.2(续)
表 4.3 相锂其他代号
将通型
源筑型
(B/T 5806—2003
齐头自链
三角塑
单面三角烨
力需棉
扁木桃
半图大幢
纠本性
家共国性
CB/15806—2003
本险录适于各类明销和本钱
B.1术语和定义bzxz.net
下列术语证定义适用下本标业,13. 1. 1
主链蓉
principrd cul
时录H
抑范性录)
半教整了面上的辨较或双教上在第一次伴较上耳别上的第二次的丝纹:B. 1. 2
Aprincipal cuttingangle
主挫纹料角
主档绞双谜身轴之间的夹角(见图三)。键效备中
主锉纹解角
Tcaareness af cut for files
钢性性效条数
格钢坐猫载每15的生链效录数
B.2.1钳工学【双效】
B.2.1.1齐头扁继、类头扇轻、卡网链、随伴.和三角锂均效参数见表E,1、规格
GB/T 5806—2003
表B.1齐头扁链、尖头扁锉,半匹继、例锉,方链和与角锉的链纹参数向1nm性数条数
整效+
-%(其公差不是,5等对
可网整为c.条!
B. 2. 1. 2
糖外级集社
为主链统条
然的%
决维效年款
为主型纹巢数
采用恢旋谁效的面性,其迷效参数况左B.2主些资新
号净效
表B.?采用课资性纹圆催的继蚊参然赵格:mur
中爆效
年10m兰拌效系数书致号
其足0.制
.2.1.3商应不心亏士继纹法向匹距的45%、而钛数来效
士效系的5
随迎效迎
号样约
达性效
新集e
:上塑纹科有辅然纹科鱼
15°--55'
.2.1.4轻级前角:主详条小于或等于28条时不得超过一1U,人」或单十32条时人得超讨
B.2.2锯锉
H,2.7. 1据燃的逃统参数见表B.3。GB/T5806—2003
猛1cmm三肉说纯统杀粒
普通型
表H.3锯性的性效参数
每10nm月格
性性纹策致
Ⅱ.2.2.2齿商应不小于三链数法间齿距的353。月2.2.3齿前角不得渠过1。
日.2.3形锌、聚形锌、钟衰链、特殊钟表形务型
虚按教数
延往款
主佛这系成的
H.2.3.1整形评.早形伴,钟表逆和特殊钟表染的效感敏见表B.4.主性这料有边燃纹科构
表B.4、整形锉、异形锉、钟表链和持殊钟表链的链实数1主较条数
规落,
10c112
100112
措续段近续效
为主神
--stes
认钱蚊
苗性效
GB/T5806—2003
.2.3.2齿商应不小丁主继效法向出距的40,在刀拍端10加m长废用齿尚不小于381%,用切齿这制成的锉刀虚本小于性数法间齿鹿的%。B.2.4本链
R.2.4.1本锉的行部分上每平方厘米的步数2按式(T3.1>进行计算,2=100uim12
或中:
元一每排齿数!
上一第一排和第十一拌步间距离单位为毫米(m):伴一每排齿中第
齿和最后一个齿之间距离,单位为亲水(r-m)。第十--样出
一并步
B.2.4.2术挫的平行部分上转平为属次的齿数允差三10%.(R,J3
小提示:此标准内容仅展示完整标准里的部分截取内容,若需要完整标准请到上方自行免费下载完整标准文档。
标准图片预览:





- 其它标准
- 热门标准
- 国家标准(GB)
- GB/T2828.1-2012 计数抽样检验程序 第1部分:按接收质量限(AQL)检索的逐批检验抽样计划
- GB/T18204.4-2000 公共场所毛巾、床上卧具微生物检验方法细菌总数测定
- GB/T228.1-2021 金属材料 拉伸试验 第1部分:室温试验方法
- GB/T23892.3-2009 滑动轴承 稳态条件下流体动压可倾瓦块止推轴承 第3部分:可倾瓦块止推轴承计算的许用值
- GB/T11839-1989 二氧化铀芯块中硼的测定 姜黄素萃取光度法
- GB/T97.1-2002 平垫圈A级
- GB/T7433-1987 对称电缆载波通信系统抗无线电广播和通信干扰的指标
- GB/T21238-2007 玻璃纤维增强塑料夹砂管
- GB/T28809-2012 轨道交通 通信、信号和处理系统 信号用安全相关电子系统
- GB15603-2022 危险化学品仓库储存通则
- GB/T9239-1988 刚性转子平衡品质 许用不平衡的确定
- GB/T15917.3-1995 金属镝及氧化镝化学分析方法 对氯苯基荧光酮--溴化十六烷基三甲基胺分光光度法测定钽量
- GB/T5738-1995 瓶装酒、饮料塑料周转箱
- GB/T13985-1992 照相机操作力和强度
- GB5793-1986 字鼓式行式打印机色带卷轴基本尺寸
- 行业新闻
请牢记:“bzxz.net”即是“标准下载”四个汉字汉语拼音首字母与国际顶级域名“.net”的组合。 ©2025 标准下载网 www.bzxz.net 本站邮件:bzxznet@163.com
网站备案号:湘ICP备2025141790号-2
网站备案号:湘ICP备2025141790号-2