- 您的位置:
- 标准下载网 >>
- 标准分类 >>
- 国家标准(GB) >>
- GB/T 4996-1996 联运通用平托盘 试验方法
标准号:
GB/T 4996-1996
标准名称:
联运通用平托盘 试验方法
标准类别:
国家标准(GB)
英文名称:
General-purpose flat pallets for through transit of goods-Test methods标准状态:
已作废-
发布日期:
1996-01-02 -
实施日期:
1997-08-01 -
作废日期:
2015-06-01 出版语种:
简体中文下载格式:
.rar.pdf下载大小:
396.19 KB
标准ICS号:
货物的包装和调运>>货运调运>>55.180.20通用托盘中标分类号:
综合>>标志、包装、运输、贮存>>A85集装箱、托盘、货架
替代情况:
GB 4996-1985采标情况:
eqv ISO 8611:1991
点击下载
标准简介:
标准下载解压密码:www.bzxz.net
本标准规定了用木、塑、钢等材料构成的联运通用平托盘的试验方法。本标准适用于公路、铁路、水路和航空联运的通用平托盘。 GB/T 4996-1996 联运通用平托盘 试验方法 GB/T4996-1996
本标准规定了用木、塑、钢等材料构成的联运通用平托盘的试验方法。本标准适用于公路、铁路、水路和航空联运的通用平托盘。
部分标准内容:
GB/T4996-1996
本标准是根据ISO8611:1991《联运通用平托盘——试验方法》对GB4996一85《木制联运平托盘试验方法》进行修订的,在技术内容上与该国际标准等效。修订时,保留了GB4996--85中实践证明适合我国情况,又不妨碍国际通用的那些内容。本标准规定的各项规则,涉及到联运通用平托盘试验方法。这些规定用来保证不同材质联运通用平托盘试验方法的统一,不论其具体内容如何,都尽可能达到相同的要求。在《联运通用平托盘》总标题下,包括以下三个标准:GB/T2934《联运通用平托盘主要尺寸及公差》GB/T4995《联运通用平托盘性能要求》GB/T4996《联运通用平托盘试验方法》本标准从生效之日起,同时代替GB4996一85。本标准由中华人民共和国交通部提出。本标准由交通部标准计量研究所归口。本标准起草单位:交通部标准计量研究所。大连港务局和上海港口设计研究院参加起草。本标准主要起草人:熊才启、高启斋、包尧有。本标准第一次修订。
本标准委托交通部标准计量研究所负责解释。26
GB/T4996--1996
ISO前言
ISO(国际标准化组织)是各国标准团体的世界性联合机构。起草国际标准的工作通常由ISO技术委员会进行。每一个成员团体有权派代表参加其所关心课题的技术委员会。各政府性或非政府性的国际组织,只要与ISO有联络关系的,也可以参加该工作。ISO与IEC(国际电工委员会)在所有电工技术标准化方面密切合作。
技术委员会通过的国际标准草案在被ISO理事会定为正式国际标准之前,需先经各成员团体赞同。按照ISO的规定,任何一项国际标准草案须得到其成员75%的同意票才能正式接纳为国际标准。国际标准ISO8611是由ISO/TC51\搬运成件货物用托盘”技术委员会起草的。该第二版取代第一版(ISO8611:1988),并增加了翼托盘试验(8.3)。27
1范围
中华人民共和国国家标准
联运通用平托盘试验方法
General-purpose flat pallets for through transitof goods--Test methods
本标准规定了用木、塑、钢等材料构成的联运通用平托盘的试验方法。本标准适用于公路、铁路、水路和航空联运的通用平托盘。2引用标准
GB/T 4996--1996
eqv IS0 8611: 1991
代替GB4996--85
下列标准所包含的条文,通过在本标准中引用而构成为本标准的条文。本标准出版时,所示版本均为有效。所有标准都会被修订,使用本标准的各方应探讨使用下列标准最新版本的可能性。GB3716—83托盘名词术语
GB4857.11-92包装运输包装件水平冲击试验方法3定义
本标准采用下列定义。
GB3716所列各项定义均适用于本标准。4试验托盘的测量和检查
4.1受验托盘均应进行检查,以保证其材料、结构及各项尺寸都符合各项规定的技术要求。4.2测定并记录每个托盘的质量,同时测定各个构件的含水量。5受验托盘数量和试验程序
选择三个或三个以上同样的受验托盘进行试验,并按本标准规定的严格次序进行各项试验的全部程序。翼托盘应进行第8、第9章列出的全八项试验,其他托盘不进行8.3条试验,只进行另外的七项试验。
每项试验的全部程序都应在同一托盘上进行。6预处理
6.1根据托盘材料及在流通过程中可能遇到的环境条件,选择预处理环境条件。6.2预处理环境条件
预处理环境条件见表1,要求如下:a)木制托盘的含水量不得少于18%,若低于此值,试验可继续进行,但每24h都应记录主要构件的含水量直至该试验项目结束;b)塑料托盘至少应有一个按环境条件A,另一托盘按环境条件B进行预处理;国家技术监督局1996-12-04批准28
1997-08-01实施
GB/T 4996---1996
c)对纸基和木基托盘至少应有一个按环境条件C或D进行预处理。注:由两种或两种以上材料组成的复合托盘,例如对多孔塑料支承胶合木铺板的结构,其预处理的要求更高。表1预处理环境条件
预处理的环境条件
不要求预处理(见6.2a)
-25±3
不要求预处理
1)包括含有胶粘剂或用胶粘剂胶粘而成的任何托盘。相对湿度
托盘材料
用金属紧固件的非加工(仅
用锯下料)木材
纸基和加工木材(如胶合免费标准bzxz.net
板、胶粒板))
全金属
6.3若预处理室合乎要求而整个试验室却不能维持所需工况,则应在托盘移出预处理室后的1h之内开始试验。采用环境条件A和B时,应在托盘移出预处理室后立即开始试验。每个单项试验完成之后,要求环境条件A或B的托盘立即放回预处理室至少1h。6.4木材或以木为基材的托盘,在全部试验程序开始时,应记录所选定托盘构件的含水量。7试验设备的精度
7.1第8和9章所述的各种试验设备应满足以下要求:a)在试验设备的设计中,所有尺寸的公差应为士2%;b)试验用计量设备的分辨率/精度应高于土0.5mm;c)每个构件包括试验载荷的定位准确度应为士2 mm;d)和第8章有关的试验载荷的重心定位准确度应为士20mm;e)所用的试验载荷的总质量应在预定值的士3%之内。7.2在最大试验载荷作用下,任何试验台的部件挠度都不应大于2mm。7.3斜面试验设备结构按GB4857.11的规定。8静态试验
对于8.1~8.4中所列各项静态试验,施加的试验载荷在任何情况下都应计入载荷板及载头的重量。
8.1堆码试验
本试验的目的是为了确定托盘或托盘角垫块对局部竖向载荷的抗压强度。8.1.1变形测量
按8.1.2规定的方法进行试验,在下列时刻记录如图1所示的A点处顶面铺板相对于地面(或试验机架)的高差值的变化。
a)在准载荷时(见8.1.2);
b)在满载荷阶段的开始及结束时;c)卸载时,在准载荷条件下每隔5min直至连续几次读数均无变化时为止(最长时间以1h为限)。取A,和A2点(见图1)测量的平均值作为A点的挠度。在斜对角上重复此试验时,应对B点作同样的测定(见8.1.2)。8.1.2试验程序
GB/T 4996--1996
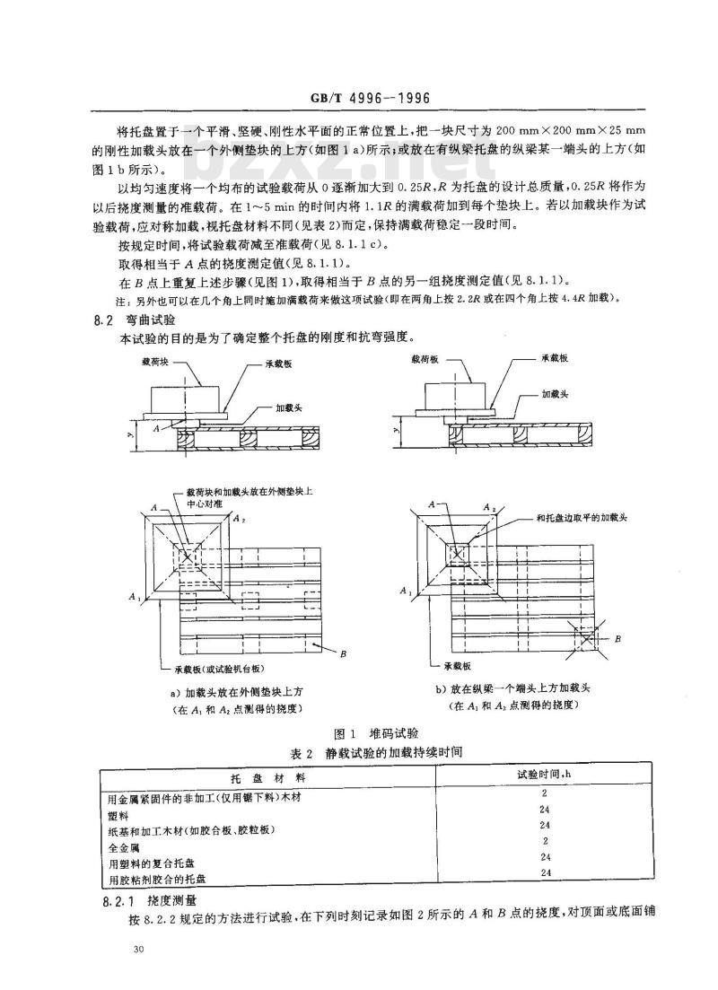
将托盘置于-个平滑、坚硬、刚性水平面的正常位置上,把一块尺寸为200mm×200mm×25mm的刚性加载头放在一个外侧垫块的上方(如图1a)所示;或放在有纵梁托盘的纵梁某一端头的上方(如图1b所示)。
以均匀速度将一个均布的试验载荷从0逐渐加大到0.25R,R为托盘的设计总质量,0.25R将作为以后挠度测量的准载荷。在1~5min的时间内将1.1R的满载荷加到每个垫块上。若以加载块作为试验载荷,应对称加载,视托盘材料不同(见表2)而定,保持满载荷稳定一段时间。按规定时间,将试验载荷减至准载荷(见8.1.1c)。取得相当于A点的挠度测定值(见8.1.1)。在B点上重复上述步骤(见图1),取得相当于B点的另一组挠度测定值(见8.1.1)。注:另外也可以在几个角上同时施加满载荷来做这项试验(即在两角上按2.2R或在四个角上按4.4R加载)。8.2弯曲试验
本试验的目的是为了确定整个托盘的刚度和抗弯强度。数荷块
承载板
载荷块和加载头放在外侧垫块上中心对准
承载板(或试验机台板)
a)加载头放在外侧垫块上方
(在A,和A2点测得的挠度)
载荷板
承载板
承载板
加载头
和托盘边取平的加载头
b)放在纵梁一个端头上方加载头(在A:和A2点测得的挠度)
图 堆码试验
表2静载试验的加载持续时间
托盘材料
用金属紧固件的非加工(仅用锯下料)木材塑料
纸基和加工木材(如胶合板、胶粒板)全金属
用塑料的复合托盘
用胶粘剂胶合的托盘
试验时间,h
8.2.1挠度测量
按8.2.2规定的方法进行试验,在下列时刻记录如图2所示的A和B点的挠度,对顶面或底面铺30
GB/T4996—1996
板的上(或下)表面和地面(或试验机架)的相对高差进行测量:a)在准载荷时(见8.2.2);
b)在满载荷阶段的开始及结束时;c)卸载时,在准载荷条件下每隔5min直至连续几次读数无变化时为止(最长时间以1h为限)。各项尺寸均以mm为单位
载荷块
承载板
加载头
试验载荷
图2使用方支座和加载头的弯曲试验(同时见图3)测量加载头正下方的两铺面之间的距离h。沿托盘的第二根水平轴重复上述步骤,在C和D点以及两铺板之间进行同样的测量(见8.2.2)。8.2.2试验程序
把托盘项铺板朝上放在正方形(或半圆形)支座上,支座的内边缘(或中心线)离托盘的外边缘75mm(见图2)。加载头应放在0.251,处,测量时,l1为托盘正方形支座内边缘或半圆形支座中心线之间的距离(见图2)。
加载头、支座应和托盘齐平或伸出托盘之外。边缘应做成如图3所示半径为2mm的弧边。以均匀速度将试验载荷从0逐步加大至0.1R,以此作为以后挠度测量的准载荷。用1~5min的时间加至1.25R的满载荷。若用加载块作为试验载荷,应对称加载。视托盘材料不同(见表2)而定,保持满载荷稳定一段时间。
按规定时间,将试验载荷减至准载荷(见8.2.1c)。取得A和B点的挠度测定值(见8.2.1)。沿托盘的第二根水平轴重复上述步骤(即沿托盘的长度和宽度方向做试验),将加载头放在0.2512处,根据托盘支座的内边缘或中心线测量,12为方支座的内边缘或半圆形支座中心线之间的距离(见图2和图3)。取得C和D点的另一组挠度测定值(见8.2.1)。31
接触线
8.3翼托盘试验
GB/T4996—1996
图3托盘另一种支座/加载头
各项尺寸以mm为单位
铺面板
接触线
本试验的目的是为了确定整个翼托盘用衡杆起吊时的刚度和抗弯强度。在8.2弯曲试验后立即进行这项试验。
8.3.1挠度测量
按8.3.2规定的方法进行试验,在下列时刻记录如图4所示的A和B点的挠度,对顶面(或底面)铺板的上(或下)表面和地面(或试验机架)的相对高差进行测量:a)在准载荷时;
b)在满载荷阶段的开始及结束时;c)卸载时,在准载荷条件下(见8.3.2)每隔5min直至连续几次读数无变化时为止(最长时间以1h为限)。
8.3.2试验程序
把翼托盘顶铺板朝上放在置于顶铺板翼下的支座上,使支座与该托盘的纵梁/承载杆或垫块接角,每个加载头应放在支座内边至加载头外边的距离相当于0.2511处(见图4)。加载头和支座见8.2.2。
注:本试验是模拟杆吊,而不是钢索起吊。32
GB/T 4996
—1996
各项尺寸均以mm为单位
载荷块
承载板
加载头
图4翼托盘(同时见图3)
》试验载荷
以均匀速度将试验载荷从0逐步加大至0.1R,以此作为挠度测量的准载荷,用1~5min的时间加至1.25R的满载荷,若用加载块作为试验载荷,应对称加载,视托盘材料不同(见表2)而定,保持满载荷稳定一段时间。
按规定时间,将试验载荷减至准载荷(见8.3.1c)。取得A和B点的挠度值(见8.3.1)。8.4底铺板试验
本试验的目的是确定两支点之间底铺板的刚度和抗弯强度。8.4.1挠度测量
按8.4.2规定的方法进行试验,在下列时刻记录如图5所示的A、B、C和D点的挠度,对顶铺板的上或下表面和地面(或试验机架)的相对高差进行测量:a)在准载荷时(见8.4.2);
b)在满载荷阶段的开始及结束时;c)卸载时,在准载荷条件下每隔5min直至连续几次读数无变化时为止(最长时间以1h为限)。在托盘的第二根水平轴上重复上述步骤,在图5所示的E、F、G和H点进行同样的测量(见8.4.2)。
8.4.2试验程序
把托盘的顶铺板朝下放在一个平滑、坚硬、刚性水平面上,并放置两个正方形或半圆形的加载头(如图5所示),加载头的中心线介于垫块或纵梁板的中间(即在0.513、0.51.和0.515处)。加载头应伸出托盘底面边缘或与其齐平并且应对称放置于托盘中心线的左右两侧。以均匀速度将试验载荷从0逐步加大到0.1R,以此作为以后挠度测量的准载荷。用1~5min的时间加至1.15R的满载荷。若用加载块作为试验载荷,应对称加载。视托盘材料不同(见表2)而定,保持满载荷稳定一段时间。
按规定时间,将试验载荷减至准载荷(见8.4.1)。取得A、B、C和D点的挠度测定值(见8.4.1)。除纵梁托盘以外的其他托盘,沿托盘的第二根水平轴重复上述步骤(即在沿托盘的长度和宽度方向做试验),将加载头的中心线放在垫块中间(即0.514处)(见图5a)。取得E、F、G和H点的另一组挠度测定值(见8.4.1)。33
9冲击试验
GB/T4996—-1996
本试验的目的是模拟直达运输中有代表性地传递给托盘的正常冲击载荷,并确定托盘对它的抵抗能力。
9.1倾斜试验
对于三项斜面试验载荷均为0.075R,试验载荷包括个平面尺寸为600mm×800mm(见图6)的载荷箱和箱内载荷,载荷箱的位置按照以下各个试验的要求而定。可拆卸的镶板边长至少要与受验托盘长度相等。试验载荷不应包括小车的重量。在前两项斜面试验(见9.1.1和9.1.2)中,小车在斜面上升起的距离为1000mm。第三项试验(见9.1.3)小车在释放前离开冲击点只需升起750mm的距离。每项试验都要重复三次。加载头中心线
等间隔
载荷块
承载板
加载头
试验载荷
底铺板(反置的托盘)
#)三纵梁板托盘(双向或部分四向进叉)或九垫块托盘(四向进叉)载荷块
试验载荷
承载板
加载头
底铺板(反置的托盘)
0.51s0.51s
等间隔
b)四纵梁板托盘
图5反置托盘的底铺板试验
9.1.1剪切试验
GB/T4996—1996
分成格子,有助于载荷均勾分布单位:mm
长边上的可拆卸的镶板
图6斜面试验用载荷箱
本试验的目的是确定顶面和底面铺板之间的抗剪强度。5
9.1.1.1测量
按9.1.1.2规定的方法进行试验,测得A和B点以及C和D点之间挠度的变化(见图7)。沿受冲击面的若干测点记录这些数据。图7剪切试验
测量点
9.1.1.2试验程序
把一个钢制的或高密度硬木限位挡块固定在后挡板的正面,挡块的名义断面为90mm×90mm,其长度至少等于托盘的长边。当小车处于最低位置时,挡块上边缘应在托盘底面(小车顶面)以上15mm(见图8)。
把托盘放在斜面试验机的小车上,当托盘的前缘触及挡块时,小车和挡块之间尚有75mm士25mm的空隙。
把载荷箱居中放在托盘上,用压重物将载荷增加到0.075R,使得加载中心正好是在沿轨道向下运动的轴线上,但偏向载荷箱的上部。把小车和已装载的托盘沿斜面向上拉到离冲击点1000mm处,然后放开。重复上述步骤,再做两次,每次冲击之前都要重新摆好托盘、小车和载荷的位置,然后按9.1.1.1规定测得数据。
沿托盘的第二根水平轴,以同样的程序再进行三次冲击试验,然后取得规定的测量值。35
后挡板
GB/T4996—1996
各项尺寸以mm为单位
载荷箱
a)释放前的位置
载荷箱
·小车
b)冲击位置
图8斜面剪切试验
9.1.2顶铺板边缴冲击试验
本试验的目的是确定顶部前边缘铺板的抗撑开的能力,也适用于纵梁板。9.1.2.1测量
按9.1.2.2规定的方法进行试验,记录z1、y1、yz和y3变形量(见图9)。还应记录冲击点的嵌入深度和综合损伤情况。
图9顶铺板边缘冲击试验
9.1.2.2试验程序
使用前述斜面试验装置和如图10所示的缓冲块。36
测量点
GB/T4996
R12±2
沉头孔
R12±2
图10顶铺板和角冲击试验设备的缓冲块单位:mm
把托盘和0.075R的载荷箱一起放在试验装置的小车上。载荷中心正好在运动的轴线上,但偏向载荷箱的下部。
把缓冲块和托盘叉孔在高度上对准,做到在离开柄面100mm和250mm之间的某处,边板能够撞到刀身的项面(见图11)。每次的冲击点都应落在此范围内。挡板
6°+0.8°
缓冲块
a)释放前的位置
载荷箱
图11顶铺板边缘冲击试验设备
小提示:此标准内容仅展示完整标准里的部分截取内容,若需要完整标准请到上方自行免费下载完整标准文档。
本标准是根据ISO8611:1991《联运通用平托盘——试验方法》对GB4996一85《木制联运平托盘试验方法》进行修订的,在技术内容上与该国际标准等效。修订时,保留了GB4996--85中实践证明适合我国情况,又不妨碍国际通用的那些内容。本标准规定的各项规则,涉及到联运通用平托盘试验方法。这些规定用来保证不同材质联运通用平托盘试验方法的统一,不论其具体内容如何,都尽可能达到相同的要求。在《联运通用平托盘》总标题下,包括以下三个标准:GB/T2934《联运通用平托盘主要尺寸及公差》GB/T4995《联运通用平托盘性能要求》GB/T4996《联运通用平托盘试验方法》本标准从生效之日起,同时代替GB4996一85。本标准由中华人民共和国交通部提出。本标准由交通部标准计量研究所归口。本标准起草单位:交通部标准计量研究所。大连港务局和上海港口设计研究院参加起草。本标准主要起草人:熊才启、高启斋、包尧有。本标准第一次修订。
本标准委托交通部标准计量研究所负责解释。26
GB/T4996--1996
ISO前言
ISO(国际标准化组织)是各国标准团体的世界性联合机构。起草国际标准的工作通常由ISO技术委员会进行。每一个成员团体有权派代表参加其所关心课题的技术委员会。各政府性或非政府性的国际组织,只要与ISO有联络关系的,也可以参加该工作。ISO与IEC(国际电工委员会)在所有电工技术标准化方面密切合作。
技术委员会通过的国际标准草案在被ISO理事会定为正式国际标准之前,需先经各成员团体赞同。按照ISO的规定,任何一项国际标准草案须得到其成员75%的同意票才能正式接纳为国际标准。国际标准ISO8611是由ISO/TC51\搬运成件货物用托盘”技术委员会起草的。该第二版取代第一版(ISO8611:1988),并增加了翼托盘试验(8.3)。27
1范围
中华人民共和国国家标准
联运通用平托盘试验方法
General-purpose flat pallets for through transitof goods--Test methods
本标准规定了用木、塑、钢等材料构成的联运通用平托盘的试验方法。本标准适用于公路、铁路、水路和航空联运的通用平托盘。2引用标准
GB/T 4996--1996
eqv IS0 8611: 1991
代替GB4996--85
下列标准所包含的条文,通过在本标准中引用而构成为本标准的条文。本标准出版时,所示版本均为有效。所有标准都会被修订,使用本标准的各方应探讨使用下列标准最新版本的可能性。GB3716—83托盘名词术语
GB4857.11-92包装运输包装件水平冲击试验方法3定义
本标准采用下列定义。
GB3716所列各项定义均适用于本标准。4试验托盘的测量和检查
4.1受验托盘均应进行检查,以保证其材料、结构及各项尺寸都符合各项规定的技术要求。4.2测定并记录每个托盘的质量,同时测定各个构件的含水量。5受验托盘数量和试验程序
选择三个或三个以上同样的受验托盘进行试验,并按本标准规定的严格次序进行各项试验的全部程序。翼托盘应进行第8、第9章列出的全八项试验,其他托盘不进行8.3条试验,只进行另外的七项试验。
每项试验的全部程序都应在同一托盘上进行。6预处理
6.1根据托盘材料及在流通过程中可能遇到的环境条件,选择预处理环境条件。6.2预处理环境条件
预处理环境条件见表1,要求如下:a)木制托盘的含水量不得少于18%,若低于此值,试验可继续进行,但每24h都应记录主要构件的含水量直至该试验项目结束;b)塑料托盘至少应有一个按环境条件A,另一托盘按环境条件B进行预处理;国家技术监督局1996-12-04批准28
1997-08-01实施
GB/T 4996---1996
c)对纸基和木基托盘至少应有一个按环境条件C或D进行预处理。注:由两种或两种以上材料组成的复合托盘,例如对多孔塑料支承胶合木铺板的结构,其预处理的要求更高。表1预处理环境条件
预处理的环境条件
不要求预处理(见6.2a)
-25±3
不要求预处理
1)包括含有胶粘剂或用胶粘剂胶粘而成的任何托盘。相对湿度
托盘材料
用金属紧固件的非加工(仅
用锯下料)木材
纸基和加工木材(如胶合免费标准bzxz.net
板、胶粒板))
全金属
6.3若预处理室合乎要求而整个试验室却不能维持所需工况,则应在托盘移出预处理室后的1h之内开始试验。采用环境条件A和B时,应在托盘移出预处理室后立即开始试验。每个单项试验完成之后,要求环境条件A或B的托盘立即放回预处理室至少1h。6.4木材或以木为基材的托盘,在全部试验程序开始时,应记录所选定托盘构件的含水量。7试验设备的精度
7.1第8和9章所述的各种试验设备应满足以下要求:a)在试验设备的设计中,所有尺寸的公差应为士2%;b)试验用计量设备的分辨率/精度应高于土0.5mm;c)每个构件包括试验载荷的定位准确度应为士2 mm;d)和第8章有关的试验载荷的重心定位准确度应为士20mm;e)所用的试验载荷的总质量应在预定值的士3%之内。7.2在最大试验载荷作用下,任何试验台的部件挠度都不应大于2mm。7.3斜面试验设备结构按GB4857.11的规定。8静态试验
对于8.1~8.4中所列各项静态试验,施加的试验载荷在任何情况下都应计入载荷板及载头的重量。
8.1堆码试验
本试验的目的是为了确定托盘或托盘角垫块对局部竖向载荷的抗压强度。8.1.1变形测量
按8.1.2规定的方法进行试验,在下列时刻记录如图1所示的A点处顶面铺板相对于地面(或试验机架)的高差值的变化。
a)在准载荷时(见8.1.2);
b)在满载荷阶段的开始及结束时;c)卸载时,在准载荷条件下每隔5min直至连续几次读数均无变化时为止(最长时间以1h为限)。取A,和A2点(见图1)测量的平均值作为A点的挠度。在斜对角上重复此试验时,应对B点作同样的测定(见8.1.2)。8.1.2试验程序
GB/T 4996--1996
将托盘置于-个平滑、坚硬、刚性水平面的正常位置上,把一块尺寸为200mm×200mm×25mm的刚性加载头放在一个外侧垫块的上方(如图1a)所示;或放在有纵梁托盘的纵梁某一端头的上方(如图1b所示)。
以均匀速度将一个均布的试验载荷从0逐渐加大到0.25R,R为托盘的设计总质量,0.25R将作为以后挠度测量的准载荷。在1~5min的时间内将1.1R的满载荷加到每个垫块上。若以加载块作为试验载荷,应对称加载,视托盘材料不同(见表2)而定,保持满载荷稳定一段时间。按规定时间,将试验载荷减至准载荷(见8.1.1c)。取得相当于A点的挠度测定值(见8.1.1)。在B点上重复上述步骤(见图1),取得相当于B点的另一组挠度测定值(见8.1.1)。注:另外也可以在几个角上同时施加满载荷来做这项试验(即在两角上按2.2R或在四个角上按4.4R加载)。8.2弯曲试验
本试验的目的是为了确定整个托盘的刚度和抗弯强度。数荷块
承载板
载荷块和加载头放在外侧垫块上中心对准
承载板(或试验机台板)
a)加载头放在外侧垫块上方
(在A,和A2点测得的挠度)
载荷板
承载板
承载板
加载头
和托盘边取平的加载头
b)放在纵梁一个端头上方加载头(在A:和A2点测得的挠度)
图 堆码试验
表2静载试验的加载持续时间
托盘材料
用金属紧固件的非加工(仅用锯下料)木材塑料
纸基和加工木材(如胶合板、胶粒板)全金属
用塑料的复合托盘
用胶粘剂胶合的托盘
试验时间,h
8.2.1挠度测量
按8.2.2规定的方法进行试验,在下列时刻记录如图2所示的A和B点的挠度,对顶面或底面铺30
GB/T4996—1996
板的上(或下)表面和地面(或试验机架)的相对高差进行测量:a)在准载荷时(见8.2.2);
b)在满载荷阶段的开始及结束时;c)卸载时,在准载荷条件下每隔5min直至连续几次读数无变化时为止(最长时间以1h为限)。各项尺寸均以mm为单位
载荷块
承载板
加载头
试验载荷
图2使用方支座和加载头的弯曲试验(同时见图3)测量加载头正下方的两铺面之间的距离h。沿托盘的第二根水平轴重复上述步骤,在C和D点以及两铺板之间进行同样的测量(见8.2.2)。8.2.2试验程序
把托盘项铺板朝上放在正方形(或半圆形)支座上,支座的内边缘(或中心线)离托盘的外边缘75mm(见图2)。加载头应放在0.251,处,测量时,l1为托盘正方形支座内边缘或半圆形支座中心线之间的距离(见图2)。
加载头、支座应和托盘齐平或伸出托盘之外。边缘应做成如图3所示半径为2mm的弧边。以均匀速度将试验载荷从0逐步加大至0.1R,以此作为以后挠度测量的准载荷。用1~5min的时间加至1.25R的满载荷。若用加载块作为试验载荷,应对称加载。视托盘材料不同(见表2)而定,保持满载荷稳定一段时间。
按规定时间,将试验载荷减至准载荷(见8.2.1c)。取得A和B点的挠度测定值(见8.2.1)。沿托盘的第二根水平轴重复上述步骤(即沿托盘的长度和宽度方向做试验),将加载头放在0.2512处,根据托盘支座的内边缘或中心线测量,12为方支座的内边缘或半圆形支座中心线之间的距离(见图2和图3)。取得C和D点的另一组挠度测定值(见8.2.1)。31
接触线
8.3翼托盘试验
GB/T4996—1996
图3托盘另一种支座/加载头
各项尺寸以mm为单位
铺面板
接触线
本试验的目的是为了确定整个翼托盘用衡杆起吊时的刚度和抗弯强度。在8.2弯曲试验后立即进行这项试验。
8.3.1挠度测量
按8.3.2规定的方法进行试验,在下列时刻记录如图4所示的A和B点的挠度,对顶面(或底面)铺板的上(或下)表面和地面(或试验机架)的相对高差进行测量:a)在准载荷时;
b)在满载荷阶段的开始及结束时;c)卸载时,在准载荷条件下(见8.3.2)每隔5min直至连续几次读数无变化时为止(最长时间以1h为限)。
8.3.2试验程序
把翼托盘顶铺板朝上放在置于顶铺板翼下的支座上,使支座与该托盘的纵梁/承载杆或垫块接角,每个加载头应放在支座内边至加载头外边的距离相当于0.2511处(见图4)。加载头和支座见8.2.2。
注:本试验是模拟杆吊,而不是钢索起吊。32
GB/T 4996
—1996
各项尺寸均以mm为单位
载荷块
承载板
加载头
图4翼托盘(同时见图3)
》试验载荷
以均匀速度将试验载荷从0逐步加大至0.1R,以此作为挠度测量的准载荷,用1~5min的时间加至1.25R的满载荷,若用加载块作为试验载荷,应对称加载,视托盘材料不同(见表2)而定,保持满载荷稳定一段时间。
按规定时间,将试验载荷减至准载荷(见8.3.1c)。取得A和B点的挠度值(见8.3.1)。8.4底铺板试验
本试验的目的是确定两支点之间底铺板的刚度和抗弯强度。8.4.1挠度测量
按8.4.2规定的方法进行试验,在下列时刻记录如图5所示的A、B、C和D点的挠度,对顶铺板的上或下表面和地面(或试验机架)的相对高差进行测量:a)在准载荷时(见8.4.2);
b)在满载荷阶段的开始及结束时;c)卸载时,在准载荷条件下每隔5min直至连续几次读数无变化时为止(最长时间以1h为限)。在托盘的第二根水平轴上重复上述步骤,在图5所示的E、F、G和H点进行同样的测量(见8.4.2)。
8.4.2试验程序
把托盘的顶铺板朝下放在一个平滑、坚硬、刚性水平面上,并放置两个正方形或半圆形的加载头(如图5所示),加载头的中心线介于垫块或纵梁板的中间(即在0.513、0.51.和0.515处)。加载头应伸出托盘底面边缘或与其齐平并且应对称放置于托盘中心线的左右两侧。以均匀速度将试验载荷从0逐步加大到0.1R,以此作为以后挠度测量的准载荷。用1~5min的时间加至1.15R的满载荷。若用加载块作为试验载荷,应对称加载。视托盘材料不同(见表2)而定,保持满载荷稳定一段时间。
按规定时间,将试验载荷减至准载荷(见8.4.1)。取得A、B、C和D点的挠度测定值(见8.4.1)。除纵梁托盘以外的其他托盘,沿托盘的第二根水平轴重复上述步骤(即在沿托盘的长度和宽度方向做试验),将加载头的中心线放在垫块中间(即0.514处)(见图5a)。取得E、F、G和H点的另一组挠度测定值(见8.4.1)。33
9冲击试验
GB/T4996—-1996
本试验的目的是模拟直达运输中有代表性地传递给托盘的正常冲击载荷,并确定托盘对它的抵抗能力。
9.1倾斜试验
对于三项斜面试验载荷均为0.075R,试验载荷包括个平面尺寸为600mm×800mm(见图6)的载荷箱和箱内载荷,载荷箱的位置按照以下各个试验的要求而定。可拆卸的镶板边长至少要与受验托盘长度相等。试验载荷不应包括小车的重量。在前两项斜面试验(见9.1.1和9.1.2)中,小车在斜面上升起的距离为1000mm。第三项试验(见9.1.3)小车在释放前离开冲击点只需升起750mm的距离。每项试验都要重复三次。加载头中心线
等间隔
载荷块
承载板
加载头
试验载荷
底铺板(反置的托盘)
#)三纵梁板托盘(双向或部分四向进叉)或九垫块托盘(四向进叉)载荷块
试验载荷
承载板
加载头
底铺板(反置的托盘)
0.51s0.51s
等间隔
b)四纵梁板托盘
图5反置托盘的底铺板试验
9.1.1剪切试验
GB/T4996—1996
分成格子,有助于载荷均勾分布单位:mm
长边上的可拆卸的镶板
图6斜面试验用载荷箱
本试验的目的是确定顶面和底面铺板之间的抗剪强度。5
9.1.1.1测量
按9.1.1.2规定的方法进行试验,测得A和B点以及C和D点之间挠度的变化(见图7)。沿受冲击面的若干测点记录这些数据。图7剪切试验
测量点
9.1.1.2试验程序
把一个钢制的或高密度硬木限位挡块固定在后挡板的正面,挡块的名义断面为90mm×90mm,其长度至少等于托盘的长边。当小车处于最低位置时,挡块上边缘应在托盘底面(小车顶面)以上15mm(见图8)。
把托盘放在斜面试验机的小车上,当托盘的前缘触及挡块时,小车和挡块之间尚有75mm士25mm的空隙。
把载荷箱居中放在托盘上,用压重物将载荷增加到0.075R,使得加载中心正好是在沿轨道向下运动的轴线上,但偏向载荷箱的上部。把小车和已装载的托盘沿斜面向上拉到离冲击点1000mm处,然后放开。重复上述步骤,再做两次,每次冲击之前都要重新摆好托盘、小车和载荷的位置,然后按9.1.1.1规定测得数据。
沿托盘的第二根水平轴,以同样的程序再进行三次冲击试验,然后取得规定的测量值。35
后挡板
GB/T4996—1996
各项尺寸以mm为单位
载荷箱
a)释放前的位置
载荷箱
·小车
b)冲击位置
图8斜面剪切试验
9.1.2顶铺板边缴冲击试验
本试验的目的是确定顶部前边缘铺板的抗撑开的能力,也适用于纵梁板。9.1.2.1测量
按9.1.2.2规定的方法进行试验,记录z1、y1、yz和y3变形量(见图9)。还应记录冲击点的嵌入深度和综合损伤情况。
图9顶铺板边缘冲击试验
9.1.2.2试验程序
使用前述斜面试验装置和如图10所示的缓冲块。36
测量点
GB/T4996
R12±2
沉头孔
R12±2
图10顶铺板和角冲击试验设备的缓冲块单位:mm
把托盘和0.075R的载荷箱一起放在试验装置的小车上。载荷中心正好在运动的轴线上,但偏向载荷箱的下部。
把缓冲块和托盘叉孔在高度上对准,做到在离开柄面100mm和250mm之间的某处,边板能够撞到刀身的项面(见图11)。每次的冲击点都应落在此范围内。挡板
6°+0.8°
缓冲块
a)释放前的位置
载荷箱
图11顶铺板边缘冲击试验设备
小提示:此标准内容仅展示完整标准里的部分截取内容,若需要完整标准请到上方自行免费下载完整标准文档。
标准图片预览:





- 其它标准
- 热门标准
- 国家标准(GB)
- GB/T2828.1-2012 计数抽样检验程序 第1部分:按接收质量限(AQL)检索的逐批检验抽样计划
- GB/T18204.4-2000 公共场所毛巾、床上卧具微生物检验方法细菌总数测定
- GB50367-2013 混凝土结构加固设计规范
- GB5009.225-2023 食品安全国家标准 酒和食用酒精中乙醇浓度的测定
- GB8552-1987 电子器件详细规范 低功率非线绕固定电阻器 RJ13型金属膜固定电阻器评定水平E(可供认证用)
- GB/T11379-2008 金属覆盖层 工程用铬电镀层
- GB/T23892.3-2009 滑动轴承 稳态条件下流体动压可倾瓦块止推轴承 第3部分:可倾瓦块止推轴承计算的许用值
- GB/T20976-2023 软冰淇淋预拌粉质量要求
- GB/T9145-2003 普通螺纹 中等精度、优选系列的极限尺寸
- GB/T9239-1988 刚性转子平衡品质 许用不平衡的确定
- GB/T15917.3-1995 金属镝及氧化镝化学分析方法 对氯苯基荧光酮--溴化十六烷基三甲基胺分光光度法测定钽量
- GB/T11839-1989 二氧化铀芯块中硼的测定 姜黄素萃取光度法
- GB/T6122.1-2002 圆角铣刀 第1部分:型式和尺寸
- GB/T7433-1987 对称电缆载波通信系统抗无线电广播和通信干扰的指标
- GB/T12053-1989 光学识别用字母数字字符集 第一部分:OCR-A字符集印刷图象的形状和尺寸
- 行业新闻
请牢记:“bzxz.net”即是“标准下载”四个汉字汉语拼音首字母与国际顶级域名“.net”的组合。 ©2025 标准下载网 www.bzxz.net 本站邮件:bzxznet@163.com
网站备案号:湘ICP备2025141790号-2
网站备案号:湘ICP备2025141790号-2