- 您的位置:
 - 标准下载网 >>
 - 标准分类 >>
 - 国家标准(GB) >>
 - GB 4859-1984 电气设备的抗干扰特性基本测量方法
 
标准号:
GB 4859-1984
标准名称:
电气设备的抗干扰特性基本测量方法
标准类别:
国家标准(GB)
英文名称:
Basic measurement methods for anti-interference characteristics of electrical equipment标准状态:
已作废- 
          	
发布日期:
1984-01-02 - 
		 
实施日期:
1985-10-01 - 
          	
作废日期:
2005-10-14 出版语种:
简体中文下载格式:
.rar.pdf下载大小:
1,012.04 KB
点击下载
标准简介:
										 标准下载解压密码:www.bzxz.net
					 					 
						 
	        
	      本标准为电气设备抗干扰特性的基本测量方法。本标准适用于:a. 测量电气设备的电磁敏感度。B.考核电气设备的抗干扰性能是否符合产品技术条件规定的电磁敏感度界限值。在符合本标准要求的前提下,各类电气设备可制订相应的抗干扰特性测量方法和规定需要进行的测试项目。 GB 4859-1984 电气设备的抗干扰特性基本测量方法 GB4859-1984
部分标准内容:
					
					中华人民共和国国家标准
电气设备的抗干扰特性
基本测量方法
General methods of measurementof inmunlty to interference
for electrical equipment
本标准为电气设备抗十扰特性的基本测量方法。本标准适用T:
a,测量电气设备的电磁敏感度。UDC 621.3 : 621
GB 4859-84
b.考核电气设备的抗十扰性能是否符合产品技术条件规定的电磁敏感度界限值。在符合本标准要求的前提下,各类电气设备可制订相应的抗十扰特性测量方法和规定需要进行的测试项目。
1名词术语、单位
1.1名词术语
本标准采用的名词术语,符合国家标准GB4365一84《尤线电下扰名阅术语》的规定。下列名间术语仪适用-本标准:
1.1.1敏感试验信号:进行传导敏感度测量时,施加到试品中的模拟1扰信号。1.1.2敏感场:进行辐射敏感度测量时,由专用设备或发射天线发射的磁场、电场或电磁场。1.2单位
本标准使用的单位名称与符衍号,符合GB3100一82《国际单位制及其应用》中的有关规定。表1中单位名称符号仪适用于本标准。表1单位名称与符号
鼠的名称
磁通密度
分贝(微微瓦)
分员(微伏)
分贝(微安)
分贝(微微特)
测量的一般要求
dn(pw)
dB (μV)
dE (μA)
dB(pT)
国家标准局1984-12:29发布
基准值
基的名称
磁场强度
电场猫岛
分风(微安/米)
分贝(安/米)
分贝(微伏/米)
分贝(伙/米)
dB(μA/m)
dB(Aim)
dB(μV/m)
dB(V/m)
lμa/m
1985-10 -01实施
2.1工作状态
GB4859—84
试品应在产品技术条件规定的止常工作条件下进行测量。2.2工作频率
测量时,试品的工作频率按如下原则确定:2.2.1如果试品只有一个连续可调频段,或者只有一个固定信道范围,则应在频段或信道内选取二个工作频率,使它们距频段或信道范围的上、下限不超过5%。如果这样选定的:个频率之比又大于2,那么还应将频段或信道范围的中心频率作为工作频率。2.2.2如果试品具有个以土的连续可调频段或固定信道范围,则在每个频段或信道范围内选取一个工作频率,使它们距频段或信道范围的两端为5%。2.2.3如果试品具有六个以上的连续可调频段或固定信道范围,则以每个频段或信道范围的心频率作为其工作频率。
2.2.4除按上述原则选取的工作频率外,还可包括产品技术条件规定的其他工作频率。2.8测试频率
测量时,敏感试验信号或缴感场的频率应在产品技术条件规定的范围内进行打捕。在每个倍频程内,室少应选取一个最敏感的频渐点。此外,还可在产品技术条件规定的测试频率1进行测量(例如电源频率及其谐波频率、本机振荡频率、中频频率等)。2.4接地平板
当试品需放在金接地半板上进行测量时,试品的正面与接地平板的边缘相距100±20mm。接地平板应与屏赖室的壳体搭接(见图24)。相邻两搭接点之间的距离应小于900mm,直流搭接电阻应小于2.5m2。搭接铜条的长宽比应不超过5比1。对接地半板的体要求如下:8材料及厚度:厚度不小于0.25mm的紫铜板,或厚度不小于0.63mm的黄铜板,或厚度不小」1.5mm的铝板。
b.面积:比试品底面所占的面积人0.5m2,但至少为2.25m2。c.宽度:至少为760mm。
2.5 测试场地
2.5.1传导缴感度测量应在屏蔽室内进行。2.5.2测量试品的传导敏感度时,试品、工作性能监测设备等应避免受到信号源发射的电磁能量的影响,试品的供电电源应与其余测试设备的电源柑离。2.5.3輪射敏感度测量应在辐射敏感度测量方法所规定的场地内进行,在测试区域内,除信号源、发射天线,试品等必需的设备外,其余测试设备及与测试无关的物品应置十测试区域之外,无关的测试人员也应离开测试区城。
2.6试品的布置
2.6.1当试品需放在金属接地平板上进行测量时,则电源线、信号线、控制线等电缆按如下规定进行布置:
a,在接地平板内且距边缘100±20mm。b.高于接地平板50mm。
2.6.2测量时,试品应模拟实际安装和使用情况,并按品技术条件的规定搭接或接地。例如将试品的外克,底座等构件搭接在一起,或都搭接到接地平板上。如试品有外部接地端,则应接到接地半板上。
第一部分传导敏感度测量方法
330Hz~50kHz.电源线传导敏感度测量3.1目的
GB4859--84
用于确定试品对来自电源线的传导「扰的敏感度。3.2测试设备
3.2.1信号源:低频功率信号发生器或低频信号发生器与功率放大器的组合,它应能提供足够的输出功率:
3.2.2测量仪:经校正的示波器或选频电K表,要求选频电卡表的输人阻抗大F6002。3.2.3电容器:电容量为100μF。3.2.4隔离变压器:当试品的工作电流流过需离变压器的次级绕组时,在绕组上产的正降应低于试品额定1作电压的10%,同时铁芯不应饱和。当次级绕组短路时,初级绕组的漏感应不大0.8uH。它与信号源连接后的输出阻抗应满足3.5条的规定。3.2.5监测试品[作性能用的设备。电源线
1号酒
监训务
图130Hz~5ukHz直流电源线传导敏感度测量营号踪
聚受流电源线
作培究
需测设备
图230Hz~50kHz交流电源线传导缴感度测量注:(模拟负载应模拟试品交流电源端的输人阻抗,其数值与性质内产品技术条件规定。②“”表示隔离变压器绕的同名端。3.3测量步骤
3.8.1传导敏感度测最
3.3.1.1将试品与测试设备接图1或2逃行连接。3.3.1.2调节信号源,使其输出电平逐次提高,在定的测试频率范医内2.3条的要求于找最敏感的频率点,同时监视试品的工作博况,直至试品件能下降、失灵或参数偏离超过产品技术条件规定的允诈俏。记下故障的类型与相应的敏感度。3.4抗干扰性能考核
GB4859—B4
考核试已的抗于扰性能时,可按产品技术条件的规定,在下面两种方式中任选一种进行。3.4.1采用本标准规定的测量方法,测量试品的电磁敏感度,如果测得的电磁敏感度高于产品技术条件规定的电磁缴感度界限值,则认为试品的抗十扰性能符合规定的要求。3.4.2按本标准规定的测量方法,根据产品技术条件规定的传导敏感度界限值,将对应的敏感试验信号注人到试品中,或使试品置于与产品技术条件中辐射敏感度界限值相应的敏感场内。监测试品的工作情况,根据监测的结果判别试品的抗F扰性能是否符合产品技术条件的规定。3.5信号源的输出阻抗
隔离变压器初级绕组与信号源相连时,从隔离变压器次级绕组两端看进去的信号源输出阻抗应不大于0.59,并按下面的方法进行测量。3.5.1将信号源输出电平调节在某一数值,测量隔离变压器次级绕组两端的路电压/s3.5.2将阻值不大于10S2的电阻器R,并接在隔离变压器次级绕组的两端,测量电阻器R,两端的电压Vee。
3.5.3信号源的输出阻抗按下式计算:2=
式中:乙一信号源的输出阻抗,0,R,(a.-V)
K—-并接在隔离变压器次级绕组两端的电阻器,2.。——由3.5.1款测得的电压,VVc——由3.5.2款测得的电压,V。..+
3.5.4至少应在30Hz、300H1z,3kHz、30kHz、50kHz频率点上测量信号源的输出阻抗。3.5.5如果测得的阻抗乙大于0.52,那么需调节隔离变压器绕组的匝数比,或在次级绕组两端护联电阻器,直到阻抗符合规定的要求为止。450kHz~100MHz电源线传导敏感度测量4.1目的
用丁确定试品对来自电源线的传导「扰的敏感度。4.2测试设备
4.2.1信号源:射频功率信号发生器或射频信号发生器与功率放大器的组合。其输出阻抗为502,并具有足够的输出功率。
4.2.2测量仪:经校正的示波器、高输人阻抗电压表、十扰测量仪等。4.2.3人工电源网络:人1.电源网终的一般形式、网络参数、阻抗特性等见GR3907一83《工业元线电」扰基本测量方法》。
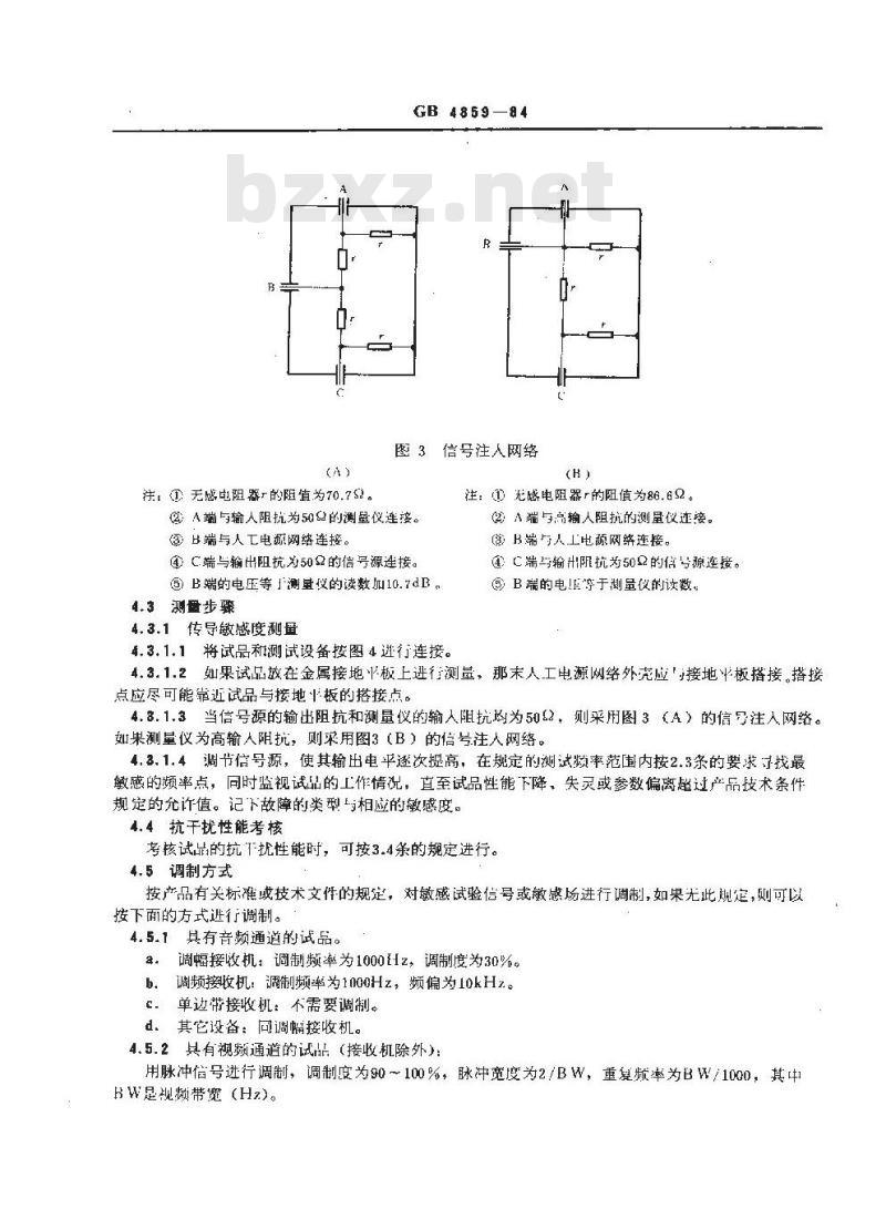
4.2.4信与注人网络:见图3。
4.2.5监测试品T.作性能用的设备。(A)
注:①无感电阻器的阻值为70.7。GB 4859—84
图3信号注人网络
注:无感电阻器r的阻值为86.62。②A端与输人阻抗为50%的测量仪连接。③B端与人工电源网络连接。
@C端与输出阻抗为502的信号源连接。@B端的电压等 测虽仪的读数加10.7dB 。4.3测盘步骤
4.3.1传导敏感度测量
4.3.1.1将试品和测试设备按图4进行连接。②A 端与高输人阻抗的测量仪连接。(8B端与人上电源网连接。
①C端与输出阻抗为502的信号源连接。③B端的电!E等于测量仪的读数。4.3.1.2如果试品放在金属接地板上进行测量,那末人工电源网络外壳应接地半板搭接,搭接点应尽可能靠近试品与接地板的搭接点。4.3.1.3当信号源的输出阻抗和测量仪的输入阻抗均为502,采用图3(A)的信号注人网络。如果测量仪为高输人阻抗,则采用图3(B)的信号注人网络。4.3.1.4调节信号源,使其输出电平遂次提高,在规定的测试频率范围内按2.3条的要求于找最敏感的频率点,同时监视试品的工作情况,直至试品性能下降、失灵或参数偏离超过产品技术条件规定的允许值。记下故障的类型与相应的敏感度。4.4抗干扰性能考核
考核试品的抗正扰性能时,可按3.4条的规定进行。4.5调制方式
按产品有关标准成技术文件的规定,对缴感试验信号或缴感场进行调制,如果光此规定,则可以按下面的方式进行调制。
4.5.1具有音频通道的试品。
调幅接收机:调制频率为1000Hz,调制度为30%。调频接收机:调制频率为1000Hz,频偏为10kHz.。b.
单边带接收机:不需要调制。
其它设备:同调幅接收机。
4.5.2其有视频通道的试品(接收机除外):用脉冲信号进行调制,调制度为90~100%,脉冲宽度为2/BW,重复频率为BW/1000,其中BW足视懒带宽(Hz)。
4.5.3数字设备
工作性能
路洲设备
.号源
GB4859—84
电陈网络
偏考注
天网等
测圳汉
图150kIIz-100MHz电源线传导敏感度测量用脉冲调制时,脉冲宽度及重复频率与试品本身所用的脉冲一样。4.5.4非诉谐设备
调制频率为1000Hz,调制度为30%。5电源线重复尖脉冲传导敏感度测量5.1目的
用下确定试品对来自交、亢流源线的重复尖脉冲的敏感度。5.2 尖脉冲波形
如果产品技术条件对尖脉冲波形未作规定,可采用图5所示的波形。5.3测试设备
5.3.1尘脉冲发器:它与隔离变压器组合后的输出阻抗应小于0.59,并能在阻值为0.5品的电阻器上输山所需要的电压,并联注人(图7)时,也可采用高输出阻抗的尖脉冲发生器,要求它能在阻值为52的电阻器上输出所需要的电压。5.3.2电容器:电容量为10μF的穿心电容器。5.3.3示波器:频带宽度为10MHz,并具有合适的扫描速度的任何种示波器。电感器:电感量为20μH的空心电感器,应允许通过试品所需的工作电流。5.3.4
隔离变!k器:见3.2.4款。
电源隔离变压器:变比为1比!。5.3.7
监测试品.作性能用的设备。
5.4测量布置
5.4.1对下试品的交流电源线-般采用图6所示的串联注人方式。对于试品的直流电源线一般来用图6及图7所小的注人方式。5. 4.2
5.4.3对1具有接地金属外壳的试册,采用图8所示的法入片式。5.5 测量步骤
5.5.1传导敏感度测量
5.5.1.1将试与测试设备接5.4条的婴求进行连接。5.5.1.2按下面三种况将山、负重复尖脉冲注入到试品+,脉冲幅度由零开始遂次提高,测量试品的传舒敏感度。
且.将波形符全5.2条要求,重复频率为6~10次/5的重短尖脉冲注入到试品的电源线。b。将与电源频率同步的重复炎脉冲注人到试品的电源线啡,并调节尖脉冲的触发相位,以便找到对重复尖脉冲最敏感的触发相位。GB4859-84
c.在可能对重复尖脉冲敏感度其它运行条件下,将重复尖脉冲注人到试品的电源线。5.5.1.3在上述每种情况下同时监视试品的.工作情况,直至试品性能下降、失灵或参数偏离超过产品技术条件规定的允许值。记下故障的类型和相应的敏感度。5.6抗干扰性能考核
考核试品的抗十扰性能时,可按3.4条的规进行。E
fr--ius
t,uμs
垂复尖脉冲波形
空流或南wwW.bzxz.Net
流电源线
G=tμF
尘腺非
安止器
50(μs)
工作悦能
图6电源线重复尘脉冲传导敏感度测量(串联注人)C1oμF
且流电线
L - 2uμH
类脉冲
发牛器
示波游
工作雄所
监划设备
图7电源线重复尖脉冲传导敏感度测辑(并联汁人)炎脉冲
单刀双
GB4859—84
弱离变器
临测设备
小波器
图8电源线重复尖脉非传导敏感度测量(不对称注人)注:当试品直流电源供电时,则将电源隔离变压器移罕示玻器的电源线中。6地线注入传导敏感度测量(10kHz~50kHz)6.1自的
用确定!有接地金属外壳的试而对虽现于公共要地阻抗上的传导干扰的徽感度。6.2测试设备
6.2.1信号源:功率信号发生器或信号发生器与功率放大器的组合,应能提供足够的输出功率。6.2.2测量仪:经核正的示被器或高输人阴抗电压表。6.2.3隔离变压器:狗3.2.4款
6.2.4监测试1作性能用的设备
6.3测量步骤
6.3.1传导敏燃度测量
6.3.1.1将试测试设备按图9进行连接,试应与池隔离。试品的外壳应经过隔离变压器次级绕组接地。
6.3.1.2调节信号源,独其输出电平逐次提虚,在规定的测试频率范由内按2.3条的要求乎找最嫩感的频率点,时监视试品的工作情况,直至试品性能下降,失灵或参数偏离超过产品技术条件规定的允诈危,记下故障的类型和相应的缴感度。6.4抗干扰性能考核
考核试品的抗干扰性能时,可按3.4条的规定进行。双到双于关
作号踪
以意变压器
工性外能
监测法务
图9池线注人传导敏感度测量(10kHz~50klz)GB 4859—84
7射频电流传导敏感度测量(10kHz~30MHz )7.1目的
用于确定试品对其金属外壳和连接电缆屏蔽层射频电流的敏感度。7.2测试设备
7.2.1信号源,射频功率信号发生器或射频信号发牛器与功率放大器的组合,应能提供足够的射频电流。
中和变压器:每个绕组的电感量为1mH。7.2.2
电阻器,阻值为110的无感电阻,其精度应不低于±5%。测量仪:高输入阻抗射频电压衣、电流探头、下扰测量仪。监测试品工作性能用的设备。
7.3 测量步骤
传导敏感度测量
试品与测试设备按图10(A)和图11(A)或图10(B)和图11(B)进行连接。7.3.1.1
1.3.1.2调节信号源,使其输出电平逐次提高,在规定的测试频率范围内按2.3条的要求寻找最敏感的频率点,同时监视试品的1.作情况,直至试品性能下降、失灵或参数偏离超过产品技术条件规定的允许值。记下故障的类型与相应的敏感度。7.3.1.3测量时,射频电流应依次在试品金属外壳的·-角到所有其它角之间通过。对于屏蔽电缆,应使射频电流通过屏敲电缆的屏蔽层。了.4抗干扰性能考核
考核试品的抗卡扰性能时,可按3.4条的规定进行。了.5调制方式
当要求对敏感试验信号进行调制时,可按4.5条的规定进行。1?号源
信号源
变压希
变压将
甲流深处
测僵仪
恒压表
图10射频电流注人到试品金属外壳(10kH2~30MHz)营号酒
信号源
GB4859-84
变压器
变注器
电流操头
1作性能
监测设备
上作州能
鉴测没备
图11射频电流注入到电缆屏鼓层(10kHz~30MHz)注:图中“T”实标与试品连接的装置或设备。8两个信号互调制抑制测整(0Hz~10GHz)8.1目的
两个非所需要信号同时加到接收机时,由于非线性元件的作用而形成互调十扰,木测量方法用于测量接收机对此「扰的缴感度。8,2测试设备
8.2.1信号源,两台相间的信号源应能提供测量所需要的输出电半,复盖所需之测试频率。三通网络:要求其能为两台信号发生器之间提供20dB以上隔离,一个信号通路需保持阻抗8. 2.2
匹配,同时要求其本身不产生生调制:8.2.3低通滤波器:两个。信号源输出倍号通过低通滤波器后,其谐波电平应至少比基波电+低80dB。8.2.4频率计数器:频率测量精度应达10-6。8.2.5步进衰减器。
8.2.6同轴开关。
8.2.7监测接收机输出的设备。
8.3测量步骤
8.3.1被测接收机及测试设备按图12进行连接。8.3.2使信号发生器1的输出为零,按2.2条的规延将信号发生器T调谐至被测接收机的调谐频率,并按8.4条的规进行调制,调节其输出电平,使被测接收机的输出电平达到8.5条规定的标准值,记下信号发生器I的输旧电平V与频举f,使信号发生器的输出为零,对信号发生器Ⅱ重复上面的步骤,it下它的输出电Vzc。
管号发
信号发
GB 485984
湖波器
三通动路
潮波器
衰减器
图12两个信号立调制抑制测量
性妆机
注:泌量时,破浏接收机内户动增益控制,自动频率控制电路应予关闭不工作。8.3.3使信号发生器Ⅱ的输出为零,信号发生器1按8.4杀的规定行调制,调节其输出比平,使之等于接收机技术条件规的五调制抑测电平与8.3.2款形所得电平V之和,保待此输出电平不变。然后,逐渐提高信号发牛器「的频率,直到测接收机无调最啦,记下该频率扭,并使其保持在或按接收机技术条性规延的频率fa,将信号发生器【的频率调至了a。8.3.4使信号发生器I的输出为零,信号发生器Ⅱ不进行调制,并将其频率调至f+Af-f,+24「(其中人,=一f.),观察一阶调制。使信号发生器1和1的输出电平分别等于接收机技术条件规定的互调别抑制比平与8.3.2款所待电平,V之和,此时划如具被测接收机无别显响应,则再司时逐步提高二台信发尘器的输山出平,直至被测接收机出现尚应,保持此输出电平不变,对信号发器【的频率进行微调,使被测接收机的响应达最大,记下信号发生器Ⅱ的频率,保持不变。8.3.5使信号发牛器1的输出为零,如米被测接收机的响成依然存在,则说明该响应不是互调制引起的,如果响应随之消失,则说明该响应是互调引起的。8.3.6如果按8.3.5款检查结果说明8.3.4款出现的响应是由互调制引起的,则等量地降低两台信号发生器的输山,百全被测接收机输出电平达到标准响应值。此时,记下两台信号发生器的输品电平V,V2,并按下式计算调抑制电平:Sin-V.
式 Si
m阶互调抑制电平,dB:
Sim =V--V
出8.3.6款得到的信号发生器」和的输出电,d(μV);一由8.3.2款得到的信号发生器T和Ⅱ的输出电平,dB(μV)。(2)
Vic,[20-
8.3.7将信号发生器T和Ⅱ的频率分别调节在f。-Af5fm-2△1,重复8.3.3款至8.3.6款的步骤。
A如巢三阶互调制已
8.3.8按同样方法观察阶互调制,使信号发牛器Ⅱ的频率先后为f土观察不到,则不再需要观察五阶互调制。8.4调制方式
如果被测拨收机技术条件对信号发生器的调制方式术作规定:挪么可以采用下面的调制方式:1:调幅接机:采用400H的止弦被进行30%的调制。b.单边带接收机和调频接收机,不需要调制。GB 4859—84
℃。脉冲接收机:采用感冲调制,要使脉冲频谱能量的80%集中在接收机的3d带觉内。8.5接收机的标准输出电平
接收机标准输出电严应符合接妆机技术条件中关于灵敏度测量的规定,如果技术条件中未作规定,可以来用如下的输出电平,其叶S为信号电,N为接收机的噪电平。8.5.1调幅接收机,单边带接收机,脉冲接收机:S.N/N:1odB.
8.5.2调频接收机:
a.不调制
静噪电:10dB。
b.“调制
S N/N:10dB
9接收机输入端假信号响应抑制测量(30I12~10GJIz)9.1目的
接收机输人端的假信号会对接收机引起下扰,本测最方法用于确定接收机对此下扰的敏感度。9.2测试设备
同8.2条。
9.3 测量步骤
9.3.1将被测接收机放测试设备按图12进行连接。9.3.2使信号发生器口的输出为零。按2.2条的规定将倍号发生器1调谐至被测接收机的调谐频率fe,并按8.4条的规定进行调制,然后调节其输出电平,使被测接收机的输出电¥达到8.5条规定的标准值。记下信号发生器I的输出电与频率,使信号发生器I的输出必零,对信号发生器Ⅱ重复上面的步骤,记下它的输出电V。9.3.3信号发牛器I按8.4条的规定进行调制,将其输出电平调至9.3.2款所得的电平V10。信号发生器Ⅱ不逆行调制,调节其输出电平等于接收机技术条件规处的假信导响应抑制电平与9.3.2款所得电2n之和[。
9.3.4如果信号发生器ⅡI在9.4条规定的测试频率范围内进行扫描时,接收机无明显响应,则应提高信号发生器Ⅱ的输出电平后再作频率扫描,直至被测接收机出现假信号响应。再在出现响应的频率点上,降低信号发生器Ⅱ的输出电半,点至假信号响应降至接收机技术条件规定的允许值,记下信号发生器Ⅱ的输电平并按下式计算假信号响应抑制电半:Ss =-
一假信号响应抑制电,dB;
由9.3.4款得到的信号发生器且的输出电平,dB(uV);一中9.3.2款得到的信号发生器Ⅱ的输出电,dB(μV)9.4测试频率范围
(4)
9.4.1对于接收机,信号发牛器几在表2规定的频率范围内进行打描,下限频率取A列中的最低值,上限频率取B例的最高值(不应超过10GHz)。接收机选择件曲线中两个下降80dB的频率点之间,不进行本测试。
表2测试频率范围
5fmttF
或20f,
小提示:此标准内容仅展示完整标准里的部分截取内容,若需要完整标准请到上方自行免费下载完整标准文档。
	 
	        
	      电气设备的抗干扰特性
基本测量方法
General methods of measurementof inmunlty to interference
for electrical equipment
本标准为电气设备抗十扰特性的基本测量方法。本标准适用T:
a,测量电气设备的电磁敏感度。UDC 621.3 : 621
GB 4859-84
b.考核电气设备的抗十扰性能是否符合产品技术条件规定的电磁敏感度界限值。在符合本标准要求的前提下,各类电气设备可制订相应的抗十扰特性测量方法和规定需要进行的测试项目。
1名词术语、单位
1.1名词术语
本标准采用的名词术语,符合国家标准GB4365一84《尤线电下扰名阅术语》的规定。下列名间术语仪适用-本标准:
1.1.1敏感试验信号:进行传导敏感度测量时,施加到试品中的模拟1扰信号。1.1.2敏感场:进行辐射敏感度测量时,由专用设备或发射天线发射的磁场、电场或电磁场。1.2单位
本标准使用的单位名称与符衍号,符合GB3100一82《国际单位制及其应用》中的有关规定。表1中单位名称符号仪适用于本标准。表1单位名称与符号
鼠的名称
磁通密度
分贝(微微瓦)
分员(微伏)
分贝(微安)
分贝(微微特)
测量的一般要求
dn(pw)
dB (μV)
dE (μA)
dB(pT)
国家标准局1984-12:29发布
基准值
基的名称
磁场强度
电场猫岛
分风(微安/米)
分贝(安/米)
分贝(微伏/米)
分贝(伙/米)
dB(μA/m)
dB(Aim)
dB(μV/m)
dB(V/m)
lμa/m
1985-10 -01实施
2.1工作状态
GB4859—84
试品应在产品技术条件规定的止常工作条件下进行测量。2.2工作频率
测量时,试品的工作频率按如下原则确定:2.2.1如果试品只有一个连续可调频段,或者只有一个固定信道范围,则应在频段或信道内选取二个工作频率,使它们距频段或信道范围的上、下限不超过5%。如果这样选定的:个频率之比又大于2,那么还应将频段或信道范围的中心频率作为工作频率。2.2.2如果试品具有个以土的连续可调频段或固定信道范围,则在每个频段或信道范围内选取一个工作频率,使它们距频段或信道范围的两端为5%。2.2.3如果试品具有六个以上的连续可调频段或固定信道范围,则以每个频段或信道范围的心频率作为其工作频率。
2.2.4除按上述原则选取的工作频率外,还可包括产品技术条件规定的其他工作频率。2.8测试频率
测量时,敏感试验信号或缴感场的频率应在产品技术条件规定的范围内进行打捕。在每个倍频程内,室少应选取一个最敏感的频渐点。此外,还可在产品技术条件规定的测试频率1进行测量(例如电源频率及其谐波频率、本机振荡频率、中频频率等)。2.4接地平板
当试品需放在金接地半板上进行测量时,试品的正面与接地平板的边缘相距100±20mm。接地平板应与屏赖室的壳体搭接(见图24)。相邻两搭接点之间的距离应小于900mm,直流搭接电阻应小于2.5m2。搭接铜条的长宽比应不超过5比1。对接地半板的体要求如下:8材料及厚度:厚度不小于0.25mm的紫铜板,或厚度不小于0.63mm的黄铜板,或厚度不小」1.5mm的铝板。
b.面积:比试品底面所占的面积人0.5m2,但至少为2.25m2。c.宽度:至少为760mm。
2.5 测试场地
2.5.1传导缴感度测量应在屏蔽室内进行。2.5.2测量试品的传导敏感度时,试品、工作性能监测设备等应避免受到信号源发射的电磁能量的影响,试品的供电电源应与其余测试设备的电源柑离。2.5.3輪射敏感度测量应在辐射敏感度测量方法所规定的场地内进行,在测试区域内,除信号源、发射天线,试品等必需的设备外,其余测试设备及与测试无关的物品应置十测试区域之外,无关的测试人员也应离开测试区城。
2.6试品的布置
2.6.1当试品需放在金属接地平板上进行测量时,则电源线、信号线、控制线等电缆按如下规定进行布置:
a,在接地平板内且距边缘100±20mm。b.高于接地平板50mm。
2.6.2测量时,试品应模拟实际安装和使用情况,并按品技术条件的规定搭接或接地。例如将试品的外克,底座等构件搭接在一起,或都搭接到接地平板上。如试品有外部接地端,则应接到接地半板上。
第一部分传导敏感度测量方法
330Hz~50kHz.电源线传导敏感度测量3.1目的
GB4859--84
用于确定试品对来自电源线的传导「扰的敏感度。3.2测试设备
3.2.1信号源:低频功率信号发生器或低频信号发生器与功率放大器的组合,它应能提供足够的输出功率:
3.2.2测量仪:经校正的示波器或选频电K表,要求选频电卡表的输人阻抗大F6002。3.2.3电容器:电容量为100μF。3.2.4隔离变压器:当试品的工作电流流过需离变压器的次级绕组时,在绕组上产的正降应低于试品额定1作电压的10%,同时铁芯不应饱和。当次级绕组短路时,初级绕组的漏感应不大0.8uH。它与信号源连接后的输出阻抗应满足3.5条的规定。3.2.5监测试品[作性能用的设备。电源线
1号酒
监训务
图130Hz~5ukHz直流电源线传导敏感度测量营号踪
聚受流电源线
作培究
需测设备
图230Hz~50kHz交流电源线传导缴感度测量注:(模拟负载应模拟试品交流电源端的输人阻抗,其数值与性质内产品技术条件规定。②“”表示隔离变压器绕的同名端。3.3测量步骤
3.8.1传导敏感度测最
3.3.1.1将试品与测试设备接图1或2逃行连接。3.3.1.2调节信号源,使其输出电平逐次提高,在定的测试频率范医内2.3条的要求于找最敏感的频率点,同时监视试品的工作博况,直至试品件能下降、失灵或参数偏离超过产品技术条件规定的允诈俏。记下故障的类型与相应的敏感度。3.4抗干扰性能考核
GB4859—B4
考核试已的抗于扰性能时,可按产品技术条件的规定,在下面两种方式中任选一种进行。3.4.1采用本标准规定的测量方法,测量试品的电磁敏感度,如果测得的电磁敏感度高于产品技术条件规定的电磁缴感度界限值,则认为试品的抗十扰性能符合规定的要求。3.4.2按本标准规定的测量方法,根据产品技术条件规定的传导敏感度界限值,将对应的敏感试验信号注人到试品中,或使试品置于与产品技术条件中辐射敏感度界限值相应的敏感场内。监测试品的工作情况,根据监测的结果判别试品的抗F扰性能是否符合产品技术条件的规定。3.5信号源的输出阻抗
隔离变压器初级绕组与信号源相连时,从隔离变压器次级绕组两端看进去的信号源输出阻抗应不大于0.59,并按下面的方法进行测量。3.5.1将信号源输出电平调节在某一数值,测量隔离变压器次级绕组两端的路电压/s3.5.2将阻值不大于10S2的电阻器R,并接在隔离变压器次级绕组的两端,测量电阻器R,两端的电压Vee。
3.5.3信号源的输出阻抗按下式计算:2=
式中:乙一信号源的输出阻抗,0,R,(a.-V)
K—-并接在隔离变压器次级绕组两端的电阻器,2.。——由3.5.1款测得的电压,VVc——由3.5.2款测得的电压,V。..+
3.5.4至少应在30Hz、300H1z,3kHz、30kHz、50kHz频率点上测量信号源的输出阻抗。3.5.5如果测得的阻抗乙大于0.52,那么需调节隔离变压器绕组的匝数比,或在次级绕组两端护联电阻器,直到阻抗符合规定的要求为止。450kHz~100MHz电源线传导敏感度测量4.1目的
用丁确定试品对来自电源线的传导「扰的敏感度。4.2测试设备
4.2.1信号源:射频功率信号发生器或射频信号发生器与功率放大器的组合。其输出阻抗为502,并具有足够的输出功率。
4.2.2测量仪:经校正的示波器、高输人阻抗电压表、十扰测量仪等。4.2.3人工电源网络:人1.电源网终的一般形式、网络参数、阻抗特性等见GR3907一83《工业元线电」扰基本测量方法》。
4.2.4信与注人网络:见图3。
4.2.5监测试品T.作性能用的设备。(A)
注:①无感电阻器的阻值为70.7。GB 4859—84
图3信号注人网络
注:无感电阻器r的阻值为86.62。②A端与输人阻抗为50%的测量仪连接。③B端与人工电源网络连接。
@C端与输出阻抗为502的信号源连接。@B端的电压等 测虽仪的读数加10.7dB 。4.3测盘步骤
4.3.1传导敏感度测量
4.3.1.1将试品和测试设备按图4进行连接。②A 端与高输人阻抗的测量仪连接。(8B端与人上电源网连接。
①C端与输出阻抗为502的信号源连接。③B端的电!E等于测量仪的读数。4.3.1.2如果试品放在金属接地板上进行测量,那末人工电源网络外壳应接地半板搭接,搭接点应尽可能靠近试品与接地板的搭接点。4.3.1.3当信号源的输出阻抗和测量仪的输入阻抗均为502,采用图3(A)的信号注人网络。如果测量仪为高输人阻抗,则采用图3(B)的信号注人网络。4.3.1.4调节信号源,使其输出电平遂次提高,在规定的测试频率范围内按2.3条的要求于找最敏感的频率点,同时监视试品的工作情况,直至试品性能下降、失灵或参数偏离超过产品技术条件规定的允许值。记下故障的类型与相应的敏感度。4.4抗干扰性能考核
考核试品的抗正扰性能时,可按3.4条的规定进行。4.5调制方式
按产品有关标准成技术文件的规定,对缴感试验信号或缴感场进行调制,如果光此规定,则可以按下面的方式进行调制。
4.5.1具有音频通道的试品。
调幅接收机:调制频率为1000Hz,调制度为30%。调频接收机:调制频率为1000Hz,频偏为10kHz.。b.
单边带接收机:不需要调制。
其它设备:同调幅接收机。
4.5.2其有视频通道的试品(接收机除外):用脉冲信号进行调制,调制度为90~100%,脉冲宽度为2/BW,重复频率为BW/1000,其中BW足视懒带宽(Hz)。
4.5.3数字设备
工作性能
路洲设备
.号源
GB4859—84
电陈网络
偏考注
天网等
测圳汉
图150kIIz-100MHz电源线传导敏感度测量用脉冲调制时,脉冲宽度及重复频率与试品本身所用的脉冲一样。4.5.4非诉谐设备
调制频率为1000Hz,调制度为30%。5电源线重复尖脉冲传导敏感度测量5.1目的
用下确定试品对来自交、亢流源线的重复尖脉冲的敏感度。5.2 尖脉冲波形
如果产品技术条件对尖脉冲波形未作规定,可采用图5所示的波形。5.3测试设备
5.3.1尘脉冲发器:它与隔离变压器组合后的输出阻抗应小于0.59,并能在阻值为0.5品的电阻器上输山所需要的电压,并联注人(图7)时,也可采用高输出阻抗的尖脉冲发生器,要求它能在阻值为52的电阻器上输出所需要的电压。5.3.2电容器:电容量为10μF的穿心电容器。5.3.3示波器:频带宽度为10MHz,并具有合适的扫描速度的任何种示波器。电感器:电感量为20μH的空心电感器,应允许通过试品所需的工作电流。5.3.4
隔离变!k器:见3.2.4款。
电源隔离变压器:变比为1比!。5.3.7
监测试品.作性能用的设备。
5.4测量布置
5.4.1对下试品的交流电源线-般采用图6所示的串联注人方式。对于试品的直流电源线一般来用图6及图7所小的注人方式。5. 4.2
5.4.3对1具有接地金属外壳的试册,采用图8所示的法入片式。5.5 测量步骤
5.5.1传导敏感度测量
5.5.1.1将试与测试设备接5.4条的婴求进行连接。5.5.1.2按下面三种况将山、负重复尖脉冲注入到试品+,脉冲幅度由零开始遂次提高,测量试品的传舒敏感度。
且.将波形符全5.2条要求,重复频率为6~10次/5的重短尖脉冲注入到试品的电源线。b。将与电源频率同步的重复炎脉冲注人到试品的电源线啡,并调节尖脉冲的触发相位,以便找到对重复尖脉冲最敏感的触发相位。GB4859-84
c.在可能对重复尖脉冲敏感度其它运行条件下,将重复尖脉冲注人到试品的电源线。5.5.1.3在上述每种情况下同时监视试品的.工作情况,直至试品性能下降、失灵或参数偏离超过产品技术条件规定的允许值。记下故障的类型和相应的敏感度。5.6抗干扰性能考核
考核试品的抗十扰性能时,可按3.4条的规进行。E
fr--ius
t,uμs
垂复尖脉冲波形
空流或南wwW.bzxz.Net
流电源线
G=tμF
尘腺非
安止器
50(μs)
工作悦能
图6电源线重复尘脉冲传导敏感度测量(串联注人)C1oμF
且流电线
L - 2uμH
类脉冲
发牛器
示波游
工作雄所
监划设备
图7电源线重复尖脉冲传导敏感度测辑(并联汁人)炎脉冲
单刀双
GB4859—84
弱离变器
临测设备
小波器
图8电源线重复尖脉非传导敏感度测量(不对称注人)注:当试品直流电源供电时,则将电源隔离变压器移罕示玻器的电源线中。6地线注入传导敏感度测量(10kHz~50kHz)6.1自的
用确定!有接地金属外壳的试而对虽现于公共要地阻抗上的传导干扰的徽感度。6.2测试设备
6.2.1信号源:功率信号发生器或信号发生器与功率放大器的组合,应能提供足够的输出功率。6.2.2测量仪:经核正的示被器或高输人阴抗电压表。6.2.3隔离变压器:狗3.2.4款
6.2.4监测试1作性能用的设备
6.3测量步骤
6.3.1传导敏燃度测量
6.3.1.1将试测试设备按图9进行连接,试应与池隔离。试品的外壳应经过隔离变压器次级绕组接地。
6.3.1.2调节信号源,独其输出电平逐次提虚,在规定的测试频率范由内按2.3条的要求乎找最嫩感的频率点,时监视试品的工作情况,直至试品性能下降,失灵或参数偏离超过产品技术条件规定的允诈危,记下故障的类型和相应的缴感度。6.4抗干扰性能考核
考核试品的抗干扰性能时,可按3.4条的规定进行。双到双于关
作号踪
以意变压器
工性外能
监测法务
图9池线注人传导敏感度测量(10kHz~50klz)GB 4859—84
7射频电流传导敏感度测量(10kHz~30MHz )7.1目的
用于确定试品对其金属外壳和连接电缆屏蔽层射频电流的敏感度。7.2测试设备
7.2.1信号源,射频功率信号发生器或射频信号发牛器与功率放大器的组合,应能提供足够的射频电流。
中和变压器:每个绕组的电感量为1mH。7.2.2
电阻器,阻值为110的无感电阻,其精度应不低于±5%。测量仪:高输入阻抗射频电压衣、电流探头、下扰测量仪。监测试品工作性能用的设备。
7.3 测量步骤
传导敏感度测量
试品与测试设备按图10(A)和图11(A)或图10(B)和图11(B)进行连接。7.3.1.1
1.3.1.2调节信号源,使其输出电平逐次提高,在规定的测试频率范围内按2.3条的要求寻找最敏感的频率点,同时监视试品的1.作情况,直至试品性能下降、失灵或参数偏离超过产品技术条件规定的允许值。记下故障的类型与相应的敏感度。7.3.1.3测量时,射频电流应依次在试品金属外壳的·-角到所有其它角之间通过。对于屏蔽电缆,应使射频电流通过屏敲电缆的屏蔽层。了.4抗干扰性能考核
考核试品的抗卡扰性能时,可按3.4条的规定进行。了.5调制方式
当要求对敏感试验信号进行调制时,可按4.5条的规定进行。1?号源
信号源
变压希
变压将
甲流深处
测僵仪
恒压表
图10射频电流注人到试品金属外壳(10kH2~30MHz)营号酒
信号源
GB4859-84
变压器
变注器
电流操头
1作性能
监测设备
上作州能
鉴测没备
图11射频电流注入到电缆屏鼓层(10kHz~30MHz)注:图中“T”实标与试品连接的装置或设备。8两个信号互调制抑制测整(0Hz~10GHz)8.1目的
两个非所需要信号同时加到接收机时,由于非线性元件的作用而形成互调十扰,木测量方法用于测量接收机对此「扰的缴感度。8,2测试设备
8.2.1信号源,两台相间的信号源应能提供测量所需要的输出电半,复盖所需之测试频率。三通网络:要求其能为两台信号发生器之间提供20dB以上隔离,一个信号通路需保持阻抗8. 2.2
匹配,同时要求其本身不产生生调制:8.2.3低通滤波器:两个。信号源输出倍号通过低通滤波器后,其谐波电平应至少比基波电+低80dB。8.2.4频率计数器:频率测量精度应达10-6。8.2.5步进衰减器。
8.2.6同轴开关。
8.2.7监测接收机输出的设备。
8.3测量步骤
8.3.1被测接收机及测试设备按图12进行连接。8.3.2使信号发生器1的输出为零,按2.2条的规延将信号发生器T调谐至被测接收机的调谐频率,并按8.4条的规进行调制,调节其输出电平,使被测接收机的输出电平达到8.5条规定的标准值,记下信号发生器I的输旧电平V与频举f,使信号发生器的输出为零,对信号发生器Ⅱ重复上面的步骤,it下它的输出电Vzc。
管号发
信号发
GB 485984
湖波器
三通动路
潮波器
衰减器
图12两个信号立调制抑制测量
性妆机
注:泌量时,破浏接收机内户动增益控制,自动频率控制电路应予关闭不工作。8.3.3使信号发生器Ⅱ的输出为零,信号发生器1按8.4杀的规定行调制,调节其输出比平,使之等于接收机技术条件规的五调制抑测电平与8.3.2款形所得电平V之和,保待此输出电平不变。然后,逐渐提高信号发牛器「的频率,直到测接收机无调最啦,记下该频率扭,并使其保持在或按接收机技术条性规延的频率fa,将信号发生器【的频率调至了a。8.3.4使信号发生器I的输出为零,信号发生器Ⅱ不进行调制,并将其频率调至f+Af-f,+24「(其中人,=一f.),观察一阶调制。使信号发生器1和1的输出电平分别等于接收机技术条件规定的互调别抑制比平与8.3.2款所待电平,V之和,此时划如具被测接收机无别显响应,则再司时逐步提高二台信发尘器的输山出平,直至被测接收机出现尚应,保持此输出电平不变,对信号发器【的频率进行微调,使被测接收机的响应达最大,记下信号发生器Ⅱ的频率,保持不变。8.3.5使信号发牛器1的输出为零,如米被测接收机的响成依然存在,则说明该响应不是互调制引起的,如果响应随之消失,则说明该响应是互调引起的。8.3.6如果按8.3.5款检查结果说明8.3.4款出现的响应是由互调制引起的,则等量地降低两台信号发生器的输山,百全被测接收机输出电平达到标准响应值。此时,记下两台信号发生器的输品电平V,V2,并按下式计算调抑制电平:Sin-V.
式 Si
m阶互调抑制电平,dB:
Sim =V--V
出8.3.6款得到的信号发生器」和的输出电,d(μV);一由8.3.2款得到的信号发生器T和Ⅱ的输出电平,dB(μV)。(2)
Vic,[20-
8.3.7将信号发生器T和Ⅱ的频率分别调节在f。-Af5fm-2△1,重复8.3.3款至8.3.6款的步骤。
A如巢三阶互调制已
8.3.8按同样方法观察阶互调制,使信号发牛器Ⅱ的频率先后为f土观察不到,则不再需要观察五阶互调制。8.4调制方式
如果被测拨收机技术条件对信号发生器的调制方式术作规定:挪么可以采用下面的调制方式:1:调幅接机:采用400H的止弦被进行30%的调制。b.单边带接收机和调频接收机,不需要调制。GB 4859—84
℃。脉冲接收机:采用感冲调制,要使脉冲频谱能量的80%集中在接收机的3d带觉内。8.5接收机的标准输出电平
接收机标准输出电严应符合接妆机技术条件中关于灵敏度测量的规定,如果技术条件中未作规定,可以来用如下的输出电平,其叶S为信号电,N为接收机的噪电平。8.5.1调幅接收机,单边带接收机,脉冲接收机:S.N/N:1odB.
8.5.2调频接收机:
a.不调制
静噪电:10dB。
b.“调制
S N/N:10dB
9接收机输入端假信号响应抑制测量(30I12~10GJIz)9.1目的
接收机输人端的假信号会对接收机引起下扰,本测最方法用于确定接收机对此下扰的敏感度。9.2测试设备
同8.2条。
9.3 测量步骤
9.3.1将被测接收机放测试设备按图12进行连接。9.3.2使信号发生器口的输出为零。按2.2条的规定将倍号发生器1调谐至被测接收机的调谐频率fe,并按8.4条的规定进行调制,然后调节其输出电平,使被测接收机的输出电¥达到8.5条规定的标准值。记下信号发生器I的输出电与频率,使信号发生器I的输出必零,对信号发生器Ⅱ重复上面的步骤,记下它的输出电V。9.3.3信号发牛器I按8.4条的规定进行调制,将其输出电平调至9.3.2款所得的电平V10。信号发生器Ⅱ不逆行调制,调节其输出电平等于接收机技术条件规处的假信导响应抑制电平与9.3.2款所得电2n之和[。
9.3.4如果信号发生器ⅡI在9.4条规定的测试频率范围内进行扫描时,接收机无明显响应,则应提高信号发生器Ⅱ的输出电平后再作频率扫描,直至被测接收机出现假信号响应。再在出现响应的频率点上,降低信号发生器Ⅱ的输出电半,点至假信号响应降至接收机技术条件规定的允许值,记下信号发生器Ⅱ的输电平并按下式计算假信号响应抑制电半:Ss =-
一假信号响应抑制电,dB;
由9.3.4款得到的信号发生器且的输出电平,dB(uV);一中9.3.2款得到的信号发生器Ⅱ的输出电,dB(μV)9.4测试频率范围
(4)
9.4.1对于接收机,信号发牛器几在表2规定的频率范围内进行打描,下限频率取A列中的最低值,上限频率取B例的最高值(不应超过10GHz)。接收机选择件曲线中两个下降80dB的频率点之间,不进行本测试。
表2测试频率范围
5fmttF
或20f,
小提示:此标准内容仅展示完整标准里的部分截取内容,若需要完整标准请到上方自行免费下载完整标准文档。
标准图片预览:





- 其它标准
 
- 热门标准
 - 国家标准(GB)
 
- GB/T21666-2008 尿吸收辅助器具 评价的一般指南
 - GB/T38684-2020 金属材料 薄板和薄带 双轴应力-应变曲线胀形试验 光学测量方法
 - GB5585.3-1985 电工用铜、铝及其合金母线 第3部分:铝母线
 - GB/T19561-2004 寒地节能日光温室建造规程
 - GB/T7574-1987 信息处理交换用磁带标号和文卷结构
 - GB/T24715-2009 氧源转换器
 - GB/Z21193.2-2008 矿物燃烧蒸汽发电站 第2部分:汽包水位控制
 - GB/T18442.6-2011 固定式真空绝热深冷压力容器 第6部分:安全防护
 - GB∕T33370-2016 铜及铜合金软化温度的测定方法
 - GB/Z18039.7-2011 电磁兼容 环境公用供电系统中的电压暂降、短时中断及其测量统计结果
 - GB/T283-2007 滚动轴承圆柱滚子轴承外形尺寸
 - GB/T12500-1990 信息处理系统 开放系统互连 面向连接的运输协议规范
 - GB/T21242-2019 烟花爆竹 禁限用物质定性检测方法
 - GB/T39088-2020 船舶和海上技术 声响接收系统
 - GB/T19673.2-2013 滚动轴承 套筒型直线球轴承附件第2部分:5系列外形尺寸和公差
 
- 行业新闻
 
请牢记:“bzxz.net”即是“标准下载”四个汉字汉语拼音首字母与国际顶级域名“.net”的组合。 ©2025 标准下载网 www.bzxz.net 本站邮件:bzxznet@163.com
网站备案号:湘ICP备2025141790号-2
网站备案号:湘ICP备2025141790号-2