- 您的位置:
- 标准下载网 >>
- 标准分类 >>
- 国家标准(GB) >>
- GB/T 4622.2-2003 缠绕式垫片 管法兰用垫片尺寸
标准号:
GB/T 4622.2-2003
标准名称:
缠绕式垫片 管法兰用垫片尺寸
标准类别:
国家标准(GB)
英文名称:
Dimensions of gaskets for spiral wound gasket pipe flanges标准状态:
已作废-
发布日期:
2003-12-01 -
实施日期:
2003-12-01 出版语种:
简体中文下载格式:
.rar.pdf下载大小:
237.20 KB
替代情况:
GB/T 4622.2-1993采标情况:
ISO 7483-1991 NEQ
点击下载
标准简介:
标准下载解压密码:www.bzxz.net
本部分规定了管法兰用缠绕式垫片的型式与尺寸。本部分适用于公称压力为PN1.0~PN26.0MPa的管法兰。 GB/T 4622.2-2003 缠绕式垫片 管法兰用垫片尺寸 GB/T4622.2-2003
部分标准内容:
GB/T4622%钟宽式垫片出以下一部分组量:第1部分,孵式垫分炎
一第部分:链绕式垫片管法兰用片尺寸一第3部分:殖绕式转与技术条件本部分早GB/T4622.21993的接订点,其主要改如下:GB/T4622.2—2003
对标准名款违行了逅当静妆,将原来的名称“绅樂式快片菩认兰尺小系列”修改为“验境式垫片管法“用坚片尺寸”,
服[S7483:1991IS)7005管法快用能些片尺寸,增了第?享“坐片式第章“与达当册封面相适用前望片步志“成部分内案:梦5748扩大块的尺寸国
本部分日实随之口起.代警G/T4122.1993。本部分出国机诚「业联合会提出。本部分白全国路际件标准化技术委员会凸口。本部分起草单位;机械科学研究院、工海新氟密技术有限公司,无锡市有化通用片!,作东理工.人学、江化宏伟密封件厂,
本部分丰要草人:本传英,刘正碳、李忠云、谢苏汀、张桶成、陈琳本部分于二98名年首发布:1年第1次修订;2003年第次接订。1范圈
缠绕式垫片
管法兰用垫片尺寸
,木部分规定了管法兰用隧缆式垫片的型式与尺寸,本部分适用了公称压力为TN1.0--PN26.CMPa的峰法兰,2规范性引用文件
CB/T4622.2—2003
下列文件中的案款通过GT/T4522约本分的引用面成为本部分的象款,儿是生口期的引用文性,其随后所有的够改单(不包括勤误的内容)必您订总的不适用于本部分、燃而,献助报据本部分达或协议的各方研究是否可使用这些文件的股新版本,凡宠不注日期的引用文件,其最新版本适用于本部分。
GB/T4622.1癌鱿式萃片分类
GB/T4622.3独跳式垫片技术条件3整片型式
弹统式染片应为下列式之一:
a)基本型
b)内环
C)带定位环:
也丧内环和定位环。
图1给「蕴烧式望片的典结构.用于平面或宽面法兰的窖性计应改计求鳍装人表3中规定的定依环,案封元件与定位环之间的间惊应使费均元件在正常操作时不会从弥上脱格下来。法:康树元件金高退埃带的形状可以山意造商选,注2,垫片材料出别造商举环以通用作集件。四此出户为责任在期价单改/取订货单中详细说贤1.作条件,塑督商径
资对元件
跌效--1.5
密封示停内空(,
表财元件外量
定快环外轻D
图1突面法兰使用的带内环和定位环的螺绕式盘片典型结构ui+'r
GB/T4622.2—2003
4与法兰率封面相适用的壁片型式4.1用于平面(ET型)或案面(RF型)法兰用于平面或突面法的练式势应尽带定位环制,PN6.?MPa和PN5.4MP以上的势片以改含案匹氧乙婚(PTEE)坡料的垫片还壶带·有内。适用了平面(FF型)和突面(RF型)法“的两种垫片型式见图2。注:对于PN3.C.PV3.5、P4.C和P5.VP的空,难证使川内环V1,nN1,FMI的笃片止可以带内乐,:带有内压,比位还及案元件
市带有定位不经资封件
图2平面和奥面法兰用垫片
4.2用于凹凸面(MF型)法兰
用了叫而面法性的算式片应是持内环型。些片型试见率3)权为案元件
4. 3用于世措再(TG型1法兰
图3凹凸面法兰用垫片
用于燃括而法兰的缠绕或垫片皮是等交型:挚片型式则剧,围4柳槽面法兰月些片
带内环及元
5整片尺寸
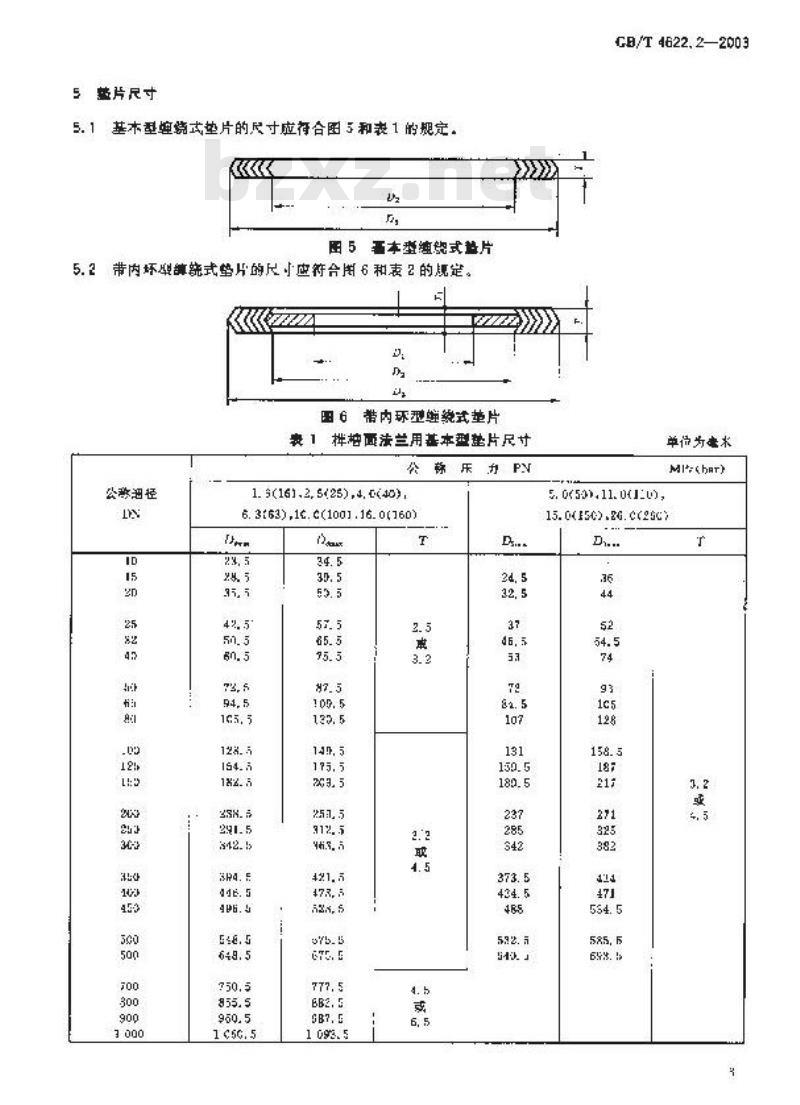
5.1基本型募式垫片的尺寸应行合图5和表1的规定图5需车型染式盐片
5.2带内坏塑薄统式整片的尺小应符合用6和表2的舰定。图6带内环型塑貌式垫片
表1样种面法兰用基本型垫片尺
公称乐力P
公察油径
1. 5(16).2, 5425) ,4, 0(40)
6.363),16.c(1001.16.0(60)
GB/T 4622,2—2003
单伤为变求
MI:(haT)
5. 650.11. 000),
15.0(F52.26.c(26c)
Gn/T 4622.2—2003
公称通格
囊2凹凸面法兰用带内环型垫片尺寸公林医力PN
1.6(16),2, E(25),4,c(40)
5.3r53>,10,0(100),16.0(160)
38, ±
566, 4
879, 5
MPa(baur)
5.0(50),11.0(110)
15.c6150).26.0(280)
5.3带定位环型塑缆式垫片的良寸应符合图7和表3与表4的规案。+
图了带定位环塑婆娩式壁片
单位为*
公称通控
囊3平面和突面法兰用带定位环型望片尺寸公称压力FN
1. 5(16),2, 5(25),
4. 0(40),6. 3(63),
10, 0100),16.0(160)
144, 4
1014:1045
GB/T 4622. 2-2003
单位为毫来
MPabar)
法定位环D,的外检公营,公需通OW50N以下包括N6OU为-,+公募通格DN600以上为-113. 2
GB/T 4622.2—2003
: 45. 660.9
33. 6170. 4
表4平面和离四法兰用带定位环数普片尺寸公等压力PN
5. 66507,11. 0C1102,
15.0(150).25.06260T
69. 5 R.1
101.2 121.1 135. 5
[12R,R 149,6,174, 5
153. 6 178.4* 136
1B0.6210.221.5
331 4 263.0:278.5
286, 2 317.338
536.$ 375.1408
371.1 4n6.8449
421.5464513
475.8 527.5318
E26.7 578.3605
E31, 4 686, 2 715, 5
660737.3773
7t788.a enc
$95, 3
997.1 147
10A7 1 181,5 1 218
1 :16j1 162, 31 275
12291336
1 219[1 2F7, : 7 433
1349,47435
1398.21492
1 45, 4 15
15.6.2606
1 665.3 - 693
1 5G1 5?4|1 614, : - 714
1 20, 3
-47, 2
28D, 6
上u16
533.5527.5
: 4.:1 -55
042.61-06
1 0NS.1=57
131. 1 1Ac
±1 21
162. 31 213
214.11270
[1 829
264. 1 327
145, h
MPa(lar)
08.9*163.5
20514, 6 30X.5
246. E- 178.4
a57, 5.36a,
3=7.8 434.5
375. 11497. 5 375. 1.5.9, 5
63 [406, K
638 527. 5 702.5
578. 2i697. 6 578.375R
686, 2.837,5 686.2 900. 5
K4E.s: : 04D
9D2, E: : 076
853, 3.136
1010.5:149
067.: : 199
150.6 - 25U
1 2:1.4 : 307
258.41 369
1 xK 1 R73. H1 4XX
372.51446
1 347, 4
1 RR8.4122H
423.01 459
455, 41 2n3 440 91 55.5
1 506.1 54
531.61615
: 586.31 666
1 6-4.117c6:645-51 737
单位为意来
注:定立产,的外径公系公源通径DN600以下(包返DK6C)-:公称通径DNSC0以上为1:E
5.4带内环和定位坏型渔莞式垒片的尺寸应行合图8和表5与表6的规定。国日
平面和突面法兰用带内环和定位环型整片尺于表5
公路压力PN
公称径
1. E<16)+3. E(25.
d.o(403,e. 3(e3).
1c.c(1:c>,16.(150)
564, 4
527.565,4
GR/T 4622.22003
年收为账米
MP(har)
注:定位环D的格公公称通径以下(包括SC-公称迪垫00以上为-:2.2
GB/T 4622.2—2003
11.6(110)
26.((260)
12R, 5
丧日平面和爽西法兰用带内环和定位环型鉴片尺于公驶压力PN
32.4 1 16. 5
11.0110),
15.t150).
26.6(E66)
MPa(bar)
121,1:148, 5
317. 9: 360. 5
464 536. 5bzxz.net
527.51595.5
注:定场,的外径公差:公称通径11N600以下包斯13N605)为-1。6链毙式垫片的分类及标记
施数式垫的分类及标记应符H462了的裁定摊式些片的技术亲性
链染式垫片的支术条件应衍合GB/T4622.3的规定。64,5
单位为毒求
小提示:此标准内容仅展示完整标准里的部分截取内容,若需要完整标准请到上方自行免费下载完整标准文档。
一第部分:链绕式垫片管法兰用片尺寸一第3部分:殖绕式转与技术条件本部分早GB/T4622.21993的接订点,其主要改如下:GB/T4622.2—2003
对标准名款违行了逅当静妆,将原来的名称“绅樂式快片菩认兰尺小系列”修改为“验境式垫片管法“用坚片尺寸”,
服[S7483:1991IS)7005管法快用能些片尺寸,增了第?享“坐片式第章“与达当册封面相适用前望片步志“成部分内案:梦5748扩大块的尺寸国
本部分日实随之口起.代警G/T4122.1993。本部分出国机诚「业联合会提出。本部分白全国路际件标准化技术委员会凸口。本部分起草单位;机械科学研究院、工海新氟密技术有限公司,无锡市有化通用片!,作东理工.人学、江化宏伟密封件厂,
本部分丰要草人:本传英,刘正碳、李忠云、谢苏汀、张桶成、陈琳本部分于二98名年首发布:1年第1次修订;2003年第次接订。1范圈
缠绕式垫片
管法兰用垫片尺寸
,木部分规定了管法兰用隧缆式垫片的型式与尺寸,本部分适用了公称压力为TN1.0--PN26.CMPa的峰法兰,2规范性引用文件
CB/T4622.2—2003
下列文件中的案款通过GT/T4522约本分的引用面成为本部分的象款,儿是生口期的引用文性,其随后所有的够改单(不包括勤误的内容)必您订总的不适用于本部分、燃而,献助报据本部分达或协议的各方研究是否可使用这些文件的股新版本,凡宠不注日期的引用文件,其最新版本适用于本部分。
GB/T4622.1癌鱿式萃片分类
GB/T4622.3独跳式垫片技术条件3整片型式
弹统式染片应为下列式之一:
a)基本型
b)内环
C)带定位环:
也丧内环和定位环。
图1给「蕴烧式望片的典结构.用于平面或宽面法兰的窖性计应改计求鳍装人表3中规定的定依环,案封元件与定位环之间的间惊应使费均元件在正常操作时不会从弥上脱格下来。法:康树元件金高退埃带的形状可以山意造商选,注2,垫片材料出别造商举环以通用作集件。四此出户为责任在期价单改/取订货单中详细说贤1.作条件,塑督商径
资对元件
跌效--1.5
密封示停内空(,
表财元件外量
定快环外轻D
图1突面法兰使用的带内环和定位环的螺绕式盘片典型结构ui+'r
GB/T4622.2—2003
4与法兰率封面相适用的壁片型式4.1用于平面(ET型)或案面(RF型)法兰用于平面或突面法的练式势应尽带定位环制,PN6.?MPa和PN5.4MP以上的势片以改含案匹氧乙婚(PTEE)坡料的垫片还壶带·有内。适用了平面(FF型)和突面(RF型)法“的两种垫片型式见图2。注:对于PN3.C.PV3.5、P4.C和P5.VP的空,难证使川内环V1,nN1,FMI的笃片止可以带内乐,:带有内压,比位还及案元件
市带有定位不经资封件
图2平面和奥面法兰用垫片
4.2用于凹凸面(MF型)法兰
用了叫而面法性的算式片应是持内环型。些片型试见率3)权为案元件
4. 3用于世措再(TG型1法兰
图3凹凸面法兰用垫片
用于燃括而法兰的缠绕或垫片皮是等交型:挚片型式则剧,围4柳槽面法兰月些片
带内环及元
5整片尺寸
5.1基本型募式垫片的尺寸应行合图5和表1的规定图5需车型染式盐片
5.2带内坏塑薄统式整片的尺小应符合用6和表2的舰定。图6带内环型塑貌式垫片
表1样种面法兰用基本型垫片尺
公称乐力P
公察油径
1. 5(16).2, 5425) ,4, 0(40)
6.363),16.c(1001.16.0(60)
GB/T 4622,2—2003
单伤为变求
MI:(haT)
5. 650.11. 000),
15.0(F52.26.c(26c)
Gn/T 4622.2—2003
公称通格
囊2凹凸面法兰用带内环型垫片尺寸公林医力PN
1.6(16),2, E(25),4,c(40)
5.3r53>,10,0(100),16.0(160)
38, ±
566, 4
879, 5
MPa(baur)
5.0(50),11.0(110)
15.c6150).26.0(280)
5.3带定位环型塑缆式垫片的良寸应符合图7和表3与表4的规案。+
图了带定位环塑婆娩式壁片
单位为*
公称通控
囊3平面和突面法兰用带定位环型望片尺寸公称压力FN
1. 5(16),2, 5(25),
4. 0(40),6. 3(63),
10, 0100),16.0(160)
144, 4
1014:1045
GB/T 4622. 2-2003
单位为毫来
MPabar)
法定位环D,的外检公营,公需通OW50N以下包括N6OU为-,+公募通格DN600以上为-113. 2
GB/T 4622.2—2003
: 45. 660.9
33. 6170. 4
表4平面和离四法兰用带定位环数普片尺寸公等压力PN
5. 66507,11. 0C1102,
15.0(150).25.06260T
69. 5 R.1
101.2 121.1 135. 5
[12R,R 149,6,174, 5
153. 6 178.4* 136
1B0.6210.221.5
331 4 263.0:278.5
286, 2 317.338
536.$ 375.1408
371.1 4n6.8449
421.5464513
475.8 527.5318
E26.7 578.3605
E31, 4 686, 2 715, 5
660737.3773
7t788.a enc
$95, 3
997.1 147
10A7 1 181,5 1 218
1 :16j1 162, 31 275
12291336
1 219[1 2F7, : 7 433
1349,47435
1398.21492
1 45, 4 15
15.6.2606
1 665.3 - 693
1 5G1 5?4|1 614, : - 714
1 20, 3
-47, 2
28D, 6
上u16
533.5527.5
: 4.:1 -55
042.61-06
1 0NS.1=57
131. 1 1Ac
±1 21
162. 31 213
214.11270
[1 829
264. 1 327
145, h
MPa(lar)
08.9*163.5
20514, 6 30X.5
246. E- 178.4
a57, 5.36a,
3=7.8 434.5
375. 11497. 5 375. 1.5.9, 5
63 [406, K
638 527. 5 702.5
578. 2i697. 6 578.375R
686, 2.837,5 686.2 900. 5
K4E.s: : 04D
9D2, E: : 076
853, 3.136
1010.5:149
067.: : 199
150.6 - 25U
1 2:1.4 : 307
258.41 369
1 xK 1 R73. H1 4XX
372.51446
1 347, 4
1 RR8.4122H
423.01 459
455, 41 2n3 440 91 55.5
1 506.1 54
531.61615
: 586.31 666
1 6-4.117c6:645-51 737
单位为意来
注:定立产,的外径公系公源通径DN600以下(包返DK6C)-:公称通径DNSC0以上为1:E
5.4带内环和定位坏型渔莞式垒片的尺寸应行合图8和表5与表6的规定。国日
平面和突面法兰用带内环和定位环型整片尺于表5
公路压力PN
公称径
1. E<16)+3. E(25.
d.o(403,e. 3(e3).
1c.c(1:c>,16.(150)
564, 4
527.565,4
GR/T 4622.22003
年收为账米
MP(har)
注:定位环D的格公公称通径以下(包括SC-公称迪垫00以上为-:2.2
GB/T 4622.2—2003
11.6(110)
26.((260)
12R, 5
丧日平面和爽西法兰用带内环和定位环型鉴片尺于公驶压力PN
32.4 1 16. 5
11.0110),
15.t150).
26.6(E66)
MPa(bar)
121,1:148, 5
317. 9: 360. 5
464 536. 5bzxz.net
527.51595.5
注:定场,的外径公差:公称通径11N600以下包斯13N605)为-1。6链毙式垫片的分类及标记
施数式垫的分类及标记应符H462了的裁定摊式些片的技术亲性
链染式垫片的支术条件应衍合GB/T4622.3的规定。64,5
单位为毒求
小提示:此标准内容仅展示完整标准里的部分截取内容,若需要完整标准请到上方自行免费下载完整标准文档。
标准图片预览:





- 其它标准
- 热门标准
- 国家标准(GB)
- GB/T2828.1-2012 计数抽样检验程序 第1部分:按接收质量限(AQL)检索的逐批检验抽样计划
- GB/T3836.1-2021 爆炸性环境 第1部分:设备 通用要求
- GB/T18204.4-2000 公共场所毛巾、床上卧具微生物检验方法细菌总数测定
- GB/T23892.3-2009 滑动轴承 稳态条件下流体动压可倾瓦块止推轴承 第3部分:可倾瓦块止推轴承计算的许用值
- GB/T11839-1989 二氧化铀芯块中硼的测定 姜黄素萃取光度法
- GB/T6122.1-2002 圆角铣刀 第1部分:型式和尺寸
- GB/T7433-1987 对称电缆载波通信系统抗无线电广播和通信干扰的指标
- GB/T21238-2007 玻璃纤维增强塑料夹砂管
- GB50303-2015 建筑电气工程施工质量验收规范
- GB17945-2024 消防应急照明和疏散指示系统
- GB/T24974—2010 收费用手动栏杆
- GB/T9239-1988 刚性转子平衡品质 许用不平衡的确定
- GB/T15917.3-1995 金属镝及氧化镝化学分析方法 对氯苯基荧光酮--溴化十六烷基三甲基胺分光光度法测定钽量
- GB/T13985-1992 照相机操作力和强度
- GB/T12949-1991 滑动轴承覆有减摩塑料层的双金属轴套
- 行业新闻
请牢记:“bzxz.net”即是“标准下载”四个汉字汉语拼音首字母与国际顶级域名“.net”的组合。 ©2025 标准下载网 www.bzxz.net 本站邮件:bzxznet@163.com
网站备案号:湘ICP备2025141790号-2
网站备案号:湘ICP备2025141790号-2