- 您的位置:
- 标准下载网 >>
- 标准分类 >>
- 船舶行业标准(CB) >>
- CB/T 707.1-2002 船用柴油机喷油泵总成技术条件
标准号:
CB/T 707.1-2002
标准名称:
船用柴油机喷油泵总成技术条件
标准类别:
船舶行业标准(CB)
英文名称:
Technical Specifications for Marine Diesel Engine Fuel Injection Pump Assemblies标准状态:
现行-
实施日期:
2003-02-01 出版语种:
简体中文下载格式:
.rar.pdf下载大小:
259.51 KB
替代情况:
CB 707.1-1983
部分标准内容:
全国船舶标准化技术委员会专业标准船用柴油机喷油泵总成技术条件本标准适用于中、大功率船用柴油机滑阀式喷油泵总成。1技术要求
1.1喷油泵及其零部件应符合本标准要求。1.2同机型的喷油案及其主要表部件,除特别规定者外,均须具有互换性。CB*707.1--83
组别45
代CB 707..75
1.3喷油泵中的柱塞偶件应符合CB*707.3一83《船用柴油机喷油泵柱塞个件技术条件》的规定。1.4喷油泵中的出油阀偶件应符合CR*707.2—83《船用柴油机喷油泵出油阀偶件技术条件》的规定。
1.5喷油泵在调整试验前,应按产品图样规定或制造厂技术文件进行磨合试验。1.6喷油泵的调节杆应调节灵活,无阻滞现象。静态定喷油泵调节杆在全行程范围内的移动力,应符合产品图样巾中规定的数值,并记载于出厂文件中。1.7单缸分列式喷油泵在额定工况供油量时,其相应的调节杆刻度位置应符合产品图样的规定,并记载于出广文件中。Www.bzxZ.net
1.8多缸合成式喷油泵各缸额定工说供油量时的供油始点与指定的基准斑供油始点的史角偏差为土30(静态测量)。所指定的基准缸供油始点应在明显处用刻线表示,并记载于出广文件中。1.9单断分列式喷油泵供油的偏差率应不大于表1规定。表1
供注盘偏差本(%)
柴油机类型
辆定E况
中速机
候速机
供汕量偏差率按式(1)计算得出。:Qt- Q。
×100%
式中:n——供油凰偏差率%*
Qu-基准供油量,按产品图样规定;Q,实测供油最,g。
最低工作稳定转速工泓
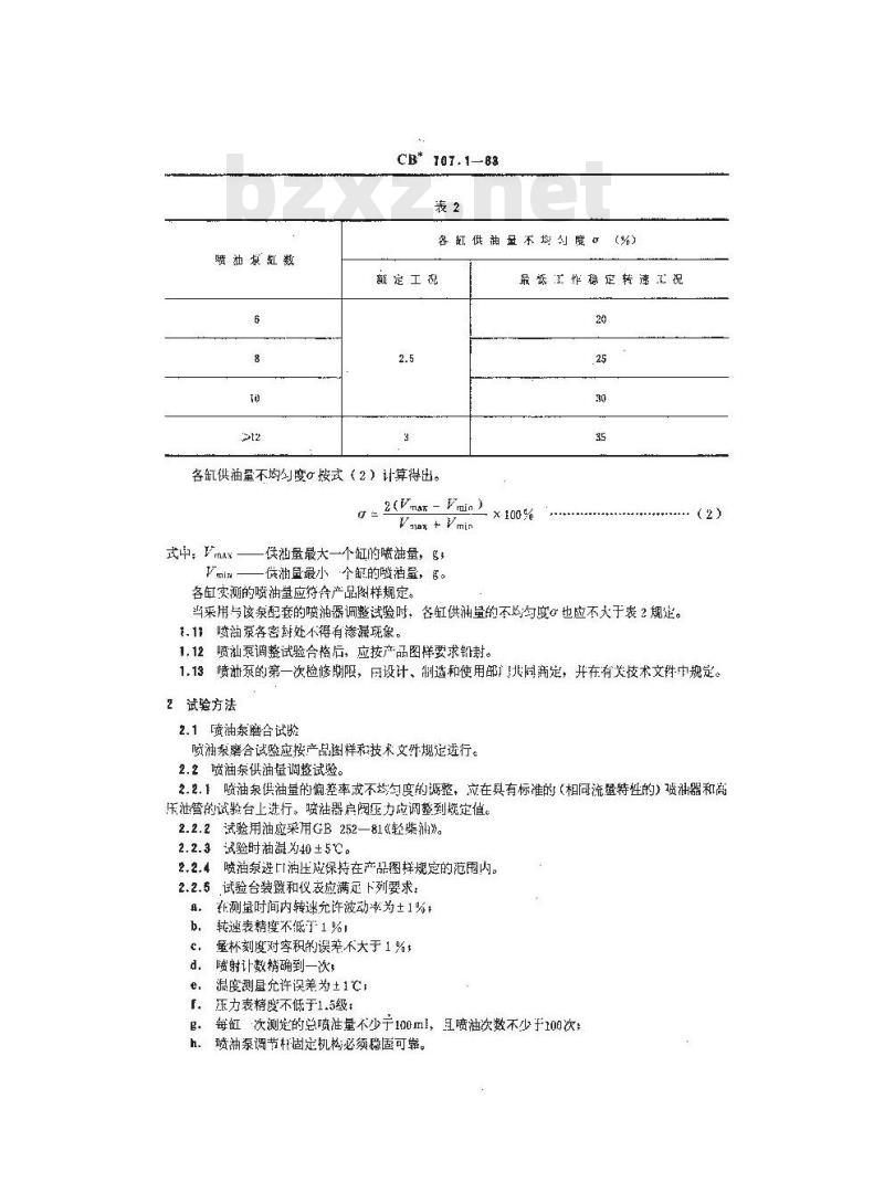
当采用与该泵配套的喷汕器调整试验时,供油量的偏差率也应不大于表1规定。1.10多缸合成式喷油泵各缸供油量的不均均度,应不大于表2规定。全国船舶标准化技术委员会1988-07-11发布1984-05-01实施
喷油景缸数
CB* 101.1-83
各缸低袖虽不均刘度
额定工税
最紧江作稳定转速汇况
各缸供油量不均匀度按式(2)计算得出。g ≥ 2(Vmax - Vimln)
Vaax + Vmin.
式中,Viax-
伐泄量最大一个缸的喷油量,g,供油量最小一个舒的啵酒量,。X100%
各缸实测的喷油量应符会产品阁样规定。当来用与该泵配套的喷油器调整试验时,各缸供油量的不均沟度也应不大于表2规定。.11喷油泵各密处不得有渗漏现象。1.12喷汕泵调整试验合格后,应按产品图样要求铅封。1.13喷池泵的第一次检修期限,设计、制造和使用部门非同商定,并在有关技术文件中规定。2试验方法
2.1油泵磨合试验
喷油泵馨合试验应按产品图样和技术文件期定进行。2.2喷油泵供油量调整试验。
2.2.1喷油泉供油量的偏差率或不均勾度的滤整,应在具有标准的(相同流量特性的)喷油器和高压池管的试验台上选行,喷油器启阅压力应调整到定值。2.2.2试验用油应采用GB 252—81《轻柴油》。2. 2.3 试验时油湿为40 ±5℃。2.2.4喷油泵进[I油压应保持在产乱图样规定的范围内。2.2.5试验台装置和仪衰应满定下列要求,在测量时间内转速允许波动率为土1%转速表精度不低于1%!
杯刻度对容积的误差不大于1%
喷射计数精确到一次,
漏度测量允许误差为±1℃i
压力表精度不低于1.5级;
每缸次测定的总喷准量不少于100ml,且喷油次数不少于100次喷袖泵调节相固定机构必须聪固可靠。CB*707.1-83
2.3测量喷油泵调节杆移动阻力时,应将调节杆置于水位置,在全行程范围内使调节杆缓慢地往加油或减油方向移动,此时在调节杆的轴向测定其阻力值,单位以克重表示。2.4静态测量喷油束供油始点时,应缓慢而平稳地转动喷淋泵凸轮轴,根据液面波动的瞬时来确定供油始点。用作观察凌面的透明管内径应为2~2.5扭m。2.5喷油泵低压油整粒采用压力为15kgf/cm2(1.47MPa)的轻柴油作耐压试验,3分钟内不得惨溺。
3检验规则
3.1喷油泵须由制造厂技术检验部门按本标准要求进行检验。3.2在制造」以外的单位检验喷油泰供油量偏差率或各缸供油量不均勾度时,其试验台用制造!提供的喷汕泵样件校验。
9.3订货方有权要求按本标准灿验喷油泵质,但不得拆卸资洲泵。检验内容一般为1.7、1.8,1.9或1.10条。抽验数量应不多」每批交货数景的1%,但不少丁两台。有其他要求的,由订货方同制造」商定。
检验结果有一台不合格时,应抽取网批产品加倍数量复验。如仍有一台不合格时,则不予验收。标志、包装、运输、贮存
4.1检验合格的喷油泵,应在显窖部位设置产品铭牌。铭牌内容:8。制造厂或商标,
b.型号(非际准型可用柴油机型号);c,制造号码
d.制造且期(年、月)。
4.2喷油泵应进行防蚀处理和包装。所有管接进口和后!均应加装保护裹或套,以防脏物迷人。4.3经防蚀处理和但装妇的喷油泵连同经检验员签章的产品合格证及出厂文件:(色括启封规则),一起装入具有防潮设施的包装箱内,并在箱外标明:a:产品名称;
型号(非标泌型可用柴浒机型号)b.
箱内数最;
装箱日期(年、月、日);
制造厂或商标;
f.运输保护标记。
4.4喷油泵在运输过程中,应保证不受机械损伤和化学腐蚀。4.5喷油泵应贮存在十姚的仓库内,不得与酸、碱及其它能引起腐蚀作用的物品存放在一起。在止常保管情况下,白出厂之日起,制造厂应保证一年内不发生锈但。附加说明:
本称准由柴油机分技术委员会提出,由七一一所归『。本标准由七··-研究所、南京远洋船舶配件制造厂、陕两紫油机厂、红江机械及红旗船舶配杆」集体起草。
小提示:此标准内容仅展示完整标准里的部分截取内容,若需要完整标准请到上方自行免费下载完整标准文档。
1.1喷油泵及其零部件应符合本标准要求。1.2同机型的喷油案及其主要表部件,除特别规定者外,均须具有互换性。CB*707.1--83
组别45
代CB 707..75
1.3喷油泵中的柱塞偶件应符合CB*707.3一83《船用柴油机喷油泵柱塞个件技术条件》的规定。1.4喷油泵中的出油阀偶件应符合CR*707.2—83《船用柴油机喷油泵出油阀偶件技术条件》的规定。
1.5喷油泵在调整试验前,应按产品图样规定或制造厂技术文件进行磨合试验。1.6喷油泵的调节杆应调节灵活,无阻滞现象。静态定喷油泵调节杆在全行程范围内的移动力,应符合产品图样巾中规定的数值,并记载于出厂文件中。1.7单缸分列式喷油泵在额定工况供油量时,其相应的调节杆刻度位置应符合产品图样的规定,并记载于出广文件中。Www.bzxZ.net
1.8多缸合成式喷油泵各缸额定工说供油量时的供油始点与指定的基准斑供油始点的史角偏差为土30(静态测量)。所指定的基准缸供油始点应在明显处用刻线表示,并记载于出广文件中。1.9单断分列式喷油泵供油的偏差率应不大于表1规定。表1
供注盘偏差本(%)
柴油机类型
辆定E况
中速机
候速机
供汕量偏差率按式(1)计算得出。:Qt- Q。
×100%
式中:n——供油凰偏差率%*
Qu-基准供油量,按产品图样规定;Q,实测供油最,g。
最低工作稳定转速工泓
当采用与该泵配套的喷汕器调整试验时,供油量的偏差率也应不大于表1规定。1.10多缸合成式喷油泵各缸供油量的不均均度,应不大于表2规定。全国船舶标准化技术委员会1988-07-11发布1984-05-01实施
喷油景缸数
CB* 101.1-83
各缸低袖虽不均刘度
额定工税
最紧江作稳定转速汇况
各缸供油量不均匀度按式(2)计算得出。g ≥ 2(Vmax - Vimln)
Vaax + Vmin.
式中,Viax-
伐泄量最大一个缸的喷油量,g,供油量最小一个舒的啵酒量,。X100%
各缸实测的喷油量应符会产品阁样规定。当来用与该泵配套的喷油器调整试验时,各缸供油量的不均沟度也应不大于表2规定。.11喷油泵各密处不得有渗漏现象。1.12喷汕泵调整试验合格后,应按产品图样要求铅封。1.13喷池泵的第一次检修期限,设计、制造和使用部门非同商定,并在有关技术文件中规定。2试验方法
2.1油泵磨合试验
喷油泵馨合试验应按产品图样和技术文件期定进行。2.2喷油泵供油量调整试验。
2.2.1喷油泉供油量的偏差率或不均勾度的滤整,应在具有标准的(相同流量特性的)喷油器和高压池管的试验台上选行,喷油器启阅压力应调整到定值。2.2.2试验用油应采用GB 252—81《轻柴油》。2. 2.3 试验时油湿为40 ±5℃。2.2.4喷油泵进[I油压应保持在产乱图样规定的范围内。2.2.5试验台装置和仪衰应满定下列要求,在测量时间内转速允许波动率为土1%转速表精度不低于1%!
杯刻度对容积的误差不大于1%
喷射计数精确到一次,
漏度测量允许误差为±1℃i
压力表精度不低于1.5级;
每缸次测定的总喷准量不少于100ml,且喷油次数不少于100次喷袖泵调节相固定机构必须聪固可靠。CB*707.1-83
2.3测量喷油泵调节杆移动阻力时,应将调节杆置于水位置,在全行程范围内使调节杆缓慢地往加油或减油方向移动,此时在调节杆的轴向测定其阻力值,单位以克重表示。2.4静态测量喷油束供油始点时,应缓慢而平稳地转动喷淋泵凸轮轴,根据液面波动的瞬时来确定供油始点。用作观察凌面的透明管内径应为2~2.5扭m。2.5喷油泵低压油整粒采用压力为15kgf/cm2(1.47MPa)的轻柴油作耐压试验,3分钟内不得惨溺。
3检验规则
3.1喷油泵须由制造厂技术检验部门按本标准要求进行检验。3.2在制造」以外的单位检验喷油泰供油量偏差率或各缸供油量不均勾度时,其试验台用制造!提供的喷汕泵样件校验。
9.3订货方有权要求按本标准灿验喷油泵质,但不得拆卸资洲泵。检验内容一般为1.7、1.8,1.9或1.10条。抽验数量应不多」每批交货数景的1%,但不少丁两台。有其他要求的,由订货方同制造」商定。
检验结果有一台不合格时,应抽取网批产品加倍数量复验。如仍有一台不合格时,则不予验收。标志、包装、运输、贮存
4.1检验合格的喷油泵,应在显窖部位设置产品铭牌。铭牌内容:8。制造厂或商标,
b.型号(非际准型可用柴油机型号);c,制造号码
d.制造且期(年、月)。
4.2喷油泵应进行防蚀处理和包装。所有管接进口和后!均应加装保护裹或套,以防脏物迷人。4.3经防蚀处理和但装妇的喷油泵连同经检验员签章的产品合格证及出厂文件:(色括启封规则),一起装入具有防潮设施的包装箱内,并在箱外标明:a:产品名称;
型号(非标泌型可用柴浒机型号)b.
箱内数最;
装箱日期(年、月、日);
制造厂或商标;
f.运输保护标记。
4.4喷油泵在运输过程中,应保证不受机械损伤和化学腐蚀。4.5喷油泵应贮存在十姚的仓库内,不得与酸、碱及其它能引起腐蚀作用的物品存放在一起。在止常保管情况下,白出厂之日起,制造厂应保证一年内不发生锈但。附加说明:
本称准由柴油机分技术委员会提出,由七一一所归『。本标准由七··-研究所、南京远洋船舶配件制造厂、陕两紫油机厂、红江机械及红旗船舶配杆」集体起草。
小提示:此标准内容仅展示完整标准里的部分截取内容,若需要完整标准请到上方自行免费下载完整标准文档。
标准图片预览:



- 其它标准
- 热门标准
- 船舶行业标准(CB)
- CB/T1033-1999 船用油分浓度计
- CB/T4160-2011 锚修理技术要求
- CB/T3799-1997 船舶液压系统修理清洗技术要求
- CB/T3924-2002 船用锅炉原材料入厂检验
- CB/T4405-2014 额定电压6kV Um7.2kV 至30kV Um36kV 船舶和近海设施变频传动用电力电缆
- CB/T3686-1995 电汽热水柜
- CB/T3679-1995 船用往复式液压舵机修理技术要求
- CB/T3955-2004 法兰不锈钢闸阀
- CB/T47-1999 船用对焊钢法兰
- CB/T19-2001 船用人孔盖
- CB/T3668-1995 电刷镀镍、铜工艺技术要求
- CB/T3752-1995 机械压力式燃烧器
- CB/T3921-2001 船用辅锅炉人孔装置
- CB/T3837-1998 船舶用气囊上排、下水工艺要求
- CB/Z303-1978 长江客货船船模系列试验图谱
- 行业新闻
请牢记:“bzxz.net”即是“标准下载”四个汉字汉语拼音首字母与国际顶级域名“.net”的组合。 ©2025 标准下载网 www.bzxz.net 本站邮件:bzxznet@163.com
网站备案号:湘ICP备2025141790号-2
网站备案号:湘ICP备2025141790号-2