- 您的位置:
- 标准下载网 >>
- 标准分类 >>
- 其他行业标准 >>
- FZ/T 14023-2021涤(锦)纶防水透湿雨衣面料
标准号:
FZ/T 14023-2021
标准名称:
涤(锦)纶防水透湿雨衣面料
标准类别:
其他行业标准
英文名称:
Water-proof and moisture permeable polyester (polyamide) fabric for raincoat标准状态:
现行-
发布日期:
2021-08-21 -
实施日期:
2022-02-01 出版语种:
简体中文下载格式:
.pdf .zip
标准ICS号:
纺织和皮革技术>>纺织产品>>59.080.30纺织物中标分类号:
纺织>>印染制品>>W71棉与棉混纺织物印染品
替代情况:
替代FZ/T 14023-2012
点击下载
标准简介:
本文件规定了涤(锦)纶防水透湿雨衣面料的术语和定义、分类、要求、试验和检验方法、检验规则及标志、包装、运输、贮存。
本文件适用于涤纶、锦纶、涤锦复合丝为原料的机织物,经覆膜或涂层整理的防水透湿雨衣面料。
部分标准内容:
ICS59.080.30bZxz.net
CCSW71
中华人民共和国纺织行业标准
FZ/T14023—2021
代替FZ/T14023—2012
涤(锦)纶防水透湿雨衣面料
Water-proof and moisture permeable polyester (polyamide) fabric for raincoat2021-08-21发布
中华人民共和国工业和信息化部2022-02-01实施
FZ/T14023—2021
第1部分:标准化文件的结构和起草规则》的规定本文件按照GB/T1.1一2020《标准化工作导则起草。
本文件代替FZ/T14023—2012《涤(锦)纶防水透湿雨衣面料》,与FZ/T14023—2012相比,主要技术变化如下:
调整了范围,增加了防水透湿雨衣面料的定义;-取消了三等品等级(见5.2.12012年版的4.1.1);内在质量增加了纤维含量偏差、水洗后外观考核项目,删除了透气率、粘附强度指标项目,提升了透湿率考核指标、部分色牢度指标(见表1,2012年版的表1、表2);外观质量按照幅宽偏差、色差、歪斜、局部性疵点、散布性疵点章条编写;一局部性疵点按分每百平方米考核并提升了考核指标,增加了歪斜、散布性疵点考核项目(见表2);
调整了表面抗湿性-沾水等级试验烘燥温度(见6.8,2012年版的5.1.9),补充了耐低温性试验参数(见6.11,2012年版的5.1.11)。请注意本文件的某些内容可能涉及专利。本文件的发布机构不承担识别专利的责任,本文件由中国纺织工业联合会提出。本文件由全国纺织品标准化技术委员会印染制品分技术委员会(SAC/TC209/SC11)归口。本文件起草单位:丹东优耐特纺织品有限公司、上海市纺织工业技术监督所、浙江灏宇科技有限公司、浙江盛发纺织印染有限公司、江苏金太阳纺织科技股份有限公司、中国印染行业协会。本文件主要起草人:张迎春、宋宏波、左舒文、王灏洁、杨文龙、陆万宏、李鹏飞。本文件所替代文件的历次版本发布情况为:-FZ/T14023--2012。
1范围
涤(锦)纶防水透湿雨衣面料
FZ/T14023—2021
本文件规定了涤(锦)纶防水透湿雨衣面料的术语和定义、分类、要求、试验和检验方法、检验规则及标志、包装、运输、贮存。
本文件适用于以涤纶、锦纶、涤锦复合丝为原料的机织物,经覆膜或涂层整理的防水透湿雨衣面料。2规范性引用文件
下列文件中的内容通过文中的规范性引用而构成本文件必不可少的条款。其中,注日期的引用文件,仅该日期对应的版本适用于本文件;不注日期的引用文件,其最新版本(包括所有的修改单)适用于本文件。
GB/T250纺织品色牢度试验评定变色用灰色样卡GB/T411棉印染布
GB/T3917.3纺织品织物撕破性能第3部分:梯形试样撕破强力的测定GB/T3920纺织品色牢度试验耐摩擦色牢度GB/T3922一2013纺织品色牢度试验耐汗渍色牢度GB/T3923.1
GB/T4666
纺织品织物拉伸性能第1部分:断裂强力和断裂伸长率的测定(条样法)纺织品织物长度和幅宽的测定
GB/T4669一2008纺织品机织物单位长度质量和单位面积质量的测定纺织品防水性能的检测和评价静水压法GB/T4744-20134
GB/T4745纺织品防水性能的检测和评价沾水法GB/T4841.3
GB/T5296.4
GB/T5713
GB/T6682
GB/T8170
染料染色标准深度色卡2/1、1/3、1/6、1/12、1/25消费品使用说明第4部分:纺织品和服装纺织品
色牢度试验耐水色牢度
分析实验室用水规格和试验方法数值修约规则与极限数值的表示和判定GB/T8629—2017
纺织品试验用家庭洗涤和于燥程序GB/T8631
织物因冷水浸渍而引起的尺寸变化的测定纺织品
GB/T12704.2
织物透湿性试验方法第2部分:蒸发法纺织品
GB/T14801
GB/T17760
GB18401
机织物与针织物纬斜和弓纬试验方法印染布布面疵点检验方法
国家纺织产品基本安全技术规范纺织品纤维含量的标识
GB/T29862
GB31701
婴幼儿及儿童纺织产品安全技术规范FZ/T01007—2008
涂层织物耐低温性的测定
FZ/T01008—2008
涂层织物耐热空气老化性的测定FZ/T01101
FZ/T10005
FZ/T10010
纺织品纤维含量的测定、物理法棉及化纤纯纺、混纺印染布检验规则棉及化纤纯纺、混纺印染布标志与包装1
FZ/T14023—2021
3术语和定义
GB/T411界定的及下列术语和定义适用于本文件。3.1
防水透湿雨衣面料
water-proofandmoisturepermeablefabricforraincoat通过树脂涂层或薄膜复合等整理方式,使面料具有一定的抗渗水及透湿效果的功能面料。4分类
涤(锦)纶防水透湿雨衣面料按原料可分为涤纶防水透湿雨衣面料、锦纶防水透湿雨衣面料、涤锦混纺或交织防水透湿雨衣面料。
5要求
5.1项目
涤(锦)纶防水透湿雨衣面料的要求分内在质量和外观质量两个方面。内在质量包括单位面积质量偏差率、纤维含量偏差、断裂强力、撕破强力、断裂伸长率、水浸尺寸变化率、透湿率、静水压、表面抗湿性-沾水等级、水洗后外观、耐湿热老化性能、耐低温性能、色牢度和安全性能14项;外观质量包括幅宽偏差、色差、歪斜、局部性疵点、散布性疵点5项。5.2分等规定
5.2.1产品的品等分为优等品、一等品、二等品,低于二等品的为等外品。5.2.2涤(锦)纶防水透湿雨衣面料的评等,内在质量按批评等,外观质量按匹(段)评等,以内在质量和外观质量中最低一项品等作为该匹(段)布的品等。5.2.3在同一匹(段)布内,局部性疵点采用每百平方米允许评分的办法评定等级,散布性疵点按严重一项评等。
5.3内在质量
5.3.1产品安全性能指标应符合GB18401或GB31701的规定。5.3.2内在质量要求按表1。
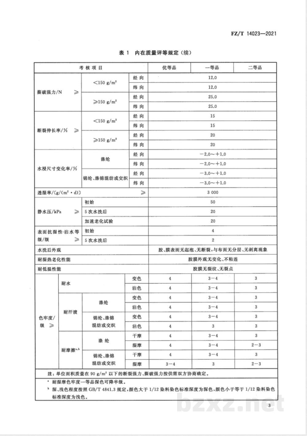
表1内在质量评等规定
考核项目
单位面积质量偏差率/%
纤维含量偏差/%
<150g/m2
断裂强力/N
≥150g/m2
优等品
一等品
按照GB/T29862执行
二等品
撕破强力/N
断裂伸长率/%
考核项目
<150g/m2
≥150g/m2
<150g/m2
≥150 g/m2
水浸尺寸变化率/%
锦纶、涤锦混纺或交织
透湿率/Cg/(m2·d))
静水压/kPa
表面抗湿性-沾水等
级/级
水洗后外观
耐湿热老化性能
耐低温性能
耐汗溃
色牢度/
耐摩擦
5次水洗后
加速老化试验
5次水洗后
锦纶、涤锦
混纺或交织
锦纶、涤锦
混纺或交织
内在质量评等规定(续)
优等品
一等品
-2.0~+1.0
-2.0~+1.0
-3.0~+1.0
-3.0~+1.0
FZ/T14023—2021
二等品
胶、膜表面无起泡、无断裂,与布面无分层、无剥离现象胶膜外观无变化、不粘连
胶膜无裂纹、无裂点
注:单位面积质量在90g/m2以下的断裂强力、撕破强力按供需双方协商确定。耐湿摩色牢度一等品深色可降半级。3
b深、浅色程度按照GB/T4841.3规定,颜色大于1/12染料染色标准深度为深色,颜色小于等于1/12染料染色标准深度为浅色。
FZ/T14023—2021
外观质量
5.4.1外观质量要求
外观质量评定规定按表2。
幅宽偏差/cm
同类布样
色差/级
歪斜/%
参考样
左中右
花斜或纬斜
表2外观质量评等规定
优等品
-1.0~+2.0
条格花斜或条格纬斜
局部性疵点/(分/100m2)
花纹不符、染色不匀
散布性疵点
棉结杂质、深浅细点
注1:花纹不符按用户确认样为准。2.5
不影响外观
不影响外观
不影响外观
注2:印花布的布面疵点应根据对总体效果的影响程度评定。歪斜以花斜或纬斜、条格花斜或条格纬斜中严重的一项考核。5.4.2
每匹(段)布的局部性疵点允许总评分一等品
不影响外观
不影响外观
不影响外观
二等品
—2.0~+3.0
影响外观
影响外观
影响外观
每匹(段)布的局部性疵点允许总评分按公式(1)计算,按GB/T8170修约至个位数。A=a×L×W/100
式中:
每匹(段)布的局部性疵点允许总评分,单位为分;每百平方米评分限度,单位为分每百平方米(分/100m2);卷长,单位为米(m);
幅宽,单位为米(m)。
假开剪和拼件的规定
在优等品中不允许假开剪。
(1)
假开剪的疵点应是评为4分的疵点或评为3分的严重疵点,假开剪后各段布都应是一等品。凡用户允许假开剪或拼件的,可实行假开剪和拼件。距离布端5m以内及长度在30m以下的不允许假开剪,最低拼件长度不低于10m;假开剪按60m不允许超过2处,长度每增加30m,假开剪可相应增加1处。
假开剪和拼件率合计不允许超过20%,其中拼件率不得超过10%。假开剪位置应作明显标记,附假开剪段长记录单。6试验和检验方法
FZ/T14023—2021
6.1单位面积质量试验方法按GB/T4669一2008中方法6执行,密度偏差率按公式(2)计算,按GB/T8170修约至小数点后一位。G=m-m
式中:
—单位面积质量偏差率,%;
涤(锦)纶防水透湿雨衣面料单位面积质量实测值,单位为克每平方米(g/m);m一—涤(锦)纶防水透湿雨衣面料单位面积质量标称值,单位为克每平方米(g/m)。注:单位面积质量标称值为客户要求或面料设计值,按贸易双方协议商定。(2)
6.2纤维含量偏差试验方法按FZ/T01101执行,纤维含量结果以净干质量结合公定回潮率计算的公定质量百分率表示。
6.3断裂强力、断裂伸长率试验方法按GB/T3923.1执行。6.4撕破强力试验方法按GB/T3917.3执行。6.5水浸尺寸变化率试验方法按GB/T8631执行。6.6透湿率试验方法按GB/T12704.2执行。6.7静水压试验方法按GB/T4744-2013执行,水温为20℃士2℃,水压上升速率为6.0kPa/min士0.05kPa/min。洗后静水压试验方法按照GB/T8629一2017(洗涤程序为4N,连续洗涤5个循环,干燥程序A),加速老化试验方法按附录A执行。6.8表面抗湿性能-沾水等级的试验方法按GB/T4745执行。(洗涤程序同6.7,洗后沾水指标测试前,于80℃±3℃,烘燥1h)
6.9水洗后外观试验方法按照GB/T8629—2017(洗涤程序为4N,连续洗涤5个循环,干燥程序A)执行。
6.10耐湿热老化性能试验方法按FZ/T01008一2008方法C执行,其中,老化时间为72h。6.11耐低温性试验方法按FZ/T01007一2008执行,其中,温度为一20℃,重锤质量和高度选择参数B,保持时间3min士20s。
6.12耐水色牢度的试验方法按GB/T5713执行。6.13耐汗渍色牢度的试验方法按GB/T3922一2013中单纤维贴衬执行。6.14耐摩擦色牢度的试验方法按GB/T3920执行。6.15幅宽的检验方法按GB/T4666执行。6.16色差评定按GB/T250执行。
歪斜花斜或纬斜、条格花斜或条格纬斜)检验按GB/T14801执行。6.18局部性疵点和散布性疵点检验方法按照GB/T17760执行。7检验规则
检验规则按FZ/T10005执行。
8标志、包装、贮存、运输
8.1标志、包装按FZ/T10010执行,内包装的标志按GB/T5296.4执行。5
FZ/T14023—2021
贮存:贮存时应放于通风、干燥、清洁的仓库内,严禁火种。运输:运输时防污、防潮、防火、防雨、严禁划伤。其他
特殊品种及用户对产品有特殊要求的,由供需双方另订协议。6
A.1试验溶液
(规范性)
加速老化试验方法
FZ/T14023—2021
所有试剂为化学纯,用符合GB/T6682的三级水配制试液,现配现用。每升试液含有:L-组氨酸盐酸盐一水合物(C.H,O2N·HC1·H2O)氯化纳(NaCI)
磷酸氢二钠十二水合物(Na2HPO,·12H2O))磷酸氢二钠二水合物(Na2HPO·2H2O)氢氧化钠(NaOH)
A.2操作过程
50g或
取试验样品5块,试样尺寸为200mm×200mm。将样品完全浸没于90℃试液中,浸泡30min后取出,室温下用清水洗布面10min~15min,然后将样品在烘箱内70℃下烘12h,胶面不脱离基布,并进行静水压试验。
FZ/T14023-2021
码上扫一扫正版服务到
中华人民共和国纺织
行业标准
涤(锦)纶防水透湿雨衣面料
FZ/T14023—2021
中国标准出版社出版发行
北京市朝阳区和平里西街甲2号(100029)北京市西城区三里河北街16号(100045)网址www.spc.net.cn
发行中心:(010)51780238
总编室:(010)68533533
读者服务部:(010)68523946
中国标准出版社秦皇岛印刷厂印刷各地新华书店经销
开本880×1230
2022年1月第一版
印张0.75
字数20千字
2022年1月第一次印刷
书号:155066·2-36412定价16.00元如有印装差错
由本社发行中心调换
版权专有侵权必究
举报电话:(010)68510107
小提示:此标准内容仅展示完整标准里的部分截取内容,若需要完整标准请到上方自行免费下载完整标准文档。
CCSW71
中华人民共和国纺织行业标准
FZ/T14023—2021
代替FZ/T14023—2012
涤(锦)纶防水透湿雨衣面料
Water-proof and moisture permeable polyester (polyamide) fabric for raincoat2021-08-21发布
中华人民共和国工业和信息化部2022-02-01实施
FZ/T14023—2021
第1部分:标准化文件的结构和起草规则》的规定本文件按照GB/T1.1一2020《标准化工作导则起草。
本文件代替FZ/T14023—2012《涤(锦)纶防水透湿雨衣面料》,与FZ/T14023—2012相比,主要技术变化如下:
调整了范围,增加了防水透湿雨衣面料的定义;-取消了三等品等级(见5.2.12012年版的4.1.1);内在质量增加了纤维含量偏差、水洗后外观考核项目,删除了透气率、粘附强度指标项目,提升了透湿率考核指标、部分色牢度指标(见表1,2012年版的表1、表2);外观质量按照幅宽偏差、色差、歪斜、局部性疵点、散布性疵点章条编写;一局部性疵点按分每百平方米考核并提升了考核指标,增加了歪斜、散布性疵点考核项目(见表2);
调整了表面抗湿性-沾水等级试验烘燥温度(见6.8,2012年版的5.1.9),补充了耐低温性试验参数(见6.11,2012年版的5.1.11)。请注意本文件的某些内容可能涉及专利。本文件的发布机构不承担识别专利的责任,本文件由中国纺织工业联合会提出。本文件由全国纺织品标准化技术委员会印染制品分技术委员会(SAC/TC209/SC11)归口。本文件起草单位:丹东优耐特纺织品有限公司、上海市纺织工业技术监督所、浙江灏宇科技有限公司、浙江盛发纺织印染有限公司、江苏金太阳纺织科技股份有限公司、中国印染行业协会。本文件主要起草人:张迎春、宋宏波、左舒文、王灏洁、杨文龙、陆万宏、李鹏飞。本文件所替代文件的历次版本发布情况为:-FZ/T14023--2012。
1范围
涤(锦)纶防水透湿雨衣面料
FZ/T14023—2021
本文件规定了涤(锦)纶防水透湿雨衣面料的术语和定义、分类、要求、试验和检验方法、检验规则及标志、包装、运输、贮存。
本文件适用于以涤纶、锦纶、涤锦复合丝为原料的机织物,经覆膜或涂层整理的防水透湿雨衣面料。2规范性引用文件
下列文件中的内容通过文中的规范性引用而构成本文件必不可少的条款。其中,注日期的引用文件,仅该日期对应的版本适用于本文件;不注日期的引用文件,其最新版本(包括所有的修改单)适用于本文件。
GB/T250纺织品色牢度试验评定变色用灰色样卡GB/T411棉印染布
GB/T3917.3纺织品织物撕破性能第3部分:梯形试样撕破强力的测定GB/T3920纺织品色牢度试验耐摩擦色牢度GB/T3922一2013纺织品色牢度试验耐汗渍色牢度GB/T3923.1
GB/T4666
纺织品织物拉伸性能第1部分:断裂强力和断裂伸长率的测定(条样法)纺织品织物长度和幅宽的测定
GB/T4669一2008纺织品机织物单位长度质量和单位面积质量的测定纺织品防水性能的检测和评价静水压法GB/T4744-20134
GB/T4745纺织品防水性能的检测和评价沾水法GB/T4841.3
GB/T5296.4
GB/T5713
GB/T6682
GB/T8170
染料染色标准深度色卡2/1、1/3、1/6、1/12、1/25消费品使用说明第4部分:纺织品和服装纺织品
色牢度试验耐水色牢度
分析实验室用水规格和试验方法数值修约规则与极限数值的表示和判定GB/T8629—2017
纺织品试验用家庭洗涤和于燥程序GB/T8631
织物因冷水浸渍而引起的尺寸变化的测定纺织品
GB/T12704.2
织物透湿性试验方法第2部分:蒸发法纺织品
GB/T14801
GB/T17760
GB18401
机织物与针织物纬斜和弓纬试验方法印染布布面疵点检验方法
国家纺织产品基本安全技术规范纺织品纤维含量的标识
GB/T29862
GB31701
婴幼儿及儿童纺织产品安全技术规范FZ/T01007—2008
涂层织物耐低温性的测定
FZ/T01008—2008
涂层织物耐热空气老化性的测定FZ/T01101
FZ/T10005
FZ/T10010
纺织品纤维含量的测定、物理法棉及化纤纯纺、混纺印染布检验规则棉及化纤纯纺、混纺印染布标志与包装1
FZ/T14023—2021
3术语和定义
GB/T411界定的及下列术语和定义适用于本文件。3.1
防水透湿雨衣面料
water-proofandmoisturepermeablefabricforraincoat通过树脂涂层或薄膜复合等整理方式,使面料具有一定的抗渗水及透湿效果的功能面料。4分类
涤(锦)纶防水透湿雨衣面料按原料可分为涤纶防水透湿雨衣面料、锦纶防水透湿雨衣面料、涤锦混纺或交织防水透湿雨衣面料。
5要求
5.1项目
涤(锦)纶防水透湿雨衣面料的要求分内在质量和外观质量两个方面。内在质量包括单位面积质量偏差率、纤维含量偏差、断裂强力、撕破强力、断裂伸长率、水浸尺寸变化率、透湿率、静水压、表面抗湿性-沾水等级、水洗后外观、耐湿热老化性能、耐低温性能、色牢度和安全性能14项;外观质量包括幅宽偏差、色差、歪斜、局部性疵点、散布性疵点5项。5.2分等规定
5.2.1产品的品等分为优等品、一等品、二等品,低于二等品的为等外品。5.2.2涤(锦)纶防水透湿雨衣面料的评等,内在质量按批评等,外观质量按匹(段)评等,以内在质量和外观质量中最低一项品等作为该匹(段)布的品等。5.2.3在同一匹(段)布内,局部性疵点采用每百平方米允许评分的办法评定等级,散布性疵点按严重一项评等。
5.3内在质量
5.3.1产品安全性能指标应符合GB18401或GB31701的规定。5.3.2内在质量要求按表1。
表1内在质量评等规定
考核项目
单位面积质量偏差率/%
纤维含量偏差/%
<150g/m2
断裂强力/N
≥150g/m2
优等品
一等品
按照GB/T29862执行
二等品
撕破强力/N
断裂伸长率/%
考核项目
<150g/m2
≥150g/m2
<150g/m2
≥150 g/m2
水浸尺寸变化率/%
锦纶、涤锦混纺或交织
透湿率/Cg/(m2·d))
静水压/kPa
表面抗湿性-沾水等
级/级
水洗后外观
耐湿热老化性能
耐低温性能
耐汗溃
色牢度/
耐摩擦
5次水洗后
加速老化试验
5次水洗后
锦纶、涤锦
混纺或交织
锦纶、涤锦
混纺或交织
内在质量评等规定(续)
优等品
一等品
-2.0~+1.0
-2.0~+1.0
-3.0~+1.0
-3.0~+1.0
FZ/T14023—2021
二等品
胶、膜表面无起泡、无断裂,与布面无分层、无剥离现象胶膜外观无变化、不粘连
胶膜无裂纹、无裂点
注:单位面积质量在90g/m2以下的断裂强力、撕破强力按供需双方协商确定。耐湿摩色牢度一等品深色可降半级。3
b深、浅色程度按照GB/T4841.3规定,颜色大于1/12染料染色标准深度为深色,颜色小于等于1/12染料染色标准深度为浅色。
FZ/T14023—2021
外观质量
5.4.1外观质量要求
外观质量评定规定按表2。
幅宽偏差/cm
同类布样
色差/级
歪斜/%
参考样
左中右
花斜或纬斜
表2外观质量评等规定
优等品
-1.0~+2.0
条格花斜或条格纬斜
局部性疵点/(分/100m2)
花纹不符、染色不匀
散布性疵点
棉结杂质、深浅细点
注1:花纹不符按用户确认样为准。2.5
不影响外观
不影响外观
不影响外观
注2:印花布的布面疵点应根据对总体效果的影响程度评定。歪斜以花斜或纬斜、条格花斜或条格纬斜中严重的一项考核。5.4.2
每匹(段)布的局部性疵点允许总评分一等品
不影响外观
不影响外观
不影响外观
二等品
—2.0~+3.0
影响外观
影响外观
影响外观
每匹(段)布的局部性疵点允许总评分按公式(1)计算,按GB/T8170修约至个位数。A=a×L×W/100
式中:
每匹(段)布的局部性疵点允许总评分,单位为分;每百平方米评分限度,单位为分每百平方米(分/100m2);卷长,单位为米(m);
幅宽,单位为米(m)。
假开剪和拼件的规定
在优等品中不允许假开剪。
(1)
假开剪的疵点应是评为4分的疵点或评为3分的严重疵点,假开剪后各段布都应是一等品。凡用户允许假开剪或拼件的,可实行假开剪和拼件。距离布端5m以内及长度在30m以下的不允许假开剪,最低拼件长度不低于10m;假开剪按60m不允许超过2处,长度每增加30m,假开剪可相应增加1处。
假开剪和拼件率合计不允许超过20%,其中拼件率不得超过10%。假开剪位置应作明显标记,附假开剪段长记录单。6试验和检验方法
FZ/T14023—2021
6.1单位面积质量试验方法按GB/T4669一2008中方法6执行,密度偏差率按公式(2)计算,按GB/T8170修约至小数点后一位。G=m-m
式中:
—单位面积质量偏差率,%;
涤(锦)纶防水透湿雨衣面料单位面积质量实测值,单位为克每平方米(g/m);m一—涤(锦)纶防水透湿雨衣面料单位面积质量标称值,单位为克每平方米(g/m)。注:单位面积质量标称值为客户要求或面料设计值,按贸易双方协议商定。(2)
6.2纤维含量偏差试验方法按FZ/T01101执行,纤维含量结果以净干质量结合公定回潮率计算的公定质量百分率表示。
6.3断裂强力、断裂伸长率试验方法按GB/T3923.1执行。6.4撕破强力试验方法按GB/T3917.3执行。6.5水浸尺寸变化率试验方法按GB/T8631执行。6.6透湿率试验方法按GB/T12704.2执行。6.7静水压试验方法按GB/T4744-2013执行,水温为20℃士2℃,水压上升速率为6.0kPa/min士0.05kPa/min。洗后静水压试验方法按照GB/T8629一2017(洗涤程序为4N,连续洗涤5个循环,干燥程序A),加速老化试验方法按附录A执行。6.8表面抗湿性能-沾水等级的试验方法按GB/T4745执行。(洗涤程序同6.7,洗后沾水指标测试前,于80℃±3℃,烘燥1h)
6.9水洗后外观试验方法按照GB/T8629—2017(洗涤程序为4N,连续洗涤5个循环,干燥程序A)执行。
6.10耐湿热老化性能试验方法按FZ/T01008一2008方法C执行,其中,老化时间为72h。6.11耐低温性试验方法按FZ/T01007一2008执行,其中,温度为一20℃,重锤质量和高度选择参数B,保持时间3min士20s。
6.12耐水色牢度的试验方法按GB/T5713执行。6.13耐汗渍色牢度的试验方法按GB/T3922一2013中单纤维贴衬执行。6.14耐摩擦色牢度的试验方法按GB/T3920执行。6.15幅宽的检验方法按GB/T4666执行。6.16色差评定按GB/T250执行。
歪斜花斜或纬斜、条格花斜或条格纬斜)检验按GB/T14801执行。6.18局部性疵点和散布性疵点检验方法按照GB/T17760执行。7检验规则
检验规则按FZ/T10005执行。
8标志、包装、贮存、运输
8.1标志、包装按FZ/T10010执行,内包装的标志按GB/T5296.4执行。5
FZ/T14023—2021
贮存:贮存时应放于通风、干燥、清洁的仓库内,严禁火种。运输:运输时防污、防潮、防火、防雨、严禁划伤。其他
特殊品种及用户对产品有特殊要求的,由供需双方另订协议。6
A.1试验溶液
(规范性)
加速老化试验方法
FZ/T14023—2021
所有试剂为化学纯,用符合GB/T6682的三级水配制试液,现配现用。每升试液含有:L-组氨酸盐酸盐一水合物(C.H,O2N·HC1·H2O)氯化纳(NaCI)
磷酸氢二钠十二水合物(Na2HPO,·12H2O))磷酸氢二钠二水合物(Na2HPO·2H2O)氢氧化钠(NaOH)
A.2操作过程
50g或
取试验样品5块,试样尺寸为200mm×200mm。将样品完全浸没于90℃试液中,浸泡30min后取出,室温下用清水洗布面10min~15min,然后将样品在烘箱内70℃下烘12h,胶面不脱离基布,并进行静水压试验。
FZ/T14023-2021
码上扫一扫正版服务到
中华人民共和国纺织
行业标准
涤(锦)纶防水透湿雨衣面料
FZ/T14023—2021
中国标准出版社出版发行
北京市朝阳区和平里西街甲2号(100029)北京市西城区三里河北街16号(100045)网址www.spc.net.cn
发行中心:(010)51780238
总编室:(010)68533533
读者服务部:(010)68523946
中国标准出版社秦皇岛印刷厂印刷各地新华书店经销
开本880×1230
2022年1月第一版
印张0.75
字数20千字
2022年1月第一次印刷
书号:155066·2-36412定价16.00元如有印装差错
由本社发行中心调换
版权专有侵权必究
举报电话:(010)68510107
小提示:此标准内容仅展示完整标准里的部分截取内容,若需要完整标准请到上方自行免费下载完整标准文档。
标准图片预览:





- 其它标准
- 上一篇: FZ/T 14022-2021间位芳纶印染布
- 下一篇: FZ/T 14024-2012棉粘混纺印染布
- 热门标准
- 其他行业标准
- YS/T227.7-2010 碲化学分析方法 第7部分:硫量的测定 电感耦合等离子体原子发射光谱法
- YS/T990.17-2015 冰铜化学分析方法 第17部分:钴量的测定 原子吸收光谱法
- JB/T11120-2010 印刷机械 网版印刷紫外线光固机
- FZ/T01125-2014 纺织品 定量化学分析 壳聚糖纤维与某些其他纤维的混合物(胶体滴定法)
- QB/T4762-2014 铅酸蓄电池护板用纸
- FZ/T72020-2014 针织横机领
- JB/T1308.19-2011 PN2500超高压阀门和管件 第19部分:等径三通、等径四通
- QX/T332-2016 气象服务公众满意度
- CNCA-C11-11:2014 强制性产品认证实施规则 汽车燃油箱
- FZ/T98009-2011 电子单纤维强力仪
- FZ/T12024-2021 靛蓝染色棉纱线
- QB/T4766-2014 家具用双包镶板技术要求
- JB/T11313-2012 电袋复合除尘器用旁路阀
- YS/T5424-2014 有色金属工业炉窑砌筑工程质量检验评定标准
- FZ/T01153-2019 非织造布 疵点的描述 术语
- 行业新闻
请牢记:“bzxz.net”即是“标准下载”四个汉字汉语拼音首字母与国际顶级域名“.net”的组合。 ©2025 标准下载网 www.bzxz.net 本站邮件:bzxznet@163.com
网站备案号:湘ICP备2025141790号-2
网站备案号:湘ICP备2025141790号-2