- 您的位置:
- 标准下载网 >>
- 标准分类 >>
- 船舶行业标准(CB) >>
- CB/T 3477-92 可闭立式防浪阀
标准号:
CB/T 3477-92
标准名称:
可闭立式防浪阀
标准类别:
船舶行业标准(CB)
标准状态:
现行出版语种:
简体中文下载格式:
.zip .pdf下载大小:
522.17 KB
相关标签:
立式
点击下载
标准简介:
CB/T 3477-92.
1主题内容 与适用范围
CB/T 3477规定了法兰连接尺寸按GB569.GB2501的铸钢、青铜可闭立式防浪阀(以下简称防浪阀)的产品分类、技术要求、试验方法、检验规则、标志和包装。
CB/T 3477适用于介质为海水、淡水和污水等的船舶管路系统。
2引用标准
GB569船用法兰连接尺寸和密封面
GB 600船舶管路阀件通用技术条件
GB2501船用法兰连接尺寸和密封面(四进位).
GB 3032船舶管 路附件的标志
CB620防浪阀船舷接管
ZB/TU52001船用铸造阀件壁厚
CBM35防浪阀船舷接管
3产品分类
3.1防浪阀的型式规定如 下:
A- 法兰连接尺寸按GB 569的直通防浪阀;
AS-一法兰连接尺寸按GB2501的直通防浪阀;
B-法兰连接尺寸按GB 569的直角防浪阀;
BS---法兰连接尺寸按GB 2501的直角防浪阀。
3.2防浪阀的基本参数按表1 规定。
部分标准内容:
中华人民共和国船舶行业标准
CB/T3477-92
可闭立式防浪阀
1992-08-21发布
中国船舶工业总公司发布
1993-05-01实施
中华人民共和国船舶行业标准
可闭立式防浪阀
1主题内容与适用范围
CB/T3477-92
分类号:U52
代替CB:3202--84
CB-32D184
本标准规定了法兰连接尺寸按GB569,GB2501的铸钢、青铜可闭立式防浪阀(以下简称防浪阀)的产品分类、技术要求,试验方法、检验规则、标志和包装。本标准适用于介质为海水、淡水和污水等的船舶管路系统。2引用标准
船用法兰连接尺寸和密封面
船舶管路阀件通用技术条件
GB2501:船用法兰连接尺寸和密封面(四进位)GB3032船舶管路附件的标志
CB620防浪阀船接管
ZB/TU52001船用铸造阀件壁厚
防浪阀船艇接管
3产品分类
3.1防浪阀的型式规定如下:
法兰连接尺寸按GB569的直通防浪阀;AS—法兰连接尺寸按GB2501的直通防浪阀;B——法兰连接尺寸按GB569的直角防浪阀;BS——法兰连接尺寸按GB2501的直角防浪阀。3.2防浪阀的基本参数按表1规定。表1
A、AS、B、BS
3.3防浪阅的结构尺寸
公称压力PN
3.3.1A型、B型防浪阀的结构尺寸按图1、图2和表2规定。3.3.2AS型、BS型防浪阀的结构尺寸按图1、图2和表3规定中国船舶工业总公司1992-08-21批准公称通径DN
50~150
1993-05-01实施
图1A型、AS型
外形尺寸
150369
4371213
165174
CB/T3477--92
法兰连接尺寸
铸钢青氟
123104
138118
183164
240208190
图2B型、BS型
重量,kg
外形尺寸
5021017036032713590
240200385
142110110
CB/T3477—92
法兰连接尺寸
铸钢青铜
155120120
2602204003701
280250430393172130137
407195150160
330270465
150360310490437213165
3.4标记示例
14011090
160130110
190150128
210170148
240200178
265225202
do,个Th
重量.kg
AS型BS型AS型BS型
公称压力为0.1MPa,公称通径为50mm,按GB569法兰连接尺寸和密封面的铸钢直通防浪阀防浪阀A50GCB/T3477—92
公称压力为0.1MPa,公称通径为50mm,按GB2501法兰连接尺寸和密封面(四进位)的青铜直角防浪阀:
防浪阀BS50QCB/T3477-92
4技术要求和试验方法
4.1防浪阀的技术要求按GB600规定。4.2防浪阀的主要零件的材料按表4规定。表4
零件名称
阀体、阔盖
杠杆、阀杆、套筒
密封垫片
铸锡青铜
铝青铜
锡黄铜
耐酸碱橡胶
ZG230-450
ZSn10-2
QA19-2
HSn62-1
4.3防浪阀的法兰连接尺寸和密封面按GB569和GB2501规定。4.4免费标准bzxz.net
防浪阀的壁厚按ZB/TU52001规定。防浪阀船躯接管按CB620和CBM35规定。4.5
防浪阀的试验方法按GB600规定。5检验规则
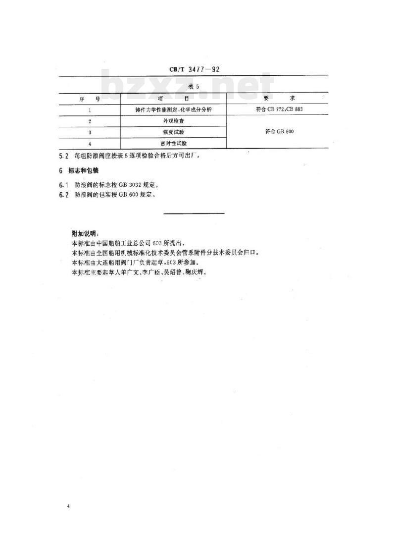
型式检验和出厂检验的项目按表5规定。5.1
标准号
GB4429
GB2041
HG4—400
CB/T3477-92
铸件力学性能测定,化学成分分析外观检查
强度试验
密封性试验
每组防浪阀应按表5逐项检验合格后方可出厂。5.2
标志和包装
防浪阅的标志按GB3032规定。
防浪阅的包装按GB600规定。
附加说明:
本标准由中国船舶工业总公司603所提出。要
符合CB772,CB883
符合GB600
本标准由全国船用机械标准化技术委员会管系附件分技术委员会归口。本标准由大连船用阀门厂负责起草,603所参加。本标准主要起草人单广文、李广臣、吴绍曾、庆辉。
小提示:此标准内容仅展示完整标准里的部分截取内容,若需要完整标准请到上方自行免费下载完整标准文档。
CB/T3477-92
可闭立式防浪阀
1992-08-21发布
中国船舶工业总公司发布
1993-05-01实施
中华人民共和国船舶行业标准
可闭立式防浪阀
1主题内容与适用范围
CB/T3477-92
分类号:U52
代替CB:3202--84
CB-32D184
本标准规定了法兰连接尺寸按GB569,GB2501的铸钢、青铜可闭立式防浪阀(以下简称防浪阀)的产品分类、技术要求,试验方法、检验规则、标志和包装。本标准适用于介质为海水、淡水和污水等的船舶管路系统。2引用标准
船用法兰连接尺寸和密封面
船舶管路阀件通用技术条件
GB2501:船用法兰连接尺寸和密封面(四进位)GB3032船舶管路附件的标志
CB620防浪阀船接管
ZB/TU52001船用铸造阀件壁厚
防浪阀船艇接管
3产品分类
3.1防浪阀的型式规定如下:
法兰连接尺寸按GB569的直通防浪阀;AS—法兰连接尺寸按GB2501的直通防浪阀;B——法兰连接尺寸按GB569的直角防浪阀;BS——法兰连接尺寸按GB2501的直角防浪阀。3.2防浪阀的基本参数按表1规定。表1
A、AS、B、BS
3.3防浪阅的结构尺寸
公称压力PN
3.3.1A型、B型防浪阀的结构尺寸按图1、图2和表2规定。3.3.2AS型、BS型防浪阀的结构尺寸按图1、图2和表3规定中国船舶工业总公司1992-08-21批准公称通径DN
50~150
1993-05-01实施
图1A型、AS型
外形尺寸
150369
4371213
165174
CB/T3477--92
法兰连接尺寸
铸钢青氟
123104
138118
183164
240208190
图2B型、BS型
重量,kg
外形尺寸
5021017036032713590
240200385
142110110
CB/T3477—92
法兰连接尺寸
铸钢青铜
155120120
2602204003701
280250430393172130137
407195150160
330270465
150360310490437213165
3.4标记示例
14011090
160130110
190150128
210170148
240200178
265225202
do,个Th
重量.kg
AS型BS型AS型BS型
公称压力为0.1MPa,公称通径为50mm,按GB569法兰连接尺寸和密封面的铸钢直通防浪阀防浪阀A50GCB/T3477—92
公称压力为0.1MPa,公称通径为50mm,按GB2501法兰连接尺寸和密封面(四进位)的青铜直角防浪阀:
防浪阀BS50QCB/T3477-92
4技术要求和试验方法
4.1防浪阀的技术要求按GB600规定。4.2防浪阀的主要零件的材料按表4规定。表4
零件名称
阀体、阔盖
杠杆、阀杆、套筒
密封垫片
铸锡青铜
铝青铜
锡黄铜
耐酸碱橡胶
ZG230-450
ZSn10-2
QA19-2
HSn62-1
4.3防浪阀的法兰连接尺寸和密封面按GB569和GB2501规定。4.4免费标准bzxz.net
防浪阀的壁厚按ZB/TU52001规定。防浪阀船躯接管按CB620和CBM35规定。4.5
防浪阀的试验方法按GB600规定。5检验规则
型式检验和出厂检验的项目按表5规定。5.1
标准号
GB4429
GB2041
HG4—400
CB/T3477-92
铸件力学性能测定,化学成分分析外观检查
强度试验
密封性试验
每组防浪阀应按表5逐项检验合格后方可出厂。5.2
标志和包装
防浪阅的标志按GB3032规定。
防浪阅的包装按GB600规定。
附加说明:
本标准由中国船舶工业总公司603所提出。要
符合CB772,CB883
符合GB600
本标准由全国船用机械标准化技术委员会管系附件分技术委员会归口。本标准由大连船用阀门厂负责起草,603所参加。本标准主要起草人单广文、李广臣、吴绍曾、庆辉。
小提示:此标准内容仅展示完整标准里的部分截取内容,若需要完整标准请到上方自行免费下载完整标准文档。
标准图片预览:





- 其它标准
- 上一篇: QB/T 4842-2015陶笛
- 下一篇: CB/T 3476-92 立式防浪阀
- 热门标准
- CB船舶标准
- CB/T3686-1995 电汽热水柜
- CB/T4026-2005 J类法兰铸铁0.5 MPa闸阀
- CB/T3955-2004 法兰不锈钢闸阀
- CB/T3921-2001 船用辅锅炉人孔装置
- CB/Z303-1978 长江客货船船模系列试验图谱
- CB/T3954-2002 船用热油炉
- CB/T786-2005 船用圆筒形隔震器
- CB/T3348-2005 船用锅壳式辅锅炉本体总装技术条件
- CB1390-2008 舰用柴油机排气系统消声器规范
- CB/T3945-2002 法兰铸钢带波纹管截止阀
- CB/T3852.7-2008 船用照明灯具类型、参数和主要尺寸 第7部分:壁灯
- CB/T709.1-2004 船用柴油机喷油器总成技术条件
- CB/T4161-2011 锚链修理技术要求
- CB/T4164-2011 船用组合式放泄阀
- CB667-1968 铝质通风法兰
- 行业新闻
请牢记:“bzxz.net”即是“标准下载”四个汉字汉语拼音首字母与国际顶级域名“.net”的组合。 ©2025 标准下载网 www.bzxz.net 本站邮件:bzxznet@163.com
网站备案号:湘ICP备2025141790号-2
网站备案号:湘ICP备2025141790号-2