- 您的位置:
- 标准下载网 >>
- 标准分类 >>
- 轻工行业标准(QB) >>
- QB/T 2249-1996 凹版印刷纸
标准号:
QB/T 2249-1996
标准名称:
凹版印刷纸
标准类别:
轻工行业标准(QB)
标准状态:
现行出版语种:
简体中文下载格式:
.zip .pdf下载大小:
117.29 KB
点击下载
标准简介:
QB/T 2249-1996.
1范围
QB/T 2249规定了凹版印刷纸的技术规范。
QB/T 2249适用于单色和彩色印刷画报、美术图片﹑插图等用纸。
2引用标准
下列标准所包含的条文,通过在本标准中引用而构成为本标准的条文。本标准出版时,所示版本均为有效。所有标准都会被修订,使用本标准的各方应探讨使用下列标准最新版本的可能性。
GB/T 147——1989印刷、书写和绘图用原纸尺寸
GB/T 450---1989纸和纸板试样的采取
GB/T 451.1—1989纸和纸板尺寸及偏斜度的测定法GB/T 451.2—1989纸和纸板定量的测定法
GB/T 451.3—-1989纸和纸板厚度的测定法
GB/T 453---1989纸和纸板抗张强度的测定法(恒速加荷法)GB/T 456—1989纸和纸板平滑度的测定法(别克法)
GB/T 457——1989纸耐折度的测定法
GB/T 460——1989纸和纸板施胶度的测定法(墨水划线法)GB/T 461.2——1989纸和纸板表面吸收速度的测定法GB/T 462—1989纸和纸板水分的测定法
GB/T 463---1989纸和纸板灰分的测定
GB/T 1541--—1989纸和纸板尘埃度的测定法
GB/T 2828一-1987逐批检查计数抽样程序及抽样表(适用于连续批的检查)GB/T 7974--1987纸及纸板白度测定法(漫射/垂直法)
GB/T 8940.1—1988纸和纸板白度测定法(45/0定向反射法)GB/T 10342——1989纸张的包装和标志
GB/T 10739—1989
纸浆、纸和纸板试样处理和试验的标准大气
GB/T 12911--1991
纸和纸板油墨吸收性的测定法
3产品分类
3.1凹版印刷纸分平板纸和卷筒纸,或按合同之规定。
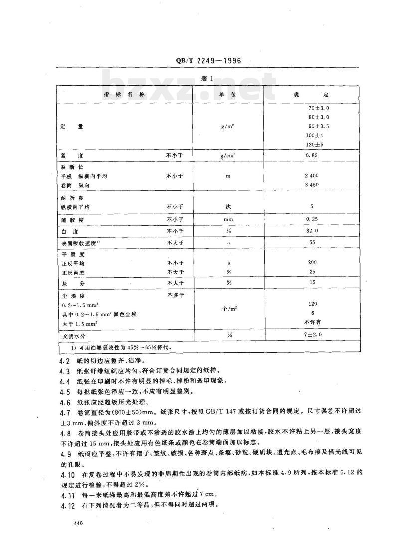
4技术要求
部分标准内容:
本标准由于采用新的大气条件(23士1)℃、(50士2)%RH,所以技术指标作了相应的调整,与原标准水平相当。本标准非等效采用FOCT9168—1980《凹版印刷纸》。本标准的抽样检查按GB/T2828—1987《逐批检查计数抽样程序及抽样表(适用于连续批的检查)》进行了相应的确定。
本标准尘埃度根据GB/T1541--1989《纸和纸板尘埃度的测定法》进行了相应的确定。本标准由中国轻工总会食品造纸部提出。本标准由全国造纸标准化中心归口。本标准起草单位:开山屯化学纤维浆厂。本标推主要起草人:李克吉。
自本标准实施之日起,原轻工业部部标准QB322-1980《凹版印刷纸》作废。438
1范围
中华人民共和国轻工行业标准
凹版印刷纸
本标准规定了凹版印刷纸的技术规范。本标准适用于单色和彩色印刷画报、美术图片、插图等用纸。2引用标准
QB/T 2249---1996
下列标准所包含的条文,通过在本标准中引用而构成为本标准的条文。本标准出版时,所示版本均为有效。所有标准都会被修订,使用本标准的各方应探讨使用下列标准最新版本的可能性。GB/T147—1989印刷、书写和绘图用原纸尺寸纸和纸板试样的采取
GB/T 450-1989
GB/T 451.1—1989
纸和纸板尺寸及偏斜度的测定法GB/T 451.2—1989
纸和纸板定量的测定法
纸和纸板厚度的测定法
GB/T 451.3--1989
GB/T 453--1989
GB/T 456—1989
GB/T 457—1989
GB/T 460—1989
纸和纸板抗张强度的测定法(恒速加荷法)纸和纸板平滑度的测定法(别克法)纸耐折度的测定法
纸和纸板施胶度的测定法(墨水划线法)GB/T 461.2—1989
GB/T 462—1989
GB/T 463---1989
GB/T 1541--1989
GB/T 2828-1987
GB/T 7974--1987
纸和纸板表面吸收速度的测定法纸和纸板水分的测定法
纸和纸板灰分的测定
纸和纸板尘埃度的测定法
逐批检查计数抽样程序及抽样表(适用于连续批的检查)纸及纸板白度测定法(漫射/垂直法)GB/T 8940.1—1988
GB/T 10342—1989
GB/T 10739—1989
GB/T 12911—1991
3产品分类
纸和纸板白度测定法(45/0定向反射法)纸张的包装和标志
纸浆、纸和纸板试样处理和试验的标准大气纸和纸板油墨吸收性的测定法
3.1凹版印刷纸分平板纸和卷筒纸,或按合同之规定。4技术要求
4.1凹版印刷纸的技术指标应符合表1规定。中国轻工总会1996-10-11批准
TTiKAoNi KAca
1997-07-01实施
裂断长
指标名称
平板纵横向平均
卷简纵向
耐折度
纵横向平均
施胶度
表面吸收速度1
平滑度
正反平均
正反面差
尘埃度
0.2~1.5 mm2
其中0.2~1.5mm2黑色尘埃
大于1.5mm2
交货水分
QB/T 2249-1996
不小于
不小于
不小于
不小于
不小于
不大于
不小于
不大于
不大于
不多于
1)可用油墨吸收性为45%~65%替代。4.2纸的切边应整齐、洁净。
个/m2
4.3纸张纤维组织应均匀,符合订货合同规定的纸样。4.4纸张在印刷时不许有明显的掉毛、掉粉和透印现象。4.5每批纸张色应一致,不应有明显差别。规
100±4
120±5
不许有
4.6纸张应经超级压光处理。
4.7卷简直径为(800士50)mm。纸张尺寸:按照GB/T147或按订货合同的规定。尺寸误差不许超过土3mm,偏斜度不许超过3mm。
4.8卷简接头处应用胶带或不渗透的胶水涂上均匀的薄层加以粘接,胶水不许粘上另一层,接头宽度不许超过15mm,接头处应用有色纸条或额色在卷简端面加以标志。4.9纸面应平整,不许有褶子、皱纹、破损、各种斑点、条痕、砂粒、硬质块、透光点、毛布痕及借光线可见的孔眼。
4.10在复卷过程中不易发现的非周期性出现的卷筒内部纸病,如本标准4.9所列,按本标准5.12的规定进行检验,不得超过2%。下载标准就来标准下载网
4.11每一米纸垛最高和最低高度差不许超过7cm。4.12有下列情况者为二等品,但不得同时超过两项。440
QB/T2249-1996
a)定量超过允许偏差规定士2%以内者;b)裂断长低于规定10%以内者;c)尘埃度超过规定20%以内者;d)平滑度低于规定20%以内者,两面差不超过30%以内者;e)白度低于规定3%以内者。
5试验方法
5.1定量按GB/T451.2进行测定。5.2紧度按GB/T451.3进行测定。5.3裂断长按GB/T453进行测定。5.4耐折度按GB/T457进行测定。5.5施胶度按GB/T460进行测定。白度按GB/T7974、GB/T8940.1进行测定,仲裁时按GB/T7974规定进行。5.6
灰分按GB/T463进行测定。
5.8表面吸收速度按GB/T461.2或GB/T12911进行测定。5.9平滑度按GB/T456进行测定。5.10尘埃度按GB/T1541进行测定。交货水分按GB/T462进行测定。
卷简内部纸病的测定,取卷简纸的外部10层,去掉最外部5层,其余5层为试样,将其切成5. 12
0.05m2的纸片,选择并称重有纸病的纸片,求出试样的百分比。6检验规则
6.1以一次交货数量为一批,但不多于280件(卷)。6.2生产厂应保证所生产的产品符合本标准的要求,每件(卷)纸交货时应附产品质量合格证。6.3凹版印刷纸交收试验单位为件(卷)。6.4产品交收试验抽样检查按GB/T2828的规定进行。6.5样本抽取按GB/T450的规定进行。交货抽样方案,抽查水平和合格质量水平(AQL)按表2规定。6.6
抽样方
(卷)
151~3200
正常二次抽样检查水平 S-3
B类不合格品
样本大小
HikAoNiKAca-
C类不合格品
不合格分类
B类不合格
平滑度
表面吸收速度
(油墨吸收性)
C类不合格
裂断长
耐折度
施胶度
尘埃度
交货水分
外观质量
QB/T2249—1996
6.7需方有权按本标准检查产品质量,如对质量有异议,应在到货后一个月内(或按合同规定),通知供方共同复验或委托检验部门进行复验。如不符合本标准的规定,则判为批不合格,由供方负责处理;如符合本标准的规定,则判为批合格,由需方负责处理。7标志、包装、运输、购存
7.1凹版印刷纸的包装和标志按GB/T10342的规定进行。7.2运输时必须用带篷、防雨、防潮、洁净的运输工具。7.3搬运时,不许将件(卷)从高处扔下或就地翻滚移动。7.4凹版印刷纸应妥善保管,要严防雨、雪和地面潮湿及有害物质的影响,并严禁大型物品挤压。442
小提示:此标准内容仅展示完整标准里的部分截取内容,若需要完整标准请到上方自行免费下载完整标准文档。
标准图片预览:





- 热门标准
- QB轻工标准
- QB/T5302-2018 生活用干纸巾流延聚乙烯(CPE) 包装膜
- QB/T2833-2006 运动营养食品 能量控制食品
- QB/T1334-2013 水嘴通用技术条件
- QB/T1640-1992 陶瓷模用石膏粉物理性能测试方法
- QB/T4916-2016 伊代欣糖(浆)
- QB/T2049.5-1994 电光源玻壳K型玻壳尺寸系列
- QB1872-1993 服装用皮革
- QB/T2609-2003 工业缝纫机漏油的测试方法 第1部分:平缝纫机漏油的测试方法
- QB/T1272-2012 毛皮 化学试验样品的准备
- QB/T2816-2006 工业用缝纫机单(双)针下送料立柱式平缝机机头
- QB/T4701-2014 毛发护理器具环境意识设计导则
- QB/T5302-2018 生活用干纸巾流延聚乙烯(CPE) 包装膜
- QB/T2858-2007 学生书袋
- QB/T4427-2012 芸香浸膏 枫香树脂提取物
- QB6005-1992 麦芽厂设计规范
- 行业新闻
网站备案号:湘ICP备2025141790号-2