- 您的位置:
- 标准下载网 >>
- 标准分类 >>
- 船舶行业标准(CB) >>
- CB/T 3709-1995 船用活塞式空气压缩机修理技术要求
标准号:
CB/T 3709-1995
标准名称:
船用活塞式空气压缩机修理技术要求
标准类别:
船舶行业标准(CB)
标准状态:
现行出版语种:
简体中文下载格式:
.zip .pdf下载大小:
569.33 KB
点击下载
标准简介:
CB/T 3709-1995.
1主题内容与适用范围
CB/T 3709规定了船用活塞式空气压缩机(以下简称空压机)的勘验、修理、试验及验收要求。
CB/T 3709适用于额定排出压力不大于3 MPa的水冷或风冷船用活塞式空气压缩机,其他型式的活塞式空气压缩机也可参照执行。
2引用标准
GB 12928 船用中压活塞式空气压缩机
ZB J72013.2船用中压往复活塞空气压缩机技术条件
3勘验
3.1勘验范围
3.1.1︰若修理仅限于对少量不重要的零部件,则只需对所指定范围或零部件进行拆卸检查。
3.1.2若修理范围较大或包括重要零部件,则应先进行修前试验,然后进行拆卸检查。
3.2修前试验、
3.2.1修前试验可在随船航行﹑修前试航或修前系泊试验中进行。
3.2.2修前试验包括负荷运转试验和充气试验。试验时,观察和检测机组修前技术状况。
3.3拆卸检查
3.3.1按勘验范围将空压机解体,并采用有效方法对拆卸零部件进行清洗。
3.3.2检查气缸或气缸套、活塞,活塞环、活塞销,连杆轴承、主轴承及进排气阀组等部件的磨损和机械损伤等情况,并作好精确的测量和详细的记录。
3.3.3对气缸或气缸套、活塞、活塞销、连杆、曲轴及各轴承等受力件,应检查有无变形和裂纹等缺陷。必要时应对曲轴,活塞销和连杆螺栓等零件,进行无损探伤检查。
3.3.4气缸、气缸盖,冷却器、液气分离器等受压零部件,其受压腔室在清洗后,应进行水压试验。试验时,气腔和油腔的压力为1.5倍工作压力,冷却水腔的压力为0.5 MPa,保压5 min,检查其泄漏情况。
部分标准内容:
CB/T 3709—1995
船用活塞式空气压缩机修理技术要求1995-12-19发布
中国船舶工业总公司发布
1996-08-01实施
中华人民共和国船舶行业标准
船用活塞式空气压缩机修理技术要求主题内容与适用范围
CB/T 3709
分类号:R 32
本标准规定了船用活案式空气压缩机(以下简称空压机)的勘验、修理、试验及验收要求。1995
本标准适用于额定排出压力不大丁3MPa的水冷或风冷船用活塞式空气压缩机,其他型的活塞式空气压缩机也可参照执行。
2引用标准
GB12928船用中压活塞式空气压缩机ZBJ72013.2船用中压往复活塞空气压缩机技术条件3勘验
3.1勘验范围
3.1.1若理仅限于对少量不重要的零部件,则只需对所指定范围或零部件进行拆卸检查。3.1.2若修理范围较大或包括重要零部件,则应先进行修前试验,然后进行拆卸检查,3.2修前试验
3.2.1修前试验可在随船航行,修前试航或修前系泊试验中进行。3.2. 2修前试验包括负荷运转试验和充气试验。试验时,观案和检测机组前技术状况。3.3:拆卸检查
3.3.1按勘验范围将空压机解体,并采用行效方法对拆卸零部件进行清洗。3.3. 2检查气缸或气缸套、活塞、活塞环、活塞、连杆轴承,主轴承及进排气阀组等部件的磨损和机械损伤等情况,并作好精确的测量和详细的记录。3.3.3对气缸或气缸套、活塞,活塞销.连杆、曲轴及各轴承等受力件,应检查有无变形和裂纹等缺陷。必要时应对曲轴.活塞销和连杆螺栓等零性,进行无摄探伤检查,3.3.4气缸、气缸盖、冷却器、液气分离器等受压零部件,其受压腔室在清洗盾,成进行水压试验。试验时,气腔和油腔的压力为 1. 5 倍工作压力,冷却水腔的压力为 0. 5 MPa,保压 5 min,检查其泄漏情况。4修理
4.1机体和曲轴箱
机体和曲轴箱有裂纹时充许采用焊接、板、金属扣合、粘等方法进行理。4.2气缸或气缸套
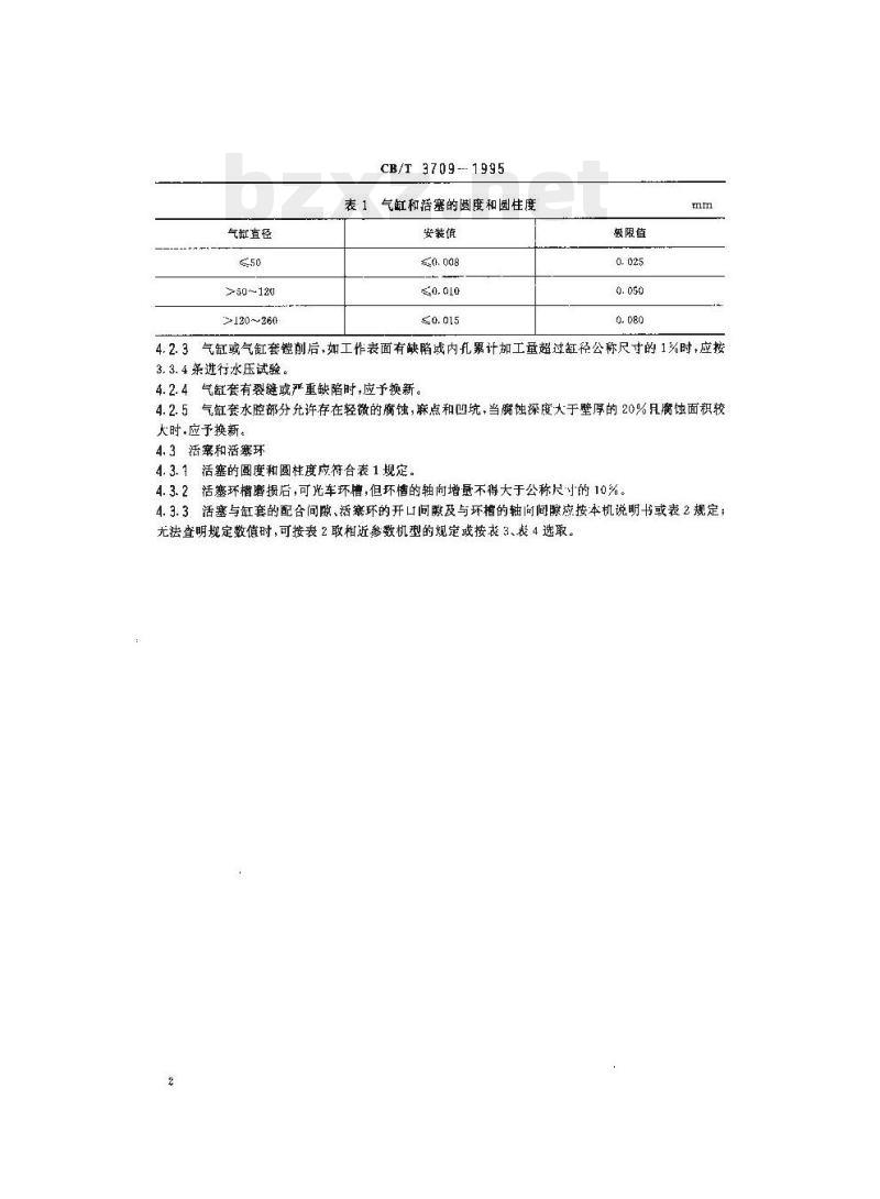
4.2.1气缸或缸套内圆上轻微的锈蚀和别痕经手工刮磨修正后允许继续使用。4.2.2气缸或气缸套内圆磨搬而使其圆度和圆柱度超过表 1 规定极限值,或内圆锈蚀斑点、划痕较深时,可进行削或珀磨修理。
中国船舶工业总公司 1995-12-19 批准1996-08-01实施
气缸直径
>50~120
2120~260
CB/T 3709---1995
表 1 气缸和活塞的圆度和圆柱度安装值
极限值
4.2.3气缸或气缸套镗削后,如工作表面有缺陷或内孔累计加工量超过缸径公称尺寸的1%时,应按3.3.4条进行水压试验。
4.2.4气缸套有裂缝或严重缺陷时,应予换新。4.2.5气缸套水腔部分允许存在轻微的腐蚀,麻点和凹坑,当魔蚀深度大于壁厚的20%且腐蚀面积较大时·应予换新。
4.3活案和活塞环
4.3.1活塞的圆度和圆柱度应符合表1规定4.3.2活塞环槽磨损后,可光车环槽,但环槽的轴向增逐不得大于公称尺的10%。4.3.3活塞与缸套的配合间隙、活案环的开口间及与环擅的轴向间隙应按本机说明书或表2规定;尤法查明规定数值时,可接表 2 取相近参数机型的规定或按表 3、表 4 选取。2
空压机型号
活塞与气缸
活塞环开11
活环轴向
气缸直径
安装值
极限值
气直径
安装值
极跟值
安装值
桩限值
安装值
极限值
安装值
板履信www.bzxz.net
安装值
极限值
公称直径
曲柄蜻与
连杆轴承
活塞销与
连杆轴承
气缸余隙
阀片升程
安装值
极限值
安装值
极限值
公称直径
安装值
极限俏
I级安装值
E级安装值
安全阀起压月
进气阀
排气阀
进气阀
排气阀
CB/T3709—1995
表2双级活塞式空压机修理安装间1-0.433
0. 080--0. 160
0. 170--0. 360
0. 400~-0. 69(1
n. 400~-0.600
0. 5001~0. 600
0. 030~0. 050
0.070~0.130
心. 025 ~ 0. 070
0.300~0.500
0. 300--0. 400
1. 4~1. 6
1. 4~1. 6
1. 8-2. 2
1. 8~2. 2
6. 4-- 6. 6
0. 084~-0. 140
0.050~0.120
0. 500~0. 600
0-200--0.300
1级 0. 350~0.500
T级 0.200~-0.300
T级1.000
【级0.500
0. 020-0. 050
0.050~0.110
0. 680~~1. 000
25.4;20.0
0.015~0.050
≤.1.300
(2-10/30
C2-20/30
0. 160 ~- 0. 240
0. 150~ 0. 220
0. 400~~0. 650
0. 250 ~0. 350
0.250~0.350
0. 020~ 0. 060
0. 025--0. 080
o. 050~0. 080
0. 010~ 0.050
0. 504~1. 000
0.4000.700
1. 8~2. 3
1. 8~2. 3
0. 50~0. 80
3. 1~ 3. 4
ZC 60/30
ZC-120/30
0. 300~ l1. 430
0. 300~ 0. 430
0. 500-~0. 800
0. 400-p.700
1.200~1.500
0.03G--Q.090
0. 030~0. 090
0. 1700. 390
0. 025-0.080
0.500~1. 000
0.5001.000
0. 70~ 0. 85
3. 2 ~ 3. 5
空床批型号
活塞与气缸
活案环开口
活塞环轴间
气缸直径
安装值
极限值
气缸直径
安装值
极限值
安装值
搬限值
安装值
安装值
极限值
安装馆
极限值
公称直径
曲柄销与
连析轴承
落嘉镌与
连杆轴承
气虹余隙
啊片升程
投限值
安装值
毅限值
公称直径
安装值
被限假
「级安装
1级安装值
安全阀起晚压力
进气阀
择气阀
进气阀
排气阀
CB/T 3709—1995
续表2
221,2-0.9/25
2Z1-2-1.25/25
0.300~0.430
0. 300~0. 430
0.0~1.000
0. 600~0. 800
1.200-1.500
0. 030~~0. 090
0.030~0.1196
0.340-~0.750
0.085-0.080
1. 00~2. 54
0. 50--1- 00
0. 55 --0. 57
3. 20~~3. 50
0.150~0.290
0. 440~~0. 660
C.400-0.660
0. 180 ~0. 350
0. 025~0. 090
0. 050-~0. 120
1.100~1.500
0. 025 ~0. 080
1.29~2. 50
WP220WP320
WP270WP370
0. 500~~0. 540
0.150~-0.190
0. 550心7
0. 500~0. 700
Q.4000.650
0. 050~~0. 082
0.100~-0. 135
0.300~~0.500
0.080~~0.096
0. 65--1. 03
CV-240/30
0. 300~0. 430
0. 300--0. 430
15. 500--0. 800
0. 400~0. 700
1. 200~-1. 500
0.030-~0.090
0. 030--0. 090
0.340~-0.759
0.025-~心,080
0. 50 ~ 1. )
0. 50~1. 0
0.55~0.57
3. 20~3.50
气缸直径
>60~120
>120--1月0
气缸直径
安装值
≥>60~~120
>120~180
180~260
CB/T 3709—1995
表 3活塞与缸套配合间隙
安装值
0.080~0.150
0. 150~0. 250
0. 250~~0.350
0.350~0.500
表 4 活塞环的安装间断
开口间蕨
0.200~~0.300
0.300~0.500
03. 500-~0.800
0.800~1,000
4.4活寒销与曲轴
极限值
4.4.1活塞销的圆度和圆柱度按表5规定。安装值
轴向狗麟
0.020~0.050
0, 020-~0. 060
0. 030~0.090
0.030-~0.100
表 5活塞销的圆度和圆柱度
活塞销直径
>30~50
50-~80
安装值
极限值
径向间隙
极限值
安装值
0.500~-0.750
极班值
4.4.2活塞销充许出有轻微锈斑,如有横向发纹、凹陷和严重则痕应予修理或换新。充允许采用链磨,机械加.或采用镀铬方法惨理。
4.4. 3曲轴主轴颈与曲柄销的圆度和圆柱度按表 6规定。表 6主轴颈与曲柄销的圆度和圆柱度轴颈直径
>50~120
>120~260
安装值
.0.006
4.4.4必要时,应对曲轴轴颈表面进行无损探伤检查。轴额圆角处和键槽上不允许有发纹。主轴颈和曲柄销表面不允许有横向发纹。允许有与轴线爽角小于30°的纵向发纹存在,但同一轴线上总数不多于3 条。同一截面上不多于 2 条,其长度不超过 20 mm。4. 4. 5曲轴主轴颈和曲柄销表面的磨损,伤,划痕、锈斑等缺陷允许进行于工和机加工修正,但累计理7,量应不人于轴颈公称尺的2%。4.4.6轴主轴颈、曲柄销及活塞销可采用喷涂,镀铬等方法修理。4.5连杆
4.5.1连杆大小端轴承孔轴心线的平行度在垂直方向上每100mm不火于0.03mm;在水平方向上,每 100 mm不大于 0. 06 mmz
4.5.2连杆的弯曲变形允许在冷态或热态下校正。若加热温度超过金属相变温度时,校正后应经正火5
处理。
4.6轴承衬套
CB/T 3709—1995
4.6.1轴瓦表面轻微擦伤等缺陷应子修理。如存在严重擦伤或合金层剥落等.应予换新。4.6.2磨损的轴瓦表面允许采用电镀或电刷镀方法修理4.6.3摘销与连杆轴承,活塞销与连杆衬套的配合间隙按表2规定,无法查明规定数值时,可按表2参照相近参数机型的规定或按表7和表8选取。表?曲柄销与连杆轴承配合间隙曲柄销直径
5~~80
-80--120
活窘销直径
>30~50
50--80
安装值
径向间露
极限值
0.025~0. 077
0. 030~0. 4190
0.040-0.110
安装值
轴向隙
0.200~-0.300
0.300-~0.500
0. 500~0. 750
表8活塞销与连杆衬套配合问隙
安装值
0. 020 ~ 0. 064
0. 025~ 0. 077
0, 039~0. 090
4.7进气阀.排气阀、安全阀。
4.了.1进气阀,排气阀,安全阀经研磨后,具密封线应连续,极限值
极限值
4.7.2进气阀,排气阀升程调整应符合表2规定。无法查明规定数值时,按表2相近空压机型号参数的规定或按 2±0. 2 mm范围选取。5换新和烤配
5.1岑部件换新
5.1.1经勘验确定需换新的零部件应律换新,经修理仍无法达到要求的零部件也应换新。5.1.2换新的部件,应具有出厂合格证书。5.2新配零部件
5.2、1在无法史换原配零部件时,工厂可按产品图样和技术文件进行修配性制造。5.2.2空压机主要零部件的制造,放符合GB12928和ZB J72013.2的规定要求。6试验及验收
6.1安装调整要求
6.1. 1活塞坏装入活塞环糟后应能灵活转动,不允许有卡紧现象。6.1.2进气阀和排气阀在组件装配后,应进行密性检查。向阀内注入煤油,允许有单独的滴状渗漏。6.1.3安全阀在内场应作起跳试验,其调压,力按表2规定。无法查明规定数值时,最后级安全阀调整非力应不大于额定摄气压力的1.1倍。级间安全阀起跳压力应不超过该级额定排气压力的1.2倍。6.1. 4冷却水腔1:的安全膜爆破玉力或安全阀的起跳压力为 0.40~0.45 MPa.6.1.5活塞与征盖之间的余既按表 2 规定调整。无法在明规定数值时,其余隙值按表9 选取。气缸内径
>99~120
120~150
15G~20m
CB/1 3709—1995
表气缸余隙
余隙值
0.35c~0.500
0.4m~0.550
0. 5G0~-0. 5519
0.609~~0.750
6.1.6弹性联轴器二法兰的校中偏差允许值为偏移≤0.10tam,面折0.30mm/排+两法送的轴向闻魔应2~3m见。装后应转动灵活,不允许有卡滞现象6.2试酸及验收
6.2.1空压机安装后应进行磨合试验。试验和验收在系治试验中进行。6.2.2磨合试验要求在常载状况下运转 G. 5~1 h,然后再逐步升压,直至额定工况,总递转时间不少于2h。
6.2.3在额定工况下,进行下列内穿检查歧调整:检查机组有无异带振动、噪声、发热以及空气、拎却水润滑油的潮漏等现象:b.调整油H,水床及各级进排气[力!瑟安全褥起压力,应作不少于2秋起既试验,然铅封,c.
d进行机组自动启动,停机,卸荷、泄放,报替和保护装置的效用或模拟试验,检查动作的准确性和可靠性,试验应不少于2次。
6.2.4充气试验按下列要求进行:用于主机启动空气系统的空压机组,应使空压机在额定转速下狗空气瓶进行充气,测定充气时a.
闻,度能从U.?Pa压力起,在1以内,以空压机的总排量对所有主机肩动瓶空气瓶充至额定工作压b.
用于其他系统的空压机和成急空压机,应避行充气效用试验1h。6.3验收
6.3.1装有白动控制装置的机组,在规定的压力范围内应能自动病动和停机。6.3.2装有保护装置的机组,其油压、水压、水温等保安设施及声光报警装置应准确可靠。附加说明:
本标唯山全博海洋船标滩化技术委员会船分技术委员会提出。本标推出天律修技术研究所山口。本标由江南造船」负贡起草。
本标准主要起草人曹谢萱、姚荣元。
小提示:此标准内容仅展示完整标准里的部分截取内容,若需要完整标准请到上方自行免费下载完整标准文档。
标准图片预览:





- 其它标准
- 热门标准
- CB船舶标准
- CB/T1033-1999 船用油分浓度计
- CB/Z230-86 船舶上层建筑整体吊装技术要求
- CB/T3799-1997 船舶液压系统修理清洗技术要求
- CB/T3924-2002 船用锅炉原材料入厂检验
- CB/T4160-2011 锚修理技术要求
- CB/Z281-2011 船舶管路系统用垫片和填料选用指南
- CB/T3679-1995 船用往复式液压舵机修理技术要求
- CB/T4405-2014 额定电压6kV Um7.2kV 至30kV Um36kV 船舶和近海设施变频传动用电力电缆
- CB/T3395-2013 残余应力测试方法 钻孔应变释放法
- CB/Z280-2011 海船艏锚泊设计导则
- CB/T3686-1995 电汽热水柜
- CB/T3921-2001 船用辅锅炉人孔装置
- CB/T3668-1995 电刷镀镍、铜工艺技术要求
- CB/T3752-1995 机械压力式燃烧器
- CB/Z303-1978 长江客货船船模系列试验图谱
- 行业新闻
网站备案号:湘ICP备2025141790号-2