- 您的位置:
- 标准下载网 >>
- 标准分类 >>
- 船舶行业标准(CB) >>
- CB/T 53-2008 螺纹接头焊接座
标准号:
CB/T 53-2008
标准名称:
螺纹接头焊接座
标准类别:
船舶行业标准(CB)
标准状态:
现行出版语种:
简体中文下载格式:
.zip .pdf下载大小:
1.28 MB
点击下载
标准简介:
CB/T 53-2008.
1范围
CB/T 53规定了螺纹接头焊接座(以下简称焊接座)的分类、要求,试验方法、检验规则、标志和包装。
CB/T 53适用于船舶管路系统焊接座的设计、制益和验收。
3.3标记示例
A型M30×2碳钢平面焊接座标记为:
焊接座 CB/T 53-2008 AM30×2G
B型M24×2不锈钢平面焊接座标记为:
焊接座 CB/T 53-2008 BM24×2N
c型 M27×1.5黄铜平面焊接座标记为:
焊接座CB/T 53-2008 CM27×1.5H
D型M30×2青铜平面焊接座标记为:
焊接座CB/T 53—2008 DM30×2Q
F型R1/4,长度为30 mm的黄铜压力表、传感器、温度计用焊接座标记为:
焊接座 CB/T 53-2008 FR1/4×30H
H型M33×2,长度为85 mm的碳钢压力表、传感器、温度计用焊接座标记为:
焊接座 CB/T 53—2008 HM33×2×85G
4要求
4.1 材料
焊接座的材料见表11。
部分标准内容:
本标准代替CB53一1980螺纹接头焊接座本标准与CB53一1980相比主要有下列技术变化:a)增加了压力表,传感器,温度计用焊接座b)增加了青铜材料的焊接座,A型,、D型,E型增加不锈钢材料:取消了C型和F型
d)焊接座原材料Q235-A改为20钢,1Cr18Ni9Ti改为0Cr18Ni9本标准由中国船舶事工集团公司提出本标准由中国船舶工业综合技术经济研究院门国本标准起草单位:大连新船重工有限责任公司本标准主要起草人薄英刘小朋金泉马玉龙本标准1965年3月首次发布,1980年3月第一次修订CB/T53-2008
螺纹接头焊接座
CB/T532008
本标准规定了螺纹接头焊接座(以下简标焊接座)的分实一要求,试验方法,检验规则、标志和包装,报性糖病用于相件系性病素和。标
规范性引用文件
下列文件中的条款通本标准引用而修改单(不包含勘误的直容
是否可使用这些文件的最新版本。凡月
康服素结构镜
GB/T699-1999
GB/T1184
GB/TI220
GB/T1804
GB/T1958
GB/T3009
GB/T4423
CB/T23
CB°56-198
CB821-198
CB822-198
3分类
伏和位置公
锈钢棒
般公差
为本标准的条款
不适用子
日的号
凡是注日期的用文件,其随后所有的鼓励限据本标维达成协议的各方研究康雅,然面
其度新版本
标准。
未注公养信
未注公差做战性和角度尺寸的公差何量技术规范
船用防蚀螺塞
CGPS)形伏和位置公差
铜及铜合金拉制棒
用放泄螺塞
平肩螺纹接头
管子螺纹接
焊接座型式见表1
下瑞密封
管子螺纹接
表焊接座的型就
平面短接座
普道螺纹
上端密封
平面焊接座
不锈钢
不锈钢
检测规定
相配合的螺纹接头标准
CB56-1983-CB821-1984
CB/T23-1999.CH821-1984
CB822-1984
CB/T532008
下端密封
管子焊接膚
上端密封
管子焊接座
防蚀螺塞焊接座
压力表、传感器、
温度计用焊接库
下端密封压力表、传感
器,温度计用焊接座
上端密封压力表、传感
器,温度计用焊接座
3.2结构和基本尺寸
3.2.1A型焊接座
普通螺纹
锥管螺纹
圆挂管螺纹
普通螺纹
A型焊接座的结构和基本尺寸见图1和表2表1(续)
不锈钢
不锈钢
图1A型焊接座
相配合的螺纹接头标准
CB:56-1983.CB821-1984
CB/T23-1999、CB*821-1984.
CB8221984
GB/T3009-1982
单位为毫米
M42×2
M48×2
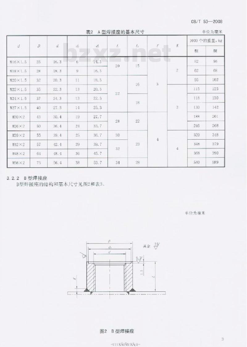
3.2.2B型焊接座
A型焊接座的基本尺寸
B型焊接座的结构和基本尺寸见图2和表3。20
图2B型焊接座
TTKAOTKAca-
CB/T 53-2008
单位为毫米
1000个的重量,kg
单位为幸米
CB/T53-2008
ML6X15
M24×2
M33×2
M39×2
表3B型焊接座的基本尺寸
海业标
3.2.3C型焊接座
基本尺寸见图限
C型焊接康的
图3C型焊接座
单位为毫米
1000个的重量,kg
单位为毫米
M42×2
3.2.4D型焊接座
表4C型焊接座的基本尺寸
D型焊接座的结构和基本尺寸见图4和表5。tala
图4D型焊接座
TTKAONTKAca-
CB/T532008
单位为米
1000个的重量,kg
单位为毫来
CB/T53—2008
M12X15
MI8XLB
M22X1:5
表5D型焊接座的基本尺寸
3.2.5E型焊接座
E型焊接座的结构和基本尺寸见图5和表6。20
图5E型焊接座
单位为毫米
1000个的重量,
3.2.6F型焊接座
表6E型焊接座的基本尺寸
下型焊接座的结构和基本尺寸见图6和表7。4
图6F型焊接座
TTKAOTKAca-
CB/T53-—2008
单位为毫米www.bzxz.net
1000个的重量,kg
CB/T532008
表7F型焊接座的基本尺寸
3.2.7G型焊接摩
G型焊接座的统尺寸见图7和走8。¥
图7G型焊接座
单位为毫米
1000个的重量,kg
3.2.8H型焊接座
表8G型焊接座的基本尺寸
H型焊接座的结构和基本尺寸见图8和表9D
图8H型焊接座
TTKAONTKAca-
CB/T53——2008
单位为毫米
1000个的重量,kg
单位为毫米
CB/T532008
表9H型焊接座的基本尺寸
单位为毫米
1000个的重量,kg
3.2.9J型焊接座
J型焊接座的结构和基本尺寸见图9和表10120
图9J型焊接座
表10J型焊接座的基本尺寸
M27X1-5
其余5
-TTKAOTKAca-
CB/T532008
单位为享米
单位为毫米
1000个的重量,kg
小提示:此标准内容仅展示完整标准里的部分截取内容,若需要完整标准请到上方自行免费下载完整标准文档。
d)焊接座原材料Q235-A改为20钢,1Cr18Ni9Ti改为0Cr18Ni9本标准由中国船舶事工集团公司提出本标准由中国船舶工业综合技术经济研究院门国本标准起草单位:大连新船重工有限责任公司本标准主要起草人薄英刘小朋金泉马玉龙本标准1965年3月首次发布,1980年3月第一次修订CB/T53-2008
螺纹接头焊接座
CB/T532008
本标准规定了螺纹接头焊接座(以下简标焊接座)的分实一要求,试验方法,检验规则、标志和包装,报性糖病用于相件系性病素和。标
规范性引用文件
下列文件中的条款通本标准引用而修改单(不包含勘误的直容
是否可使用这些文件的最新版本。凡月
康服素结构镜
GB/T699-1999
GB/T1184
GB/TI220
GB/T1804
GB/T1958
GB/T3009
GB/T4423
CB/T23
CB°56-198
CB821-198
CB822-198
3分类
伏和位置公
锈钢棒
般公差
为本标准的条款
不适用子
日的号
凡是注日期的用文件,其随后所有的鼓励限据本标维达成协议的各方研究康雅,然面
其度新版本
标准。
未注公养信
未注公差做战性和角度尺寸的公差何量技术规范
船用防蚀螺塞
CGPS)形伏和位置公差
铜及铜合金拉制棒
用放泄螺塞
平肩螺纹接头
管子螺纹接
焊接座型式见表1
下瑞密封
管子螺纹接
表焊接座的型就
平面短接座
普道螺纹
上端密封
平面焊接座
不锈钢
不锈钢
检测规定
相配合的螺纹接头标准
CB56-1983-CB821-1984
CB/T23-1999.CH821-1984
CB822-1984
CB/T532008
下端密封
管子焊接膚
上端密封
管子焊接座
防蚀螺塞焊接座
压力表、传感器、
温度计用焊接库
下端密封压力表、传感
器,温度计用焊接座
上端密封压力表、传感
器,温度计用焊接座
3.2结构和基本尺寸
3.2.1A型焊接座
普通螺纹
锥管螺纹
圆挂管螺纹
普通螺纹
A型焊接座的结构和基本尺寸见图1和表2表1(续)
不锈钢
不锈钢
图1A型焊接座
相配合的螺纹接头标准
CB:56-1983.CB821-1984
CB/T23-1999、CB*821-1984.
CB8221984
GB/T3009-1982
单位为毫米
M42×2
M48×2
3.2.2B型焊接座
A型焊接座的基本尺寸
B型焊接座的结构和基本尺寸见图2和表3。20
图2B型焊接座
TTKAOTKAca-
CB/T 53-2008
单位为毫米
1000个的重量,kg
单位为幸米
CB/T53-2008
ML6X15
M24×2
M33×2
M39×2
表3B型焊接座的基本尺寸
海业标
3.2.3C型焊接座
基本尺寸见图限
C型焊接康的
图3C型焊接座
单位为毫米
1000个的重量,kg
单位为毫米
M42×2
3.2.4D型焊接座
表4C型焊接座的基本尺寸
D型焊接座的结构和基本尺寸见图4和表5。tala
图4D型焊接座
TTKAONTKAca-
CB/T532008
单位为米
1000个的重量,kg
单位为毫来
CB/T53—2008
M12X15
MI8XLB
M22X1:5
表5D型焊接座的基本尺寸
3.2.5E型焊接座
E型焊接座的结构和基本尺寸见图5和表6。20
图5E型焊接座
单位为毫米
1000个的重量,
3.2.6F型焊接座
表6E型焊接座的基本尺寸
下型焊接座的结构和基本尺寸见图6和表7。4
图6F型焊接座
TTKAOTKAca-
CB/T53-—2008
单位为毫米www.bzxz.net
1000个的重量,kg
CB/T532008
表7F型焊接座的基本尺寸
3.2.7G型焊接摩
G型焊接座的统尺寸见图7和走8。¥
图7G型焊接座
单位为毫米
1000个的重量,kg
3.2.8H型焊接座
表8G型焊接座的基本尺寸
H型焊接座的结构和基本尺寸见图8和表9D
图8H型焊接座
TTKAONTKAca-
CB/T53——2008
单位为毫米
1000个的重量,kg
单位为毫米
CB/T532008
表9H型焊接座的基本尺寸
单位为毫米
1000个的重量,kg
3.2.9J型焊接座
J型焊接座的结构和基本尺寸见图9和表10120
图9J型焊接座
表10J型焊接座的基本尺寸
M27X1-5
其余5
-TTKAOTKAca-
CB/T532008
单位为享米
单位为毫米
1000个的重量,kg
小提示:此标准内容仅展示完整标准里的部分截取内容,若需要完整标准请到上方自行免费下载完整标准文档。
标准图片预览:





- 其它标准
- 上一篇: HG/T 2750-2012靛蓝
- 下一篇: HG/T 4869-2015车身喷绘贴膜
- 热门标准
- CB船舶标准
- CB/T4159-2011 船用法兰柱塞阀
- CB/T4160-2011 锚修理技术要求
- CB/T4150-2011 船舶分段涂装前跟踪补涂工艺要求
- CB/T4151-2011 船舶坞内移位落墩工艺要求
- CB/T4159-2011 船用法兰柱塞阀
- CB/T3942-2002 法兰不锈钢截止阀
- CB/T254-1997 船底放泄螺塞
- CB/T4004-2005 J类法兰铸钢2.0MPa截止阀
- CB/T3919-1999 船用颠倒采水器架
- CBM2056-1982 船用钢质单扇非水密门
- CB1085.1-1989 仪器仪表制造工时定额 有色金属砂型铸造
- CB/T1243-94 空蚀试验规程
- CB/T3416-1992 船舶轴系修理勘验技术要求
- CB275-1983 铝质舷窗
- CB1062.7-1987 轮机船上安装工时定额 锅炉及其附件
- 行业新闻
请牢记:“bzxz.net”即是“标准下载”四个汉字汉语拼音首字母与国际顶级域名“.net”的组合。 ©2025 标准下载网 www.bzxz.net 本站邮件:bzxznet@163.com
网站备案号:湘ICP备2025141790号-2
网站备案号:湘ICP备2025141790号-2